Das Transistorradio

Der besondere Reiz dieses Radiobausatzes besteht darin, dass die Schaltung auf einer Steckplatine ganz ohne Lötkolben aufgebaut wird. Wenn man die Schaltungstechnik genau verstehen will, sollte man den Aufbau in viele kleine Schritte aufteilen. Die Bauteile haben jeweils ihre eigene Funktion und können auch in kleinen Schritten getestet werden. So werden erste Ergebnisse schon bei den Vorversuchen hörbar. Das Radio wird Schritt für Schritt erweitert und verbessert. Damit erklärt sich die Funktion der einzelnen Bauteile. Und am Ende kann jeder sein ganz spezielles Radio bauen oder Varianten entwickeln, die über das Handbuch hinausgehen. Das Ergebnis ist ein vollständiges und empfangsstarkes kleines Mittelwellen-Radio im eigenen Gehäuse. Und zusätzlich gibt es noch unzählige Schaltungsvarianten, mit denen man weiter experimentieren kann.
Siehe auch: Tipps
zur Fehlersuche
Inhalt
6. Der integrierte Schaltkreis
Bauteile
Steckplatine
Lautsprecher 8 Ω, 0,5 W
2 m Drahtlitze
Batteriefach mit Anschlussdrähten
Drehkondensator 280 pF
Verlängerungsachse und Drehknopf
Schraubklemme
Spule 220 µH (schwarz)
2 Spulen 47 µH (blau)
Empfänger-IC TA7642
NPN-Transistor BC547B
Widerstand 100 Ω (braun, schwarz, braun)
Widerstand 620 Ω (blau, rot, braun)
Widerstand 820 Ω (grau, rot, braun)
Widerstand 1 kΩ (braun, schwarz, rot)
Widerstand 10 kΩ (braun, schwarz, orange)
Widerstand 100 kΩ (braun, schwarz, gelb)
3 keramische Kondensatoren 100 nF (104)
2 Elkos 47 µF
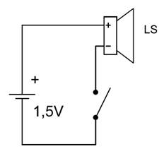
Nehmen Sie den Lautsprecher in die Hand und betrachten Sie ihn genau. Auf der Vorderseite befindet sich die Membran. Sie lässt sich vorsichtig etwas nach innen drücken. Wenn Sie mit dem Finger auf die Membran klopfen, gibt es ein Geräusch. Das zeigt zugleich das Prinzip des Lautsprechers. Eine Bewegung der Membran erzeugt Schall.
Auf der Rückseite befindet sich ein starker Magnet. Im Inneren verborgen gibt es eine Drahtspule, deren beide Anschlüsse mit den Kontakten und den angelöteten Kabeln verbunden sind. Die Membran lässt sich deshalb durch einen elektrischen Strom bewegen.

Das Lernpaket enthält ein Batteriefach für eine einzelne Mignonzelle. Setzen Sie eine 1,5-V-Zelle ein. Halten Sie die Drähte kurz an die des Lautsprechers. Es entsteht ein Knackgeräusch. Die Bewegung der Membran ist nur schwer zu sehen, kann aber mit dem Finger gefühlt werden. Je nach Anschlussrichtung wird die Membran durch den Strom nach innen oder nach außen gedrückt.
Der Lautsprecher hat einen Widerstand von 8 Ohm und eine maximale Leistung von 0,5 Watt. Eine ganz neue 1,5-V-Batterie kann tatsächlich etwa 1,6 V haben. Dann fließt ein Strom von 0,2 A. Die aufgenommene Leistung ist 0,32 W, liegt also noch unter dem erlaubten Grenzwert. In den späteren Versuchen wird sehr viel weniger Leistung aufgenommen. Aber schon mit wenigen Milliwatt erzeugt der Lautsprecher eine gute Lautstärke.


Auf der Experimentier-Steckplatine soll Schritt für Schritt das komplette Radio aufgebaut werden. Am Anfang kann die Platine einfach auf dem Tisch liegen. Damit ist der Umbau der Schaltung besonders bequem. Später soll die Platine dann ins Gehäuse geklebt werden.
Das Einsetzen von Bauteilen benötigt relativ viel Kraft. Die Anschlussdrähte knicken daher leicht um. Wichtig ist, dass die Drähte exakt von oben eingeführt werden. Dabei hilft eine Pinzette oder eine kleine Zange. Ein Draht wird möglichst kurz über dem Steckbrett gepackt und senkrecht nach unten gedrückt. So lassen sich auch empfindliche Anschlussdrähte wie die verzinnten Enden des Batteriefachs und des Lautsprechers ohne Knicken einsetzen.
Nehmen Sie die Batterie heraus und verbinden Sie das Batteriefach auf der Steckplatine mit dem Lautsprecher. Die Zeichnung zeigt die inneren Verbindungen. Beim Einsetzen der Batterie entsteht wieder das bekannte Knacken. Nehmen Sie die Batterie nach einem kurzen Test wieder aus dem Batteriefach, um sie für die folgenden Versuche zu schonen.

Zur Verbindung von Bauteilen dient der isolierte Schaltdraht. Einige kurze Stücke werden für interne Verbindungen gebraucht, der lange Rest wird später die Empfangsangtenne des Radios.
Schneiden Sie mit einer Zange oder zur Not auch mit einer alten Schere jeweils passende Stücke ab und entfernen Sie an den Enden die Isolierung auf einer Länge von etwa 5 mm. Zum Abisolieren der Drahtenden hat es sich als praktisch erwiesen, die Isolierung mit einem scharfen Messer rundherum einzuschneiden. Achtung, dabei sollte der Draht selbst nicht angeritzt werden, weil er sonst an dieser Stelle leicht bricht.
Noch ein Tipp zur leichteren Arbeit mit dem Steckboard: Schneiden Sie die Drähte am Ende schräg an, damit sie eine scharfe Spitze erhalten und leichter in die Kontakte gesteckt werden können. Dies ist auch für Widerstände und Kondensatoren sinnvoll und verhindert, dass die Anschlussdrähte beim Einstecken leicht umknicken.
Bauen Sie aus zwei Drahtstücken einen Schalter. Jede Betätigung erzeugt dann ein Geräusch. Legen Sie den Lautsprecher auf die Schallöffnung des Gehäuses. Es wirkt dann wie ein Resonanzkörper oder eine Lautsprecherbox. Das Geräusch wird lauter.


Zwei zusätzliche kurze Drähte werden als Zugentlastung eingebaut um die weichen Anschlussdrähte des Batteriefachs und des Lautsprechers zu schonen. Beide sollten immer verbunden bleiben, damit die Anschlüsse nicht übermäßig abnutzen. Zum Ausschalten nehmen Sie die Batterie aus dem Fach.
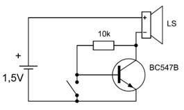
Transistoren sind Bauelemente zur Verstärkung kleiner Ströme. Der NPN-Transistor BC547B dient als Lautsprecherverstärker. Die Anschlüsse des Transistors heißen Emitter (E), Basis (B) und Kollektor (C). Der Basisanschluss liegt in der Mitte. Der Emitter liegt rechts, wenn Sie auf die Beschriftung schauen und die Anschlüsse nach unten zeigen. Das Schaltsymbol kennzeichnet die Basis durch einen Balken und den Emitter durch einen Pfeil. Beim Einbau müssen die Anschlüsse beachtet werden. Die flache, beschriftete Seite zeigt nach oben in Richtung zur Plus-Leitung.
Bauen Sie einen Drahtschalter zwischen Basis und Kollektor. Bei geöffnetem Schalter fließt kein Strom durch den Transistor und den Lautsprecher. Wenn Sie die Batterie einsetzen entsteht deshalb kein Geräusch. Erst wenn Sie mit dem Schalter einen Basisstrom einschalten, hören Sie ein Knacken. Achtung, die Basis darf nur gegen den Kollektor kurzgeschlossen werden, aber auf keinen Fall gegen den Pluspol der Batterie.


Suchen Sie den Widerstand mit 10 kΩ (10 Kiloohm) heraus. Der Widerstand ist mit Farbringen versehen. Braun, Schwarz, Orange bedeutet 10.000 Ohm. Der vierte Ring (Gold) steht für die Toleranzklasse von 5 %.
Ein Widerstand wird eingesetzt, um einen Strom zu verkleinern. In diesem Fall sorgt der Widerstand für einen Basisstrom von nur etwa 0,1 mA. Der Transistor verstärkt diesen kleinen Strom 300-fach bis auf etwa 30 mA. Zwischen Basis und Emitter des Transistors befindet sich ein Schalter. Wenn er geschlossen wird, leitet er den Basisstrom ab. Damit fließt auch kein Kollektorstrom mehr. Durch Öffnen und Schließen des Kontakts können Sie also ein Geräusch erzeugen.


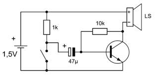
Der Elektrolyt-Kondensator mit 47 µF (47 Mikrofarad) dient zur Kopplung des NF-Verstärkers an die Hochfrequenzstufe. Ein Kondensator besteht aus zwei Metallflächen und einer Isolierschicht. Legt man eine elektrische Spannung an, bildet sich zwischen den Kondensatorplatten ein elektrisches Kraftfeld, in dem Energie gespeichert wird. Die Kapazität eines Kondensators wird in Farad (F) gemessen. Der Elektrolytkondensator (Elko) hat eine Kapazität von 47 µF (0,000047 F). Die Spannung darf nur in einer Richtung angelegt werden. In der falschen Richtung fließt ein Leckstrom, der nach einiger Zeit zur Zerstörung des Bauteils führt. Der Minuspol ist durch einen weißen Streifen gekennzeichnet und hat einen kürzeren Anschlussdraht. Das Schaltsymbol zeigt den Minus-Anschluss als ausgefüllten Balken.
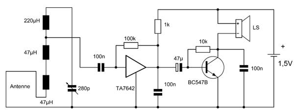
Bauen Sie einen zweiten Widerstand mit 1 kΩ (Braun, Schwarz, Rot) so in die Schaltung ein, dass der Elko permanent geladen wird. Nur beim Schließen des Schalters wird er entladen. Jedes Öffnen und jedes Schließen des Schalters erzeugt ein Geräusch.


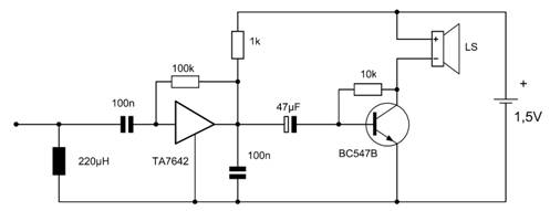
Nun kommt das wichtigste Bauteil dieses Radios, eine integrierte Schaltung (IC) vom Typ TA7642. Das IC besitzt ein Kunststoffgehäuse wie der Transistor und hat ebenfalls drei Anschlüsse. Beim Einbau muss die andere Richtung beachtet werden. Die flache, beschriftete Seite zeigt zur Minus-Seite der Platine.
Die Funktion des Radio-ICs kann man sich vereinfacht als Verstärker vorstellen, ähnlich einem Transistors. Tatsächlich enthält das IC aber viele Transistoren, Widerstände und Kondensatoren. Der mittlere Anschluss ist der Verstärker-Eingang.
Ein weiterer Widerstand mit 100 kΩ (Braun, Schwarz, Gelb) dient ähnlich wie der Basiswiderstand des Transistors dazu, einen kleinen Eingangsstrom fließen zu lassen. Dieser Strom kann dann durch schwache Radiosignale vergrößert und verkleinert werden. Die Änderungen werden verstärkt und hörbar gemacht.
Berühren Sie den Eingang mit dem Finger. Wahrscheinlich hören Sie ein Brummen, Rauschen oder Prasseln. Eine Betätigung eines Lichtschalters im Raum sollte als Knacken hörbar werden. Die Schaltung ist damit bereits ein einfacher Hochfrequenzempfänger, der zumindest schon Funkstörungen aufnehmen kann.


Bauen Sie einen keramischen Scheibenkondensator mit 100 nF (Aufdruck 104) ein. Dieser Kondensator hat keine Polung und darf in beliebiger Richtung verwendet werden. Er wird nun als Tiefpassfilter eingebaut und bewirkt, dass Hochfrequenzsignale (HF) am Ausgang des Empfänger-ICs unterdrückt werden und Signale im Hörbereich (NF, Niederfrequenz) erhalten bleiben. Die Demodulation im Inneren des Empfänger-ICs liefert das NF-Signal, das dem HF-Signal eines Senders aufmoduliert wurde.
Obwohl das Gerät noch lange nicht fertig ist, können Sie mit etwas Glück jetzt bereits Radio hören. Wenn ein starker Sender in Ihrer Nähe steht, reicht sein Signal vielleicht schon aus, um empfangen zu werden. Ihr Körper wirkt dabei als Antenne. Genauso wirksam ist aber auch ein langer Draht.

Schaltbild11.jpg

Legen Sie den Lautsprecher auf die Schallöffnungen des Radiogehäuses, das damit als Lautsprecherbox dient. Der Klang wird damit lauter und voller. Später soll die Steckplatine in das Gehäuse gebaut werden. Vorerst aber sind offene Versuche auf dem Tisch noch bequemer.
Die kleine Spule mit 220 µH (220 Mikrohenry, schwarze Umhüllung) besitzt dünnen Kupferdraht, der auf einen Spulenkörper aus Ferrit gewickelt und an die beiden Anschlussdrähte angeschlossen ist. Die Spule ist mit einer Plastikhülle umgeben.
Bauen Sie diese Spule am Eingang des Empfängers ein. Sie bewirkt, dass NF-Signale kurzgeschlossen werden und nur HF-Signale an den Eingang gelangen. Der Empfang wird damit störungsfreier. Die Spule arbeitet hier als Filter. Ein weiterer Kondensator mit 100 nF wird als Koppelkondensator verwendet und lässt HF-Signale zum Eingang gelangen ohne den Eingangs-Gleichstrom abzuleiten. Wieder kann eine Berührung mit dem Finger eine Antenne ersetzen. Ihr Mittelwellen-Ortssender wird nun noch klarer empfangen.


Bisher wurden alle Versuche im offenen Aufbau durchgeführt. Nun wird alles ins Gehäuse eingebaut. Damit nähern Sie sich einem richtigen Radio. Die Stabilität und Bedienbarkeit verbessert sich. Experimente und Veränderungen sind weiterhin möglich, weil das Gehäuse mit seinem Magnetverschluss bequem zu öffnen ist.
Bauen Sie den Lautsprecher ein, indem Sie ihn in den passenden Schlitz schieben. Die Anschlüsse sollen nach unten zeigen, damit später kurze Verbindungen zur Platine führen. Der Lautsprecher sitzt ausreichend fest in dem vorgesehenen Schlitz. Sie können jedoch zusätzlich einen Tropfen Klebstoff oder Heißkleber verwenden.

Setzen Sie die Verlängerungsachse auf den Drehko und schrauben Sie sie mit der langen 2,5-mm-Schraube fest. Vermeiden Sie es dabei die Achse hart an den Anschlag zu drehen und verwenden Sie eine Zange, um die Achse zu halten. Der Drehko wird erst später mit zwei kleinen Schrauben und den passenden Unterlegscheiben in das Gehäuse eingebaut

Der Drehko besitzt eine Mittelwellenseite mit zweimal 280 pF und eine UKW-Seite mit zweimal 20 pF. Zusätzlich gibt es für jedes Segment einen kleinen Trimmkondensator mit jeweils ca. 20 pF, der mit einem Schraubendreher verstellt werden kann. Auf der Mittelwellenseite sind beide Trimmer mit einer eigenen Anschlussfahne versehen. Mit dem Masseanschluss in der Mitte hat man also auf dieser Seite fünf Anschlüsse. Der Drehko wird über eine Doppel-Schraubklemme mit der Steckplatine verbunden. Verwenden Sie den Masseanschluss und die beiden rechten Anschlüsse (Drehko und Trimmer), die zusammen eingeschraubt werden sollen.

Die Steckplatine muss genau in die richtige Position montiert werden. Sie besitzt an der Unterseite eine doppelseitige Klebefolie. Schrauben Sie die Drehkoanschlüsse fest und stecken Sie die Schraubklemme zur Probe an die richtige Position der Steckplatine. Wenn alles passt, ziehen Sie die Schutzfolie der Klebeseite ab und drücken Sie die Steckplatine fest an ihre Position.
Gegenüber den bisherigen Versuchen müssen alle Bauteile nun etwas anders angeordnet werden. Aus Platzgründen wird die Batterie auf der rechten Seite angesetzt. Die Batterie-Anschlussdrähte erhalten eine Zugentlastung, weil das Batteriefach lose im Gehäuse liegt. Die Drähte zum Lautsprecher müssen nicht gesichert werden, weil er unverrückbar eingebaut ist.
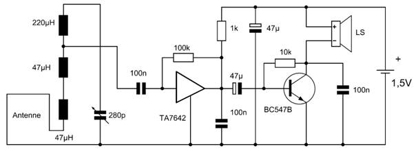
Bisher verfügte der Empfänger nur über ein einfaches Filter, das für den gesamten Mittelwellenbereich wirksam war. Nun sollen aber einzelne Frequenzen getrennt werden. Eine Spule und ein Kondensator zusammen wirken als Schwingkreis und filtern das Signal auf der Resonanzfrequenz heraus. Damit die Frequenz einstellbar ist, wird der Drehkondensator mit 280 pF verwendet. Die tiefste einstellbare Frequenz beträgt mit der vorhandenen Spule von 220 µH etwa 640 kHz. Drehen nach rechts verringert die Kapazität und stimmt Frequenzen bis über 1600 kHz ab. Verwenden Sie den restlichen Schaltdraht als Antenne. Sie können vor allem am Abend mehrere Sender empfangen.


Ein weiterer Kondensator mit 100 nF (Aufdruck 104) dient zur Verbesserung der Störsicherheit. Setzen Sie diesen zwischen Emitter und Kollektor des NF-Transistors ein. Damit werden Reste des verstärkten HF-Signals unterdrückt, die sonst für mögliche Störungen sorgen konnten. Der Empfang wird noch klarer.


Der verbleibende Draht sollte noch etwa 180 cm lang sein. Bauen Sie daraus eine möglichst große Drahtschleife als Antenne. Die Schleife liegt in Reihe zur Schwingkreisspule und bildet zusammen mit dieser und dem Kondensator einen Schwingkreis. Drehen Sie langsam am Abstimmknopf, bis Ihr Ortssender hörbar wird. Zum Test können Sie auch einen Lichtschalter betätigen. Sein Sendesignal ist breitbandig und sollte in jedem Fall als Knacken aus dem Lautsprecher zu hören sein. Am Abend können Sie mehrere europäische Stationen hören. Die Schleifenantenne liefert eine größere Signalspannung als die Drahtantenne und ist zugleich weniger empfindlich gegen Störsignale aus dem häuslichen Umfeld. Deshalb ergibt sich eine deutliche Verbesserung des Fernempfangs. Die Drahtschleife hat eine deutliche Richtwirkung. Durch Drehen der Schleife können Sie einen Wunschsender stärker hören oder einen störenden Sender ausblenden.


Das Lernpaket enthält auch zwei Spulen mit der kleineren Induktivität von 47 µH (blaue Umhüllung). Schalten Sie eine dieses Spulen in Reihe zur vorhandenen Schwingkreisspule. Die gesamte Induktivität steigt damit auf ca. 267 µH, die untere Empfangsfrequenz sinkt auf ca. 580 kHz. Zugleich entsteht damit eine Anzapfung der Schwingkreisspule. Legt man den Eingang des Empfänger-ICs an diese Anzapfung, wird der Schwingkreis weniger bedämpft. Damit steigen die Resonanzspannung und die Trennschärfe. Bei genauer Abstimmung können am Abend noch mehr Sender empfangen werden.


Die zweite Spule mit 47 µH (blaue Umhüllung) soll nun ebenfalls in Reihe zur Schwingkreisspule geschaltet werden. Damit erhalten Sie eine Spule mit zwei Anzapfungen und insgesamt ca. 314 µH. Nun kann bis herunter auf 540 kHz abgestimmt werden. Die beste Anpassung des Empfänger-ICs liegt in den meisten Fällen bei der höheren Anzapfung. Falls ein überstarker Sender in der Nähe andere Stationen übertönt, kann die untere Anzapfung besser sein. Umgekehrt können Sie schwache Signale unter 700 kHz oft besser am oberen Ende des Schwingkreises auskoppeln. Experimentieren Sie mit unterschiedlichen Ankopplungen.


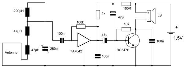
Je empfindlicher der Empfänger ist, desto größer ist die Gefahr von Störungen durch ungewollte Rückkopplung vom NF-Verstärker auf den Empfänger-Eingang. Einer der möglichen Wege, auf denen Signale zurück an den Eingang gekoppelt werden können, ist die Spannungsversorgung. Wenn die Batterie nicht mehr ganz neu ist, steigt ihr Innenwiderstand. Das kann dann zu unangenehmen Nebengeräuschen führen. Dagegen hilft am besten eine Entkopplung mit einem großen Kondensator. Schalten Sie einen weiteren Elko mit 47 µF zwischen die beiden Versorgungsanschlüsse. So verbessern Sie die Störfestigkeit.


Eine noch bessere Entkopplung zwischen NF-Verstärker und HF-Stufe ereicht man mit einem RC-Filter (Widerstand R + Kondensator C). Der passende Widerstand mit 100 Ω (Braun, Schwarz, Braun) wird dazu in die Versorgungsleitung gelegt. Falls Ihr Empfänger bisher zu Störungen neigte, wird es mit dem RC-Glied mit 100 Ω und 47 µF eine Verbesserung geben. Falls sich kein Unterschied zeigt, wissen Sie jedenfalls, dass der Empfänger nun auch mit einer schwachen Batterie noch recht gut arbeiten wird.


Wenn Sie bevorzugt Frequenzen im oberen Mittelwellenbereich oberhalb 1000 kHz empfangen wollen, ist es besser, die Spuleninduktivität zu verringern. Nehmen Sie die große Spule mit 220 µH heraus und verwenden Sie nur die beiden 47-µH-Spulen mit Anzapfung in der Mitte. Das Radio kann nun bis 4000 kHz abgestimmt werden und erreicht damit den unteren Bereich der Kurzwelle. Am Abend können Sie im 75-m-Band interessante Stationen hören.


Bauen Sie die 220-µH-Spule wieder ein, um den gesamten Mittelwellenbereich zu empfangen. Vor allem am Abend können Sie zahlreiche europäische Stationen hören. Die Empfindlichkeit des Radios hängt in großem Maße von der Größe der Antennenschleife ab.
Ein weiterer wichtiger Faktor ist die Dämpfung des Schwingkreises durch unvermeidliche Verluste im Drahtwiderstand und im Ferritkern. Je mehr HF-Energie verloren geht, desto kleiner wird die Lautstärke und desto geringer wird die Trennschärfe. Das Empfänger-IC TA7642 liefert aber eine aktive Entdämpfung, d.h. ein Teil des verstärkten HF-Signals wird an den Schwingkreis zurückgekoppelt, um solche Verluste auszugleichen.
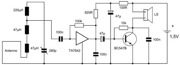
Die Verstärkung des TA7642 und damit auch die Entdämpfung kann in gewissen Grenzen über den Betriebsstrom eingestellt werden. Die Empfangsleistung geht daher mit schwächer werdender Batterie etwas zurück. Umgekehrt kann man die Verstärkung erhöhen, wenn man einen kleineren Ausgangswiderstand einsetzt. Ersetzen Sie den 1-kΩ-Widerstand durch einen Widerstand mit 820 Ω (Grau, Rot, Braun). Noch mehr Verstärkung erreichen Sie mit dem 620-Ω-Widerstand (Blau, Rot, Braun).
Achtung, falls die Verstärkung zu hoch wird, gerät die Schaltung in Eigenschwingungen. Sie hören dann ein lautes Interferenzpfeifen. Setzen sie in diesem Fall wieder einen größeren Widerstand ein.


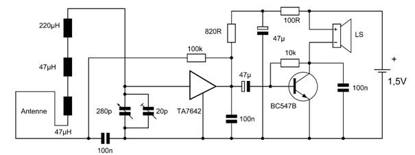
Noch mehr Empfindlichkeit und Trennschärfe erreichen Sie mit einer Schaltungsänderung. Der 100-kΩ-Widerstand wird nun zusammen mit dem Koppelkondensator an das „kalte Ende“ des Schwingkreises gelegt. Der Widerstand trägt damit nicht mehr zu Dämpfung des Schwingkreises bei. Deshalb steigen die Gesamtverstärkung und die Empfindlichkeit des Empfängers. Testen Sie auch verschiedene Spulenanzapfungen. Das Schaltbild zeigt den Anschluss am oberen Ende des Schwingkreises.


Das Radio ist nun fertig aufgebaut. Nur die Skala muss noch eingestellt werden. Die aufgedruckten Zahlen sollten möglichst genau der eingestellten Frequenz entsprechen. 55 steht für 550 kHz, 160 steht für 1600 kHz.
Für den Abgleich am oberen Ende der Skala verwendet man den entsprechenden Trimmer auf dem Drehko. Suchen Sie einen bekannten Sender am oberen Ende des Bandes und stellen Sie den Trimmer so ein, dass die Skala an dieser Stelle möglichst genau stimmt. Am unteren Bandende kann der Abgleich durch Verändern der Induktivität der Schwingkreisspulen durchgeführt werden. Dies ist möglich, wenn alle drei Spulen nahe beieinander auf der Steckplatine stehen. Durch magnetische Kopplung und gegenseitige Beeinflussung ändert sich die Induktivität etwas. Sie können die kleineren Spulen mit 47 µH zur Probe umpolen, was die Induktivität um einige Prozent ändert. Ein Feinabgleich ist möglich, indem sie den Abstand der Spulen leicht verändern. Durch den Abgleich am unteren Ende hat sich auch die obere Bandgrenze leicht verschoben. Wiederholen Sie daher den Abgleich mit dem Trimmer.
Der Drehknopf wurde im ersten Ansatz so aufgesetzt, dass der linke Anschlag und der rechte Anschlag sich auf einer horizontalen Linie befinden. Falls aber der Abgleich nicht ganz gelingt, können Sie den Knopf etwas verdreht aufsetzen, um die Genauigkeit zu verbessern. Hier ist Ihr Geschick gefragt.
Die Induktivität der gesamten Schwingkreisspule hängt in geringem Maße auch von der Größe und der Verlegung der Schleifenantenne ab. Wenn Sie zur Steigerung der Empfangsleistung die Antenne noch weiter vergrößern, verschiebt sich die Empfangsfrequenz etwas nach unten. Führen sie dann einen neuen Abgleich durch.


Im
Vergleich zum Franis-Retroradio mit einer Platine ist dieses Lernpaket
nicht einfacher, sondern eher komplexer. Zwar muss man keinen
Lötkolben mehr bemühen, aber es gibt zahlreiche sinnvolle
Schaltungsvarianten und auch wesentlich mehr Möglichkeiten, kleine
Fehler einzubauen. Das Konzept des Handbuchs war es, dass die Bauteile
nacheinander in ihrer Funktion erklärt und ausprobiert werden.
Damit hat man zugleich auch die Strategie zur Suche nach Fehlern im
Aufbau.
Wer tatsächlich alle Versuche sorgfältig
durchgeführt hat, sollte keine Probleme haben, einen
möglichen Fehler einzukreisen. Es kann helfen, noch mal ein paar
Schritte zurückzugehen und Teile der Schaltung einzeln zu testen.
Wer dagegen im Schnelldurchgang einfach nur die letzte Schaltung gebaut
hat, der hat es jetzt schwerer. Hier einige Tipps zur Fehlersuche:
Es ist überhaupt nichts zu hören. Was kann man da tun? Man muss den
Fehler von hinten nach vorne verfolgen und einkreisen. Man nimmt z.B. einen
Schreibendreher, um Anschlüsse miteinander zu verbinden und die Reaktion
zu testen. Je nach Stelle in der Schaltung muss man ein Knacken oder andere
Geräusche hören.
1. C und E am Transistor verbinden, es muss knacken (vgl. Versuch 2). Falls nicht: Kontaktfehler im Bereich Batterie/Lautsprecher/Transistor
2.
C und B am Transistor verbinden, Knack. (vgl. Versuch 3)
3.
Pind 3 gegen 1 am IC kurzschließen (vgl. Versuch 5), Knack. Wenn nicht:
Unterbrechung beim Koppelkondensator 47 µF?
4. Pin 2 (links) am IC mit Finger /Schraubendreher berühren:
Störgeräusche (vgl. Versuch 7). Wenn nicht: Fehler im Bereich der
Widerstände am IC.
5. Bis hierhin hat alles funktioniert, aber es kann kein Sender empfangen
werden: Fehler im Bereich des Schwingkreises.
Das Radio funktioniert, ist aber sehr leise. Leise ist relativ. Bei
korrekter Funktion ist dieses Radio nicht sehr laut. Es muss still sein im
Raum, dann reicht es im Normalfall. Es gibt aber einige Dinge, die man
optimieren kann.
1. Wenn der Lautsprecher korrekt einbaut und der Deckel geschlossen ist, hat
man einen Resonanzraum, der die Lautstärker verbessert.
2. Optimale Ausrichtung der Antenne kann viel bringen.
3. Am Abend wird der Empfang stärker als am Tag, vor allem bei entfernteren
Sendern.
4. Bei schwacher Batterie nimmt die Lautstärke deutlich ab.
5. Jede der Schaltungen 16 bis 20 kann am gegebenen Empfangsort die beste
Variante sein.
6. Eine größere Schleifenantenne mit zusätzlichem Draht kann die
Empfangsleistung und Lautstärke erheblich verbessern.