
Elektronik Kinder-Kalender 2017
Diese Seite ist aus dem Manuskript zum Handbuch
des Kalenders entstanden. Das gedruckte Handbuch ist des Kalenders ist aufwendig
und ansprechend gestaltet, kann aber an manchen Tagen etwas
abweichen. Ich wünsche allen Kindern und euren Eltern viel Spaß bei den
Experimenten und eine frohe Weihnachtszeit.
Liebe Kinder!
In der Zeit bis Weihnachten warten 24 Elektronik-Projekte
auf euch. Im Mittelpunkt stehen Leuchtdioden und Transistoren. Damit kann man
ganz unterschiedliche Dinge bauen. Das macht einfach Spaß! Und wer möchte,
findet hier auch die nötigen Informationen, wie das alles funktioniert.
Euer Burkhard Kainka
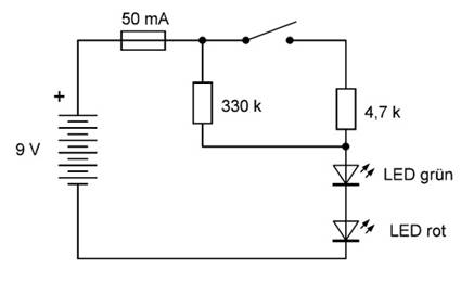
1 LED-Lampe selbst gebaut
Hinter dem ersten Türchen deines Kalenders findest du sechs
Bauteile, damit es gleich richtig losgeht. Da gibt es nämlich vier Dinge, die
bei jedem Versuch immer wieder gebraucht werden: Das sind eine Steckplatine,
ein Batterie-Clip, ein Schalter und eine Sicherung. Dazu kommen für den ersten
Versuch ein Widerstand und eine Leuchtdiode (LED).
Das Batteriekabel muss möglichst stabil befestigt werden,
damit es sich bei den vielen folgenden Versuchen nicht löst. Die blanken Enden
des roten und des schwarzen Kabels sollen in genau die richtigen Kontaktlöcher
der Steckplatine gesteckt werden. Steche aber vorher mit einer Nadel kleine
Löcher in die Schutzfolie auf der Rückseite der Platte und stecke die Kabel
hindurch. Dadurch können sie nicht mehr leicht verrutschen.
Der Schalter und die Sicherung sollen genau in die gezeigte
Position gesteckt werden. Das passt dann für alle folgenden Versuche bis
Weihnachten. So können keine großen Fehler mehr passieren. Der Widerstand und
die LED gehören zum ersten Versuch. Achte bei der LED auf die Einbaurichtung.
Sie hat einen kürzeren Draht (die Kathode = Minuspol) und einen längeren Draht
(die Anode = Pluspol). Im Inneren kann man einen etwas größeren Halter an der
Minus-Seite erkennen, der den eigentlichen LED-Kristall trägt.
Wenn du alles fertig aufgebaut hast, vergleiche es genau mit
dem Aufbaubild. Lass dir am besten von einem Erwachsen helfen, der den ersten Versuch
noch einmal genau überprüft. Bei den folgenden Projekten wird meist nur wenig
umgebaut, sodass es immer einfacher wird.
Jetzt wird zum ersten Mal die Batterie angeschlossen. Und
fertig ist dein rotes Licht mit Schalter. Schiebe den linken Schalter in
Richtung ON. Und schon leuchtet deine rote LED. Falls es noch nicht
funktioniert, überprüfe noch einmal alles. Der häufigste Fehler ist, dass die
LED falsche herum eingebaut wurde. Aber kein Problem, dabei geht nichts kaputt.
Wenn sie richtig herum eingesetzt wird, funktioniert es.
Infobox
Schaltbilder
Die Schaltbilder in diesem Handbuch muss man eigentlich gar
nicht unbedingt beachten um die Versuche erfolgreich aufzubauen. Aber sie
können helfen, alles leichter zu verstehen. Ein Schaltbild zeigt die
Verbindungen der Bauteile in einer vereinfachten Art mit Schaltsymbolen für
jedes Bauteil. Wenn du dich daran gewöhnt hast, verstehst du mit einem
Schaltbild viel leichter, wie alles zusammengehört.
Die Batterie besteht aus sechs Batteriezellen mit jeweils
1,5 V. Der längere Strich steht für den Pluspol. Die Sicherung wird als
Kästchen mit einem Draht gezeichnet. Der Schalter zeigt gerade eine geöffnete
Verbindung. Der Widerstand wird als Kästchen dargestellt. Und die LED enthält
einen Pfeil, der die Stromrichtung darstellt. Zwei kleine Pfeile deuten auf das
erzeugte Licht hin. In diesem Schaltbild erkennst du sehr leicht, dass alle
Bauteile einen geschlossenen Weg bilden. Das nennt man einen Stromkreis. Nur an
einer Stelle ist der Weg unterbrochen, am gerade geöffneten Schalter.
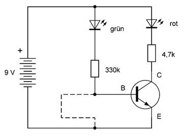
2 Rot und Grün
Hinter dem Türchen Nummer 2 findest du eine grüne LED. Baue
sie nun mit in die Schaltung ein, wie es das Bild zeigt. Nun leuchten beide
LEDs gemeinsam, die rote und die grüne. Und mit dem Schalter kannst du beide
zusammen ein- und ausschalten.
Infobox
Reihenschaltung
Bei der Reihenschaltung fließt der gleiche Strom durch zwei
oder mehr Verbraucher. Es ist ein „unverzweigter Stromkreis“, weil es nur einen
Weg gibt. Das bedeutet, die Stromstärke ist an jeder Stelle gleich groß. Das
kannst du selbst ausprobieren, indem du beide LEDs vertauschst. Die Helligkeit
bleibt dabei genau gleich.
Vereinfachtes Schaltbild einer Reihenschaltung
3 Bereitschaftslicht
Öffne das dritte Türchen und nimm einen weiteren Widerstand
heraus. Er hat 330 Kiloohm (330 kΩ) und trägt die Farbringe Orange,
Orange, Gelb und einen zusätzlichen goldenen Ring. Je größer der Widerstand,
desto weniger Strom fließt. Dein erster Widerstand hatte nur 4,7 kΩ (Gelb,
Violett, Rot) und sorgte für recht helles Licht. Wenn der größere Widerstand
verwendet wird, leuchten die LEDs nur noch schwach.
In deinem Bereitschaftslicht sorgt der große Widerstand
dafür, dass man die Lampe auch bei Dunkelheit jederzeit finden kann. Wenn die
Lampe dann gebraucht wird, schaltest du die größere Helligkeit ein. So etwas
gibt es auch bei manchen Lichtschaltern. Eine kleine Lampe sorgt dafür, dass
man den Schalter leicht findet.
Info-Box
Widerstände und ihre Farbringe
Die Farbringe auf den Widerständen bedeuten Zahlen. Sie
werden beginnend von dem Ring gelesen, der näher am Rand des Widerstands liegt.
Die ersten beiden Ringe stehen für zwei Ziffern, der dritte für angefügte
Nullen. Zusammen bezeichnen sie den Widerstand in Ohm. Ein vierter Ring gibt
die Genauigkeit an. Alle Widerstände in diesem Kalender haben einen goldenen
Ring. Das bedeutet, dass der angegebene Wert um 5% größer oder kleiner sein
kann als durch die Farbringe angegeben. Dein erster Widerstand wird so
gelesen: Gelb = 4, Violett = 7, Rot = 00, zusammen 4700 Ohm, also 4,7 kΩ.
Der Widerstands-Farbcode
|
Farbe
|
Ring 1
1. Ziffer
|
Ring 2
2. Ziffer
|
Ring 3
Multiplikator
|
Ring 4
Toleranz
|
|
schwarz
|
|
0
|
1
|
|
|
braun
|
1
|
1
|
10
|
1%
|
|
rot
|
2
|
2
|
100
|
2%
|
|
orange
|
3
|
3
|
1000
|
|
|
gelb
|
4
|
4
|
10000
|
|
|
grün
|
5
|
5
|
100000
|
0,5%
|
|
blau
|
6
|
6
|
1000000
|
|
|
violett
|
7
|
7
|
10000000
|
|
|
grau
|
8
|
8
|
|
|
|
weiß
|
9
|
9
|
|
|
|
|
|
|
|
|
|
Gold
|
|
|
0,1
|
5%
|
|
Silber
|
|
|
0,01
|
10%
|
4 Umschaltbare Helligkeit
Hinter dem Türchen Nummer 4 findest du ein Kabel mit zwei
Steckern. Baue damit deine Lampe so um, dass beide Teile des Schalters für eine
eigene Helligkeit zuständig sind. Nun kannst du je nach Wunsch drei
Helligkeiten einschalten: Aus, schwaches Licht und helles Licht. Wenn beide
Schalter gemeinsam an sind, müsste es eigentlich noch eine vierte Stufe geben,
denn nun fließt der Strom durch beide Widerstände. Aber der Unterschied zur
dritten Stufe ist so gering, dass man ihn nicht bemerkt.
Infobox:
Spannung, Widerstand und Strom
Du weißt vielleicht schon, dass die elektrische Spannung in
Volt (V) gemessen wird. Die Batterie hat 9 V. Und einen Widerstand misst man in
Ohm (Ω) oder Kiloohm (kΩ = 1000 Ω). Es gibt aber noch eine
andere sehr wichtige Messgröße: Die elektrische Stromstärke misst man in Ampere
(A) oder bei kleinen Stromstärken in Milliampere (mA = 1/1000 A). All diese
Namen stammen von berühmten Forschern, die vor etwa 200 Jahren als Erste die
Elektrizität erforscht haben: Alessandro Volta, Georg Simon Ohm und André-Marie
Ampère.
Mit einem Messgerät könnte man messen, wieviel Strom
durch die LED fließt. Aber man kann es auch ausrechnen, wenn man weiß wie groß
die Spannung der Batterie gerade ist und welche Spannung an der LED liegt. Wenn
die Batterie noch neu ist, hat sie eine Spannung von 9 V. Die beiden LEDs
brauchen zusammen ungefähr 4 V. Da bleiben noch 5 V für den Widerstand. Und
dann kann man für die größere Helligkeit so rechnen:
Strom = Spannung / Widerstand
Strom = 5 V / 4700 Ω
Strom = 0,0011 A = 1,1 mA
Das ist nicht viel, es fließen nur 1,1 mA obwohl die LED
einen Strom von 20 mA verträgt. Aber die Batterie hält lange! Sie hat meist
eine Kapazität von 500 Milliamperestunden (500 mAh), könnte also eine Stunde
lang 500 mA liefern oder 500 Stunden lang 1 mA. Oder deine Lampe leuchtet etwa
450 Stunden mit 1,1 mA, also fast drei Wochen lang.
Für den größeren Widerstand mit 330 kΩ kommt man
ungefähr auf einen Strom von 0,015 mA und eine Betriebsdauer von vier Jahren
mit nur einer Batterie. Stromsparen lohnt sich!
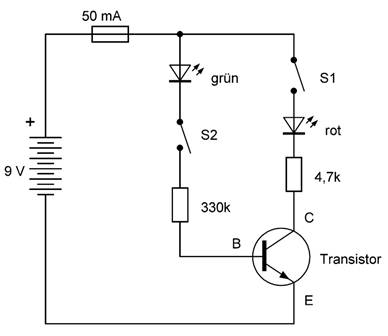
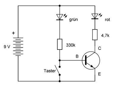
5 Verstärkter Strom
Am fünften Tag kommt das wichtigste Bauteil deines Kalenders
zum Vorschein: Ein Transistor. Der Transistor hat drei Anschlüsse, die man
nicht verwechseln darf. Sie heißen Emitter (E), Basis (B) und Kollektor (C). Die
Abkürzung C stammt übrigens von der englischen Schreibweise (Collector). Der
Emitter soll mit dem Minus-Anschluss der Batterie verbunden werden. Dazu muss
die flache, beschriftete Seite des Transistors nach links weisen.
Der Versuch zeigt das typische Verhalten eines Transistors.
Wenn beide Schalter eingeschaltet sind, leuchtet die grüne LED nur schwach,
aber die rote sehr hell. Schaltet man mit dem rechten Schalter die grüne LED
aus, geht auch die rote LED aus. Der Transistor verhält sich wie ein Schalter.
Ein kleiner Strom durch den Basisanschluss bewirkt, dass ein großer Strom durch
den Kollektoranschluss eingeschaltet wird.
Transistoren sind wichtige Bauelemente in allen Bereichen
der Elektronik. In Radios und Fernsehern, genau wie in Smartphones und
Computern, überall sind Transistoren eingebaut. Deshalb lohnt es sich, genau zu
verstehen, wie ein Transistor funktioniert. Die Schaltung dieses Tages zeigt
sogar schon ein wichtiges Grundelement eines Computers, nämlich die
UND-Schaltung. Nur wenn S1 UND S2 eingeschaltet sind, geht die rote LED an.
Wenn einer von beiden oder beide ausgeschaltet sind, bleibt sie aus. Aus sehr
vielen solcher Grundschaltungen kann man Automaten, Rechenmaschinen oder ganze
Computer bauen.
Infobox:
Transistoren
Der Transistor in deinem Versuch enthält einen Kristall aus
Silizium. Silizium (Si) ist ein in großen Mengen in ganz normalem Quarz-Sand
enthalten (Quarz = Silizium-Oxid). Es gehört zu den Halbleitern, also zu den Stoffen,
die den elektrischen Strom weder gut leiten wie Metalle noch gut isolieren wie
Glas oder Gummi. Damit eine ganz bestimmte Leitfähigkeit erreicht wird, fügt
man dem reinen Silizium kleinste Spuren anderer Stoffe bei. Je nach Art dieser
Stoffe erhält man N-Silizium oder P-Silizium. In deinem Transistor gibt es drei
Schichten: NPN. Andere Typen habe eine andere Schichtfolge, nämlich PNP. Sie
funktionieren ähnlich, aber mit anderer Stromrichtung.
Schaue deinen Transistor einmal ganz genau an. Da gibt es
eine Beschriftung: BC547B. Mit dieser Bezeichnung kann man genau den richtigen
Transistor bestellen, der übrigens von mehreren Firmen hergestellt wird. Oder
man kann im Internet nach dem Datenblatt dieses Typs suchen. Darin stehen viele
Eigenschaften und Messwerte, die teilweise nur von Fachleuten genau verstanden
werden. Kurz zusammengefasst: Dieser NPN-Transistor verträgt eine Spannung von
50 V und einen Strom von 100 mA. Und er kann den Strom mindestens 200-fach
verstärken.
6 Alarmanlage
Hinter dem sechsten Türchen findest du ein weiteres Kabel.
Davon kann man eigentlich nie genug haben. Mit dem zweiten Kabel ist es nun
möglich, eine kleine Alarmanlage zu bauen. Es bildet eine Verbindung zwischen
der Basis und dem Emitter des Transistors und schaltet damit den Kollektorstrom
ab. Aber wenn man das Kabel herauszieht, wird der Alarm ausgelöst. Dann geht
die rote LED an.
Eine Alarmanlage könnte mit einem dünnen Draht gebaut
werden, der zerreißt, wenn jemand ein Fenster oder eine Tür öffnet. Der Draht
könnte in Form einer Alarmschleife gleich mehrere Fenster und Türen sichern.
Wenn ein Einbrecher ihn entdecken sollte und durchtrennt, um den Alarm
auszuschalten, dann hat er sich gründlich verrechnet. Denn dann geht der Alarm
ebenfalls los.
Im Alarmzustand fließt ein kleiner Strom durch die grüne
LED, den 330-kΩ-Widerstand und durch den Basis-Anschluss des Transistors.
Der Transistor schaltet deshalb den Kollektorstrom ein, sodass die rote LED
leuchtet. Die Alarmschleife bildet aber einen Kurzschluss zwischen Basis und
Emitter. Damit wird der Basisstrom abgeschaltet. Ohne Basisstrom fließt auch
kein Kollektorstrom, die rote LED bleibt aus. Wenn man aber die Alarmschleife
auftrennt, wird der Transistor eingeschaltet.
Auch ohne Alarm fließt immer ein kleiner Strom. Die grüne
LED leuchtet ganz schwach und zeigt, dass die Alarmanlage scharf ist. Aber weil
im Ruhezustand nur ein sehr kleiner Strom fließt, hält die Batterie mehrere
Jahre lang. Nur bei einem Alarm fließt mehr Strom.
7 Aus bei Knopfdruck
Öffne das siebte Türchen und entdecke dahinter einen kleinen
Tastschalter. Er soll nun an der Alarmschleife des letzten Tages eingebaut
werden. Im Normalzustand ist der Schalter geöffnet. Nur wenn man auf den Knopf
drückt, schließt sich der Kontakt. Damit schaltet man nun die rote LED aus.
Info-Box
Die NICHT-Schaltung
Eigentlich ist das ja seltsam. Man schließt einen Kontakt
und schaltet einen Strom ein, aber dadurch wird ein anderer Strom abgeschaltet.
Ein Einschalten bewirkt ein Ausschalten, also das genaue Gegenteil. Auch dies
gehört zu den wichtigen Grundschaltungen der Computertechnik und wird als
NICHT-Schaltung bezeichnet. Ein anderer Ausdruck dafür ist „Inverter“ (das
bedeutet „Umkehrer“). Wie die UND-Schaltung ist auch die NICHT-Schaltung eine
logische Grundschaltung. Aus sehr vielen UND- und NICHT-Schaltungen könnte
man einen ganzen Computer bauen.
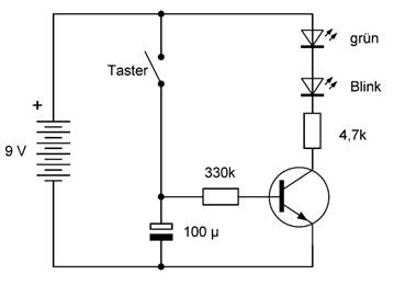
8 Nachleuchten
Öffne das achte Türchen und nimm ein Bauteil mit zwei
Drähten heraus, einen Kondensator. Die genaue Bezeichnung lautet
Elektrolytkondensator (kurz Elko), und die Besonderheit des Elkos ist, dass man
wie bei einer LED die Polung beachten muss. Der Minuspol ist mit einem dicken
weißen Strich gekennzeichnet und muss mit Minus verbunden werden.
Achtung! Ein Elektrolytkondensator darf nicht falsch herum
eingebaut werden. Wenn bei einem Elko Plus und Minus vertauscht wird,
funktioniert seine Isolierung nicht. Es fließt dann Strom, der auf die Dauer zu
einer Zerstörung des Bauteils führt.
Betätige den Taster um die LED einzuschalten. Wenn du ihn
wieder loslässt, geht die LED nicht sofort aus, sondern sie leuchtet noch ein
bis zwei Minuten nach und wird dann ganz langsam immer schwächer. Das ist eine
ideale Nachtlampe, denn man kann sich langsam an die Dunkelheit gewöhnen.
Infobox
Kondensator
Ein Kondensator besteht aus zwei Metallplatten oder
Metallfolien, die sich nicht berühren sondern voneinander isoliert sind. Wenn
man sie mit einer Batterie verbindet, werden sie elektrisch aufgeladen und
speichern nun elektrische Energie.
Die Kapazität eines Kondensators, also wieviel elektrische
Ladung ein Kondensator bei einer bestimmten Spannung speichert, wird in der Einheit
Farad gemessen, benannt nach dem berühmten Forscher Michael Faraday. Dein
Kondensator hat aber nur 100 Mikrofarad (100 µF). So wie „Milli“ ein
Tausendstel bedeutet, heißt „Mikro“ ein Millionstel. Der griechische Buchstabe
µ (My) ist das griechische kleine m, und „mikros“ heißt auf Griechisch „klein“.
Die Kapazität ist also recht klein. Aber weil der Widerstand von 330 kΩ
sehr groß ist, wird der Kondensator mit einem sehr kleinen Strom nur langsam
entladen. Der Transistor verstärkt diesen kleinen Entladestrom und lässt die
LED hell genug leuchten.
Ohne den Transistor reicht dir gespeicherte Energie nur für
einen kurzen Lichtblitz. Das kannst du selbst versuchen. Nimm den gerade
aufgeladenen Kondensator aus der Steckplatine und halte ihn richtig herum an
eine LED, die dann einmal ganz kurz aufleuchtet.
9 Zweifarben-Blinklicht
Hinter dem neunten Türchen findest du eine ganz besondere
LED. Es ist eine rote Blink-LED. Außer dem LED-Kristall enthält sie eine
Schaltung, die den LED-Strom immer wieder ein- und ausschaltet. Wenn du sie wie
im Aufbauplan einbaust, wird auch die grüne LED mit ein- und ausgeschaltet. Das
Ergebnis ist ein rot/grünes Blinklicht, das man mit dem Tastschalter startet,
und das dann langsam immer schwächer wird.
Infobox
Die Blink-LED
Die Blink-LED enthält einen elektronischen Schalter, der aus
einem Transistor besteht. Aber das reicht noch nicht, es sind noch weitere
Transistoren und andere Bauelemente nötig, die zusammen eine komplexe Schaltung
bilden und die Aufgabe haben, den genauen Zeitablauf zu steuern. Alles zusammen
ist auf einem sehr kleinen Stück Silizium aufgebaut, der neben dem LED-Kristall
eingebaut ist. Später wirst du selbst eine Blinkschaltung bauen und dann
genauer verstehen wie so etwas funktioniert.
Wenn du genau hinschaust, kannst erkennen, dass die grüne
LED in den Blink-Pausen nie ganz ausgeht sondern noch schwach weiter leuchtet.
Das liegt daran, dass zwar durch den roten LED-Kristall kein Strom mehr fließt,
wohl aber durch die übrigen Teile der Schaltung. Deshalb bleibt im Aus-Zustand
ein kleiner Strom übrig, der die grüne LED noch schwach leuchten lässt.
10 Drei LEDs
Das zehnte Türchen verbirgt einen weiteren Widerstand von
4,7 kΩ (Gelb, Violett, Rot). Er wird nun gebraucht, um auch noch die
dritte LED mit anzuschließen. Diese rote LED blinkt nicht, weil sie nicht in
Reihe zur Blink-LED liegt. Aber sie geht wie die anderen LEDs langsam aus. Ganz
am Ende leuchtet nur noch die rote LED. Die grüne LED und die Blink-LED sind
dann schon ganz aus.
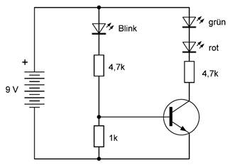
11 Dreier-Blinklicht
Öffne das Türchen Nummer 11 und nimm einen Widerstand mit 1
kΩ (Braun, Schwarz, Rot) heraus. Baue die Schaltung nun so um, wie es der
Plan zeigt. Die rote Blink-LED steuert den Transistor an, der dadurch die rote
und die grüne LED ein- und ausschaltet. Das Ergebnis ist ein Blinken aller drei
LEDs. Diesmal gehen alle drei LEDs in den Blinkpausen vollständig aus.
Nimm einmal zur Probe den 1-kΩ-Widerstand aus der
Schaltung. Dann blinkt nur noch die Blink-LED, die anderen beiden LEDs bleiben
immer an. Die Verstärkung des Transistors ist nämlich groß genug, um allein
schon durch den kleinen Reststrom der Blink-LEDs voll einzuschalten. Der
Widerstand von 1 kΩ dient also dazu, diesen kleinen Strom abzuleiten,
sodass der Transistor nur im An-Zustand der Blink-LED leitet. Die drei LEDs
zusammen blinken nun viel heller als die Blink-LED allein, du siehst also, dass
der Transistor als Verstärker arbeitet.
12 Ein Berührungsschalter
Hinter dem zwölften Türchen findest du einen weiteren
Transistor. Er soll nun zusammen mit dem ersten Transistor für noch mehr
Verstärkung sorgen. Beide Kollektorschlüsse sind direkt verbunden, und der
Emitter des ersten Transistors führt zur Basis des zweiten. Diese Schaltung
nennt man Darlington-Schaltung. Damit wird hier ein Berührungsschalter gebaut.
Wenn du mit dem Finger gleichzeitig den Draht und den Widerstand mit 330
kΩ berührst, fließt ein ganz kleiner, nicht spürbarer Strom durch deinen
Finger, der so weit verstärkt wird, dass beide LEDs eingeschaltet werden.
Bisher konnte der erste Transistor immer an seiner Position
stecken bleiben. Aber nun muss er anders eingebaut werden, damit beide passend
verbunden werden. Der neue Eingang ist die Basis des linken Transistors.
Infobox
Die Darlington-Schaltung
Die Verbindung von zwei Transistoren wie im Schaltbild nennt
man eine Darlington-Schaltung. Zwei Transistoren verstärken mehr als einer. Das
gilt besonders für diese Schaltung, bei der der schon verstärkte Strom von
einem zweiten Transistor noch einmal verstärkt wird. Der Name stammt von ihrem
Erfinder Sidney Darlington, der schon 1952 auf diese Idee kam. Beide
Kollektoren sind verbunden, und der Emitter des ersten Transistors fließt zur
Basis des zweiten. Die Darlington-Schaltung verhält sich wie ein einzelner
Transistor mit riesiger Verstärkung.
13 Der Lichtsensor
Hinter dem Türchen Nummer 13 kommt eine gelbe LED zu
Vorschein. Du könntest sie an Stelle der roten oder der grünen LED in deine
Schaltung einbauen und damit eine weitere Farbe ausprobieren. Sie kann aber
auch eine ganz andere Aufgabe erfüllen. In diesem Versuch wird die gelbe LED
als Lichtsensor verwendet. Sie wird anders herum eingebaut als sonst und leitet
deshalb eigentlich keinen Strom. Wenn aber Licht auf die LED fällt, fließt doch
ein ganz kleiner Strom. Er wird dann von zwei Transistoren verstärkt und lässt
die anderen beiden LEDs leuchten. Teste den Versuch mit einer Taschenlampe. Je
stärker du die gelbe LED beleuchtest, desto heller leuchten die beiden anderen
LEDs.
Infobox
Fotodiode
Jede Diode besteht aus einem Halbleiter mit einer PN-Sperrschicht,
die in einer Richtung den Strom leitet und in der anderen keinen Strom
hindurchlässt, also den Strom sperrt. Außer Leuchtdioden gibt es auch noch
Gleichrichterdioden und Fotodioden aus Silizium, also dem gleichen Material,
aus dem auch deine Transistoren gebaut sind. Bei einer Fotodiode verwendet man
eine besonders große Fläche, sodass viel Licht von außen in die Sperrschicht
eindringen kann. Dort sorgt das Licht dafür, dass die isolierende Wirkung der
Sperrschicht teilweise aufgehoben wird, es fließt Strom. Eine LED ist ähnlich
aufgebaut, hat aber nur eine sehr kleine Fläche. Deshalb ist der lichtabhängige
Strom nur klein. Nach einer großen Verstärkung durch die beiden Transistoren
reicht er aber für diesen Versuch aus.
Zusatzversuch
Auch die rote oder die grüne LED kann als Fotodiode
arbeiten. Tausche einmal die LED in deiner Schaltung und achte dabei jeweils
auf die korrekte Einbaurichtung. So kannst du erforschen, welche LED die beste
Fotodiode ist.
14 Lichtsensor mit Zusatzschalter
Öffne das Türchen Nummer 14 und nimm ein weiteres Kabel
heraus. Damit kannst du den Lichtsensor um einen zusätzlichen Schalter
erweitern. Mit dem zweiten Schalter kannst du die LEDs auch bei Dunkelheit
einschalten. Er liegt parallel zum Lichtsensor und kann deshalb in jeder
Situation für genügend Basisstrom sorgen, auch wenn es gerade dunkel ist.
Infobox:
Die PTC-Sicherung
Alle deine Versuche haben eine Sicherung, die helfen soll, wenn
mal ein Fehler passiert, einfach nur zur Sicherheit. Wenn du mal aus Versehen
einen Kurzschluss verursachst, könnte ein Draht glühend heiß werden, oder die
Batterie könnte heiß werden, kaputt gehen oder im schlimmsten Fall sogar
explodieren. Aber die Sicherung würde das Schlimmste verhindern.
Viele Sicherungen brennen einfach durch, wenn man einen
Kurzschluss verursacht. Dann braucht man eine neue Sicherung. Aber deine
Spezialsicherung ist anders. Es handelt sich um eine selbst-rückstellende
Sicherung, die man auch PTC-Sicherung nennt. Wenn bei einem Kurzschluss ein zu
großer Strom fließt, wird die PTC-Sicherung heiß und lässt dann nur noch sehr
wenig Strom hindurch, weil ihr Widerstand stark ansteigt. Daher kommt auch der
Name. PTC steht nämlich für „Positiver Temperatur-Koeffizient“ und sagt, dass
der Widerstand steigt, wenn die Temperatur höher wird. Wenn man dann den Strom
abschaltet und den Fehler beseitigt, kühlt sie wieder ab und ist wieder wie
neu.
Achtung, bitte nicht ausprobieren, denn die Batterie wird
bei einem Kurzschluss sehr schnell unbrauchbar. Und die PTC-Sicherung wird mit
etwa 60 Grad so heiß, dass man sich leicht die Finger verbrennen kann. Aber das
wäre immer noch besser als glühende Drähte und explodierende Batterien. Also
immer daran denken: Die Sicherung ist nur für den Notfall da, so ähnlich wie
die Notbremse in einem Zug.
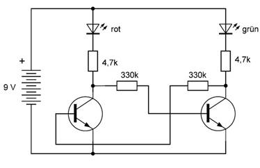
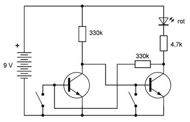
15 Rot oder Grün
Hinter dem Türchen Nummer 15 verbirgt sich ein weiterer
Widerstand mit 330 kΩ. Nun kann eine Schaltung mit zwei Transistoren
gebaut werden, die sich gegenseitig ein- oder ausschalten. Immer wenn ein
Transistor eingeschaltet ist, schaltet er zugleich den Basisstrom des anderen
Transistors ab. In diesem Fall ist entweder die rote oder die grüne LED an. Aber
die jeweils andere LED leuchtet noch ganz schwach, weil der kleine Basisstrom
des andern Transistors durch sie fließt.
Man kann nicht vorhersagen, welche LED nach dem Einschalten
leuchten wird. Du kannst aber versuchen, den Zustand umzuschalten, indem du
einen der Basisanschlüsse mit einem Draht berührt. Das funktioniert meist nicht
beim ersten Mal. Ein sicheres Umschalten wird jedoch erreicht, wenn du an dem
gerade leitenden Transistor die Basis mit dem Emitter verbindest.
Infobox
Das Flipflop
Ein Flipflop ist eine Schaltung, die zwei stabile Zustände
haben kann. Der vorhandene Zustand bleibt beliebig lange gespeichert, so lange
man ihn nicht mit Absicht ändert. Das Flipflop ist deshalb zugleich in
Informationsspeicher. In diesem Fall wird nur eine Information gespeichert. Man
kann sie ja oder nein nennen, aber auch eins oder null oder in diesem Fall rot
oder grün. Sehr viele Flipflops zusammen werden als Speicher in Computern
verwendet und speichern entsprechend große Informationsmengen.
16 Reaktions-Spiel
Einen zweiten Tastschalter findest du hinter dem Türchen
Nummer 16. Zwei Taster kann man einsetzten, um das Flipflop vom letzten Tag
ganz gezielt in einen gewünschten Zustand zu bringen. Du könntest den Versuch
als ein Signal verwenden. Rot heißt: Bitte nicht stören! Und Grün bedeutet:
Ansprechen erlaubt. Aber der Versuch ist zugleich ein kleines elektronisches
Spiel.
Jeder Schalter kann den Basisstrom seines Transistors
abschalten, womit auch die angeschlossene LED ausgeht. Normalerweise drückt man
die Taster nur einzeln und abwechselnd. Aber was wird wohl passieren, wenn du
beide gleichzeitig drückst? Ganz klar, dann gehen beide LEDs aus. Versuche es
mal, und lasse sie dann beide gleichzeitig wieder los. Dabei wird nur eine LED
angehen, und keiner kann vorhersagen welche. Wirklich gleichzeitig ist nämlich unmöglich.
Und selbst wenn der Unterschied nur einen Bruchteil einer Tausendstelsekunde
ausmacht, ein Schalter wird früher geöffnet als der andere. Und an der Seite
geht die LED an.
Und so geht das Spiel für drei Personen: Zwei betätigen die
Schalter, einer gibt das Kommando zum Loslassen. Dann wird sich zeigen, wer am
schnellsten reagiert, denn nur seine LED geht an. Das geht dann immer reihum,
jeder muss mal das Kommando geben und eine Strichliste der Sieger führen. Bist
du der schnellste?
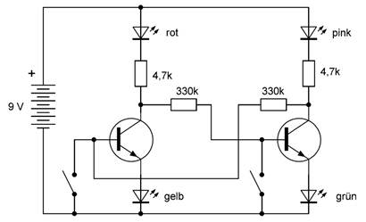
17 Vier Farben-Umschalter
Hinter dem Türchen Nummer 17 findest du eine weitere LED.
Das Gehäuse sieht weiß aus, aber tatsächlich leichtet diese LED in der Farbe
Pink. Das RS-Flipflop vom letzten Tag soll nun für vier LEDs erweitert werden.
An jedem Transistor liegt wie bisher schon eine LED in der Kollektorleitung,
aber die andere LED wird in die Emitterleitung eingesetzt. So leuchten immer
Rot und Gelb zusammen, oder auf der anderen Seite Pink und Grün.
Bei diesem Versuch ist es wichtig, dass die beiden LEDs am
Minusanschluss ähnliche Spannungen haben, was nur bei ähnlichen Farben stimmt.
Bei gleichem Strom unterscheiden sich nämlich die Spannungen an den LEDs, wobei
die Reihenfolge der bei einem Regenbogen entspricht: Rot, Gelb, Grün, Blau,
Violett. Da sieht man schon, dass Gelb und Grün nahe beieinander liegen. Du
kannst ja mal reihum alle LEDs vertauschen und ausprobieren was dann passiert.
Infobox
Aufbau der pinken LED
Der eigentliche LED-Kristall der pinken LED strahlt blaues
Licht ab. Er ist aber mit einem Leuchtstoff überzogen, der einen Teil des
blauen Lichts einfängt und als rotes Licht wieder abstrahlt. So kommt es, dass
die pinke LED eigentlich zwei Farben abstrahlt: Rot und Blau. So entsteht die
Mischfarbe Pink.
18 An- oder Aus-Speicher
Öffne das Türchen Nummer 18 und nimm ein weiteres Kabel
heraus. Baue nun ein vereinfachtes Flipflop mit nur einer LED und mit nur drei
Widerständen. Mit den beiden Tastern kannst dudie LED ein- und ausschalten.
Eine solche Schaltung nennt man auch RS-Flipflop. Diese Abkürzung steht für
Reset (Zurücksetzen = Ausschalten) und Set (Setzen = Einschalten). Das
RS-Flipflop ist auch wieder ein wichtiges Grundelement der digitalen Elektronik
und Computertechnik.
Die Schaltung mit zwei Transistoren beruht auch wieder
darauf, dass jeder der beiden dem anderen den Basisstrom abschalten kann. Weil
nur eine LED verwendet wird, ist es natürlich interessant, auch die andren
Farben zu testen. Du kannst im eingeschalteten Zustand eine LED herausnehmen
und eine andere einsetzen. Oder du betätigst erst den Aus-Taster und wechselst
dann die LED. Nach dem Wechsel ist die neu eingesetzte LED immer zuerst an.
Verstehst du schon warum das so ist? Wenn man eine LED ausbaut, schaltet man
damit zugleich auch den Basisstrom für den linken Transistor ab, genauso, als
wollte man einschalten. Teste auch einmal die Blink-LED. Wird das Blinken einen
Einfluss auf den Zustand des RS-Flipflops haben? Probiere es aus.
19 Ein Temperatursensor
Das Türchen Nummer 19 verbirgt einen Widerstand mit 1
kΩ (Braun, Schwarz, Rot). Er könnte eingesetzt werden, um eine LED noch deutlich
heller leuchten zu lassen. Hier soll er aber eine andere Aufgabe bekommen und
den Basisstrom für den linken Transistor leiten. Die Schaltung ist nur ganz
wenig geändert, verhält sich aber nun völlig anders. Die LED ist nicht ganz an
und nicht ganz aus, sondern leuchtet immer gleichmäßig und sehr schwach.
Berühre nun den rechten Transistor mit zwei Fingern, sodass
er sich erwärmt. Die LED leuchtet etwas heller. Berühre dann den linken
Transistor. Das Ergebnis ist umgekehrt, die LED leuchtet schwächer. Der
Unterschied in der Helligkeit ist nicht sehr groß und hängt davon ab, ob du
warme Hände hast. Du kannst aber deutliche Unterschiede sehen, wenn du im
Abstand von einer halben Minute abwechselnd den linken und den rechten
Transistor berührst. Versuche es auch einmal mit größeren
Temperaturunterschieden. Lege ein Stück Eis auf einen Teelöffel und halte einen
anderen Teelöffel an die Heizung. Berühre dann mit den beiden Löffeln die
Transistoren.
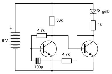
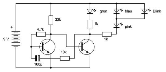
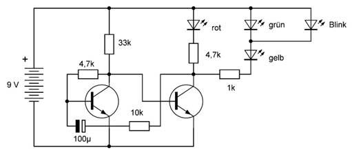
20 Blinker selbst gebaut
Hinter dem Türchen Nummer 20 verbirgt sich ein Widerstand
mit 33 kΩ (Orange, Orange, Orange). Baue nun selbst einen elektronischen
Blinker. Bisher hattest du zwar schon die rote Blink-LED, aber jetzt baust du
eine ähnliche Schaltung für die gelbe LED. Und natürlich kannst du jede andere
Farbe genauso gut einsetzen.
Die Schaltung erinnert ein wenig an die Flipflops
vergangener Versuche. Der wichtigste Unterschied ist aber, dass diesmal ein
Kondensator mit eingebaut wird. Der Basisstrom durch den Kondensator fließt
jeweils nur so lange, bis der Kondensator aufgeladen oder entladen ist. Danach
wechselt das Flipflop selbständig den Zustand. Wie schnell das Blinken ist und
wie lange die LED jeweils an oder aus ist, hängt von den verwendeten Bauteilen
ab.
21 Dreifarben-Blinker
Das Türchen Nummer 21 verbirgt einen Widerstand mit 10
kΩ (Braun, Schwarz, Orange). Baue ihn in Reihe zum Kondensator ein. Damit
wird das das Verhältnis An/Aus ausgeglichener. Eine weitere Änderung betrifft
die LEDs. Der rechte Transistor kann viel mehr als nur eine LED schalten. Hier
sind es gleich drei, die nun gemeinsam blinken. Du kannst selbst entscheiden,
welche Farben du verwenden möchtest. Alles geht.
Infobox
Der Oszillator
Eine Schaltung, die selbständig Schwingungen erzeugt, nennt
man auch einen Oszillator. Oszillatoren sind wichtige Schaltungen der
Elektronik und der Computertechnik. In einem Computer arbeiten sehr viele
Bauteile im Gleichtakt. Und dieser Takt wird von einem Oszillator vorgegeben,
ganz ähnlich wie ein Dirigent ein ganzes Orchester mit seinem Taktstock dirigiert.
22 Unterbrochener Blinker
Ein weiteres Kabel kommt hinter dem Türchen Nummer 22 zum
Vorschein. Es wird gebraucht, um noch mehr LEDs einzubauen. Diesmal ist auch
die Blink-LED mit dabei. Und die wird parallel zur grünen LED eingebaut. Das
Ergebnis ist, dass die rote Blink-LED und die grüne LED immer abwechselnd
blinken. Dieses Blinken ist schneller als das der selbst gebauten
Blinkschaltung. Man sieht Serien von Blink-Impulsen, wobei die Blink-LED
zusammen mit der grünen LED immer etwa sechs Mal blinkt und dann unterbrochen
wird. Die anderen LEDs blinken im langsamen Takt.
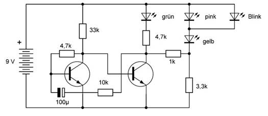
23 Flackerndes Feuer
Öffne das Türchen Nummer 23 und nimm einen Widerstand mit
3,3 kΩ (Orange, Orange, Rot) heraus. Er wird nun verwendet, um eine
dritte Helligkeitsstufe zwischen An und Aus zu bekommen. Diesmal wird die pinke
LED parallel zur Blink LED eingesetzt und leuchtet immer dann, wenn die
Blink-LED gerade aus ist. Die die Helligkeits-Zwischenstufen entsteht
insgesamt ein kompliziertes Blinkmuster, das an das Flackern eines Feuers
erinnert.
24 Alle Farben
Eine Farbe fehlte noch, und deshalb kommt hinter dem Türchen
Nummer 24 eine blaue LED zum Vorschein. Das unterbrochene rot-blaue
Wechselblinken sieht besonders schön aus. Zusammen mit den andern Farben und
den besonderen Blinkmustern hast du eine interessante LED-Leuchte gebaut, die alle
Blicke anzieht. Stelle sie ans Fenster oder hänge sie an den Weihnachtsbaum.
Jetzt hast du schon so viele Versuche aufgebaut, dass du
sicherlich auch Änderungen planen und durchführen kannst. Da gibt es ja noch
die gelbe LED, die gerade ohne Aufgabe ist. Tausche die Farben und probiere, ob
dir die Leuchte dann noch besser gefällt. Oder frage deine Eltern, welche
Farben sie am liebsten hätten. Du kannst ja jetzt sogar besondere Aufträge
annehmen. Gelb, rot, grün, blau? Mit oder ohne Blinken? Kann gebaut werden!
ZusatzschaltungenIn einigen der Kalender gab es eine Blink-LED mit abweichenden Eigenschaften (Siehe Tipps und Tricks: 30.12.17:
Blink-LED im Kinderkalender 2017).
Damit gab es ein abweichendes Verhalten der Versuche 9 bis 11.
Hier nun einige Zusatzversuche, die speziell mit dieser besonderen
Blink-LED funktionieren.
Z1. Zwei blinkende LEDsZ2 Zwei blinkende LEDs mit Nachlaufsteuerung3. Drei synchron blinkende LEDs