
Diese Seite ist aus dem Manuskript zum Handbuch des Kalenders entstanden. Das gedruckte Handbuch ist des Kalenders ist aufwendig und ansprechend gestaltet, kann aber an manchen Tagen etwas abweichen. An einer Stelle im Handbuch ist mir übrigens ein Fehler passiert. Ich habe die Kapazität der Batterie mit 2000 mAh angeben. Das stimmt jedoch nur, wenn man ein Batteriefach mit sechs Mignon-Zellen verwendet. Die Blockbatterie hat dagegen nur ungefähr 500 mAh. Auf dieser Seite steht es richtig. Eine Batterie sollte jedenfalls bei sorgfältigem Umgang für alle Versuche bis Weihnachten ausreichen.
Eine weitere Korrektur am Tag 8: Dank an Mirko Zeibig, der mich darauf aufmerksam gemacht hat, dass der Tastschalter im Aufbaubild falsch angeschlossen war. Hier nun die Berichtigung: 8 Ein elektrisches Testgerät
Ich wünsche allen Kindern und euren Eltern viel Spaß bei den Experimenten und eine frohe Weihnachtszeit.
Euer Burkhard Kainka

Inhalt
14 Einstellung von Grün bis Rot
18 Wechselblinker mit vier LEDs
19 Alarmanlage mit Blink-Anzeige
21 Die Automatik-Farbwechsel-LED
24 Flackern und Blinken mit sechs LDs
Öffne das erste Türchen deines Kalenders. Dahinter findest du alle Bauteile für dein erstes Experiment: Eine Steckplatine, einen Batterieclip, einen Schalter, eine Sicherung, eine Leuchtdiode und einen Widerstand
Baue dir eine kleine LED-Lampe! Sie ist zwar nicht besonders hell, aber sie hat schon einen Schalter und alle wichtigen Dinge, die du auch in den folgenden Experimenten verwenden wirst.

Die Anschlusskabel des Batterieclips sind weich und können leicht abnutzen. Am besten ist es deshalb, wenn man sie nur einmal einsteckt und dann nicht wieder bewegt. Dazu ist es sinnvoll, die Kabel zu befestigen. Du kannst sie mit Klebeband am Rand der Steckplatine festmachen. Oder du steckst sie von unten durch die Befestigungslöcher der Platine. Dazu musst du erst die untere Klebefolie mit einer Nadel durchstechen. Lass dir am besten dabei von einem Erwachsenen helfen. Die Anschlussdrähte sind nun gut befestigt und können nicht mehr leicht verrutschen. Das rote Batteriekabel kommt in das Loch 1C, das schwarze in das Loch 1Y. Auf der Platte sind nämlich Zahlen für die Positionen von links nach rechts und Buchstaben für die Positionen von oben nach unten aufgedruckt.

Alle Bauteile werden in die passenden Löcher der Steckplatine gesteckt. Das ist manchmal nicht ganz einfach und erfordert viel Geschick. Nimm am besten eine kleine Flachzange und setze die Drähte genau von oben ein. Achte auf die richtige Position der Anschlüsse.
Die Sicherung ist ein Bauteil mit zwei Drähten und steckt in den beiden Löchern 1A und 3A. Wie sie funktioniert, wird noch erklärt. Und der Schalter sitzt in der Mitte zwischen E3, E4 und F3, F4. Diese Bauteile behalten bis zum letzten Versuch ihre Position und müssen nie mehr herausgenommen werden.

Bei der LED musst du auf die Einbaurichtung achten. Der kürzere Draht ist der Minuspol (die Kathode K) der längere Draht ist der Pluspol (Die Anode A). Man kann von außen den größeren Halter für den LED-Kristall auf der Kathoden-Seite erkennen. Der K-Anschluss hat außerdem eine kleine Abflachung am Gehäuse. Das ist auch bei den farbigen LEDs so. Bei der weißen LED gibt es zusätzlich eine gelbliche Leuchtfarbe, die den LED-Kristall bedeckt. Es gibt LEDs, die äußerlich fast gleich aussehen. Aber ein Blick von vorn durch die Linse hilft jederzeit, die weiße LED auch im ausgeschalteten Zustand zu erkennen.
Der Widerstand darf in beliebiger Richtung eingebaut werden. Er trägt Farbringe (Gelb, Violett, Rot und Gold), die eine wichtige Bedeutung haben. In diesem Fall sagen sie, dass der Widerstand 4700 Ohm (4700 Ω) hat, also 4,7 Kiloohm (4,7 kΩ). Die Bedeutung der Farben wird noch genau erklärt.
Der Batterieclip soll erst dann auf die Batterie gesteckt werden, wenn alles fertig aufgebaut und genau kontrolliert wurde. Schiebe nun den Schalter 1 in die Stellung ON. Nun sollte die Leuchtdiode (LED) weiß leuchten. Fertig ist die erste kleine LED-Lampe!
Achtung. Du musst den Schalter bei jedem Schalten festhalten, damit er nicht aus der Steckplatine rutscht.
Falls es nicht funktioniert, hast du vielleicht die LED falsch herum eingebaut. Kontrolliere auch alle anderen Verbindungen und vergleiche alles genau mit dem Aufbaubild.
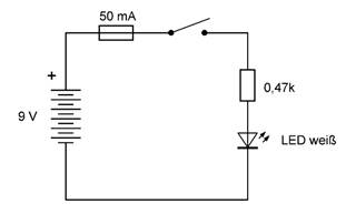
Schaltbilder
Ein Schaltbild zeigt die Verbindungen der Bauteile in einer vereinfachten Art. Am Anfang ist es vielleicht etwas schwieriger, weil die wirklichen Bauteile ja anders aussehen. Wenn du dich aber daran gewöhnt hast, verstehst du mit einem Schaltbild sogar viel besser, wie alles zusammengehört.
Die Batterie besteht aus sechs Batteriezellen mit jeweils 1,5 V. Der längere Strich steht für den Pluspol. Die Sicherung wird als Kästchen mit einem Draht gezeichnet. Der Schalter zeigt eine geöffnete Verbindung, steht also gerade in Stellung Aus. Der Widerstand wird als Kästchen dargestellt. Und die LED enthält einen Pfeil, der die Stromrichtung darstellt. Zwei kleine Pfeile sollen das erzeugte Licht darstellen.

In diesem Fall erkennst du sehr leicht, dass alle Bauteile einen geschlossenen Weg bilden. Das nennt man einen Stromkreis. Nur an einer Stelle ist der Weg unterbrochen, am gerade geöffneten Schalter. In den folgenden Versuchen werden immer wieder Schaltbilder gezeigt. Du musst sie nicht unbedingt beachten, aber sie können helfen, alles noch besser zu verstehen.
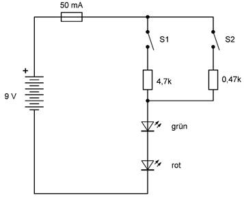
Deine erste LED-Lampe war noch nicht sehr hell. Aber hinter dem Türchen Nr. 2 findest du einen anderen Widerstand. Er hat nur 470 Ohm (470 Ω). Der erste Widerstand hatte 4,7 kΩ, aber dieser hat nur ein Zehntel davon, also 0,47 kΩ. Er lässt daher viel mehr Strom hindurch als der Widerstand aus dem ersten Türchen. Damit wird deine Lampe sehr viel heller.

Widerstände und ihre Farbringe
Die Farbringe auf den Widerständen bedeuten Zahlen. Sie werden beginnend von dem Ring gelesen, der näher am Rand des Widerstands liegt. Die ersten beiden Ringe stehen für zwei Ziffern, der dritte für angefügte Nullen. Zusammen bezeichnen sie den Widerstand in Ohm. Ein vierter Ring gibt die Genauigkeit an. Alle Widerstände in diesem Kalender haben einen goldenen Ring. Das bedeutet, dass der angegebene Wert um 5% größer oder kleiner sein kann als durch die Farbringe angegeben.
|
Farbe |
Ring 1 1. Ziffer |
Ring 2 2. Ziffer |
Ring 3 Multiplikator |
Ring 4 Toleranz |
|
schwarz |
|
0 |
1 |
|
|
braun |
1 |
1 |
10 |
1% |
|
rot |
2 |
2 |
100 |
2% |
|
orange |
3 |
3 |
1000 |
|
|
gelb |
4 |
4 |
10000 |
|
|
grün |
5 |
5 |
100000 |
0,5% |
|
blau |
6 |
6 |
1000000 |
|
|
violett |
7 |
7 |
10000000 |
|
|
grau |
8 |
8 |
|
|
|
weiß |
9 |
9 |
|
|
|
|
|
|
|
|
|
Gold |
|
|
0,1 |
5% |
|
Silber |
|
|
0,01 |
10% |

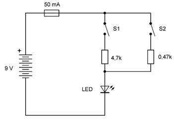
Am dritten Tag findest du in deinem Kalender ein Kabel mit zwei dünnen Steckern. Damit kannst du eine ganz besondere Lampe bauen, bei der du die Helligkeit wählen kannst.
Mehr Helligkeit ist manchmal ein Vorteil, hat aber auch einen Nachteil. Die Energie deiner Batterie wird nämlich schneller verbraucht. Am besten ist es, wenn man sich aussuchen kann, ob man gerade viel oder wenig Licht braucht. Und dafür gibt es den zweiten Schalter. Wenn er in Richtung ON steht, fließt mehr Strom und die LED ist heller. Der Schalter 1 dient weiterhin für die kleinere Helligkeit. Und fertig ist deine ganz besondere Lampe mit zwei Helligkeitsstufen.

Eigentlich sind es sogar drei Helligkeitsstufen. Schalter 1 ist für die einfache Helligkeit zuständig und Schalter 2 für die zehnfache Helligkeit. Aber wenn beide Schalter an sind, hast du die elffache Helligkeit. Teste es einmal: Schalter 2 ist an, und Schalter 1 wird abwechselnd an- und ausgeschaltet. Der Unterschied ist sehr gering. Kannst du ihn noch erkennen?
Das menschliche Auge passt sich an ganz unterschiedliche Helligkeiten an, damit wir in der Nacht noch fast genauso gut sehen können wie bei vollem Sonnenschein. Deshalb kommt dir wahrscheinlich der Unterschied von einfacher zu zehnfacher Helligkeit wesentlich geringer vor. Und der Unterschied zwischen zehnfacher und elffacher Helligkeit ist kaum noch zu bemerken.

Spannung, Widerstand und Strom
Du weißt jetzt schon, dass die elektrische Spannung in Volt (V) gemessen wird. Die Batterie hat 9 V. Und einen Widerstand misst man in Ohm (Ω) oder Kiloohm (kΩ = 1000 Ω). Es gibt aber noch eine andere sehr wichtige Messgröße. Die elektrische Stromstärke misst man in Ampere (A) oder bei kleinen Stromstärken in Milliampere (mA = 1/1000 A).
Mit einem passenden Messgerät könnte man messen, wieviel Strom durch die LED fließt. Aber man kann es auch ausrechnen, wenn man weiß wie groß die Spannung der Batterie gerade ist und welche Spannung an der LED liegt. Wenn die Batterie noch neu ist, hat sie eine Spannung von 9 V. Die LED braucht ungefähr 3 V. Da bleiben noch 6 V für den Widerstand. Und dann kann man für die geringe Helligkeit es so rechnen:
Strom = Spannung / Widerstand
Strom = 6 V / 4700 Ω
Strom = 0,0013 A = 1,3 mA
Das ist nicht viel, es fließen nur 1,3 mA obwohl die LED einen Strom von 20 mA verträgt. Aber die Batterie hält lange! Sie hat meist eine Kapazität von 500 Milliamperestunden (500 mAh), könnte also eine Stunde lang 500 mA liefern oder 500 Stunden lang 1 mA. Oder deine Lampe leuchtet etwa 400 Stunden lang mit 1,3 mA, also über zwei Wochen lang.
Für die größere Helligkeit kommt man ungefähr auf den zehnfachen Strom (13 mA) und ist dann schon näher an der erlaubten Grenze von 20 mA. Aber die Batterie schafft das nur rund 40 Stunden lang, also knapp zwei Tage.
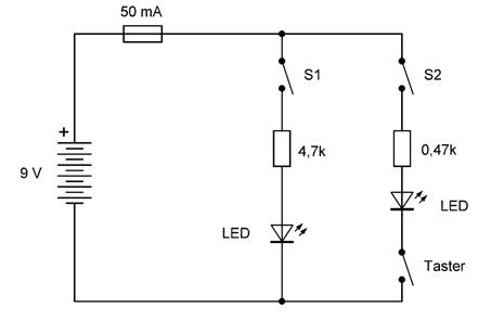
Hinter dem dritten Türchen kommt eine weitere weiße LED zum Vorschein. Baue sie mit in deine Lampe ein. Sie wird damit noch etwas heller. Die Helligkeit reicht schon aus um damit in der Nacht ein Buch zu lesen. Und wieder gibt es zwei Helligkeitsstufen. Du entscheidest, wieviel Licht gebraucht wird.

Reihenschaltung
Bei der Reihenschaltung fließt der gleiche Strom durch zwei oder mehr Verbraucher. Es ist ein „unverzweigter Stromkreis“, weil es nur einen Weg gibt. Das bedeutet, die Stromstärke ist an jeder Stelle gleich groß.

Vereinfachtes Schaltbild einer Reihenschaltung
Die Spannung teilt sich auf die Verbraucher im Stromkreis auf. In diesem Fall sind es zwei LEDs und ein Widerstand. Jede weiße LED braucht ungefähr 3 V. Zwei LEDs brauchen also 6 V. Und weil die Batterie 9 V hat, bleibt eine Spannung von 3 V für den Widerstand übrig. In diesem Fall wird also die Batteriespannung zu gleichen Teilen auf drei Verbraucher aufgeteilt. Genauso teilt sich auch der Energieverbrauch auf. Der Widerstand erzeugt nur etwas nutzlose Wärme, aber die LEDs das gewünschte Licht. Weil diesmal nur ein Drittel der Spannung am Widertand liegt, wird auch nur ein Drittel der Energie „verschwendet“. Die Schaltung mit zwei LEDs in Reihe ist also besser als die mit nur einer LED, wo zwei Drittel verloren gehen.
Öffne das fünfte Türchen und nimm ein weiteres Kabel heraus. Damit kannst du deine Schaltung noch einmal umbauen. Diesmal sollen die LEDs parallel geschaltet werden. Wenn du alles richtig gemacht hast, leuchten beide LEDs.

Parallelschaltung
Diesmal hast du eine Parallelschaltung gebaut, die man auch „verzweigter Stromkreis“ nennt. Der Strom durch den Widerstand teilt sich nämlich auf zwei LEDs auf. Die Hälfte des Stroms fließt durch die eine LED, die andere Hälfte durch die andere LED. Ein kleiner Test kann das beweisen: Ziehe einmal das Kabel zwischen beiden LEDs heraus. Eine LED geht dann aus, aber die andere wird heller. Durch sie fließt nämlich nun der ganze Strom.

Parallelschaltung mit zwei LEDs
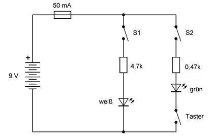
Das sechste Türchen verbirgt einen kleinen Tastschalter. Wenn du auf den Knopf drückst, werden zwei Kontakte verbunden. Das ist genau das richte Bauteil für eine Signal-Lampe. Damit kannst du geheime Botschaften versenden. Deine Signal-LED wird mit großer Helligkeit betrieben. Zusätzlich gibt es eine LED mit schwächerem Dauerlicht, die du über den Schalter 1 einschalten kannst.


Darf es mal eine andere Farbe sein? Im Fach Nummer 7 findest du eine grüne LED. Baue sie anstelle der weißen Signal-LED ein. Das Licht dieser LED ist über noch größere Entfernungen zu erkennen. Nun kannst du geheime Botschaften mit Freunden austauschen, die sich in Sichtweite befinden.



Innenleben des Tastschalters
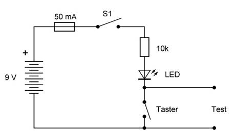
Öffne das achte Türchen und nimm einen weiteren Widerstand heraus. Er hat 10 kΩ (Braun, Schwarz, Orange) und soll den Strom durch die LED noch weiter verkleinern. Heute wird ein Testgerät gebaut, mit dem du überprüfen kannst, welche Gegenstände den elektrischen Strom leiten können. Dazu gibt es zwei Kabel mit Testspitzen. Mit ihnen kannst du beliebige Dinge berühren. Wenn das Licht angeht weißt du, dass Strom hindurchfließt. Alle Metalle leiten Strom, aber auch andere Dinge wie zum Beispiel Bleistiftminen.
Auch schwache Leiter kannst du finden. Berühre beide Drähte mit deinen Fingern, dann siehst du ein sehr schwaches Leuchten. Dein Körper leitet also etwas Strom. Wenn du deine Finger mit Wasser befeuchtest, fließt mehr Strom. Das ist übrigens ungefährlich, weil die Batterie nur eine Spannung von 9 V hat. Bei großen Spannungen über 48 V kann es dagegen schon gefährlich sein. Und bei der Netzspannung von 230 V besteht Lebensgefahr! Du darfst also Drähte nur dann berühren, wenn du genau weißt, dass die Spannung klein genug ist. Bis 12 V bist du auf der sicheren Seite.
Zusätzlich zu einem Testobjekt kann auch der Tastschalter den Stromkreis schließen. Das hilft zu unterscheiden, ob der untersuchte Gegenstand ein sehr guter Leiter oder ein schlechter Leiter ist. Wenn deine Testkabel ein Objekt berühren, leuchtet die LED. Drücke nun zusätzlich auf den Taster. Wird die LED dann noch heller? In dem Fall handelte es sich um einen schwachen Leiter. Wenn du aber zum Beispiel ein Geldstück untersuchst, wird es keinen Unterschied geben, weil alle Metalle gute Leiter sind.

Korrektur 9.12.16 (Der Tastschalter saß falsch)

Zusatzversuch: Untersuche auch elektrische Bauelemente. Die Widerstände aus deinem Kalender leiten den Strom unterschiedlich gut. Eine LED leitet nur in einer Richtung. Und du kannst sogar überprüfen, ob eine Glühlampe noch funktioniert oder schon durchgebrannt ist.
Hinter dem Türchen Nummer 9 findest du eine rote LED. Sie soll nun in Reihe zur grünen LED geschaltet werden. Durch beide fließt der gleiche Strom Das kennst du ja schon vom Tag 4, als zwei weiße LEDs in Reihe geschaltet wurden. Aber welche erscheint heller, die rote oder die grüne LED? Du kannst wieder Helligkeitsstufen wählen, indem du S1 oder S2 einschaltest.
Zusatzversuch: Mache einen Test und lasse beide LEDs auf ein weißes Papier scheinen. Da wo sich die Farbkreise überschneiden sollte die Mischfarbe Gelb erscheinen.


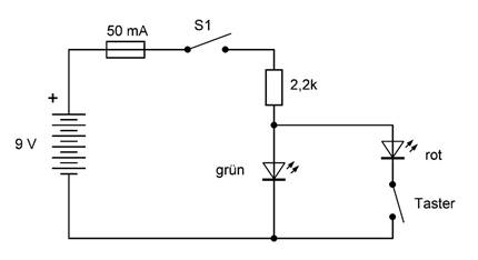
Öffne das Türchen Nummer 10 und nimm einen Widerstand mit 2,2 kΩ (Rot, Rot, Rot) heraus. Diesmal soll eine ganz besondere Schaltung gebaut werden, ein Grün/Rot-Umschalter. Immer wenn du auf den Taster drückst, geht die rote LED an, aber die grüne LED geht aus.
Bei geschlossenem Schaltkontakt ist das eigentlich nur eine ganz normale Parallelschaltung wie am Tag 5. Aber da wurden zwei gleiche LEDs verwendet, diesmal sind es zwei ganz verschiedene. Die grüne LED braucht eine größere Spannung als die rote LED. Wenn du die rote LED einschaltest, sinkt die Spannung so weit ab, dass die grüne LED nicht mehr leuchten kann. Und so entsteht tatsächlich eine Umschaltung der Farben.


Die PTC-Sicherung
Alle deine Versuche haben eine Sicherung, die helfen soll, wenn mal ein Fehler passiert, einfach nur zu Sicherheit. Wenn du mal aus Versehen einen Kurzschluss verursachst, könnte ein Draht glühend heiß werden, oder die Batterie könnte heiß werden, kaputt gehen oder im schlimmsten Fall sogar explodieren. Aber die Sicherung würde das Schlimmste verhindern.

Viele Sicherungen brennen einfach durch, wenn man einen Kurzschluss baut. Dann braucht man eine neue Sicherung. Aber deine Spezialsicherung ist anders. Es handelt sich um eine selbst-rückstellende Sicherung, die man auch PTC-Sicherung nennt. Wenn bei einem Kurzschluss ein zu großer Strom fließt, wird die PTC-Sicherung heiß und lässt dann nur noch sehr wenig Strom hindurch, weil ihr Widerstand stark ansteigt. Daher kommt auch der Name. PTC steht nämlich für „Positiver Temperatur-Koeffizient“ und sagt, dass der Widerstand steigt, wenn die Temperatur höher wird. Wenn man dann den Strom abschaltet und den Fehler beseitigt, kühlt sie wieder ab und ist wieder wie neu.
Achtung, bitte nicht ausprobieren, denn die Batterie wird bei einem Kurzschluss sehr schnell unbrauchbar. Und die PTC-Sicherung wird mit etwa 60 Grad so heiß, dass man sich leicht die Finger verbrennen kann. Aber das wäre immer noch besser als glühende Drähte und explodierende Batterien. Also immer daran denken: Die Sicherung ist nur für den Notfall da, so ähnlich wie die Notbremse in einem Zug.
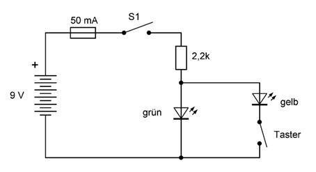
Das elfte Türchen verbirgt eine gelbe LED. Du kannst sie genauso einsetzen, wie die andern Farben. Aber besonders interessant ist die Frage, wie sich die gelbe LED zusammen mit der grünen LED verträgt. Setze deshalb die neue LED anstelle der roten LED in den Aufbau vom letzten Tag ein. Und tatsächlich, jetzt hast du einen Grün/Gelb-Umschalter.


Öffne das Türchen Nummer 12 und nimm ein ganz besonderes Bauteil mit drei Anschlüssen heraus. Es ist ein einstellbarer Widerstand, eine Potentiometer (kurz Poti). Solche Bauteile verwendet man auch als Lautstärkeregler in Radios. Aber hier soll damit die Helligkeit einer grünen LED eingestellt werden.
Je weiter du den Drehknopf nach rechts drehst, desto heller wird die LED. Bisher hast du ja schon unterschiedliche Widerstände verwendet zwischen 0,47 kΩ und 10 kΩ. Das Poti kann zwischen 0 kΩ und 10 kΩ eingestellt werden. Weil aber ein Vorwiderstand von Null Ohm nicht erlaubt ist und die LED überlasten könnte, wird noch ein Widerstand mit 0,47 kΩ in Reihe geschaltet. Der Gesamtwidertand ist dann zwischen 0,47 kΩ und 10,47 kΩ einstellbar. Das stimmt aber nur so ungefähr, weil der Widerstand des Potis nicht genau 10 kΩ hat sondern bis zu 10% größer oder kleiner sein kann.



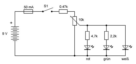
Hinter dem Türchen Nummer 13 findest du ein weiteres Kabel. Nun kann auch der dritte Anschluss des Potis verbunden werden. Damit kannst du die elektrische Spannung in deiner Schaltung einstellen. Am Schleifer des Potis sind insgesamt drei LEDs angeschlossen. Die rote und die grüne LED haben ihren eigenen Vorwiderstand. Die weiße LED ist zwar direkt angeschlossen, aber bei voller Helligkeit wirkt der Widerstand von 470 Ω.
Drehe den Knopf ganz nach links. Alle LEDs sind aus. Drehe dann ganz langsam nach rechts. Zuerst geht die rote LED, dann die grüne und als letzte die weiße LED. Nun ist es klar: Die rote LED baucht am wenigsten Spannung, die weiße LED am meisten. Teste auch einmal die gelbe LED und setze sie anstelle der roten oder der grünen LED ein.


Spektralfarben
Nimm eine CD und verwende sie wie einen Spiegel, um die drei LEDs anzuschauen. Ändere dann den Winkel, bis du die weiße LED als Streifen in allen Regenbogenfarben siehst. Das Lichtspektrum wird auseinandergezogen, weil die CD ganz enge Linien hat, an denen die Lichtwellen zurückgeworfen werden. Die rote und die grüne LED werden auch etwas auseinandergezogen, aber sie enthalten nur einen kleinen Teil des Lichtspektrums.
Die weiße LED ist eigentliche eine blaue LED. Aber über dem LED-Kristall gibt es einen Leuchtstoff, den das blaue Licht dazu anregt, auch alle andern Farben abzustrahlen. Wenn die LED ausgeschaltet ist kannst du den gelblichen Leuchtsoff im Inneren sehen. Es ist ein ähnlicher Stoff wie im Inneren von Leuchtstoffröhren und Energiesparlampen.

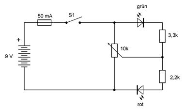
Hinter dem Türchen Nummer 14 verbirgt sich ein Widerstand mit 3,3 kΩ (Orange, Orange, Rot). Heute soll eine LED-Lampe mit einstellbarer Farbe gebaut werden. Sie leuchtet entweder rot oder grün oder in beiden Farben. Mit dem Poti kannst du die Helligkeit beider LEDs einstellen. Wenn die grüne LED bei einer Linksdrehung heller wird, leuchtet die rote schwächer. Und wenn du das Poti mehr nach rechts drehst, wird die rote LED heller und die grüne schwächer.
Leuchte mit den LEDs ein Blatt Papier an und richte die LEDs so, dass sie einen gemeinsamen Lichtfleck erzeugen. Rotes und grüne Licht ergibt zusammen die Farbe Gelb. Deshalb kannst du nun alle Farben und alle Zwischentöne im Bereich Rot – Gelb – Grün einstellen.


Das Türchen Nummer 15 verbirgt eine ganze besondere LED. Es handelt sich um eine rote Blink-LED. Wenn du sie wie eine normale LED mit einem Vorwiderstand einbaust, schaltet sie sich ganz von allein immer wieder ein und aus. Nur zum Vergleich soll die rote LED mit einstellbarerer Helligkeit daneben stehen.


Die Blink-LED
Die Blink-LED enthält einen elektronischen Schalter, der aus einem Transistor besteht. Aber das reicht noch nicht, es sind noch viele weitere Transistoren und andere Bauelemente nötig, die zusammen eine komplexe Schaltung bilden und die Aufgabe haben, den genauen Zeitablauf zu steuern. Alles zusammen ist auf einem sehr kleinen Stück Silizium aufgebaut, der neben dem LED-Kristall eingebaut ist.
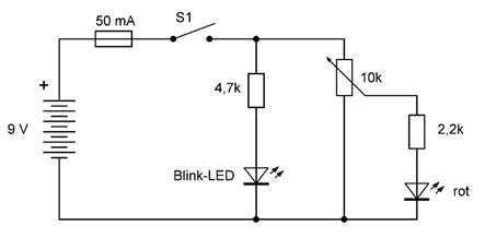
Hinter dem Türchen Nr. 16 kommt ein weiterer Widerstand mit 470 Ω (Gelb, Violett, Braun) zum Vorschein. Heute soll der Blinker erweitert werden. Zwei LEDs sollen gleichzeitig blinken. Die grüne LED wird dazu in Reihe zur roten Blink-LED geschaltet. Zusätzlich gibt es eine weiße LED, deren Helligkeit mit dem Poti eingestellt werden kann
Nun blinken beide LEDs im gleichen Takt. Wenn man aber genau hinsieht erkennt man, dass die grüne LED nie ganz ausgeht. Durch die Blink- LED fließt also auch dann noch etwas Strom, wenn sie gerade aus ist. Der Controller in der Blink-LED läuft nämlich weiter und misst die Zeit, bis die rote LED wieder eingeschaltet werden soll.


Hinter dem Türchen Nummer 17 verbirgt sich eine ganz besondere LED mit der Farbe Pink. Sie soll gleich einmal mit einstellbarer Helligkeit ausprobiert werden. Gleichzeitig soll ein anderes Experiment auf der Steckplatine durchgeführt werden. Baue einen Rot/Grün-Wechselblinker. Dazu werden die rote Blink-LED und die grüne LED parallelgeschaltet.
Wie der Wechselblinker funktioniert, hast du vorher schon mal am Tag 10 ausprobiert. Aber da wurde ein Tastschalter eingesetzt, um eine rote LED einzuschalten. Diesmal ist es ein automatischer Schalter, der in der Blink-LED mit eingebaut ist, der LED-Controller. Und weil die grüne LED mehr Spannung braucht als eine rote LED, leuchtet sie nur in den Blink-Pausen.
Vertausche einmal die grüne und die pinke LED. Nun blinkt die pinke LED, und die grüne zeigt ein gleichmäßiges leuchten mit einstellbarer Helligkeit. Damit ist es bewiesen: Auch eine pinke LED braucht mehr Spannung als eine rote LED.


Aufbau der pinken LED
Die pinke LED ist ähnlich aufgebaut wie die weiße LED. Der eigentliche LED-Kristall strahlt blaues Licht ab. Er ist aber mit einem Leuchtstoff überzogen, der einen Teil des blauen Lichts einfängt und als rotes Licht wieder abstrahlt. So kommt es, dass die pinke LED eigentlich zwei Farben hat: Rot und Blau. Der Blick über eine CD verrät es…

Ein Widerstand mit 6,8 kΩ kommt hinter dem Türchen Nummer 18 zum Vorschein. Heute soll ein Wechselblinker mit vier Farben gebaut werden. Eine gelbe LED liegt in Reihe zur Blink-LED und blinkt daher im gleichen Takt. Parallel dazu liegt noch eine Reihenschaltung aus einer grünen und einer pinken LED. Diesen beiden LEDs brauchen mehr Spannung und leuchten immer dann, wenn Rot und Gelb gerade aus sind.


Zusatzversuch: Du hast nun schon ganz verschiedene Widerstände, die du nacheinander in diese Schaltung einsetzen kannst. Je kleiner der Widerstand, desto größer wird die Helligkeit. Aber funktioniert die Umschaltung auch noch mit dem kleinsten Widerstand von 470 Ω? Probiere es aus.
Das Türchen Nummer 19 verbirgt einen besonders großen Widerstand mit 22 kΩ (Rot, Rot, Orange). Damit soll nun eine Alarmanlage gebaut werden. Die grüne LED leuchtet, die rote aber nicht, weil das Kabel sie kurzschließt. Grün bedeutet: alles in Ordnung. Binde einen Faden an das Kabel und befestige es an der Tür. Wenn jemand den Raum betritt, zieht er damit das Kabel heraus. Dann blinken die rote und die grüne LED. Erwischt!
Für diese Alarmanlage wurde ein besonders großer Widerstand mit 22 kΩ verwendet. Das hat einen wichtigen Grund. Eine Alarmanlage muss lange in Betrieb sein. Deshalb ist es wichtig, dass nur wenig Strom fließt. Hier sind es etwa 0,3 mA. Eine neue Batterie mit 2000 mAh könnte die Anlage etwa 6000 Stunden lang betreiben. Das sind mehr als neun Monate. Echte Alarmanlagen sind meist mit dem Stromnetz verbunden. Aber wenn es um ganz wichtige Dinge in einem Museum geht, verwendet man zusätzlich für den Fall eines Stromausfalls noch eine Batterie.


Hinter dem Türchen Nummer 20 findest du einen weiteren Widerstand. Er hat 15 kΩ (Braun, Grün, Orange) und lässt deshalb nur recht wenig Strom fließen. Das ist wichtig, weil du bei dem folgenden Spiel die LEDs genau ansehen musst, aber trotzdem nicht geblendet werden sollst.
Wenn du den Taster drückst, bleibt die grüne LED aus. Wenn du ihn loslässt, blinkt sie im gleichen Takt mit der roten Blink-LED. Der Taster soll nun immer wieder gedrückt und nur dann kurz losgelassen werden, wenn die Blink-LED gerade aus ist. Wenn man den Zeitpunkt verpasst, blitzt die grüne LED auf. Es kommt auf deine schnelle Reaktion an! Wie oft kannst du den Schalter betätigen, ohne dass die LED einmal aufblitzt? Mache einen Wettbewerb mit deinen Freunden.


Brücken-Schaltung
Eine Brückenschaltung besteht aus zwei Reihenschaltungen und einem Bauteil zwischen beiden. Auf der linken Seite enthält die Reihenschaltung einen Widerstand und die Blink-LED. Auf der rechten Seite ist es ein Widerstand und ein Schalter. Zwischen beiden liegt eine LED und bildet die Brücke. Die entscheidende Frage ist nun: Ist die Spannung auf der linken Seite oder auf der rechten Seite höher? Die grüne LED kann nur leuchten, wenn links die Blink-LED gerade angeschaltet ist und rechts der Schalter gerade aus. Nur dann ist nämlich die Spannung rechts größer als links, sodass Strom durch die grüne LED fließen kann.
Das Türchen Nr. 21 bringt eine ganz besondere LED zum Vorschein. Es ist eine automatische Farbwechsel-LED mit den drei Farben Rot, Grün und Blau. Schaue dir diese LED vor dem Einbau einmal ganz genau an. Weil sie ein klares Gehäuse hat, kannst du die vordere Rundung wie eine Lupe verwenden und alles in starker Vergrößerung betrachten. Dann erkennst du den Silizium-Chip mit komplizierten Einzelheiten und die angeschlossenen dünnen Drähtchen aus Gold. Sie führen zu drei LED-Kristallen. Die Farbwechsel-LED enthält also gleich drei LEDs und zusätzlich einen Controller, der sie in schneller Folge ein- und ausschaltet.
Achtung, blicke niemals direkt in die LED, wenn sie eingeschaltet ist. Besonders das blaue Licht kann deine Netzhaut schädigen. Weil dein Auge für blaues Licht weniger empfindlich ist, erschein die blaue LED weniger hell, ist aber trotzdem besonders gefährlich für die Augen.
Die Farbwechsel-LED wird gleich beim ersten Versuch mit einstellbarer Helligkeit betrieben. Gleichzeitig kannst du einen weiteren Versuch durchführen. Das Poti wird hier als Spannungsteiler angeschlossen, sodass du auch sehr kleine Spannungen ab null Volt einstellen kannst. Drehe den Knopf ganz langsam nach rechts und erhöhe damit die Spannung. Zuerst wird nur die rote LED flackern. Dann kommt die grüne hinzu. Und erst bei noch größerer Spannung leuchtet auch die blaue LED. Damit hat die die Spannungsreihe der LED-Farben erforscht. Das Ergebnis entspricht dem im Versuch Nr. 13.


Pulsweitenmodulation
Wenn du genau hinsiehst, kannst du erkennen, dass die einzelnen LEDs nicht nur ein- und ausgeschaltet werden, sondern auch heller oder dunkler erscheinen. Manchmal steigt die Helligkeit gleichmäßig an. Da könnte man denken, dass eine Art automatisches Poti eingebaut ist, um die Stromstärke zu verändern. Aber es funktioniert ganz anders. Wenn du den ganzen Aufbau schnell hin- und her bewegst, kannst du Lichtstriche unterschiedlicher Länge sehen. Die LEDs werden tatsächlich in schnellen Impulsen ein- und ausgeschaltet. Die Länge der Impulse wird verändert, und damit die durchschnittliche Einschaltdauer. Diese Veränderung (Modulation) die Pulslänge erzeugt den Eindruck einer Helligkeitsänderung. Da kann man sich vorstellen, dass der LED-Controller eine sehr komplizierte Schaltung sein muss, wenn sie nicht nur die drei LEDs umschaltet sondern auch noch die Pulsweitenmodulation anwendet.
Hinter dem Türchen Nummer 22 findest du einen Widerstand mit 1 kΩ (Braun, Schwarz, Rot). Heute soll die Farbwechsel-LED eine weiße LED im Takt mitflackern lassen. Die Farbwechsel-LED soll den Strom durch die weiße LED modulieren (verändern). Sie muss dazu in Reihe geschaltet werden. Auch die Helligkeit der weißen LED wird nun manchmal in Sprüngen verändert und manchmal scheinbar stufenlos größer. Zwei andere LEDs sind zum Vergleich ebenfalls in Reihe geschaltet, leuchten aber mit gleichbleibender Helligkeit.


Ein weiterer Widerstand mit 1,5 kΩ (Braun, Grün, Rot) findet sich hinter dem Türchen Nummer 23. Heute soll die grüne LED im Gegentakt zur Farbwechsel-LED leuchten. Sie muss dazu parallel geschaltet werden. Immer wenn der Farbwechsel-Controller gerade die rote LED einschaltet, geht die grüne LED aus. So entsteht ein interessantes Flackern der grünen LED. Und auch an der grünen LED sieht man manchmal stufenlose Änderungen der Helligkeit.
Zusatzversuch: Du hast nun viele unterschiedliche Widerstände zwischen 470 Ω und 22 kΩ. Kannst du inzwischen schon die Farbringe lesen? Sortiere einmal alle deine Widerstände nach ihrer Größe. Und alle können in dieser Schaltung ausprobiert werden. So kannst du ganz unterschiedliche Helligkeiten einstellen. Entscheide selbst, ob du mehr Helligkeit haben möchtest (kleinerer Widerstand) oder eine größere Batterie-Lebensdauer (größerer Widerstand).


Hinter dem letzten Türchen findest du einen weiteren Widerstand mit 1 kΩ (Braun, Schwarz, Rot). Mit zwei gleichen Widerständen von 1 kΩ und insgesamt sechs LEDs soll nun eine farbenfrohe Lampe gebaut werden, bei der alle LEDs blinken oder flackern. Eigentlich hast du ja nur zwei LEDs mit einem eingebauten Controller. Aber inzwischen kennst du ja schon alle Schaltungs-Tricks, mit denen auch weitere LEDs blinken oder flackern können.
Deine Schaltung besteht auch zwei LED-Reihenschaltungen und einer Brückenschaltung mit zwei gegensätzlich gepolten LEDs. Achte genau auf die Einbaurichtung jeder LED. Falls etwas nicht funktioniert, könnte es daran liegen, dass eine LED falsch herum eingebaut wurde.

Insgesamt sechs LEDs und nun eingebaut, aber zwei weiße LEDs sind noch ohne Aufgabe. Überlege einmal selbst, wie du sie zusätzlich einbauen könntest. Da gibt es ganz unterschiedliche Möglichkeiten. Schaue dir die anderen Versuche noch einmal an, dann wird dir sicher etwas einfallen. Und auch die anderen Widerstände kannst du noch gebrauchen. Insgesamt hast du nun so viele Bauteile, dass du ganz andere Schaltungen erfinden kannst. Versuch macht klug!
Anhang: Bauteile
1. Steckplatine, Batterieclip, Schalter, Sicherung, LED weiß, Widerstand 4,7 k
2. Widerstand 470
3. Kabel
4. LED weiß
5. Kabel
6. Taster
7. LED grün
8. Widerstand 10 k
9. LED rot
10. Widerstand 2,2 k
11. LED gelb
12. Poti 10k
13. Kabel
14. Widerstand 3,3 k
15. Blink-LED
16. Widerstand 470
17. LED pink
18. Widerstand 6,8 k
19. Widerstand 22 k
20. Widerstand 15 k
21. Farbwechsel-LED
22. Widerstand 1 k
23. Widerstand 1,5 k
24. Widerstand 1 k