SSB-Sender nach der Phasenmethode   

Elektronik-Labor  Lernpakete  Projekte  HF  



Die SSB-Erzeugung nach der Phasenmethode gibt es schon lange. Ich habe die Möglichkeiten bis jetzt unterschätzt, weil ich sie für einen schwachen Kompromiss gehalten habe. Das Problem ist, dass man das gesamte NF-Band gleichmäßig um 90 Grad drehen muss, was mit analogen Schaltungen nur annähernd funktioniert. Aber mit Software geht es besser, wie ich gerade am Beispiel des OCX-SSB gesehen habe. Da gab es noch gewisse Schwächen, weil alles auf dem Arduino laufen musste. Nun habe ich eine Methode gefunden, bei der es mit einer Software auf dem PC geht.



Der Software IQ-TX von Peter Martinez, G3PLX kann hier geladen werden:  www.g4jnt.com/SDRTxSW.htm  Das Programm verarbeitet das Mikrofonsignal und liefert zwei um 90 Grad verschobene Modulationssignale. Außerdem ist ein Clipper enthalten, der für die korrekte Aussteuerung sorgt, ohne dass es zu großen Verzerrungen kommt. Intern arbeitet eine Signalverarbeitung nach der dritten Methode. Die verwendeten Filter sorgen gleichzeitig dafür, dass die korrekte Bandbreite eingehalten wird.





Ich verwende eine alte SDR-Platine von Elektor, weil darauf schon der vollständige IQ-Mischer und der 90-Grad-Teiler für das Oszillatorsignal vorhanden ist. Ein externer Quarzgenerator mit 15 MHz sorgt beim ersten Test für eine Sendefrequenz von 3750 kHz. Nur der Modulationsverstärker musste neu gebaut werden. Ich verwende dafür einen Vierfach-OPV MCP6004. Jeder der beiden NF-Kanäle wird gepuffert und zusätzlich noch einmal um 180 Grad gedreht. So bekomme ich vier Phasen mit 0, 90, 180 und 270 Grad. Damit werden die digitalen Umschalter im 74HC4066 angesteuert. Die beiden gemischten Signale werden dann mit zwei 100-Ohm-Widerständen zusammengesetzt, die auch schon im ursprünglichen Empfängermischer vorhanden waren. Die Elektor-Platine wird sozusagen rückwärts benutzt. Aus dem Empfänger wird ein Sender. 



Das Ergebnis ist ein absolut sauberes und unverzerrtes SSB-Signal mit guter Träger- und Seitenbandunterdrückung. Wenn ich das Signal mit meinem SDR empfange, höre ich mein eigenes Signal mit einer gewissen Zeitverzögerung. Der Software-IQ-TX braucht ca. 250 ms für die Verarbeitung, und SDR# braucht rund eine Sekunde. Die gesamte Verzögerung reicht für mein Rufzeichen. Ich kann also ins Mikrofon sprechen und mir das Ergebnis sofort danach anhören. Diese Versuche bestätigen die hohe Qualität des Signals.



Die IQ-Software kann statt des Mikrofonsignals auch einen Sinuston ausgeben, der dann ebenfalls mit zwei Phasen am Ausgang der Soundkarte erscheint. Das ist eine gute Methode für Messungen und für die Entwicklung der Sendeendstufe.



SDR# zeigt eine Trägerunterdrückung von 50 dB und eine Seitenbandunterdrückung von ebenfalls 50 dB, und das ohne irgendeine Art von Abgleich.



Das Ausgangssignal lässt erkennen, dass es aus vier Phasen zusammengesetzt wird.



In einem andern Zeitmaßstab erkennt man das modulierte Signal.

Rudolf Drabek wies mich auf die Seite von Lawrence GJ3RAX und seine Software zum Design von Allpassfiltern hin: www.gj3rax.com/apf.htm. Damit hat man am Ende vielleicht doch noch eine Chance, es in Hardware zu gießen. Ich habe mir vorgenommen, es mal zu probieren, wenn alle übrigen Aufgaben gelöst sind und sich das Verfahren bewährt.


SSB mit Matlab



Leander, DK1LH, hat den Modulationsverstärker nachgebaut und mit einem etwas anderen Mischer in Gang gesetzt. Das phasenverschobene VFO-Signal kommt direkt aus zwei Ausgängen des SI5351, entsprechend der Methode im OCX-SSB. Das Besondere ist aber die 90-Grad-Phasenverschiebung des NF-Signals, die er mit einem kurzen Programm in Matlab mit Hilfe der Hilbert-Transformation erzeugt. Auch so entsteht ein völlig klares SSB-Signal ohne Verzerrungen und mit guter Seitenbandunterdrückung.



Siehe auch: SSB mit dem Teensy 4.0 
80m-SSB-Transceiver mit 25 W



Inzwischen habe ich eine einfache Endstufe gebaut und das Elektor-SDR-Shield als Empfänger mit eingebaut.



Die Endstufe arbeitet mit einem SiC-FET. Der C2M1000170D verträgt bis zu 1700 V und hat laut Datenblatt erstaunlich geringe Kapazitäten (Eingang 191 pF, Ausgang 12 pF, Rückwirkung nur 1,3 pF). Ich betreibe ihn aber nur mit  60 V und erreiche eine Ausgangsleistung von 25 W. Der Transistor ist auf einen massiven Kühlblock geschraubt.  Ein IRF510 dient als Treiber und wird mit 12 V versorgt. Auf dem Kühlkörper sitzt noch ein zweiter IRF510 von einem anderen Versuch, der aber jetzt arbeitslos ist. Zum Senden muss ich auf den Taster drücken. Dann wird die über die Potis einstellbare Vorspannung bis 5 V an die beiden Gates gelegt. Außerdem wird das Schaltsignal vom Arduino gelesen, der dann den Sender-VFO einschaltet. Das Antennenfilter ist derzeit  nur für 80 m ausgelegt.



Der Ruhestrom der Treiberstufe wird auf  100 mA eingestellt.  Für die Endstufe  musste der Vorspannungsregler ganz hochgedreht werden. Dann ergab sich ein Ruhestrom  von 50 mA mit relativ geringen Verzerrungen. Für eine optimale Einstellung müsste die Gate-Spannung noch etwas höher liegen. Beim Umschalten auf Senden wird die Vorspannung eingeschaltet. Das 5V-Signal wird zum Arduino geführt, damit er vom Empfangs- auf den Sende-VFO umschalten kann. Der Empfänger ist über einen Vorkreis und einen kleinen Koppelkondensator mit 6,8 pF direkt an den Antennenausgang angeschlossen. Beim Senden sorgen die Dioden im Empfänger für eine ausreichende Begrenzung.

Mit dem Transceiver gelang ein SSB-QSO mit dem Rapport 57. Insgesamt ist SSB mit geringer Leistung und einer nicht optimalen Antenne schwierig. Deshalb habe ich den Transceiver mit FT8 getestet. Das funktionierte einwandfrei und dank der höheren Leistung besser als mit meinem bisherigen Transceiver.


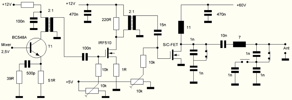
SSB auf 40 m mit 25 W


Inzwischen habe ich den Transceiver auf 40 m umgerüstet und kann auch auf 60 m und 30 m umschalten. Die ursprüngliche Endstufe gab auf höheren Frequenzen immer weniger Leistung ab. Dagegen halfen eine vorgeschaltete Treiberstufe mit einem NPN-Transistor und zwei Doppelloch-Übertrager, die jeweils für eine bessere Anpassung an die Impedanz der Power-FETs bewirken. Die erste Treiberstufe wird direkt vom Mischer angesteuert, der eine mittlere Ausgangsspannung von 2,5 V hat und ein Nutzsignal von ca. 0,5 V. Die Emitter-Gegenkopplung enthält ein RC-Glied, das für mehr Verstärkung auf den höheren Frequenzen sorgt.

Das Pi-Filter am Ausgang der Endstufe kann über die Umschaltung von Kondensatoren auf 5 MHz, 7 MHz und 10 MHz gebracht werden. Gezeichnet ist die Jumperstellung für 7 MHz. Es werden einfache Luftspulen mit dem Durchmesser einer Mignon-Batterie verwendet. Die experimentell ermittelten Windungszahlen und Kapazitäten sorgen für eine gute Anpassung an 50 Ohm und eine gute Oberwellenunterdrückung. Die Spule im Pi-Filter wird im Betreib leicht warm, ich schätze, dass hier 0,5 W verloren gehen. Auf allen drei Bändern wird etwa 25 W erreicht.




Schön ist anders, aber der Aufbau auf einer durchgehenden Kupferplatine unterstützt das leichte Experimentieren. Änderungen sind schnell gemacht, und Ergebnisse können sofort gemessen werden. Später wird dann alles noch mal ordentlich gebaut (vielleicht). Wichtig war mir die erreichbare Oberwellendämpfung. Für eine Messung habe ich meine einfache 50-Ohm Dummyload mit einem Abschwächer und einem BNC-Anschloss versehen. Da kann ich nun den Spectrum Analyzer anschließen. Auf 40 m erreiche ich eine Oberwellenunterdrücken von 40 dB. Dazu kommt noch der Antennen-Anpasskreis am Ende des Halbwellendipols, der vermutlich noch einmal 40 dB bringt.



Die ersten Versuche auf 40 m waren erfolgreich. Eine SSB-Verbindung nach Italien bekam den Rapport 59. Und wie zu erwarten war funktioniert auch FT8 sehr gut.


Elektronik-Labor  Lernpakete  Projekte  HF