| Start
Experimente
- I/Q-Mischer
- I/Q-DRM
- Wetterfax
- Antialiasing
- DDS + PLL
- Verstärker
- I/Q mit ICS307
- USB FT232R
- Ferritantenne
Grundlagen
Produkte
Neues
Impressum
|
I/Q-Mischer
Überlagerungsempfänger ohne Spiegelfrequenzprobleme

| Ein üblicher Mischer in einem Superhetempfänger
wie z.B. dem Elektor-DRM-Empfänger oder
in einem Direktmischer empfängt
grundsätzlich zwei Frequenzen, die Wunschfrequenz und die Spiegelfrequenz.
Mit zusätzlichen Eingangsfiltern muss man dann für eine ausreichende
Dämpfung der Spiegelfrequenz sorgen. Bei einem I/Q-Mischer erhält
man von vornherein eine gute Spiegelfrequenzunterdrückung. Es handelt
sich dabei um zwei Mischer, deren Oszillatorsignale genau um 90 Grad phasenverschoben
sind. Verarbeitet man die Ausgangssignale I und Q z.B. mit geeigneter Software
über die Kanäle R und L der Soundkarte, erhält man einen
hochwertigen Empfänger, dessen Eigenschaften im Wesentlichen von der
Software abhängen (Software Defined Radio). |

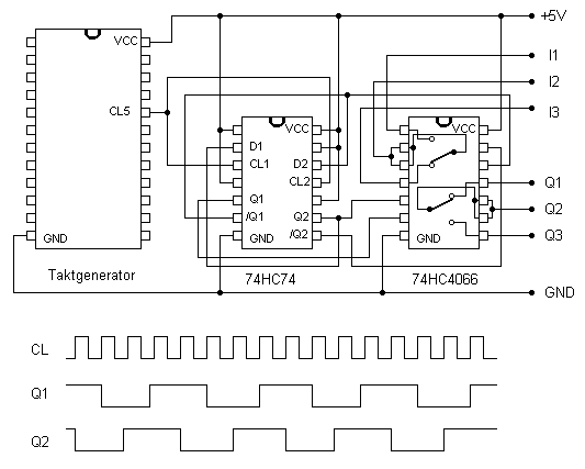
| Zur Erzeugung der phasenverschobenen Oszillatorsignale
wird ein programmierbarer Taktgenerator
mit vierfacher Frequenz verwendet. Ein doppeltes D-Flipflop 74HC74 teilt
die Frequenz durch vier und erzeugt gleichzeitig die Phasenverschiebung.
Jedes D-Flipflip übernimmt bei einer positiven Clock-Flanke den Zustand
an seinem D-Eingang auf den Q-Ausgang. Der /Q-Ausgang ist jeweils zum Q-Ausgang
invertiert. D1 ist mit Q2 verbunden und übernimmt jeweils den alten
Zustand vom Flipflip 2. D2 ist dagegen mit /Q1 verbunden, übernimmt
also den invertierten Zustand vom Flipflop 1. So entstehen phasenverschobene
Signale an Q1 und Q2.
Die Oszillatorsignale steuern vier Analogschalter im 79HC4066, die zu
zwei Umschaltern verbunden sind. Jeder geschlossene Schalter hat bei einer
Betriebsspannung von 5 V einen On-Widerstand von ca. 30 Ohm, was einem
idealen Schalter relativ nahe kommt. Die hohe Arbeitsgeschwindigkeit der
HC-Serie ermöglicht den HF-Einsatz bis weit über 10 MHz.
|

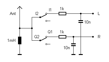
| Ein Empfänger mit dem IQ-Mischer besteht im
einfachsten Fall nur aus einer Antennendrossel und zwei zusätzlichen
Widerständen und Kondensatoren. Eine gute Software für den Empfänger
ist das SDRadio von Alberto (http://digilander.libero.it/i2phd/sdradio/).
Der Screenshot zeigt das Programm beim Empfang eines AM-Senders im 49-m-Band
bei einer Oszillatorfrequenz von 5975 kHz. Rechts sieht man eine DRM-Station.
Der Empfänger arbeitete mit der einfachen Schaltung ganz ohne zusätzliche
Verstärkung an einer 10 m langen Drahtantenne. |

| Für die bequeme Abstimmung des programmierbaren
Quarzoszillators wurde die ursprüngliche Software leicht angepasst.
Die angezeigte Frequenz ist nun die durch vier geteilte Ausgangsfrequenz
des Teilers. Außerdem führt eine neue Einstellung am Frequenz-Schieber
automatisch zu einer Übertragung der Steuerdaten in das RAM des Clockbausteins.
Die Bedienung ist damit ähnlich wie beim DDS-Generator.
Download Clock_iq.exe (Clock_iq.zip,
167KB, update 4.9.06)
|

Literatur: Klaus Raban, IQ-SDR-Minimalsystem für 40/80 m, Funkamateur
9/2006, S. 1040 ff
Siehe auch: Blueberry SDR, von Andre Adrian: http://home.arcor.de/andreadrian/sdr/
|