| Start
Experimente
- I/Q-Mischer
- I/Q-DRM
- Wetterfax
- Antialiasing
- DDS + PLL
- Verstärker
- I/Q mit ICS307
- USB FT232R
- Ferritantenne
Grundlagen
Produkte
Neues
Impressum
|
I/Q-Mischer und DRM

| Der I/Q-Mischer stellt auch einen brauchbaren DRM-Empfänger
dar, denn DREAM ist ebenfalls in der Lage ein I/Q-Signal auszuwerten. Dazu
muss der Parameter "-C 3" übergeben werden. Man kann die
Parameterübergabe für die Desktop-Verknüpfung unter "Eigenschaften"
einstellen: |

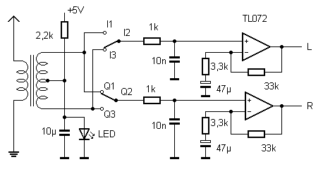
| Der Mischer wurde hier als Balance-Mischer geschaltet,
um eine höhere Störfestigkeit zu ereichen. Ein Breitband-Übertrager
mit 10 : 20+20 Windungen wurde auf einen kleinen Ferritkern gewickelt.
Der nachfolgende 20-dB-Verstärker erhöht die Empfindlichkeit
des Empfängers. |

| Dieser einfache Empfänger zeigt erstaunlich
gute Empfangsergebnisse auf Mittelwelle und auf Kurzwelle. Allerdings kann
noch einiges verbessert werden. Wichtig ist eine gute Soundkarte mit einem
wirksamen Antialiasing-Filter, da es sonst zu Nebenempfangsstellen kommen
kann. Da ein schaltender Mischer prinzipiell auch Obertonmischung aufweist,
ist ein Eingangsbandfilter oder ein Präselektor sinnvoll. Außerdem
ist ein verzerrungsarmer OPV wichtig. Mit einem TL072 konnte bereits ein
um 5 dB besseres SNR im Vergleich zum LM358 beobachtet werden. |

| Mit dem I/Q-Mischer kann eine Spiegelfrequenzunterdrückung
bis etwa 40 dB erreicht werden. Verbindet man nur einen der beiden Kanäle
mit der Soundkarte, entsteht das für einen einfachen Direktmischer
typische Ergebnis. Ein Signal von 12 kHz erscheint sowohl bei +12 kHz als
auch bei -12 kHz. Mit beiden um 90 Grad phasenverschobenen Eingängen
wird dagegen das Wunschsignal angehoben und das Spiegelsignal unterdrückt.
So kann bei einer Abtastrate von 48 kHz allein durch Software ein Band
von 48 kHz abgestimmt werden. |


|