| Start
Experimente
- I/Q-Mischer
- I/Q-DRM
- Wetterfax
- Antialiasing
- DDS + PLL
- Verstärker
- I/Q mit ICS307
- USB FT232R
- Ferritantenne
Grundlagen
Produkte
Neues
Impressum
|
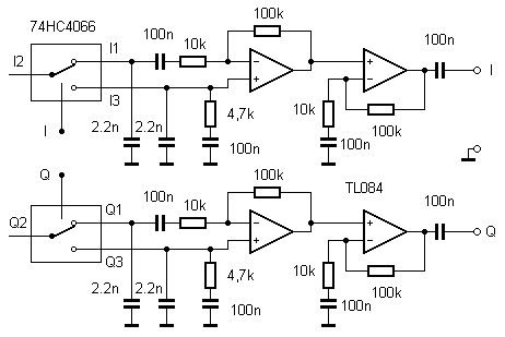
Vorstufe und ZF-Verstärker

| Mit einer optimierten Schaltung erreicht das Software
Defined Radio mehr Empfindlichkeit und eine bessere Spiegelsignalunterdrückung.
Die entscheidenden Schaltungsdetails
wurden bereits vorgestellt. Nun wurde alles auf eine gemeinsame Platine
gesetzt, die bei AK-MODUL-BUS als fertig
bestücktes Modul erhältlich ist. |

| Die HF-Eingangsstufe verwendet einen FET-Sourcefolger
für eine niederohmige Ansteuerung der Mischer. Am Eingang kann wahlweise
eine Breitbandeinstellung, ein Kurzwellen-Hochpassfilter oder ein Mittelwellen-Tiefpassfilter
gewählt werden. Das Tiefpassfilter mit einer Grenzfrequenz von ca.
1,6 MHz hilft gegen Obertonmischung und Störungen durch Kurzwellensignale
beim Empfang von Mittelwellenstationen. |

| Die ZF-Verstärker sind zweistufig mit einer
Gesamtverstärkung von 100 ausgelegt. Der Eingang ist auf gleiche Eingangsimpedanz
aller vier Phasen ausgelegt. Damit wird die Spiegelunterdrückung verbessert.
Der Empfänger erreicht damit leicht eine Spiegelunterdrückung
von 40 dB und mehr. |

| Die Platine passt direkt an den IQ-Mischer.
Zusammen mit dem programmierbaren
Quarzoszillator erhält man einen vollständigen Empfänger
mit Abstimmung über die serielle Schnittstelle. Die Stromversorgung
erfolgt nun der rechten Platine aus über einen Spannungsregler. Die
Schraubklemme am IQ-Mischer bleibt frei, allerdings kann hier 5 V für
eventuelle Zusatzschaltungen entnommen werden. Der Empfänger kann
direkt über G8JCFSDR abgestimmt werden. |
Anschlüsse:

Jumper Antennenfilter:

|