| Start
Experimente
- Röhre EF95
- Verstärker
- Zwei Stufen
- Stereo
- KW-Audion
- 6SH1P
- 2SH27L
- RT100
- Schaltregler
- EF98-Audion
- RT25 - Schmitt-Trigger - Röhre 6K4P - Theremin - Drehkotipps
Grundlagen
Produkte
Neues
Impressum
|
Kleine Familiengeschichte der EF95

| DieEF95 gibt es in zahlreichen
Ausführungen. Der historische Ursprung liegt in der Wehrmachts-Spezialröhre
RV12P2000 mit Außenkontakten. Diese Röhre wurde mit 12V/75mA
geheizt. Sie wurde "falsch herum" in die Fassung gesteckt und
konnte mit einem speziellen Ausziehknopf aus der Fassung gezogen werden.
Die Daten entsprachen schon denen der EF95. Die Anodenspannung war ebenfalls
150V.
Die RV12P2000 wurde im Krieg von der russischen Armee erbeutet und in
veränderter Form als 12SH1L nachgebaut. Die Röhre bekam einen
Loktalsockel und ein geschlossenes Aluminiumgehäuse mit Ausziehknopf.
Der Knopf passt noch genau in die alte RV12P2000. In der UDSSR würden
auch die 6SH1L und die 4SH1L gebaut, die sich von der 12SH1L nur durch
veränderte Heizspannungen unterschieden. (Anwendungsbeispiel aus der
Bastelecke: Das Pentoden-Audion,
dort auch Datenblätter der RV12P2000 und der 12SH1L) In der gleichen
Art wurden auch andere Röhren wie z.B. die 2SH27L
gebaut.
|

| Später wurde die Röhre im Miniatursockel
als 6SH1P gebaut. Gleichzeitig erschien die Röhre im gleichen Kolben
in Japan, Europa und USA als EF95 bzw. 6AK5. Eine Schaltung für die
EF95 kann ebenso gut mit einer 6SH1P aus Russland oder einer 6AK5 aus USA
oder Japan bestückt werden. Alle diese Röhren wurden hauptsächlich
für Luft- und Raumfahrt und Militär, aber auch im zivilen kommerziellen
Bereich z.B. in Funkgeräten eingesetzt. Amerikanische Firmen haben
neben der 6AK5 auch die 5654 für erhöhte Anforderungen gebaut.
|

| Die russische 6SH1P und die amerikanische 5654 sind
übrigens neben der EF95 im Online-Shop von AK MODUL-BUS zu bekommen.
Datenblätter der EF95,
der 5654
und der 6SH1P
findet man ebenfalls im Online-Shop.

Die 6SH1P
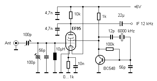
Die folgende Schaltung zeigt einen DRM-Empfänger
mit der EF95. In diesem Fall wurde eine EF95 aus Japan eingesetzt.
Die Schaltung verwendet die Röhre in einer Mischstufe mit einem Transistor-Quarzoszillator
und setzt RTL-DRM2 von 5990 kHz auf 12 kHz um. Die Betriebsspannung beträgt
nur 6 V.
|

Michael Gaetke berschreibt den Einsatz der Röhre in NF-Verstärkern
und speziell in einem Gitarrenverstärker: www.michaelgaedtke.de/6sh1p.html
weiter
zurück
|