MP3-Lautsprecher selber bauen
         

Mini-Aktivbox mit Steckplatine                  

Elektronik-Labor  Literatur  Projekte  Lernpakete  

 
 
 
http://www.elo-web.de/elektronik-lernpakete/bausaetze/mp3-lautsprecher-selber-bauen

Dieser Verstärker-Bausatz mit Steckplatine und allen erforderlichen Bauteilen ist ganz ohne Löten einfach und schnell zusammenzubauen und macht dabei jede Menge Spaß. Hören Sie Ihre Lieblingsmusik mit dem eigenen Verstärker. Einen fertiges Produkt kaufen kann jeder, aber Sie bauen Ihren Verstärker nach Ihren eigenen Anforderungen. Mehrere Schaltungsvarianten werden vorgestellt und erklärt. Auch spezielle Anwendungen sind machbar.  Und am Ende haben Sie nicht nur ein Erfolgserlebnis sondern auch einige neue Erfahrungen im Bereich der Elektronik.
Wir wünschen viel Spaß und Erfolg!
 
 
Der Schnellstart

Für alle, die sich mit den Bauteilen schon gut auskennen, geht es hier gleich zur Sache. Bauen Sie die komplette Schaltung auf und schalten Sie das Gerät ein. Schießen Sie dann mit dem beiliegenden Stereokabel Ihre Audioquelle an und genießen Sie die Musik!



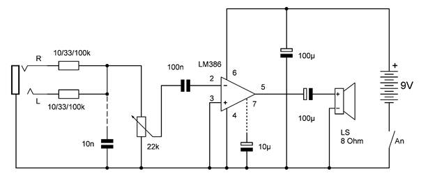
Das Komplettschaltbild zeigt alle Bauteile von der Stereo-Eingangsbuchse bis zum Lautsprecher. An einigen Stellen sind Variationen möglich. So können Sie zum Beispiel die Widerstände austauschen um die Lautstärke anzupassen.  Gestrichelte Verbindungen deuten an, dass diese Bauteile optional verwendet werden können.  Die möglichen Varianten werden weiter unten genauer vorgestellt.



Montagearbeiten

Im Bausatz gibt es ein  Potentiometer (Poti) für die Einstellung der Lautstärke und mit einem Schaltkontakt zum Ausschalten. Montieren Sie das Poti und den Lautsprecher in das Gehäuse. Sichern Sie den Lautsprecher mit einem Tropfen Klebstoff. Kleben Sie dann die Steckplatine zwischen das Potis und den Lautsprecher. Sie hat dazu eine doppelseitige Klebefolie, die mit einer Schutzfolie abgedeckt ist. Ermitteln Sie zunächst die optimale Position der Steckplatine. Entfernen Sie dann die Schutzfolie und kleben Sie die Steckplatine ein. Achtung, die Position muss beim ersten Versuch stimmen und ist dann nur noch zu schwer korrigieren.  Schrauben Sie als letztes noch die Stereo-Klinkenbuchse in das Gehäuse. All diese Bauteile besitzen angelötete Drähte. Vermeiden Sie es, diese Drähte übermäßig oft zu biegen, damit sie nicht abbrechen.



 
Schaltungsaufbau

Kern des Bausatzes ist der integrierte Lautsprecherverstärker LM386 im achtpoligen Gehäuse.  Die acht Beinchen sind zunächst noch etwas gespreizt und müssen parallel ausgerichtet werden. Erst dann lässt sich das IC problemlos in die Steckplatine einsetzen. Beim Einsatz in eine Schaltung muss unbedingt auf die korrekte Einbaurichtung geachtet werden. Eine Markierung an der linken Seite kennzeichnet den Pin 1 und den Pin 8. Wenn Sie es wieder herausnehmen möchten, sollte es vorsichtig mit einem Schraubendreher ausgehebelt werden, damit die Anschlüsse nicht umknicken.  Setzen Sie den Baustein nach Möglichkeit gleich an der richtigen Stelle ein, die nicht mehr verändert werden muss.
Für den Aufbau der Schaltung benötigen Sie einige kurze Drähte. Verwenden Sie dafür den isolierten Schaltdraht. Schneiden Sie mit einer Zange passende Stücke ab und entfernen Sie an den Enden die Isolierung auf einer Länge von etwa 8 mm. Zum Abisolieren der Drahtenden hat es sich als praktisch erwiesen, die Isolierung mit einem scharfen Messer rundherum einzuschneiden. Achtung, dabei sollte der Draht selbst nicht angeritzt werden, weil er sonst an dieser Stelle leicht bricht.

Testen Sie die Schaltung mit einer 9-V-Batterie.  Verwenden Sie im Interesse der Sicherheit beim Experimentieren eine normale Zink-Kohle-Batterie. Eine Alkali-Batterie ist deshalb problematisch, weil sie im Falle eines Kurzschlusses sehr viel Strom liefern kann. Sobald alles erfolgreich getestet ist soll die Batterie mit doppelseitigem Klebeband im Gehäuse befestigt werden.
 
Der erste Versuch zeigt, dass nur sehr wenige Bauteile rund um den LM386 erforderlich sind um einen kompletten Verstärker zu bauen.  Der Pin 4 des ICs liegt am Minuspol der Batterie, der Pluspol ist mit Pin 6 verbunden. Am Pin 5 liegt der Ausgang. Der Lautsprecher wird hier über einen Elektrolytkondensator (Elko) mit 100 µF angeschlossen. Am Pin 5 des LM386 liegt eine mittlere Ausgangsspannung von ca. 4 V. Deshalb muss der Pluspol des Elkos zum IC weisen, der mit einem weißen Balken markierte Minuspol zum Lautsprecher.
Am Pin 2 des ICs liegt der Eingang. Hier ist ein Koppelkondensator mit 100 nF (Beschriftung 104) angeschlossen. Berühren Sie das freie Ende des Drahtes. Aus dem Lautsprecher hören Sie dann leise Störgeräusche wie z.B. ein Brummen oder Summen. Es stammt von den elektrischen Leitungen und Geräten im Raum und wird von Ihrem Körper wie von einer Antenne aufgefangen, verstärkt und hörbar gemacht. Dieser einfache Brummtest ist hilfreiche bei der Überprüfung eines Verstärkers und kann auch später am fertigen Gerät zur Fehlersuche eingesetzt werden. 
 




 
 
Lautstärkeregler und Schalter
 
Schließen Sie nun den Lautstärkeregler und die Klinkenbuchse an. Achtung, verwenden Sie nur zwei Anschlussdrähte der Stereobuchse, GND und L. Der R-Eingang muss frei bleiben. Tatsächlich verwenden Sie nur einen der beiden Stereokanäle, der zweite kommt erst später hinzu.  Achten Sie darauf, dass die Drähte an den Anschlüssen R und L sich niemals berühren, denn dabei könnte Ihr angeschlossenes Gerät überlastet werden.
Beachten Sie die Masseverbindung am Pin 3 des Verstärkers. Der erste Versuch hat zwar gezeigt, dass es prinzipiell auch ohne sie geht, aber der Anschluss des zweiten Eingangs am Pin 3 verhindert Verzerrungen und sorgt für einen besseren Klang.
Beim ersten Versuch wurde die Batterie direkt angeschlossen, was aber für den täglichen Einsatz nicht sehr praktisch ist. Nun soll auch der Schalter am Poti eingebaut werden. Er liegt in diesem Fall in der Minusleitung, weil damit die Verbindungen kurz bleiben. Zusätzlich soll das Batteriekabel eine einfache Zugentlastung erhalten. Zwei kurze Drahtstücke halten das Kabel in Position.  So können Sie verhindern, dass das Batteriekabel sich unbeabsichtigt löst.
 

 



Der Verstärker ist wahrscheinlich in dieser Schaltung noch zu empfindlich und kann leicht übersteuert werden. Später wird eine Anpassung der Verstärkung hinzugefügt. Vorerst aber sollten Sie den Lautstärkeregler nur weinig aufdrehen. Zu viel Aussteuerung bringt starke Verzerrungen.

Stereo-Eingang

Für den richtigen Klang müssen der rechte und der linke Kanal zusammengeführt werden. Bauen Sie dazu zwei Widerstände von 33 kΩ (Farbringe: Orange, Orange, Orange) ein. Damit reduziert sich zugleich die Verstärkung des Geräts. Ob die Aussteuerung nun gerade richtig ist, hängt vom angeschlossenen Gerät ab.

Eine weitere Verbesserung erreichen Sie mit einem zweiten Elko von 100 µF, der parallel zur Spannungsversorgung angeschlossen wird. Beachten Sie die korrekte Polung. Der weiße Balken markiert den Minuspol des Elkos.
 



 
Anpassungen

Ob Sie nun einen MP3-Player, ein Smartphone oder ein anderes Gerät anschließen, kann zu unterschiedlichen Ergebnissen führen. In einem Fall ist der Verstärker vielleicht zu leise, in einem andern Fall neigt er zur Übersteuerung. Dem Bausatz liegen daher unterschiedliche Widerstände bei. Testen Sie alle drei Varianten und finden Sie die beste Einstellung für Ihren Zweck:

10 kΩ (Braun, Schwarz, Orange): Laut
33 kΩ(Orange, Orange, Orange): Mittel
100 kΩ(Braun, Schwarz, Gelb): Leise

Parallel zum Poti liegt ein optionaler Kondensator mit 10 nF (103). Damit können Sie den Klang verändern. Mit eingesetztem Kondensator erhalten Sie eine leichte Absenkung der Höhen. Dies kann den Klang verbessern, weil der relativ kleine Lautsprecher zu einer Überbetonung der Höhen neigt. Der Klang kann übrigens auch durch das Gehäuse beeinflusst werden, das mehr oder weniger geschlossen wird. Testen Sie den Verstärker mit offenem, geschlossenen und teilweise geschlossenen Gehäuse und jeweils mit und ohne den zusätzlichen  10-nF-Kondensator.  Finden Sie die für Sie beste Einstellung.

Ein weiterer Elko mit 10 µF soll am Pin 7 des LM386 angeschlossen werden. In den meisten Fällen führt dies zu keiner Veränderung des Klangs. Der Kondensator verhindert jedoch Verzerrungen und Nebengeräusche, die mit einer schwachen Batterie oder bei Verwendung eines externen Netzteils auftreten können. Nachteile gibt es nicht, sodass Sie den Kondensator in jedem Fall eingebaut lassen können.





 
 
Mehr Verstärkung

Für angeschlossene MP3-Player oder Smartphones reicht die Verstärkung in jedem Fall. Sie können aber auch ganz andere Dinge mit dem Gerät tun und z.B. ein Mikrofon oder eine andere Signalquelle mit geringem Pegel anschließen. Für solche Fälle kann es sinnvoll sein, die Verstärkung noch einmal um den Faktor 10 zu erhöhen. Schließen Sie dazu den 10-µF-Elko zwischen Pin 1 und Pin 8 an. Zusätzlich wird in dieser Schaltung auf die Eingangswiderstände verzichtet, sodass eine reine Mono-Quelle angeschlossen werden muss.
 

 



 
Schaltungstechnik

Wenn man den Verstärker genau verstehen will hilft ein Blick ins Datenblatt. Die Innenschaltung zeigt einen Gegentaktverstärker mit einer Differenzverstärker-Vorstufe. Die beiden Ausgangstransistoren bilden die Gegentaktendstufe, wobei bei hoher Aussteuerung immer nur einer der beiden Transistoren leitet. Ohne Aussteuerung fließt nur ein geringer Ruhestrom, sodass die Batterie geschont wird. Der optionale Bypass-Kondensator am Pin 7 glättet die Betriebsspannung für die Vorstufe.
 

 
(Quelle: National Semicinductor)
 
In der Eingangsstufe arbeiten zwei PNP-Darlington-Paare in einer Differenzstufe. Die mittlere Eingangsspannung ist Null, der Eingangswiderstand beträgt 50 kΩ. Man erkennt, dass ein Eingang offen bleiben darf. Die Spannungsverstärkung ergibt sich aus der Gegenkopplung  über zweimal 15 kΩ vom Ausgang im Verhältnis zu 1,5 kΩ zwischen den Emittern der Eingangsstufe und beträgt 20-fach (26 dB). Überbrückt man die Anschlüsse 1 und 8 mit einem Kondensator ergibt sich ein weiterer Faktor 10 (1,5 kΩ / 150 Ω). Die Verstärkung beträgt dann 200-fach (46 dB).

 



Einbautipp



Am Wochenende habe ich den Verstärker zusammen mit meinem Nachbarn und seinem Sohn aufgebaut. Aber plötzlich gab es ein Problem: Wo soll denn das Steckboard angeklebt werden? Offensichtlich ist der Platz zwischen Lautsprecherhalter und Poti zu eng. Ich war von einer um 90 Grad gedrehten Einbaurichtung des Halters ausgegangen, aber die Gehäuse wurden anders gebaut.

Also erst mal alles zusammenstecken, dann finden wir schon eine Lösung. Und tatsächlich, am oberen Rand fand sich der richtige Platz. Man muss aber ganz nah an den Lautsprecher heran. Nur so hat man links noch einen Abstand zum linken Rand des Gehäuses, damit der Deckel geschlossen werden kann.


Zusatzexperiment: Ein Kurzwellendetektor mit Nachverstärker



Der Lautsprecherverstärker eignet sich als NF-Verstärker für einen einfachen Detektorempfänger. Hier wurde ein Kurzwellendetektor gebaut. Die Schwingkreisspule hat 20 Windungen mit einer Anzapfung bei Windung 3 als Antennenanschluss. Das führt zu einer geringen Dämpfung und hohen Schwingkreisgüte. Die Germaniumdiode ist am heißen Ende des Kreises angeschlossen. Am NF-Ausgang liegt ein Kondensator mit 470 pF parallel gegen Masse. Das Radio wurde mit Erdanschluss und einer langen Außenantenne betrieben. Mit dem Detektor gelang der Fernempfang von Radio China direkt aus China, also ohne Relaisstation.

Youtube-Video: http://youtu.be/vzztGYRqnxM


Elektronik-Labor  Literatur  Projekte  Lernpakete