
Der Gewitterwarner
zum Selberbauen

Der Gewitterwarner im Roboternetz-Produktcheck: http://youtu.be/Z2uxbhrbuqw
Testbericht von Wolf-Dieter Roth: neuerdings.com/2014/08/26/franzis-gewitterwarner-bausatz-test
Testbereicht von Mark Hoppenstedt: https://www.youtube.com/watch?v=MusNfcEAegg
Der Gewitterwarner bei Das |_ Team Drei Monate Batteriebetrieb mit M-Unit 1.1
Mit Gewittern ist nicht zu spaßen! Abgesehen von den
tödlichen Gefahren des Blitzschlags sind auch die Sturm- und Wasserschäden
erheblich. Manchmal kann man nicht viel dagegen tun. Aber eine frühe Warnung
ist oft hilfreich. So können Sie rechtzeitig Ihre Gartenparty ins Haus
verlagern, die Fenster schließen, empfindliche Geräte vom Netz trennen und Ihre
Haustiere in Sicherheit bringen. Auch auf Wanderungen, beim Wassersport, für
Segelflieger und Paraglider kann eine rechtzeitige Warnung wichtig sein. Zwar
sieht der Wetter-Erfahrene schon an Wolkenformationen was kommen wird, aber
eben oft nicht weit genug.
Bauen Sie sich Ihren eigenen Gewitterwarner! Damit können
Sie auch entfernte Gewitter erkennen. Sie erhalten drei Warnstufen und können
selbst entscheiden was zu tun ist. Das Gerät wertet die elektromagnetischen
Impulse eines Gewitters aus und hat damit eine größere Reichweite als es mit
der normalen Wolkenbeobachtung möglich ist. Diese Signale kann man auch mit
einem ganz normalen Radio auf Lang- oder Mittelwelle hören. Das
charakteristische Knistern verrät einiges über ein nahes Gewitter. Ihr Gerät
enthält ebenfalls einen Radioempfänger, dessen Signale allerdings nicht direkt
gehört werden, sondern von einem Mikrocontroller ausgewertet werden.
Stellen Sie Ihr Gerät einfach ans Fenster und lassen Sie es
den Sommer über eingeschaltet. Die Batterielebensdauer ist für ein halbes Jahr
ausgelegt, sofern nur relativ selten ein Gewitter aufkommt. Irgendwann leuchtet
die grüne LED und zeigt Ihnen, dass es vermutlich ein Gewitter in der Nähe
gibt. Bei der gelben Warnung sollten Sie überlegen, was zu tun ist. Und
spätestens wenn die rote LED leuchtet müssen die letzten Sicherungsmaßnahmen
durchgeführt werden.
Spannend sind auch die zusätzlichen Experimente. Sie können
nachträglich sehen, ob in der vergangenen Nacht ein Gewitter vorbeigezogen ist.
Oder Sie beobachten Gewitter in größerer Entfernung und vergleichen ihre
Ergebnisse mit Wetterkarten im Internet. Auch ein Simulationsmodus ist
vorhanden, mit dem Sie die Funktion des Geräts jederzeit überprüfen können.
Bauteile
1 SMD-bestückte Platine
1 Empfängerbaustein TA7642
1 Spule mit 220 µH
2 grüne LEDs
1 rote LED
1 gelbe LED
1 Widerstand 22 kΩ (Rot, Rot,
Orange)
1 Widerstand 100 kΩ (Braun, Schwarz, Gelb)
1 Piezo-Schallwandler
1 Pfostenstecker, 3 * 2 Kontakte
2 Jumper-Stecker
1 Batteriefach 2 x 1,5 V
Technische Daten
Betriebsspannung: 3 V
Ruhestrom: 1 mA
Stromaufnahme im Warnzustand: 5 mA
Empfangsfrequenz: 500 kHz
Mikrocontroller: HT46F47
LED 1 (G): Grün, Warnstufe 1, 20-40 km
LED 2 (Y): Gelb, Warnstufe 2, 10-20 km
LED 3 (R): Rot, Warnstufe 3, nahes Gewitter
LED 4 (Bl): Grün, Blitzanzeige
Lautsprecher: Piezokristall
Jumper 1: Hohe Empfindlichkeit für ferne Gewitter
Jumper 2: Simulationsmodus
Jumper 3: Speicherfunktion für erreichte Warnstufe
M1, M2: Alternative Anschlüsse für ein Drehspulmesswerk
PM, PS, P+: Alternative Anschlüsse für ein Lautstärkepoti
Aufbau
Der Bausatz enthält eine vollständig bestückte SMD-Platine,
an die nur noch wenige Bauteile gelötet werden müssen.
Beginnen Sie mit dem AM-Radio-IC TA7642 (IC2) im dreipoligen
Transistorgehäuse. Der Platinen-Aufdruck zeigt die Einbaurichtung. Löten Sie
die Spule an die Anschlüsse SP und SP-, die Polung ist beliebig. Bauen Sie
auch den sechspoligen Pfostenstecker Jp1 bis JP3 ein.
Kontrollieren Sie abschließend die Lötstellen auf der
Unterseite auf mögliche Kurzschlüsse oder fehlende Verbindungen.
Bauen Sie dann die vier LEDs G (grün), Y (gelb) R (rot) und
Bl (Blitzanzeige, ebenfalls grün) ein. Der Minuspol ist jeweils die Kathode und
damit der kürzere Anschluss der LEDs. Der längere Anschluss wird mit dem jeweiligen
Plus-Pol verbunden. Bauen Sie die LEDs stehend mit langen Anschlüssen ein, weil
sie für den Einbau umgebogen werden müssen.
Biegen Sie die LEDs passend um, damit sie in die Löcher des
Gehäuses gesteckt werden können. Zunächst reicht es, wenn die LEDs die Platine
festhalten. Später sollte die Platine zusätzlich mit doppelseitigem Klebeband
oder mit Klebstoff oder Heißkleber fixiert werden.
Löten Sie den Piezo-Schallgeber an die Anschlüsse LS+ und
LS-. Befestigen Sie den Schallgeber auf dem Karton mit Klebeband oder Klebstoff.
Der Schallgeber nutzt den gesamten Karton als Membran. Dazu ist es günstig,
wenn die gesamte Grundfläche mit dem Karton verklebt ist. Er soll so nahe bei
der Platine befestigt werden, dass eine die Leitungen in die Nähe der
Empfangsspule gelegt werden kann. Dies ist wichtig für den Simulationsmodus des
Geräts.
Löten Sie einen Widerstand mit 100 kΩ an die
Anschlüsse P+ und PS. Damit wird eine große Lautstärke des Signaltons
eingestellt. Später kann die Lautstärke individuell angepasst werden. Löten Sie
das Batteriefach an, wobei das rote Kabel an Bat+ kommt, das schwarze an Bat-.
Damit ist das Gerät fertig aufgebaut. Einen Ein/Aus-Schalter gibt es nicht,
weil die Batterien das Gerät länger als ein halben Jahr betreiben können.
Der erste Test
Legen Sie zwei Mignon-Batterien mit zusammen 3 V ein.
Verwenden Sie beim ersten Test zur Sicherheit nur normale Zink-Kohle-Batterien,
aber keine Alkalizellen und keine Akkus, weil diese im Fehlerfall einen großen
Kurzschlussstrom liefern können, der sogar Drähte zum Glühen bringen könnte.
Erst später, wenn alle Tests erfolgreich durchgeführt wurden, können auch
Alkali-Batterien verwendet werden, die eine längere Betriebsdauer garantieren.
Mit dem Einlegen der Batterien schalten Sie das Gerät ein. Die
grüne Blitz-LED leuchtet etwa eine Sekunde lang auf und geht dann aus. Damit
ist die grundsätzliche Funktion bereits getestet. Der Mikrocontroller auf der
Platine hat die Betriebsspannung und die Verstärkung der Empfängerschaltung
überprüft und passend eingestellt. An der Länge des Testlaufs können Sie
erkennen wie voll Ihre Batterie ist. Bei abnehmender Batteriespannung wird er
deutlich länger. Falls die grüne LED später einmal beim Einschalten bzw.
Einlegen der Batterien länger als drei Sekunden leuchten sollte, müssen die
Batterien ausgetauscht werden. Bei sehr geringer Spannung leuchtet die LED
andauernd, d.h. der Testlauf kann nicht beendet werden. Achtung, das
Einschalten des Geräts und damit der Testlauf sollte nicht gerade während eines
aktiven Gewitters vorgenommen werden, weil damit eine falsche Verstärkung
eingestellt wird. Das Gerät misst nämlich den Unterschied zwischen Ruhe und
Gewitter und stellt sich auf einen mittleren Ruhepegel der empfangenen
elektromagnetischen Signale ein. Genauso kann die Einstellung in einem stark
gestörten Umfeld in der Nähe elektrischer Geräte zu einer ungünstigen
Einstellung führen.
Testmodus
Das Gerät ist nun bereit. Wahrscheinlich ist gerade kein
Gewitter in Sicht. Sie können aber einzelne Blitze selbst simulieren. Stecken
sie dazu einen Kontaktstecker (Jumper) auf die Position 2. Aus dem Lautsprecher
hören sie ein leises Knistern, die Simulation eines Gewitters. Nun kommt es darauf
an wo die Drähte zum Schallwandler liegen. Wenn beide Drähte genau parallel liegen
und weit entfernt von der Empfangsspule sind, haben sie keine weitere Wirkung.
Wenn sie aber in der Nähe der Empfangsspule verlegt sind oder sogar als
Schlaufe um die Empfangsspule gelegt werden, entstehen magnetische Impulse wie
bei einem Gewitter. Nun werden Blitze erkannt. Die grüne Blitz-LED leuchtet
regelmäßig auf, und aus dem Schallwandler hört man Signaltöne.
Sie sehen ein regelmäßiges Blitzen der grünen LED, ähnlich
wie es bei einem späteren realen Gewitter auch zu beobachten sein wird. Testen
Sie die Reichweite der simulierten Blitze, indem Sie die Drähte in eine andere
Position bringen. Noch im Abstand von einigen Zentimetern zwischen Draht und
Spule sollten die künstlichen Blitze erkannt werden. Durch die
Lautsprecherdrähte fließen kurze Stromimpulse. Um die Drähte herum entstehen
dann elektromagnetische Signale, ähnlich wie bei einem Gewitter. Wirkliche Blitze
liefern Impulse mit sehr viel größerer Stromstärke und entsprechend größerer
Reichweite.
Warnstufen
Lassen Sie den Test einige Zeit laufen. Nach wenigen
Sekunden schaltet sich die grüne LED ein, die erste Warnstufe. Nach weiteren zehn
Sekunden leuchtet die gelbe LED und zeigt damit die zweite Warnstufe. Nach insgesamt
einer halben Minute leuchtet die rote und letzte Warnstufe. Ausgewertet wird
die mittlere Anzahl der Blitzimpulse pro Minute. Schalten Sie nun den
Simulationsmodus aus, indem Sie den Jumper abziehen. Damit geht die Warnung im
Verlauf einiger Minuten langsam wieder zurück. Das simulierte Gewitter zieht
ab.
Im normalen Betrieb wird kein Jumper gesetzt. Falls nun ein
typisches Sommergewitter in einer Entfernung von 20 km bis 30 km auftaucht,
sehen Sie in unregelmäßigen Abständen das grüne Blitzen und hören die
Blitz-Signaltöne. Aber auch andere Signalquellen erzeugen elektromagnetische
Impulse, die denen eines Gewitters ähneln. Betätigen Sie zum Beispiel mehrfach
hintereinander in schneller Folge einen Lichtschalter und halten Ihren
Gewitterdetektor in die Nähe des Schalters. Das Gerät erkennt nun einzelne Blitze.
Wenn Sie den Schalter allerdings nur selten betätigen,
werden keine Blitze erkannt. Der Mikrocontroller wertet im Normalfall keine
Einzelimpulse aus. Erst wenn mindestens zwei Impulse in einer Sekunde erkannt
werden, gilt dies als Hinweis auf einen Blitz. Tatsächlich wird nämlich jeder
Blitz von einer Vielzahl einzelner Entladungen begleitet. So lassen sich echte
Gewittersignale von vielen künstlich erzeugten Impulsen unterscheiden. Anders
sieht es allerdings aus, wenn ein Gerät eine Dauerserie von Störimpulsen
erzeugt. Dies kann bei Türklingeln älterer Bauart vorkommen, aber auch bei
schlecht entstörten Elektromotoren oder bei Benzinmotoren, deren Zündsystem
Störimpulse aussenden kann. Diese Art von Störungen wird zwar als
Gewitterereignis gewertet und löst grüne Blitzimpulse aus, aber sie dauern
meist nicht lange genug, um eine Warnstufe zu erreichen.
Empfindlicher Modus
Stecken Sie nun den Jumper in die Position 1. Damit wird ein
hoch empfindlicher Modus eingeschaltet, der dazu dient, auch weit entfernte
Gewitter zu erkennen. Während bei einem nahen Gewitter immer mehrere
Teilentladungen pro Blitz erkannt werden, empfängt das Gerät bei einem Gewitter
in 100 km Entfernung oder mehr nur noch einen einzelnen Impuls des
Hauptblitzes. Die genaue Reichweite ist nicht bekannt, weil es sehr kleine und
sehr große Blitze gibt. Testen Sie den empfindlichen Modus wieder mit einem
Lichtschalter. Diesmal werden auch einzelne Impulse ausgewertet.
Wenn Sie den Jumper 1 im laufenden Betrieb aufstecken,
ändert sich nur die Art der Impulsauswertung. Jetzt werden auch Einzelimpulse
gezählt, während im Normallfall immer mindestens zwei Impulse vorhanden sein
müssen um als Gewittersignal gewertet zu werden. Wenn Jumper 1 beim Einschalten
schon gesetzt ist, wird zusätzlich die Empfindlichkeit höher eingestellt. Starten
Sie das Gerät neu, indem Sie es einmal aus- und erst nach einer Minute wieder
einschalten, also die Batterien neu einlegen. Dann ist der Gewitterwarner auf
den Empfang ferner Blitze vorbereitet.
Speichermodus
Testen Sie nun auch den Speichermodus mit aufgesetztem
Jumper 3. Eine einmal erreichte Warnstufe bleibt dann gespeichert, die zuletzt
eingeschaltete LED bleibt an. Wenn Sie diesen Modus verwenden und in der Nacht
ein Gewitter vorbeizieht, können Sie am nächsten Morgen noch sehen welche Stufe
erreicht wurde. Sie sehen z.B. die gelbe LED und wissen dann, dass irgendwann
ein relativ nahes Gewitter erkannt wurde. Beachten Sie bitte, dass dies mit
einem erhöhten Energieverbrauch verbunden ist, weil zusätzlich der
Betriebsstrom der LED aufgebracht werden muss. Im Speichermodus halten die
Batterien deshalb nicht so lange.
Testen Sie den Speichermodus zusammen mit dem Test-Jumper an
der Position 2. Sie erkennen einzelne Blitze und nach einiger Zeit die grüne
Warnung. Ziehen Sie dann den Jumper 2 ab um den Testmodus zu beenden. Anders
als sonst üblich schaltet sich die grüne LED auch nach längerer Zeit nicht ab.
Stecken Sie erneut den Jumper an der Position 2 auf. Nach längerer Zeit
wechselt die Warnstufe in die nächsthöhere Stufe, auf Gelb oder sogar Rot.
Auch diese Stufe bleibt angezeigt, solange Jumper 3 gesetzt ist. Ziehen Sie den
Jumper 3 ab, wird sofort die tatsächliche Warnstufe angezeigt. Nach längerer
Zeit geht die Warnung wie üblich ganz aus.
Lautstärkeeinstellungen
Während der Signalton für die ersten Tests sehr nützlich ist,
kann er im Dauereisatz eher störend wirken, besonders wenn auch einzelne
Störimpulse technischer Natur vorkommen. Deshalb hat die Platine einen
Anschluss für ein optionales Lautstärkepoti mit den Anschlüssen PM (Masse), PS
(Schleifer, Mittelanschluss) und P+ (+3 V). Die Spannung am Mittelanschluss PS
wird vom Mikrocontroller gemessen und in eine Lautstärkeeinstellung umgesetzt. Mit
dem einzelnen Widerstand zwischen P+ und PS wurde die größte Lautstärke mit
einem deutlichen Piepston gewählt.
Lötet man einen Widerstand zwischen PM und PS, dann ist der
Ton ganz abgeschaltet (A). Mit einem Spanungsteiler aus zwei Widerständen
simuliert man eine mittlere Poti-Einstellung. Statt eines Piepstons erhält man
dabei nur noch Einzelimpulse, die als mehr oder weniger laute Knacktöne hörbar
werden. Die Variante C ist dabei lauter als die Variante B. Die Schaltung D
schließlich ist die ursprüngliche Version mit einem Piepston. Die Blitzimpulse
im Simulationsmodus sind von diesen Einstelllungen unabhängig und bleiben
erhalten.
Der Gewitterwarner im Einsatz
Stellen Sie den Gewitterwarner in die Nähe eines Fensters
mit möglichst viel Abstand zu elektrischen Leitungen und Geräten auf. Legen
Sie die Batterien erst am Einsatzort ein, damit sich das Gerät optimal auf den
dort herrschenden Störpegel einstellen kann. Beobachten Sie das Gerät zuerst zu
einer Zeit, in der weit und breit kein Gewitter in Sicht ist. Falls dennoch
Impulse erkannt werden, muss es sich um technisch bedingte Störimpulse handeln.
Versuchen Sie einen Eindruck von den Störquellen zu bekommen, damit Sie spätere
Warnmeldungen besser einordnen können. An den meisten Orten wird man einzelne
Impulse erhalten, die jedoch nicht ausreichen um die erste Warnstufe zu
erreichen. Falls Sie häufige Impulse auf bestimmte Geräte wie Telefone oder
Fernsehgeräte zurückführen können, suchen Se nach einem besseren Aufstellort.
Stellen Sie das Gerät an einem möglichst störungsfreien aber
gut sichtbaren Ort auf, sodass Sie jederzeit rechtzeitig auf ein nahendes
Gewitter aufmerksam werden. Im Normalfall kann es viele Monate lang ohne
Batteriewechsel im Einsatz bleiben. Besonders in den Sommermonaten kann ein
Gewitter sehr plötzlich auftreten. Ihr Gewitterwarner liefert dann die
Vorwarnung, oder auch die Entwarnung, wenn ein Gewitter mit genügend Abstand an
Ihnen vorbeizieht. Bei einer typischen Gewitterfront stehen die Warnstufen
Grün, Gelb und Rot ungefähr für 50 km, 30 km und 10 km Abstand zum Gewitter
Im Internet finden Sie Seiten zur Wetterbeobachtung,
beispielsweise zum Regenradar und zur Blitzortung. Verschaffen Sie sich bei
passenden Wetterlagen einen Überblick über Entfernung aktueller Gewitter.
Vergleichen Sie diese Ergebnisse mit den Warnmeldungen Ihres Geräts. So
entwickeln Sie ein besseres Gefühl für die Beurteilung der LED-Anzeigen. Tatsächlich
ist es technisch nicht möglich, jede Gefahr vorauszuerkennen. Der
sprichwörtliche Blitz aus heiterem Himmel kann nicht im Voraus erkannt werden.
Umgekehrt werden breite Gewitterfronten im Normalfall zuverlässig erkannt.
Legen Sie geeignete Vorsichtsmaßnahmen fest. Sinnvoll ist
z.B. eine erhöhte Wachsamkeit bei der Warnstufe Grün. Rechnen Sie mit Regen und
Sturm ab Stufe Gelb und bringen Sie ihre Gartenmöbel und Haustiere in
Sicherheit. Spätestens bei der höchsten Warnstufe sollten Sie elektrische
Geräte wie Fernseher und Computer abschalten und möglichst auch Antennenkabel
und Netzwerkkabel trennen, denn alle langen Leitungen erhöhen die Gefahr von
Beschädigungen durch Überspannungen bei einem Gewitter. Dabei reicht es schon, wenn
ein Blitz in der Nähe einschlägt. In allen elektrischen Leitungen und Kabeln
werden dann gefährliche Spannungsimpulse erzeugt.
Nehmen Sie Ihren Gewitterwarner auch zu Ihren
Freizeitaktivitäten im Freien mit. Auf Wanderungen oder beim Baden in Seen
oder im Meer, beim Wassersport, für Segelflieger und Paraglider kann eine
rechtzeitige Gewitterwarnung entscheidend sein.
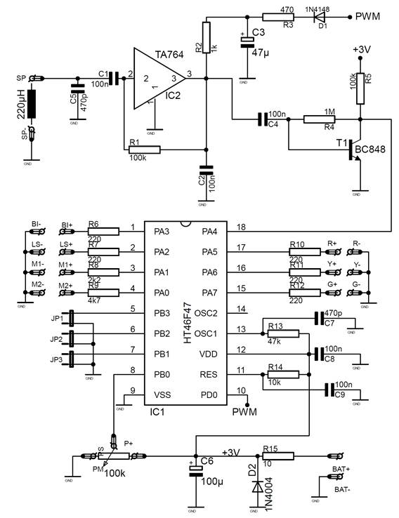
Schaltungsbeschreibung
Der Gewitterwarner verwendet einen integrierten AM-Empfänger
TA7642 zusammen mit einer fest auf 500 kHz abgestimmten Mini-Ferritantenne in
Form einer Festinduktivität. Das IC besitzt eine sehr große Verstärkung, die in
weiten Grenzen vom Betriebsstrom abhängt. Die Versorgungsspannung für den
Empfänger wird daher vom Mikrocontroller über ein geglättetes PWM-Signal
geliefert. So kann die Verstärkung bei der Initialisierung der Schaltung
passend eingestellt werden. Zugleich werden dabei Unterschiede in der
Batteriespannung ausgeglichen.
Das NF-Signal des Empfängers wird mit einem Transistor ca.
100-fach verstärkt. Das verstärkte Signal gelangt dann an den Eingang PA4 des
Mikrocontrollers, der als Impulszählereingang verwendet wird. Der Ruhepegel am
Kollektor von T1 liegt bei ca. 0,6 V und damit deutlich unter der
Auslöseschwelle des Zählers von ca. 1,5 V. Damit werden verstärkte Impulse
ausgewertet, die mindestens 1 V über dem Ruhepegel liegen.
Der 500-kHz-Empfänger empfängt immer ein Grundrauschen, das teilweise
vom atmosphärischen Rauschen stammt und teilweise vom Eigenrauschen des TA7642.
Gewitterimpulse sollen gewertet werden, wenn sie deutlich aus diesem
Grundrauschen herausragen. Dies gelingt durch eine automatische Einstellung der
Verstärkung. Nach dem Neustart erhöht der Controller seine PWM-Ausgangsspannung
langsam und kontinuierlich, bis das Grundrauschen den Zähler anspricht. Dann
wird die PWM-Spannung um einen gewissen Betrag verringert. Damit ist die
Gesamtverstärkung optimal eingestellt. Die Initialisierung dauert länger, wenn
die Batteriespannung geringer wird und gelingt noch bis herab auf 2,6 V.
Alle LED-Ausgänge des Mikrocontrollers besitzen
Vorwiderstände von 220 Ω. Der Lautsprecher-Ausgang hat ebenfalls einen
Vorwiderstand von 220 Ω, sodass statt des Piezo-Schallwandlers auch ein
dynamischer Lautsprecher angeschossen werden kann. Zusätzlich gibt es an PA0
und PA1 Ausgänge zum Anschluss eines Drehspulmesswerks. Die Widerstände 2,2
kΩ und 4,7 kΩ bilden einen einfachen Digital-Analogwandler mit
einer Auflösung von zwei Bit, also vier Anzeigestufen. Alle Ausgänge werden
über die Firmware des Mikrocontrollers in Abhängigkeit von der Anzahl der
empfangenen Impulse gesteuert. Die Eingänge an den Jumpern JP1 bis JP3
arbeiten mit internen Pullup-Widerständen und haben im Ruhezustand einen
High-Zustand. Der Poti-Eingang ist hochohmig und darf nicht frei bleiben.
Die Batteriespannung gelangt über einen Schutzwiderstand von
10 Ω an den Mikrocontroller. Eine antiparallele Diode schützt die
Schaltung gegen Falschpolung. Im Gegensatz zu einem Verpolungsschutz mit einer
Diode in Reihe zur Batterie hat man im Ruhezustand nur einen sehr geringen
Spannungsabfall von 10 mV, weil der Ruhestrom etwa 1 mA beträgt. Wenn eine der
LEDs leuchtet, erhöht sich der Spannungsabfall am Schutzwiderstand auf etwa 50
mV.
Erweiterungen
Die Platine bietet zahlreiche Möglichkeiten für
Erweiterungen. Sie können Ihr Gerät individuell gestalten. Schließen sie z.B.
ein Poti als Lautstärkeregler an. Alle Potis zwischen 10 kΩ und 100
kΩ sind dafür geeignet. Falls Sie ein Poti mit Schalter verwenden, können
Sie zusätzlich den Pluspol des Batteriefachs über den Schalter leiten. Der
Vorteil liegt vor allem darin, dass Sie für einen Neustart des Geräts die
Batterien nicht herausnehmen müssen.
Statt des Piezo-Schallwandlers kann ein dynamischer
Lautsprecher mit einem Widerstand von 8 Ohm oder mehr angeschlossen werden.
Damit erreichen Sie eine größere Lautstärke.
Als Alternative zur Anzeige über drei LEDs kann die
Warnstufe auch über ein Messwerk mit ca. 2 mA Endausschlag angezeigt werden.
Geeignet ist z.B. das Messwerk, das in zahlreichen Franzis-Radiobausätzen und
in einigen Franzis-Lernpaketen verwendet wurde. Das Messgerät kann auch zusammen
mit den Warn-LEDs verwendet werden. Ohne die LEDs hat man den Vorteil eines
geringeren Stromverbrauchs im Warnzustand.
Noch weniger Strom für die Anzeige braucht eine Variante mit
zwei LEDs an den Messwerk-Ausgängen. Man hat dann eine binäre Anzeige für die
einzelnen Warnstufen (01, 10, 11).
Am Ausgang M1 kann auch ein digitales Signal abgenommen
werden, das die Schaltstufen zwei und drei zusammenfasst. Hier könnte man eine
externe Warneinrichtung anschließen. Geeignet wäre z.B. eine
Transistor-Schaltstufe mit einem Relais.
Nachtrag: Relais-Schaltstufe
Eine
Frage von Mark-Oliver van Druten: Ich habe vor ein paar Tagen Ihren
"Gewitterwarner" erworben und finde die Idee phantastisch, da man
in der Tat auf Mittelwelle (wie die hier genutzten 500 kHz) bzw.
Langwelle die Gewitter immer schon gut ankommen "hören" konnte und man
es nun mit diesem Gerät sehr elegant angezeigt bekommt. Allerdings
möchte ich gerne noch die zusätzliche Möglichkeit nutzen und eine
externe Warneinrichtung mittels Relais anschließen. Wie kann ich das
mit einem Relais umsetzen und welche Bauteile mit welchen Werten
müssen dann wo angeschlossen werden?
Hier
ein Vorschlag für ein 12-V-Relais. Den 10-k-Widerstand könnte man sogar
weglassen, weil am Ausgang M1+ schon ein Widerstand mit 2,2 k eingebaut
ist. Mit dem Widerstand ist die Schaltung allerdings universeller und
auch für andere Zwecke einsetzbar. M1- ist übrigens der
Masseanschluss der Schaltung, der auf der Gewitterplatine mit dem
Minus-Anschluss der Batterie verbunden ist. Eine zusätzliche
Versorgung mit einem 12-V-Netzteil ist erforderlich, weil man nur
schwer ein Relais für 3 V findet. Eine ähnliche Relais-Schaltung findet
man übrigens in Elexs:
http://www.elexs.de/zeit3.htm
Link-Hinweis
Im
Elektronik-Labor wurden bereits viele Lösungen für unterschiedliche
Gewitterwarner vorgestellt. So kann jeder sein eigenes Gerät bauen oder
entwickeln, entweder rein elektronisch oder mit
einem Mikrocontroller. Ich danke allen Autoren, die sich an dieser
Entwicklung beteiligt haben. Viele Details des Franzis-Gewitterwarners
wurden von Ihren Ideen mit beeinflusst.
Übersicht der Gewitterwarner-Projekte
Ein Hinweis von Frank (www.roboternetz.de):
Man könnte es noch etwas verbessern indem man akustische Rückmeldung
auf gelben und roten Alarm beschränkt. Störimpulse würden dann
nicht so nerven und man würde dann dem Warner mehr Beachtung schenken
wenn Gewitter mit höherer Wahrscheinlichkeit auch kommt.
Mit
einem zusätzlichen Transistor ist das machbar. Er wird vom Ausgang M1+
angesteuert. Der erforderliche Basiswiderstand von 2,2 kOhm ist schon
auf der Platine und diente eigentlich dazu ein Messwerk anzusteuern.
Die Schaltung entspricht ansonsten dem Relais-Interface oben, das
ebenfalls bei Stufe Gelb und Rot anspricht. Der Piezo-Summer wird
an der Masseseite abgelötet und an den Kollektor gelegt. Das ist eine
Besonderheit für einen NPN-Transistor, denn er schaltet nun einen
Wechselstrom, jedenfalls wenn der Piezo-Schallwandler verwendet wird
(Ein dynamischer Lautsprecher ginge auch). Das funktioniert bei
ausreichend großem Basisstrom und wurde auch schon in anderem
Zusammenhang so gemacht (vgl. AGC in der Taschenlichtorgel).
An den Poti-Anschlüssen liegt diesmal nur ein Widerstand oder auch ein
Draht, sodass das (nicht vorhandene) Poti voll aufgedreht ist und der
Signalton erscheint. Man erhält dann einen Piepston für jeden Blitz.
Aber nur, wenn bereits eine höhere Gewitterstufe erreicht ist.
Der
Umbau hat sich bewährt. Durch den Warnton wird man auf die Warnstufe
aufmerksam. Und zusätzlich erhält man durch die Häufigkeit der Töne
einen Eindruck von der Schwere des Gewitters. Aber bei gutem
Wetter wird man nicht durch unnötige Warntöne belästigt.
Änderung der Empfindlichkeit, von M. Krahn
Endlich
habe ich mit dem Gewitterwarner via Franzis das Gerät gefunden, das mir
automatisch per Relais wichtige Leitungen außerhalb des Hauses
abkoppelt, um Induktionsspannungen zu minimieren! Allerdings ist
das Gerät zu empfindlich für meine Zwecke: ein
kräftigeres
Gewitter vermag bei mir schon in 30km Entfernung, wenn ich also nicht
einmal den Donner höre, den roten Alarm auszulösen. Daher die
Frage: Wie kann ich elegant die Empfindlichkeit herunterregeln, ohne sonst an der Funktion etwas zu ändern?
Antwort: Die Empfindlichkeit steigt schon an, wenn man das Gerät nur erdet oder mit
andern Leitungen verbindet. Man könnte einen Widerstand parallel zur Spule
schalten, um den Empfang weniger empfindlich zu machen. 10 kOhm habe ich
getestet, aber das gab noch keinen deutlichen Unterschied. Mit 1 kOhm braucht
man deutlich stärkere Signale. Irgendwo in dem Bereich könnte es vielleicht
passen.
Blaue Blitz-LED
Mancher würde gern die grüne Blitz-LED durch eine blaue oder weiße LED
ersetzen. Allerdings verträgt sich das nicht gut mit der
Batterieversorgung von 3 V. Zumindest wenn die Batterie schwächer wird,
reicht die Spannung nicht mehr aus. Aber es geht mit einem Trick: Mit
einem zusätzlichen Elko von 47 µF und einem zusätzlichen Widerstand mit
220 kOhm kann man eine Vorspannung an die LED legen und die Impulshöhe
vergrößern. Es ist dasselbe Verfahren, das auch schon beim Ewigen Blinker angewandt wurde.
Siehe auch:
Gewitterwarner ganz klein
Steampunk-Gewitterwarner "Fulgur-Meter"