
Tunneldioden
Schon immer war ich neugierig, mal eine Tunneldiode in Händen zu
halten. Bei Ebay konnte ich 2022 welche aus Russland finden. Der nette
Händler hat mir noch zwei Ge-Transistoren GT402 dazugelegt, die bis 500
mA schaffen und in NF-Endstufen verwendet wurden.
Eine der Dioden habe ich erstmal an den Komponententester des Oszis
gehalten. Man sieht den absteigenden Bereich mit einem negativen Innenwiderstand,
der hier blitzschnell übersprungen wird. Damit kann man natürlich einen
Oszillator bauen.
Gesagt, getan, dies ist mein erster Tunnel-Oszillator. Er schwingt bei
ca. 25 MHz. Ich musste einen sehr niederohmigen Spannungsteiler mit 10
R und 47 R verwenden. Wenn er hochohmiger wird, springt die Diode
einfach in den anderen Arbeitspunkt und bleibt dort.
Beim Versuch, eine genau Kennlinie zu messen, kam dies heraus. Das
erste Maximum liegt bei 290 mV und 9 mA. Das Minimum liegt bei 600 mV
und 0,5 mA. Dazwischen erkennt man einen seltsamen Bereich, wie er
nicht im Buche steht. Da gab es offensichtlich HF-Schwingungen auf
einer sehr hohen Frequenz. Denn egal wie ich den Aufbau gestaltete,
irgendeine Art von Schwingkreis kommt immer dabei heraus. Gemessen habe ich Frequenzen im Bereich 200 MHz bis 500 MHz.
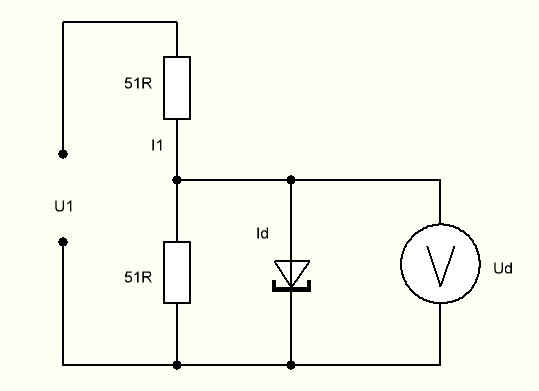
Zweiter Versuch: Die Kennlinie messen
Gerade kam mir ein neuer Gedanke, wie ich die Kennlinie einer Tunneldiode messen könnte, ohne dass es dabei zu Eigenschwingungen
kommt. Wenn die Diode auf kurzem Weg mit einem ausreichend
niederohmigen Widerstand verbunden wird, sollten Schwingungen
verhindert werden. Den Strom durch den Widerstand muss man dann später herausrechnen.
Ein weiterer Widerstand liegt in Reihe zum Labornetzteil, das die
einstellbare Spannung U1 liefert. Die Spannung Ud an der Diode wurde
mit einem DVM gemessen. Die Messwerte wurden in eine Excel-Tabelle
übertragen.
In der
Spalte D wurde daraus der Strom I1 vom Netzteil berechnet. Davon kann dann in
der Spalte E der Strom durch den Parallelwiderstand der Diode subtrahiert
werden. Die Daten zeigen schon, dass der Strom zunächst bis fast 10 mA steigt
und dann wieder abfällt. Die Kennlinie sieht nun deutlich realistischer aus.