| Start
Experimente
Grundlagen
Produkte
- DRM
- - DREAM
- - ZF-Filter
- - Prüfsender
- - AM+SSB
- - Antenne
- - Vorkreis
- - AGC
- - Aufbau
- - Parameter
- - Ferrit
- - Pegel
- - Aktivantenne
- - AM-ZF
- - Doppelkreis
- - Preselektor
Neues
Impressum
|
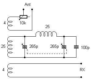
Vorkreis 2,6…16 MHz

| Dieser Vorkreis mit
Doppeldrehko vereinfacht die Antennenabstimmung z.B. für den
Elektor-SDR oder den DRM-Emfänger. Der Schwingkreis mit zwei
Spulen und zwei Drehkos hat in jeder Einstellung zwei Resonanzen. Der
verwendete Doppeldrehko mit 265 pF + 256 pF ist auch Teil des Retro-Radios.
Das Abstimmgerät wurde deshalb in dieses Radio eingebaut. Damit
hat man auch gleich die Verlängerungsachse, passende Knöpfe
und ein Poti für einen Abschwächer dabei. |

|
Hier wurden zwei gleiche Spulen mit je
25 Windungen auf eine
IC-Verpackungsstange als Spulenkörper gewickelt. Jede der Spulen
hat ca. 6 µH.
Der Serienkreis wirkt unterhalb seiner Resonanzfrequenz kapazitiv,
darüber
induktiv. Vereinfachend kann man sich vorstellen, dass bei der tiefsten
Frequenz die zweite Drehkohälfte plus 100 pF zum Hauptkreis
parallel liegt. 6
µH und ca. 600 pF ergeben eine Resonanz bei 2,6 MHz. Bei der
höchsten Frequenz
dagegen liegt die zweite Spule parallel, d.h. man hat eine effektive
Induktivität von 3 µH und kommt mit ca. 30 pF bis auf 16
MHz. Es lonkt sich etwas mit den Spulen zu experimentieren. Mit jeweils
15 Windungen düfte man etwa von 4 MHz bis 30 MHz kommen.
Die beiden Koppelspulen mit je 4
Windungen lassen sich
leicht auf dem Spulenkörper verschieben um die optimale Kopplung
zu finden. In Reihe zur Antennenspule liegt das Poti mit 10 k. Das
Eingangssignal lässt sich damit um bis zu 20 dB abschwächen.
|

|
Noch ein Hinweis zum Drehko: Viele Radiobastler bevorzugen
einen Einfach-Drehko mit 500 pF, vermutlich weil das der Standard in älteren
Bauanleitungen war. Mit dem AM/FM-Doppeldrehko erhält man bei Parallelschaltung
einen Drehko mit 530 pF, was auf jeden Fall auch passt. Zusätzlich hat man aber
noch erweiterte Möglichkeiten, z.B. auch unter Verwendung der UKW-Teile. Man könnte
z.B. einen Empfänger mit Bandspreizung bauen und dazu einen 40-pF-Drehko einsetzen.
Siehe auch:
Franzis-Pressemeldung zum Retro-Radio
Lernpaket im Online-Shop
|
zurück
|