Vielkanalanalysator           

von Till Elborg                       
Elektronik-Labor  AVR  Projekte Radioaktivität 


 
Messkammer und Sensorgehäuse

Eine große Keksdose aus Blech dient als lichtdichtes Gehäuse in ausreichender Größe zur Aufnahme von Sensor und Messobjekt.



Die Blechdose ist mit der Masse der Sensorschaltung verbunden. Isolierte Anschlussbuchsen für Stromversorgung und Signalausgang sorgen für die Verbindung des Sensors mit der Außenwelt.


 
 
 
Stromversorgung für Sensor und A/D-Wandler

Über das PC-Netzteil werden 12 V abgezweigt und zwei Festspannungsreglern zugeführt, von denen der eine den Sensor in der Messkammer mit 9 V und der andere den A/D-Wandler mit 5 V versorgt.



Diese Schaltung befindet sich auf der gleichen Platine, auf der auch der A/D-Wandler untergebracht ist.
 
 
Schaltung des Sensors

Die Schaltung ist die gleiche wie beim Kernstrahlungs-Spektrometer.  Die Detektor-Diode ist eine BPW34B und der Operationsverstärker ein TLC272.



 
Aufbau des Sensors

Möglichst kurze Leitungen bis zum Operationsverstärker.


Hier wurde der Sensor noch unten und vorne mit einem weiteren Schirmblech umgeben, welches eine Öffnung für die Detektordiode aufweist.


 
 
Gehäuse für A/D-Wandler

Der A/D-Wandler und die Stromversorgung für Wandler und Sensor sind in einem separaten Gehäuse untergebracht. Hier leistete ein pensionierter NTBA gute Dienste.


 
 
 
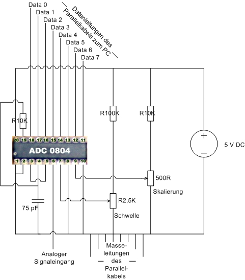
Schaltung des A/D-Wandlers



Die Beschaltung mit den Trimmpotentiometern zum Feinabgleich ist sicher noch verbesserungswürdig.





 
Kalibrierung des A/D-Wandlers

Mit Hilfe der beiden Trimmpotentiometer können die Spannungen an Pin 7 und Pin 9 des ADC0804 so eingestellt werden, dass nur Signale oberhalb einer bestimmten Spannung (Schwelle) digitalisiert werden und eine Quantisierung des digitalen Ausgangssignals über einen bestimmten Spannungsbereich erfolgt (Skalierung). Gut zur Sensorschaltung passen eine Schwelle von 14 mV und eine Skalierung über ca. 400 mV (Spannung auf 200 mV einstellen). Die Schwelle wird am besten eingestellt, indem man die Nullrate z.B. mit einem Geigerzähler misst und dabei die Spannung so einstellt, daß die Impulsrate in der Software entsprechend ausfällt. Bei zu geringer Schwellenspannung sieht man eine zu hohe Impulsrate, da man bereits im Bereich der Störungen ist. Bei zu hoher Schwellenspannung erhält man keine Nullrate mehr. Diese einmalige Einstellung braucht etwas Geduld. Die Skalierung entscheidet über die Energieauflösung der einzelnen Ereignisse. Ist die Spannung zu hoch eingestellt, befinden sich alle Ereignisse im unteren Energiebereich (niedrige Kanäle). Ist die eingestellte Spannung zu niedrig, häufen sich die Ereignisse in den oberen Kanälen. Die Impulse der Nullrate sollten anhaltsweise im untersten Achtel des Energieniveaus liegen (bis Kanal 32) und die Mehrzahl von ihnen sollte sich auf die Kanäle 3 bis 6 verteilen. Diese Einstellung erfordert noch ein wenig mehr Geduld. Der Aufwand lohnt sich jedoch, da er sich erheblich auf die Qualität der Messergebnisse auswirkt.
 
Parallelkabel zur Datenübertragung vom A/D-Wandler zum PC

Anschluss der Daten- und Masseleitungen an A/D-Wandler entweder direkt (entsprechendes Kabelende auftrennen) oder über Steckverbindung (z.B. DB-25 Buchse/Stecker mit Lötverbindungen)



DB-25 Stecker zur Verbindung mit paralleler Schnittstelle des PCs (DB-25 Buchse)
 
 
Systemvoraussetzungen für die VKA-Software:

PC mit paralleler Schnittstelle im ECP/EPP-Modus (BIOS-Einstellung)
Betriebssystem:Mindestens Microsoft Windows XP (keine Graphikbeschleunigung unter XP möglich), daher empfohlen: Windows Vista, Windows 7, Windows 8, Windows Server 2003 / 2008 / 2012
Funktionsfähige Installation von Microsoft .NET-Framework 3.5 SP1 oder höher
Bildschirmauflösung mindestens 800 x 600 Pixel bei 32-Bit Farbtiefe, höhere Auflösung empfohlen
 
 
Installation der VKA-Software

Entpacken Sie das ZIP-Archiv in einen Ordner Ihrer Wahl (z.B. c:\vka) auf der Festplatte. In diesem Ordner sollten sich nun die folgenden 4 Dateien und ein Unterordner mit dem Namen Referenzspektren befinden:

VKA_gui.exe Das ausführbare Hauptprogramm
inpout32.dll Externe Bibliothek von Logix4U zum Zugriff auf parallele Schnittstelle
hwinterface32B01.dll Externe Bibliothek f. Schnittstelle zwischen inpout32.dll und Treiber
hwinterface.sys Externer Treiber von Logix4U zum Zugriff auf parallele Schnittstelle
Referenzspektren Unterordner, in dem Referenzspektren abgelegt werden können
 
Die Software ist sofort lauffähig.
 
Inpout32 Bibliotheken: Vorbereiten des Zugriffs auf die parallele Schnittstelle

Die Bibliotheken von Logix4U zum Zugriff auf die parallele Schnittstelle installieren beim ersten Start einen Treiber für den Hardwarezugriff. Dafür sind Administratorrechte erforderlich. Windows Vista, Windows 7 und Windows Server 2008 warnen vor der Treiberinstallation, die entsprechende Meldung kann man akzeptieren und es geht weiter. Da der integrierte Treiber von Logix4U nicht entsprechend digital signiert ist, muss man vor dem ersten Start unter Windows 8 oder Windows Server 2012 besondere Maßnahmen ergreifen. Über PC-Einstellungen – Supportoptionen kann der PC in einem Modus neu gestartet werden, der die Installation nicht signierter Treiber erlaubt. Dann startet man das Programm und akzeptiert die Warnmeldungen, dann wird der Treiber installiert. Sodann startet man den Rechner nochmals neu und ab diesem Zeitpunkt funktioniert alles wie gewohnt. Weitere Beschreibungen hierzu finden sich über die Webseiten von Logix4U im Zusammenhang mit den inpout32-Bibliotheken.
 
Starten der VKA-Software im interaktiven Modus

Das Programm kann entweder per Doppelklick mit der Maus oder über die Kommandozeile (Eingabeaufforderung) im interaktiven Modus gestartet werden.
 
Kommandozeilenparameter

Das Programm kann über die Eingabeaufforderung mit bis zu drei Aufrufparametern gestartet werden.
vka.exe [MESSOBJEKT] [MESSDAUER] [AUTO|W]
Der erste Parameter ist die Bezeichnung des Messobjektes.
Als zweiter Parameter kann die Messdauer in Sekunden angegeben werden.
Ist als dritter Parameter entweder die Zeichenfolge AUTO oder W angegeben, so startet das Programm eine automatische Messung oder mehrere konsekutive Messungen im unbeaufsichtigten Modus.
 
Benutzung der VKA-Software

Bei Programmstart werden zunächst die Bibliotheken für den Zugriff auf die parallele Schnittstelle geladen. Dann versucht das Programm, die Adresse der ersten verfügbaren parallelen Schnittstelle automatisch über WMI zu ermitteln. Wurde keine parallele Schnittstelle gefunden, können keine Messungen gestartet werden. Man kann aber mit gespeicherten Messergebnissen arbeiten. Im Ordner Referenzspektren abgelegte Messergebnisse werden nun automatisch eingelesen, um aus diesen radiometrische Vergleichsvektoren zu ermitteln und mit dem Namen des Referenzspektrums zu verknüpfen. Diese Vergleichsvektoren werden dann bei der Funktion zur automatischen Bestimmung von Strahlungsquellen herangezogen. Befinden sich keine Referenzspektren im Unterordner Referenzspektren, steht diese Funktion nicht zur Verfügung. Anschließend wird die graphische Benutzeroberfläche initialisiert und der Benutzer erhält die Kontrolle. Im obersten Bildschirmbereich können allgemeine Einstellungen zu einer bevorstehenden Messung vorgenommen werden. Während einer laufenden Messung kann nur noch die Bezeichnung des Messobjekts verändert werden; diese dient bei der späteren automatischen Speicherung als Teil des Dateinamens der Datei mit den Messergebnissen. Zum Starten, bzw. Abbrechen einer Messung dient eine Schaltfläche unten in der Mitte. Klickt man mit der rechten Maustaste auf eines der Diagramme oder das Programmlogo, so können die jeweiligen Ansichten jederzeit als JPEG-Datei gespeichert werden. In den horizontalen Balken über den beiden Diagrammen kann gewählt werden, ob die Y-Skalierung jeweils automatisch oder manuell mit einem einstellbaren Skalenmaximum erfolgen soll.
Der Balken über dem Histogramm ermöglicht zusätzlich die Auswahl der darzustellenden Kanäle. Nach Eingabe einer Kanalnummer (0 bis 255) sollte mit der Eingabetaste bestätigt werden. Über das Kontrollkästchen in diesem Balken kann zudem zwischen logarithmischer und linearer Y-Skalierung umgeschaltet werden. Änderungen an der Diagrammdarstellung sind jederzeit, auch bei laufender Messung möglich. Die Funktion zur automatischen Bestimmung von Strahlungsquellen kann über einen Klick auf das kleine Symbol neben dem Kontrollkästchen zur logarithmischen Skalierung aufgerufen werden. Die Darstellung des Ergebnisses wird eingeblendet verschwindet diskret nach Darüberfahren mit der Maus. Die drei Symbole oben rechts erlauben das Laden gespeicherter Messergebnisse, das Subtrahieren eines gespeicherten Messergebnisses vom angezeigten Messergebnis, bzw. das Darüberlegen eines gespeicherten Messergebnisses. Diese Funktionen stehen während einer laufenden Messung nicht zur Verfügung. Im Bereich unten links können weitere Einstellungen vor dem Start einer Messung vorgenommen werden:

Die Diskriminatorschwelle bezeichnet den Kanal, bis zu dem digitalisierte Werte des A/D-Wandlers ignoriert werden. Die Impulserkennung beginnt daher erst oberhalb dieser Schwelle. Der Wert für die Auflösung des Zeitverlaufs gibt an, wie viele Datenpunkte im Verlaufsdiagramm dargestellt werden sollen. Der Wert für die Hochenergieschwelle bezeichnet eine Kanalnummer, oberhalb derer bei Zerfallsereignissen ein besonderes Hinweissymbol eingeblendet wird. Während laufender Messungen wird bei jedem Zerfallsereignis unten links das gelbe Strahlungssymbol animiert. Überschreitet ein Zerfallsereignis die eingestellte Hochenergieschwelle, so wird unten rechts ein rotes Hinweissymbol (Ausrufezeichen) animiert.
Im Histogramm werden die erkannten Peaks entsprechend ihrer Kanalnummer als orange Balken dargestellt. Die Proportionalität der digitalisierten Messwerte ohne erkannte Peaks wird als blaue Linie hinter diesen Balken im Histogramm ebenfalls angezeigt. Die durchschnittliche Energie aller bisher registrierten Ereignisse (Mittelwert ihrer Kanalnummern) wird durch die große Säule rechts visualisiert. Das untere Diagramm stellt den Zeitverlauf der Zerfallsereignisse in der zuvor gewählten Auflösung dar. Während einer Messung wird der Mittelwert der Zerfallsrate laufend berechnet und sowohl als orange horizontale Linie im Diagrammbereich als auch als große Säule auf der linken Seite visualisiert. Bei Abschluss einer Messung werden für die vier Zeitquartile der Messung die jeweiligen Mittelwerte berechnet und miteinander verglichen. Das Ergebnis wird in Gestalt dreier oranger Trendlinien über den Quartilgrenzen in das Diagramm eingefügt. So lässt sich auf einen Blick leichter erkennen, wie die Aktivität eines Messobjektes verläuft. Informationen zur Ergiebigkeit des Zufallszahlengenerators werden im Balken unter dem Zeitverlaufsdiagramm angezeigt. Die Zufallszahlen werden als fortlaufendes Bitmuster in Textgestalt zusammen mit den Messergebnissen gespeichert. Nach Ende einer Messung werden die Messergebnisse automatisch in einer Textdatei gespeichert. Der Rest sollte intuitiv funktionieren.


 
Starten einer unbeaufsichtigten Messung im automatischen Modus

Wird das Programm über die Kommandozeile im automatischen Modus gestartet, so wird genau eine Messung durchgeführt und das Programm terminiert anschließend von selbst.
 
Starten konsekutiver automatischer Messungen

Wird das Programm mit dem dritten Kommandozeilenparameter W gestartet, so wird die eingestellte Messung aufeinanderfolgend ohne Benutzerinteraktion wiederholt, bis der Benutzer auf Abbrechen klickt. Dann befindet sich das Programm wieder im interaktiven Modus.

Download:
Software:  vka_software.zip
Dieser Artikel als PDF: Vielkanalanalysator.pdf


Messungen an Natururan von Walter Richter



Ich möchte mich über Ihren sehr lehrreichen und informativen Artikel zum Tema Vielkanalanalysator bedanken.
Ich bin als Oldtimer bei der Hobby Assembler Programmierung der 8051 Familie stehengeblieben und freue mich über jede neue Information von Ihnen. Da ich in der absoluten Nähe und in der Hauptwindrichtung von 2 Kernkraftwerken KKP1 und KKP2 von Philippsburg mit dem Abklingbecken , Interimslager, Zwischenlager wohne, messe ich die Radioaktivität seit 2010 in der Luft und im Regen und veröffentliche diese wöchentlich kostenlos über E-Mail. Ich bin daher sehr an Ihrer Arbeit über Spektroskopy zur Bestimmung der Radionuklide in der Luft und im Regen interessiert.

Nach meiner bisherigen Erfahrung mit Ihrem Vielkanalanalysator habe ich nun beide Varianten zur Übersichtlichkeit auf einem Bild gegenübergestellt. Beide Diagramme wurden mit dem Vorverstärker aus „Verbesserter Strahlungsmesser“ mit Natururan und einer BPX61 aufgenommen. Interessanterweise ist bei Wikipedia das „Spektrum von Natururan“ veröffentlicht. Leider kann ich hier keine direkte Übereinstimmung von Spektral-Piks ausmachen. Wenn jedoch eine zukünftige Version beide Systeme vereinigt, sind bestimmt über die Spektral-Piks die Nuklide besser zu bestimmen, oder über eine höhere AD-Wandlung mit entsprechender Software. Wegen der Diskussion „Parallelschaltung von PIN-Dioden“ habe ich 3 Varianten auf einem Bild zur Übersichtlichkeit gegenübergestellt. Ich verbleibe mit der Hoffnung auf einer Modifizierung der bisherigen Schaltung oder Software.






Software-Update, von Till Elborg

Die erweiterte Version der VKA-Software (VKA_gui_wari01.exe) mit folgenden Änderungen:

1. In der Konsolenausgabe erfolgt bei jedem erkannten Peak die Zeichenfolge „Hoch:“ gefolgt mit der Kanalnummer des Peaks und zusätzlich davor das Zeit-Intervall seit dem letzten Peak, bzw. dem Start der Messung beim ersten registrierten Peak.

2. Nach beendeter Messung werden die Messergebnisse weiterhin in einer Textdatei gespeichert, zusätzlich wird eine gleichnamige .CSV-Datei erzeugt, die direkt per Doppelklick in Excel geöffnet werden kann und drei Spalten für Kanalnummer, Anzahl der Messungen, Anzahl der Peaks und 256 Zeilen für die Kanäle 0-255 beinhaltet.

3. Falls das schnelle Rendering der Diagramme nach jedem Impuls Ihren Rechner zu sehr belastet, habe ich eine Bremse vorgesehen, die nun dafür sorgt, daß bei Intervallen von weniger als einer Sekunde zwischen einzelnen Peaks nur bei jedem achten Peak die Visualisierung aktualisiert wird.

Neu im ZIP-Archiv ist lediglich die .EXE-Datei, die einen anderen Namen trägt, um die bisherige Version nicht zu überschreiben. Sie muss lediglich in das vorhandene Verzeichnis der Software kopiert werden.


Software-Download incl. VKA_gui_wari01.exe:  vka_software.zip


Elektronik-Labor  AVR  Projekte Radioaktivität