
40m-Kurzwellenaudion
Das
Franzis-Kurzwellenradio ist in seiner offenen Bauweise gut für den
Kurzwellen-Rundfunkempfang geeignet, hat aber Probleme mit der
Frequenzstabilität, wenn es um CW und SSB auf den Amateurfunkbändern
geht. Außerdem ist die genaue Frequenz nur sehr schwer einstellbar. Das
Radio sollte deshalb zu einem Amateurfunkempfänger speziell für das
40m-Band umgebaut werden. Die entscheidende Verbesserung wurde durch
ein Abschirmblech erreicht. Damit wird jede Handempfindlichkeit
verhindert und außerdem für eine schwingungsfreie Befestigung der
Platine gesorgt.
Das verwendete Weißblech stammt aus einer Cappuccino-Dose. Solche
Bleche habe ich immer aufgehoben und gern als Basis für experimentelle
Schaltungen verwendet. Das Material ist sehr dünn und kann mit einer
ganz normalen Schere geschnitten werden. Die äußeren Maße der
Abschirmbox habe ich mit einer Karton-Schablone festgelegt. Dann wurde
alles gebogen und verlötet.
Den
Drehko habe ich umgedreht, sodass nun die UKW-Seite verwendet wird. Die
Massefahne der AM-Seite ist mit an die Abschirmung gelötet. Ein
kräftiger Massedraht verbindet außerdem den Drehko-Masseanschluss der
Platine mit dem Blech, was die Einbauhöhe festlegt. Insgesamt gibt es
mehrere Masseverbindungen zum Blech. Zusätzlich habe ich Drahtstreben
eingelötet, die das Blech stabiler halten und mechanische Schwingungen
verhindern. Alle diese Maßnahmen haben mit dazu beigetragen, dass es
nun absolut keine Frequenzänderung mehr gibt, wenn man die Hand nähert
und die Drehknöpfe berührt.
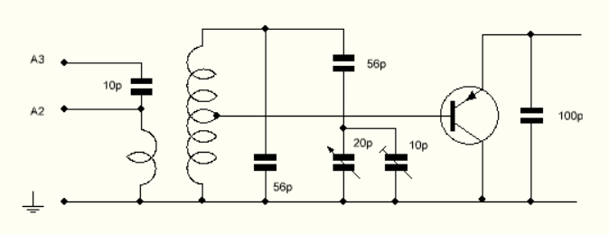
Die Bandspreizung verwendet einen Schwingkreiskondensator von 56 pF und
einen weiteren Serienkondensator mit 56 pF zu einer Seite des
UKW-Drehkos mir 20 pF und seinem parallelen Trimmer mit 10 pF. Die
Dimensionierung wurde nicht genau berechnet, sondern mit Material
ausprobiert, das gerade da war. Im Endergebnis überstreicht der
Empfänger nun das ganze 40m-Band und den Anfang des 41m-Rundfunkbands.
Die Basis des Audiontransistors liegt nicht mehr am heißen Ende des
Kreises, sondern an der Mittelanzapfung, die bisher am
Antennenanschluss A1 lag.

Die originale Schaltung:

Die Bandspreizung
Mit
dem Schraubkern kann man weiterhin den Bandanfang einstellen. Wenn man
den Kern weit hereindreht, kann auch alternativ das 49m-Band empfangen
werden. Radio DARC am Sonntag wartet schon.
Beim Empfang von CW- und SSB-Stationen wurden allerdings noch gewisse
Verzerrungen hörbar, die auf die Sperrschichtkapazität des Transistors
zurückzuführen sind. In Abhängigkeit vom Signal ändert sich der
Arbeitspunkt und damit auch die Eingangskapazität. Es kommt dann zu
einer zusätzlichen Frequenzmodulation und unschönen Nebeneffekten. Um
diesen Effekt zu verringern, habe ich einen zusätzlichen Kondensator
mit 12 pF zwischen Basis und Emitter eingebaut.
Mit dieser Änderung wird der Einfluss der Basiskapazität geringer.
Außerdem wird die Rückkopplung vergrößert, so dass man größere
Eigenschwingungen einstellen kann. Das Audion arbeitet dann eher schon
wie ein Direktmischer. Wenn die Eigenschwingungen wesentlich größer
sind als die Empfangssignale, verschiebt sich der Arbeitspunkt weniger
stark. Es gibt nun einen größeren Bereich des Rückkopplungsreglers
jenseits des Schwingungseinsatzes, den man sehr gut zur Feinabstimmung
der Frequenz nutzen kann. Die genaue Einstellung eines SSB-Signals wird
damit wesentlich vereinfacht.
Eine
wesentliche Verbesserung des Störabstands konnte durch eine Reduzierung
der NF-Bandbreite erreicht werden. Dazu musste ich nur einen
Kondensator mit 22 nF über den Lautstärkeregler löten.
Am Ende fehle noch etwas Lautstärke. Aber kein Problem, der LM386
hat ja noch Reserven. Zwischen Pin 1 und Pin 8 habe ich 10 µF in Reihe
zu 470 R gelegt. Jetzt bin ich mit dem Ergebnis zufrieden. Das Audion
ist für den Amateurfunk einsetzbar. Es macht Spaß damit CW zu hören,
und das Audion eignet sich gut als Übungs-Empfänger. Aber ich könnte
mich sogar schon trauen, ein vollständiges QSO damit zu fahren.
Im Vergleich zu einem Direktmischer ist ein Audion wesentlich einfacher
aufgebaut, weil es nur einen einzigen Schwingkreis braucht. Außerdem
wird die wesentliche Verstärkung durch die scharf eingestellte
Rückkopplung erreicht. Der Kreis erreicht dabei eine Güte bis über
1000. Das ergibt gleichzeitig eine gute Selektion und verringert die
Gefahr von Intermodulationsverzerrungen, oder dass starke
Rundfunksender durchschlagen. Andererseits kann das Audion auch AM klar
empfangen, was mit einem Direktmischer kaum möglich ist. Alles in
allem, es geht nichts über das gute alte Audion.