
Mein Freund Olaf war mal wieder in Japan . Auch diesmal hat er mir was mitgebracht. Weil er weiß, dass ich Radios mag, war es ein Elektronik-Heft mit Platine für ein Mini-Radio. Die Zeitschrift scheint eine Art Jugendmagazin des japanischen Amateurfunk-Clubs zu sein.

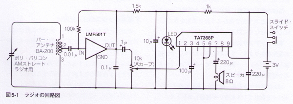
Das Schaltbild des Mini-AM-Radio erinnert mich an das Retro-Radio, wobei der LMF501T eine ähnliche Funktion zu haben scheint wie der TA7642. Der Endverstärker ist ein alter Bekannter, der TA7368. Davon hatte ich mir bereits einige von Reichelt besorgt. Alle Bauteile sind also vorhanden. Der Audioverstärker verspricht mehr Lautstärke. Allerdings braucht man nun 3 V. Eine LED stabilisiert die Betriebsspannung für die HF-Stufe.

Im Heft gibt es eine Platine gleich für mehrere Projekte. Der Teil für das Radio (unten rechts) ist für eine SMD-ähnliche Bestückung gedacht. Dazu gibt es eine Aufbauzeichnung, mit der die Sache ganz einfach ist.


Also los! Gebaut, getestet - nichts geht. Aber dann kam ich dahinter: Der japanische LMF501T hat eine etwas andere Pinbelegung. Also muss der TA7642 anders eingelötet werden.

Die Platine wurde nun in ein Retro-Radio eingebaut, wobei der Lautsprecher gleichzeitig als Halterung dient. Offensichtlich geht der 32-Ohm-Lautsprecher ebenso gut wie einer mit 8 Ohm. Leider kann das Messgerät nicht angeschlossen werden. Aber die Empfangsleistung ist gleich gut wie beim Retro-Radio. Nur die Lautstärke ist höher. Allerdings kann man nicht voll aufdrehen, denn dann gerät der Verstärker in Eigenschwingungen. Das könnte am Aufbau liegen, eventuell muss der Abstand zum Ferritstab vergrößert werden.
