
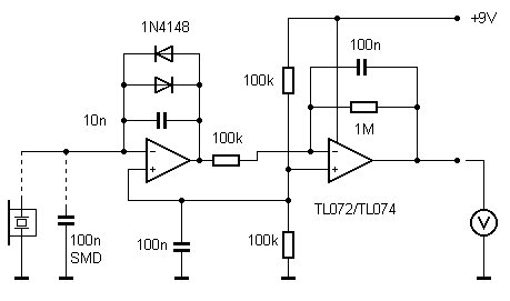
Ein Passiv-Infrarotsensor ist ganz ähnlich aufgebaut wie ein Piezo-Schallwandler. Mit dem richtigen Verstärker kann der Piezo-Kristall daher als Infrarotsensor dienen. In der Nähe eines wärmeren Körpers erwärmt sich der Kristall geringfügig. Dabei wird eine elektrische Ladung verschoben. Der erste OPV ist als Integrator geschaltet, wobei die beiden Dioden für eine Spannungsbegrenzung und für ein Rückstellen in die Ruhelage führen. Die Ausgangsspannung wird noch einmal zehnfach verstärkt. Am Ausgang erscheint eine deutliche Spannungsänderung, wenn man sich dem Sensor nähert.

Alternativ kann auch ein keramischer Kondensator als Sensor dienen. Günstig ist ein möglichst kleiner SMD-Kondensator mit 100 nF. Der Sensor-Kondensator ist mit 4,5 V geladen. Da sich bei einer Temperaturänderung die Kapazität ändert, wird eine Ladung verschoben. Das Verstärkerprinzip entspricht dem bei einem Kondensatormikrofon, nur in diesem Fall als Temperatursensor. Wegen seiner geringen Wärmeträgheit funktioniert der Kondensator sogar besser als der Piezo-Sensor. Nun könnte man noch einen Parabospiegel und eine IR-durchlässige Abdeckung gegen Luftströmungen einsetzen.