

Auszug aus dem Arduino Messlabor Kap. 7
Zur Untersuchung von Frequenzgängen verwendet man Sweep-Generatoren, die ihre
Frequenz kontinuierlich verändern. Insbesondere Im Hochfrequenzbereich werden
diese auch als Wobbelsender oder Wobbler bezeichnet und dienen zur Einstellung
von Filtern. In diesem Fall wird die Frequenz von 0 Hz bis 5 kHz hochgefahren.
Im Oszillogramm kann dann direkt die Wirkung eines Tiefpassfilters abgelesen
werden. Der Kanalschalter muss dazu auf A0(f) gestellt werden.

Frequenz-Sweep von 0 Hz bis 5 kHz
In der Firmware gibt es dazu
ein neues Startkommando 73 für einen Start der Messung am Kanal A0. Danach wird
bis zum Ende der Messung der Phasensummand ph1 proportional zum Zähler adn erhöht. Im
Interesse einer geringen Rechenzeit verwendet die Umrechnung eine Verschiebung
um drei Bit, also eine Multiplikation mit dem Faktor 8. Nach 625 Messungen
wird das Produkt 5000 erreicht, das tatsächlich nur zu einer Frequenz von 4766
Hz führt. Die vereinfachte Umrechnung führt also zu einem Frequenzfehler von 5
%.
if (c==73){ //f-Sweep
ADMUX = 0x60;
duo = 0;
ds1 = 1;
ch = 0x60;
adn=0;
while (adn<629){
asm
("nop");
n = adn;
ph1 = n<<3;
}
ph1=0;
a1=0;
}
In der Timer-Funktion des Anwenderprogramms
wird nun statt des Startkommandos 65 das Kommando 73 abgesandt. Die eigentliche
Darstellung auf dem Oszilloskop unterscheidet sich nicht von einem einfachen
Einkanal-Oszillogramm.
If trigger = 0 Then
If ch < 5 Then SENDBYTE
65
If ch = 5 Then SENDBYTE 73
If ch = 6 Or ch = 7 Then
SENDBYTE 72
End If
…
If ch = 5 Then
'Frequenz-Sweep
alast = 258 - READBYTE
For n = 0 To 625
Ain = 258 - READBYTE
Picture5.Line (n - 1,
alast)-(n, Ain), vbBlack
alast = Ain
Next n
End If
Unterabtastung der Sweep-Frequenz
Zür eine korrekte Darstellung
des Sweep-Signals eignen sich nur die schnellen Einstellungen mit 1 ms/div und
2 ms/div. Bei zu langsamer Messung kommt es zu einer Unterabtastung.
Bei 20 ms/div beträgt die
Abtastrate 62500 Hz / 20 = 3125 Hz. Genau bei dieser Frequenz durchläuft die
Darstellung einen scheinbaren Nulldurchgang der Frequenz. Die höchste
theoretisch noch darstellbare Frequenz ist die halbe Abtastrate mit 1652,5 Hz.
Allerdings treten schon weit unterhalb dieser Frequenz Fehler in der Darstellung
auf, weil der Signalverlauf mit zu wenigen Abtastpunkten gezeichnet wird.
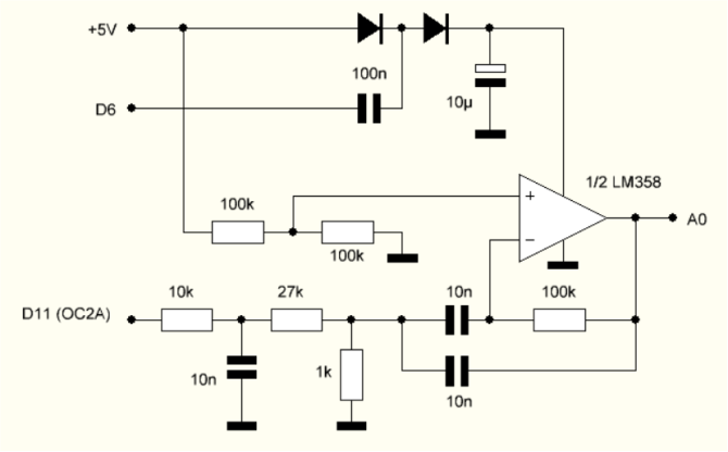
Ein Bandpassfilter kann man bekanntlich mit einem LC-Schwingkreis aufbauen. Alternativ kann auch ein OPV mit RC-Gliedern eingesetzt werden. Die vorgestellte Schaltung hat eine Resonanzfrequenz nahe 2 kHz. Die Funktion lässt sich anschaulich mit dem Sweep-Generator bis 5 kHz darstellen. Die Ablenkfrequenz wurde auf 2 ms/div eingestellt, weil ein schmalbandiges Filter eine ausreichende Einschwingzeit benötigt. Je schneller der Frequenzbereich durchfahren wird, desto mehr verwischt die Resonanzkurve.

Das Bandpassfilter

Der Frequenzgang des Filters
Eine alternative Messung verwendet einen Signalgleichrichter mit einer Diode und einem RC-Glied. Der Gleichrichter funktioniert wie der in Kap. 8.4, braucht aber nur eine einfache Diode, weil der OPV-Ausgang eine geringe Impedanz hat.


Resonanzmessung mit einem Signalgleichrichter
Der Vorteil des Messgleichrichters ist, dass man nun die Frequenz beliebig langsam durchfahren kann, um dem Filter ausreiche Zeit zum Einschwingen zu lassen. In diesem Fall wurde die Einstellung 10 ms/div gewählt.