Ein defekter Fahrrad-Tachosensor           

   

Elektronik-Labor  Bastelecke  Projekte  Notizen



Ein defekter Fahrrad-Tacho wollte untersucht werden. An den Speichen gibt es einen Magneten, der in einem kleinen Sender Impulse auslöst. Der Empfänger am Lenker wertet sie aus und berechnet daraus die angezeigte Geschwindigkeit. Ein Test hat gezeigt, dass der Reedschalter defekt war und den Kontakt bei Annäherung eines Magneten nicht mehr schließen konnte. Für weitere Tests habe ich einen Drahtkontakt angelötet. Mit schneller Betätigung konnte ich am Empfänger eine Anzeige bis 40 km/h erzeugen.


 
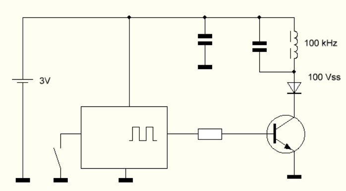
Beim Versuch, die Schaltung zu verstehen, ist mir eine Schottky-Diode in Reihe zum Endstufen-Transistor aufgefallen. So etwas hatte ich bisher noch nie gesehen. Und erst die Messung mit dem Oszilloskop machte klar, wozu die Diode gebraucht wurde. Am Schwingkreis fand sich nämlich eine erstaunliche große Schwingung bis 100 Vss, und das bei einer Batteriespannung von nur 3 V. Dass der Kollektor +50 V sperren kann ist klar. Aber -50 V könnte er nicht, weil die Kollektor-Basis-Diode dann leitet. Aber mit der Diode geht das. Das Oszillogramm zeigt noch eine Besonderheit. Es entsteht immer eine volle Schwingung, und danach eine Pause. Wie ist das möglich? Ich habe lange darüber nachgedacht, aber erst eine Zweikanalmessung zeigt, was da passiert.


 
Der Transistor wird mit der halben Resonanzfrequenz des Schwingkreises angesteuert! Jeder Impuls schaltet den Transistor ein und legt die Spule an die Betriebsspannung. Damit wird magnetische Energie geladen.  Mit dem Ende des Impulses bildet sich daraus die positive Halbwelle bis +50 V. Während die Schwingung in den negativen Bereich geht, ist die Diode gesperrt. Beim nächsten Übergang in den positiven Bereich ist aber schon wieder ein Ladeimpuls aktiv. Er stoppt die Schwingung komplett und lädt neue Energie in den Kreis. Weil noch Energie von der letzten Schwingung übrig geblieben ist, steigt die Amplitude anfangs stetig an. Hut ab, hier wird keine Energie verschwendet.


 
Beide Kanäle sind zwar auf 2V/div eingestellt, aber an Ch2 war die Messspitze auf 1:10 eingestellt, sodass man tatsächlich 20 V/div sieht. In einer höheren Ablenkgeschwindigkeit erkennt man die Schaltzeiten des Transistors. Beim Einschalten gibt es eine Verzögerung von 600 ns, bei Ausschalten sind es sogar ca. 800 ns, weil der Transistor vorher voll in die Sättigung getrieben wurde.

Das Rechtecksignal vom Controller hat eine Frequenz von ca. 60 kHz, die Resonanzfrequenz liegt bei 120 kHz. Eine volle Schwingung passt also jeweils genau in die Low-Phase der Ansteuerung, also in die Zeit, in der der Transistor gesperrt ist. Ich vermute, der Empfänger enthält ebenfalls einen Schwingkreis auf 120 kHz. Dass jede zweite Schwingung fehlt, stört nicht weiter. Es wird trotzdem ein Signal mit 120 kHz empfangen.

Übrigens, vor 25 Jahren wurde die gleiche Aufgabe ganz anders gelöst: https://www.b-kainka.de/bastel55.htm


Elektronik-Labor  Bastelecke  Projekte  Notizen