
Spannungsüberwachung
mit dem TL431
von Richard Schneider
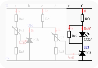
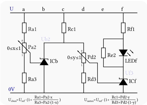
Spannungsüberwachung für U, Umin=6V…Umax=10V,
11V.
Die obere Grenze Uoben stellbar (x von 0…1) mit
Potentiometer Pa2.
Die untere Grenze Uunten stellbar (y von 0…1) mit
Potentiometer Pd2.
Die TL431 (ICb, ICf) sind wie spannungsabhängige Schalter verwendet.
Ist U innerhalb der Grenzen (Uoben, Uunten)
leuchtet LEDf.
Die nachfolgenden Berechnungen sind großteils mit
vereinfachenden Annahmen ausgeführt, »schätzendes
Berechnen, berechnendes Schätzen«.
Exkurs. TL431
Konstantspannug U
Aus dem Datenblatt TL431 und Erweiterung für stellbare Konstantspannung
Ub2 | Ub2 < U.
Uref = 2,5V
Kathodenstrom = 1mA…100mA
Iref = 2μA…5μA typisch, maximal: -0,05mA…+10mA
Erster schlechter
Fall
Umax=11V | Ub2=Uref |
Belastung IUb2=0A
Kathodenstrom Ib ausreichend groß, Leistung PRc1 an
Widerstand Rc1 kleiner als die Belastungsgrenze?
Ic=Ib+Ia+IUb2
Höchst möglicher dauerhafter Kathodenstrom Ib100mA=100mA
Ic100mA=Ib100mA+Ia+IUb2=100mA+(≈0A)+0A=100mA
Rc1min=(Umax-Uref)/Ic100mA=(11V-2,5V)/100mA=85Ω
Rc1 ist größer als 85Ω zu wählen.
Rc1=560Ω gewählt.
Icmax=(Umax-Uref)/Rc1=(11V-2,5V)/560Ω=15,2mA
PRc1=Icmax·Icmax·Rc1
PRc1=15,2mA·15,2mA·560Ω=129mW
Kathodenstrom von ICb, Ib=Ic-Ia-IUb2
Ia=Uref/(Ra1+Pd2+Ra3)=2,5V/(2,2kΩ+10kΩ+3,9kΩ)=155μA
Ib=Ic-Ia-IUb2=15,2mA-155μA-0A=15mA
Mit Rc1=560Ω fließt ausreichend Strom durch die Kathode und die
Belastung des Widerstandes Rc1 ist kleiner als 1/4W.
Zweiter schlechter
Fall
Ub2=Uref | Ibmin=1mA |
Belastung IUb2=0A
Kleinst mögliche Spannung U für Spannungsregelung?
Ia=Uref/(Ra1+Pd2+Ra3)=2,5V/(2,2kΩ+10kΩ+3,9kΩ)=155μA
Mit Ia=155μA deutlich größer als Irefb=2μA…5μA ist der
Spannugsteiler (Ra1…Pa2…Ra3) wie unbelastet betrachtbar.
Ic=Ia+Ib+IUb2=155μA+1mA+0A=1,16mA
Umin=Uref+Ic·Rc=2,5V+1,16mA·560Ω=3,15V
Ist die Versorgungsspannung U größer als Umin=3,15V sein
und kleiner gleich als Umax=11V kann etwas Strom IUb2
fließen und die Konstantspannung bleibt im Regelbereich.
Stellbereich
Potentiomer Pa2
Ub2max=Uref·(((Ra1+Pa2)/Ra3)+1)
Ub2max=2,5V·(((2,2kΩ+10kΩ)/3,9kΩ)+1)
Ub2max=10,3V
Ub2min=Uref·((Ra1/(Ra3+Pa2))+1)
Ub2min=2,5V·((2,2kΩ/(10kΩ+3,9kΩ))+1)
Ub2min=2,9V
Stellbereich fütr Ub2 ist gerechnet von 2,9V…10,3V.
Stückliste für
Konstantspannug
Widerstand
Ra1: 2,2kΩ
Ra3: 3,9kΩ
Rc1: 560Ω
Potentiometer
Pa2: 0…10kΩ
integrierte
Schaltung
ICb: TL431
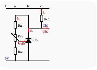
Zurück zur Spannugsüberwachung für U von Umin=6V bis Umax=10V,
11V, mit Startwerten aus der Konstantspannug.
TL431
Spannungsüberwachung
obere Grenze der
Spannugsüberwachung
obere Grenze stellbar von:
Uoben=Uref·((Ra1+x·Pa2)/(Ra3+(1-x)·Pa2)+1)
| 0≤x≤1
Uoben_min=2,5V·((2,2kΩ+0·10kΩ)/(3,9kΩ+(1-0)·10kΩ)+1)=2,9V
Uoben_max=2,5V·((2,2kΩ+1·10kΩ)/(3,9kΩ+(1-1)·10kΩ)+1)=10,3V
Uoben=2,9V…10,3V
Ia=U/(Ra1+Pa2+Ra3)
Iamin=Umin/(Ra1+Pa2+Ra3)
Iamin=6V/(2,2kΩ+10kΩ+3,9kΩ)=373μA
Irefb darf maximal 10mA betragen, er ist am größten bei
nachfoldenden Punkten.
• Umax höchste Versorgunsspannung eingestellt.
• Schleiferstellung von Pa2 widerstandslos mit Ra1 verbunden, Uoben
den niedersten Wert eingestellt ist.
Irefb_max=(Umax-Uref)/Ra1=(11V-2,5V)/2,2kΩ=3,86mA
ist kleiner als 10mA.
Wenn U > Uoben dann ist ein „leitender“
Leistungstransistor des ICb, im TL431 ist von Kollektor zu Emitter
ist einen Spannugsabfall Ub2 von circa 1,2V.
Ib≈Ic mit der vorhergehenden Bedingung, da Id vernachlässigbar klein
zu Ic ist, vereinfacht das Rechnen, nachfolgende Tabelle letzte
Zeile.
Icmax=(Umax-Ub2)/Rc1=(11V-1,2V)/560Ω=17,5mA
PmaxRc1=Icmax·Icmax·Rc1
PmaxRc1=17,5mA·17,5mA·560Ω=172mW ist kleiner als 1/4W.
eingestellt: Uunten=7V | Uoben=10V
gemessene Werte
gemessene Wertegemessene Werte
Ia [A]
|
Irefb
[A]
|
Ib [A]
|
Ic [A]
|
Ub2 [V]
|
U [V]
|
LEDf |
377·10-6
|
0,3·10-6 |
0,05·10-3 |
0,46·10-3
|
5,83
|
6
|
dunkel |
566·10-6
|
1,54·10-6
|
0,24·10-3
|
0,91·10-3
|
8,55
|
9
|
leuchet |
709·10-6
|
72,5·10-6
|
16,3·10-3
|
16,4·10-3
|
1,87
|
11
|
dunkel |
Mit Rc1=560Ω fließt ausreichend Strom durch die Kathode von ICb und
die Belastung des Widerstandes Rc1 ist kleiner als 1/4W.
U > Uoben … ICb „leitet“ Kathodenstrom deutlich über
1mA Ub2 < Uref
U < Uoben … ICb „sperrt“ Kathodenstrom weniger als 1mA
Ub2 > Uref
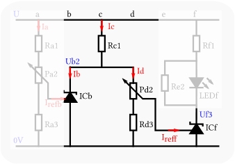
Untere Grenze der
Spannugsüberwachung
untere Grenze stellbar von:
Uunten=Uref·((Rc1+y·Pd2)/(Rd3+(1-y)·Pd2)+1)
| 0≤y≤1
Uunten_min=2,5V·((560Ω+0·10kΩ)/(3,9kΩ+(1-0)·10kΩ)+1)=2,6V
beziehungsweise 2,66V
Uunten_max=2,5V·((560Ω+1·10kΩ)/(3,9kΩ+(1-1)·10kΩ)+1)=9,27V
Uunten=2,6V beziehungsweise 2,66V…9,27V
Hier sind kaskadierte Komparatoren, Komparatorausgang von ICb (Ub2)
wird mittelbar (Spannungsteiler Rc1…Pd2…Rd3) als Steuereingang
(Ref.) für ICf verwendet.
der schnelle Fall:
U > Uoben … ICb ist „leitend“ Ub2 < Uref
… LEDf ist dunkel.
Spannung Steuereingang für ICf ist kleiner als Uref, ICf
sperrt Strom von Kathote zu Anode, LEDf ist dunkel.
der näher zu
betrachtende Fall:
U < Uoben … ICb sperrt Strom Ub2 > Uref
… LEDf kann leuchten.
Bei Uoben > U > Uunten ist ICf „leitend“
leuchtende LEDf.
Ist U < Uunten sperrt ICf Strom LEDf ist dunkel.
Ireff darf maximal 10mA betragen, er ist am größten bei
nachfoldenden Punkten.
• Uoben den höchsten Wert eingestellt ist,
Schleiferstellung Pa2 widerstandstlos mit Ra3 verbunden.
• wenn U knapp unter Uoben ist.
• Schleiferstellung Pd2 widerstandslos mit Rc1 verbunden, Uunten
den niedersten Wert eingestellt ist.
Id≈Ic mit den vorhergehende Bedingungen, da Ib vernachlässigbar
klein zu Ic ist, vereinfacht das Rechnen, nachfolgende Tabelle die
ersten beiden Zeilen.
Ireff_max darf maximal 10mA betragen.
Ireff_max=(Umax-Uref)/(Rc1+y·Pd2)=(11V-2,5V)/(560Ω+0·Pd2)=15,2mA
ist zu groß.
Wo ist für die untere Grenze mit Pd2 zu stellen damit Ireff
kleiner als 10mA bleibt?
Widerstandswert
Pd2 Schleifer zu Rc1
y·Pd2=(Umax-Uref)/Ireff_max-Rc1=(11V-2,5V)/10mA-560Ω=290Ω
Potentiometerstellung y von Pd2
y·Pd2=290Ω | Pd2=10kΩ
y=290Ω/10kΩ=0,029
Uunten=Uref·((Rc1+y·Pd2)/(Rd3+(1-y)·Pd2)+1)
Uunten_min=2,5V·((560Ω+0,029·10kΩ)/(3,9kΩ+(1-0,029)·10kΩ)+1)=2,66V
eingestellt: Uunten=7V | Uoben=10V
gemessene Werte
gemessene Wertegemessene Werte
Ib [A]
|
Ic [A]
|
Id [A] |
Ireff
[A] |
Uf3 [V]
|
U [V] |
LEDf |
0,05·10-3 |
0,46·10-3 |
0,43·10-3 |
1,1·10-6
|
5,8
|
6 |
dunkel |
0,23·10-3
|
0,92·10-3
|
0,7·10-3 |
194·10-6
|
1,9
|
9 |
leuchet |
16,2·10-3
|
16,3·10-3
|
0,15·10-3
|
101·10-6
|
11
|
11 |
dunkel |
Wird Uunten_min kleiner als 2,66V Potentiometer Pd2
eingestellt kann Ireff größer als 10mA werden, ist für
ICf unangenehm.
Vergrößern von Rc1=820Ω als eine der Möglichkeiten? Dem geneigten
Leser ist das erneute Rechnen empfohlen.
Uoben > U > Uunten … ICf „leitet“
Strom, LEDf leuchtet.
U < Uunten … ICf „sperrt“ Strom, LEDf ist dunkel.
Vorwiderstände
für LEDf und ICf
„Leitender“ Leistungstransistor des ICf, im TL431 ist von Kollektor
zu Emitter ist einen Spannugsabfall Uf3 von circa 1,2V.
Leuchtende LEDf, gelb, grün hat einen Spannungsabfall Uledf
von circa 2V.
Versorgunsspannung U > Uoben
LEDf ist dunkel
ICf sperrt Strom.
If > 1mA sollte fileßen können daß ICf schalten kann, Re2
als Vorwiderstand und LEDf „sperrt“ Strom.
If=(Umax-Uf3)/(Rf1+Re2)=(11V-1,2V)/(560+560)=8,75mA
Schaltvorgang bei Grenzübertritt wird dieser Strom interessant.
Versorgunsspannung
zwischen Uunten < U < Uoben LEDf
leuchtet
If=(U-Uf3-Uledf)/Rf1
IfU_9V=(U9V-Uf3-Uledf)/Rf1=(9V-1,2V-2V)/560Ω=10,4mA
Ie=Uledf/Re2=2V/560Ω=3,57mA
Iledf=If-Ie
Iledf_U_9V=IfU_9V-Ie=10,4mA-3,57mA=6,79mA
ist wenig jedoch ausreichend Strom, die LEDf leuchtet.
Versorgunsspannung
U < Uunten LEDf ist dunkel
ICf sperrt Strom.
If > 1mA sollte fileßen können daß ICf schalten kann, Re2
als Vorwiderstand und LEDf „sperrt“ Strom.
If=(Umin-Uf3)/(Rf1+Re2)=(6V-1,2V)/(560+560)=4,29mA
Schaltvorgang bei Grenzübertritt wird dieser Strom interessant.
eingestellt: Uunten=7V | Uoben=10V
gemessene Werte
gemessene Wertegemessene Werte
Ie [A]
|
If [A]
|
Iledf [A]
|
Uf3
[V] |
U [V] |
LEDf |
0,23·10-3
|
0,24·10-3
|
0,02·10-3
|
5,8
|
6 |
dunkel |
3,4·10-3
|
9,5·10-3
|
5,9·10-3
|
1,8
|
9 |
leuchet |
0,1·10-3
|
0,1·10-3
|
0,01·10-3
|
11
|
11 |
dunkel |
Widerstände Rf1, Re2 können, Rf1 etwas verkleinert und Re2
etwas vergrößert werden.
Ist U < (≈5V) und Uunten darunter eingestellt (Uunten
< U < Uoben), erlischt die LEDf, da diese nicht
genügend Energie bekommt.
Alles zum Schluss
Stückliste
Widerstand
Ra1: 2,2kΩ
Ra3: 3,9kΩ
Rc1: 560Ω, 820Ω
Rd3: 3,9kΩ
Rf1: 560Ω
Re2: 560Ω
Potentiometer
Pa2: 0…10kΩ
Pd2: 0…10kΩ
integrierte
Schaltung
ICb: TL431
ICf: TL431
Leuchtdiode
LEDf: circa 20mA für leuchen, Gelb, Grün.
Leiterplatte
Postscriptum
Justiert, verändert, baut das zuvor beschiebene nach euren
Vorstellungen.