
Nachtlicht-Sensorfassung intern
Neues
aus dem Ein-Euro-Shop: Eine Nachtlicht-Fassung mit LDR-Sensor. Da war
zwar ein CE-Zeichen auf der Packung, aber ich hatte trotzdem meine
Zweifel, ob das überhaupt sicher sein kann. Ein Mangel ist schon, dass
man vergessen hat, die schaltbare Leistung anzugeben. Aber gut,
wahrscheinlich geht irgendwas bis 60 W, also eine typische Lampe mit
E27-Sockel.
Vermutlich
ist der LDR-Sensor nicht potentialfrei. Aber die Isolierung sieht ganz
ordentlich aus. Trotzdem wollte ich vor einem ersten Test lieber
erst mal sehen was drin ist. Wie kann man das für den Preis vernünftig
bauen?
Ein
Kompromiss findet sich in der Verbindung der Lampenfassung mit dem Rest
der Schaltung. Drähtchen einfach an die Schrauben anlöten, das nenne
ich kreativ.
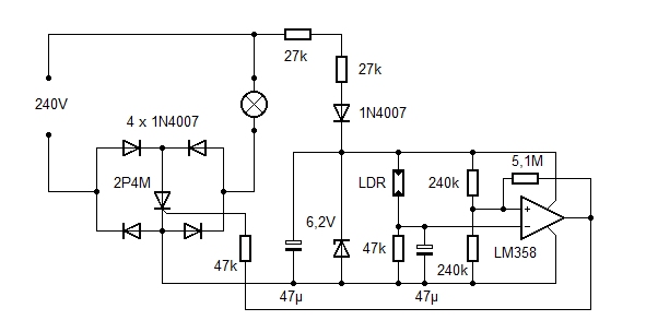
Die
Steuerplatine dagegen sieht sehr ordentlich aus. Man erkennt einen
SMD-Thyristor 2P4M, fünf Dioden 1N4007 und einen OPV LM358. Der 2P4M
ist für 2 A ausgelegt, aber die Grenze für die Dioden liegt bei 1 A.
Eine 60W-Lampe dürfte also problemlos sein.
Die
Schaltung ist gut verständlich. Der OPV wird als Komparator mit einer
Hysterese betreiben und zündet den Thyristor. Alles ist auf geringen
Stromverbrauch ausgelegt. Erstaunlich fand ich den relativ großen
Vorwiderstand am Gate des Thyristors mit 47 k. Das Datenblatt sagt
aber, dass man typisch nur 100 µA braucht um diesen Typ zu
zünden. Das ist deutlich weniger als bei einem üblichen Triac. Die
Kombination Vierweg-Gleichrichter + Thyristor führt also zu einem
geringen Ruhestrom von rund 2 mA.
Soweit alles korrekt, der
erste Test kann steigen. Dazu habe ich eine 60W-Halogenlampe verwendet.
Erst gab es ein Geflacker, das aber bei optimaler Platzierung des
Lichtsensors verschwand. Alles funktioniert nun einwandfrei. Man
erkennt eine gewisse Zeitverzögerung durch den Elko am Sensor. Und die
Hysterese ist auch deutlich zu erkennen. Beides sorgt für ein sauberes
Umschalten ohne Geflacker.
Fazit: Die Fassung ist sicher genug
für den Einsatz in geschlossenen Räumen. Aber warum das alles nur einen
Euro kostet, verstehe ich immer noch nicht.
Brandgefahr, Nachtrag von Heinz D.
Auch ich habe das 1€-Nachtlicht gekauft. Es funktionierte nicht. Nach dem
Öffnen war klar, die Drähte vom LDR waren abgebrochen oder nie angelötet und
vagabundierten in der Nähe der Platine herum. Ich vermisste eine Sicherung.
Zumal bei einem Fehler die dünnen Drähte spitz verlötet an den Spaxschrauben
oder der Brückengleichrichter den 16A-Automaten kaum auslösen werden. So etwas
nennt man einen Brand billigend (1€?) in Kauf nehmen!
BITTE NICHT IN BETRIB NEHMEN!!!