Labortagebuch November 2020

 Elektronik-Labor  Notizen  Projekte  Labortagebuch

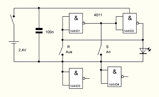
24.11.20: Der Zauberstab


Mein Bruder Ulli erzählte mir von diesem Zauberstab mit vier pinken LEDs (nur für Zauberinnen! Die Pinkifizierung hat auch im Reich der Elfen und Feen Einzug gehalten.). Immer wenn man ihn neu einschaltet, kommt ein anderes Blinkmuster: Langsam, mittel schnell, ganz an, also alles ganz normal. Nein, überhaupt nicht normal, das ist Zauberei! Woher soll denn die Elektronik wissen, wie der letzte Stand vor dem Ausschalten war? Ulli schickte mir dann noch ein Foto der Platine. Ich glaube, darauf einen dieser neuen 3-Cent-Padauk-Controller zu entdecken, zusammen mit einem keramischen Kondensator und einem Schalttransistor. Der Controller hat definitiv kein EEPROM, in dem der letzte Stand gespeichert sein könnte.



Mein Gedanke war, dass eine Speicherstelle im RAM sich den Zustand lange merken kann, auch wenn die Spannung schon fast ganz runter ist. Nach einem längeren Aus-Zustand müsste diese Information verloren gehen. Aber genau das konnten wir nicht feststellen. Also doch echte Zauberei? Inzwischen habe ich den Zauberstab bekommen. Und mir kam eine Idee: Nicht nur von der Spannung trennen, sondern auch noch kurzschließen!  Und dann ist die Information tatsächlich verloren. Der Controller startet dann immer mit einem langsamen Blinken. Damit ist mein Verdacht bestätigt. Der Controller wertet den Schatten einer Information im RAM aus, sozusagen den Nimbus der Erinnerung.



Oft hat man ja den Chinesen nachgesagt, dass sie Entwicklungen nur kopieren. Aber inzwischen haben sie so gute Ideen, dass ich sie kopieren muss. Ich habe schon versucht, ob ich das Verfahren auf einem ATtiny nachahmen kann, bisher leider ohne Erfolg. Aber mit einer einzelnen Speicherzelle habe ich es geschafft: Aus einem alten Vierfach-NAND-Gatter  CD4011 habe ich ein RS-Flipflop gebaut. Weil die Spannung nur 2,4 V ist, darf ich eine LED ohne Widerstand anschließen. Den Zustand kann ich durch kurze Verbindungen der Anschlüsse umschalten. Und wenn ich dann die Batterie abschalte, merkt sich das Flipflop den Zustand. Beim nächsten Einschalten wird er wieder sichtbar: An oder Aus. Die Erinnerung hält zuverlässig mindestens zehn Minuten lang. Der Zauber ist gelungen!



Genauer getestet: Die Information hält mehrere Stunden lang! Ich wollte außerdem wissen, ob das von der Restspannung am Kondensator abhängt. Ergebnis: Selbst wenn ich den Kondensator über das Messgerät ganz entlade, bleibt die Information erhalten. Meine Theorie dazu: Der CD4011B hat einen zweistufigen Aufbau, also immer zwei Gatter hintereinander. Irgendwo unter 2 V sind die Transistoren vollständig gesperrt. Dann kann sich auf einem Gate der inneren Stufe eine Restladung erhalten. Außen Null, innen vielleicht noch 1V. Wenn dann beim neunen Anlagen einer Spannung die Entscheidung fällt, zu welcher Seite das Flipflop kippt, bringt diese kleine Ladung den Ausschlag.


5.11.20: Die HF-Rasterplatine


Auf den ersten Blick sieht diese Platine aus wie eine ganz normale Punktraster-Platine. Aber sie wurde speziell für HF-Schaltungen entwickelt und hat daher beidseitig eine durchgehende Massefläche. Die Anregung dazu kam von Leander, der gerade aktiv an seinem SSB-Transceiver arbeitet.




Man muss ganz genau hinsehen, dann erkennt man, wie die Masse angeschlossen ist. Alle äußeren Lötpunkte sind mit Wärmefallen an Masse gelegt. Dazu kommen Masse-Reihen, die sich alle fünf Reihen wiederholen. Zwischen allen Punkten ist die Masse weitergeführt. Deshalb findet man überall auf der Platine einen kurzen Weg zur Masse. Das ist bei HF-Schaltungen wichtig, weile längere Umwege zusätzliche Induktivitäten bedeuten, die zu schlechter Entkopplung zwischen den Stufen einer Schaltung führen. Auch an Rand sind jeweils die beiden äußeren Anschluss-Streifen an Masse gelegt. Man kann daher zwei der Platinen zuverlässig verbinden, indem man die Masse fortführt.



Die Platine wurde übrigens mit Target 3001 gezeichnet. Die ersten Muster sind gerade angekommen. Für die nächsten HF-Entwicklungen bin ich gut versorgt. Die Platine gibt es jetzt auch bei Modul-Bus: https://www.ak-modul-bus.de/stat/hf_rasterplatine_pcb_hf,pd1100!0,,PCB_HF.html





 Elektronik-Labor  Notizen  Projekte  Labortagebuch