Labortagebuch Februar 2026

Elektronik-Labor  Notizen  Projekte  Labortagebuch


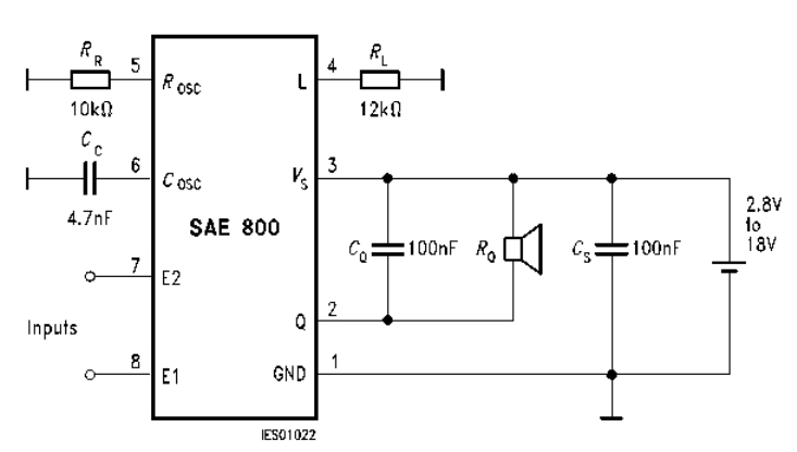
25.2.26: Türgong SAE800


In der geschenkten Bauteilesammlung waren viele ICs, von denen ich einige nicht kannte. Die Neugier treibt mich dann immer, die Datenblätter im Netz zu suchen und zu überlegen, was man damit anfangen könnte. Auch zwei SAE800 von Siemens waren dabei. Da hat bei mir etwas geklingelt. Und tatsächlich, es sind Türgong-ICs.


Im ersten Versuch wurde die Schaltung aus dem Datenblatt auf einem Steckboard getestet. Als sie funktionierte, habe ich alles auf eine kleine Lochrasterplatine gesetzt. Als Lautsprecher diente der kleinere Lautsprecher aus dem defekten DECT Telefon.

Am Ende wurde die Platine in ein Plastik-Döschen eingebaut. Wegen der relativ großen Länge ergibt sich trotz des kleinen Lautsprechers ein guter Klang. Mein kleiner Enkel war begeistert. Er betätigt gern Lichtschalter, Klingelknöpfe und vieles mehr, was nicht so gut ankommt. Aber hier kann er nun klingeln, solange seine Eltern das aushalten.





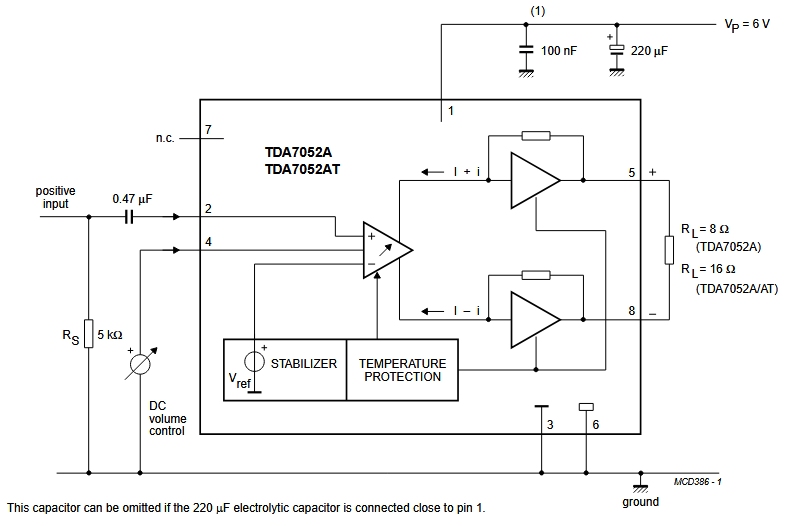
16.2.26: Brückenverstärker TDA7052



Allen Bastlern geht es ähnlich. Man kann alles gebrauchen, und am Ende hat man viel zu viel. Nur was man gerade braucht, ist nicht dabei. So ging es mir mit dem TDA7052, einem NF-Brückenverstärker, der ab 3 V arbeitet. Ich hatte ihn mal in einem Kurzwellenempfänger eingesetzt, aber inzwischen wird er nicht mehr gebaut. Aber gerade kam ein Päckchen, voll mit interessanten Bauteilen. Der Absender war nicht zu entziffern, und so bedanke ich mich auf diesem Weg. Im Päckchen waren Bauteile aus vielen Jahrzehnten, von Germanium-Transistoren über CMOS-ICs, Arduino-Controllern bis hin zum ESP32-Board. Und mitten dabei auch der TDA7052. Ich werde alle Bauteile in Ehren halten, und einige werden auch ihren Einsatz finden. Und wenn sich mal die Gelegenheit ergibt, werde ich vieles verschenken, Vielleicht können sie helfen, jüngere Bastler auf den Weg in die Elektronik zu unterstützen.



12.2.26: Indirekte Leistungsmessung




Die beste Ehefrau hat mir einige Glühlampen zur Entsorgung gegeben. Weil aber gerade eine E14-Birne für eine Leselampe fehlte, wollte ich eine davon einsetzen. Sie war aber nicht beschriftet. Und ich wollte wissen, ob ich die höhere Leistung im Vergleich zu einer LED-Lampe mit meinem ökologischen Gewissen vereinbaren kann. Also habe ich den Kaltwiderstand mit dem Ohmmeter gemessen: 180 Ohm.

Eine Faustregel besagt, dass der Widerstand im normalen Betrieb um den Faktor 10 größer ist. 230V / 1800 Ohm = 128 mA. Und 230 V * 128 mA = 29 W. Zum Vergleich hatte ich eine beschriftete Lampe mit 50 W. Sie hatte einen Kaltwiderstand von 85 Ohm. Die gleiche Rechnung brachte eine geschätzte Leistung von 62 W, also vermutlich 24% zu viel. Im gleichen Maße korrigiert hat die kleinere Lampe 23,4 W. Geschätzt hatte ich nominell 25 W. Und am Ende habe ich doch noch eine sehr schwache Beschriftung mit 25 W entdeckt, die Methode bringt also reelle Ergebnisse.

Mein ökologisches Gewissen habe ich dann folgendermaßen beruhigt: Weil diese Lampe ja auch Wärmestrahlung abgibt und mit dem Reflektor sehr effektiv ist, kann ich am Abend beim Lesen die Zimmertemperatur etwas absenken, was vermutlich mehr Energie einspart. Außerdem hat die Lampe ein sehr schönes, warmes Licht.



Elektronik-Labor  Notizen  Projekte  Labortagebuch