| Start
Experimente
- Roboter 1
- Roboter 2
- Roboter 3
- Roboter 4
Grundlagen
Produkte
Neues
Impressum
|
Roboter NAIL SEEKER
von Markus Bindhammer (Bindis@web.de)

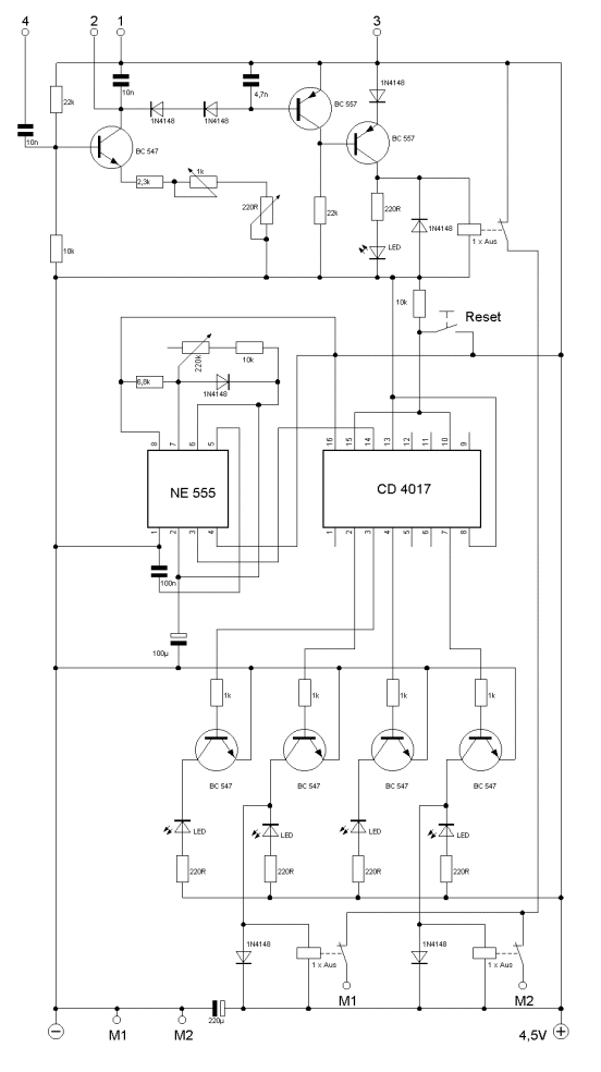
| Der NAIL SEEKER ist ein Suchgerät
für Nägel und andere Metallteile. Sobald Betriebsspannung anliegt,
fährt der Roboter los - geradeaus, Linkskurve, geradeaus, Rechtskurve,
geradeaus... Über ein Poti wird ein individuelles Suchfahrtmuster
eingestellt; durch Betätigung des Reset-Tasters springt die Elektronik
wieder auf Geradeausfahrt.
Nailseeker.pdf (403 KB)
|

| Kommt die Suchspule in die Nähe eines metallischen
Gegenstands, bleibt der Roboter stehen und eine Signal-LED beginnt zu leuchten.
Der Abgleich des Metalldetektors ist über das 1k- bzw. 220R-Poti vorzunehmen.
Die Empfindlichkeit kann dabei so weit gesteigert werden, dass der Roboter
sogar einen kleinen Nagel unter dem Teppich oder Heizungsleitungen im Fußboden
aufspürt. |

|