| Start
Experimente
- Roboter 1
- Roboter 2
- Roboter 3
- Roboter 4
Grundlagen
Produkte
Neues
Impressum
|
Roboter Lolly
von Markus Bindhammer (Bindis@web.de)

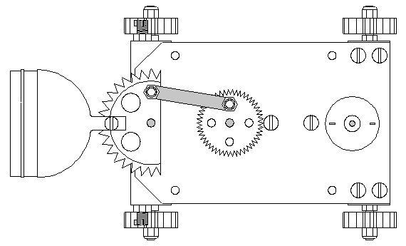
| LOLLY ist ein Roboter, der
sich durch seine oszillierenden Vorderbeine fortbewegt. Um ein Scharren
auf der Stelle zu vermeiden, sind diese mit Sperrklinkenrädern ausgestattet.
In gleicher Weise wie die Vorderbeine bewegt sich eine Hörmuschel
mit, die aus der Verpackung eines bekannten Kinderlutschers gefertigt ist
und zur Namensgebung des Roboters beigetragen hat. In dieser Hörmuschel
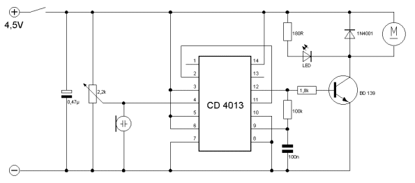
sitzt ein Elektret-Mikrofon, das an einen Klatschschalter gekoppelt ist.
Vernimmt der Roboter ein lautes Geräusch, schaltet er sich ein bzw.
aus.
Roblolly.pdf (81 KB)
|

| Der Text enthält umfangreiche Konstruktionszeichnungen
und den Schaltplan der Motorsteuerung über das Mikrofon sowie die
Anschlussbelegungen für das Mikrofon und den Transistor BD139. |

|