
| Start
Grundlagen |
|
Messgrößen, die über mehrere Dekaden
erfasst werden sollen, stellt man oft in einem logarithmischen Maßstab
dar und gibt sie in dB an. Üblich ist z.B. die Angabe von Pegeln in
dBm. Die Definition des Dezibel als logarithmisches Maß führt
dazu, dass 10 dB eine Verzehnfachung der Leistung bedeuten und 20 dB eine
Verzehnfachung der Spannung. Auf einer Signalleitung können leicht
Pegelunterschiede von 100 dB und mehr auftreten. Deshalb verwendet man
oft Messgeräte mit logarithmischer Anzeige. Will man einen großen
Messumfang ohne Bereichsumschaltung erreichen, dann wird ein Logarithmierer
benötigt. Die folgende Liste zeigt mögliche Anwendungsbereiche:
Ein Logarithmierer hat die Aufgabe, einen großen Bereich der Eingangsgröße logarithmisch am Ausgang abzubilden. Jede Vergrößerung der Eingangsspannung um den Faktor 10 soll z.B. zu einer Erhöhung der Ausgangsspannung um 1 V führen. Ein Unterschied von 3 V am Ausgang bedeutet damit einen Pegelunterschied von 60 dB. |
| Ein Logarithmierer nutzt meist die Tatsache aus,
dass die normale Diodenkennlinie über weite Bereiche einen streng
exponentiellen Verlauf hat. Die Diodenspannung verhält sich damit
wie der Logarithmus des Verhältnisses der Diodenströme.
Der logarithmische Verlauf der Kennlinie wird bei sehr kleinen Strömen durch Leckströme verfälscht, bei sehr großen Strömen durch den Bahnwiderstand der Diode. Außerdem ist die Diodenspannung stark temperaturabhängig. Bei konstanter Temperatur kann man von einem Umfang von bis zu 6 Dekaden, also 120 dB ausgehen. Eine praktische Schaltung verwendet die Diode im Gegenkoppelzweig eines OPV. Die Eingangsgröße kann dann je nach Anwendungsfall ein Strom oder eine Spannung sein. |
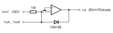
Ein einfacher Logarithmierer
| Die Ausgangsspannung der Schaltung ändert sich um ca. 60 mV, wenn der Eingangsstrom sich verzehnfacht (+ 20 dB). Die Schaltung weist bei Temperaturänderungen große Fehler auf. Eine Erhöhung der Temperatur um 1 °C verändert die Ausgangsspannung um etwa 2 mV. Damit entspricht eine Temperaturänderung von 15 °C einem Messfehler von 10 dB. Der Fehler lässt sich größtenteils durch eine zweite Diode kompensieren, deren Durchlassspannung bei weitgehend konstantem Diodenstrom von der Ausgangsspannung subtrahiert wird. |
Temperaturkompensation mit einer zweiten Diode
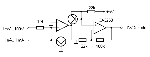
| Die Transistorkennlinie UBE/IC ist wie eine Diodenkennlinie über weite Bereiche streng logarithmisch. Setzt man statt Dioden Transistoren ein, dann ist die Genauigkeit der Schaltung noch wesentlich besser. Die Temperaturkompensation erfolgt über einen zweiten Transistor. |
Ein Logarithmierer auf der Basis von Transistoren