
| Start
Grundlagen |
|
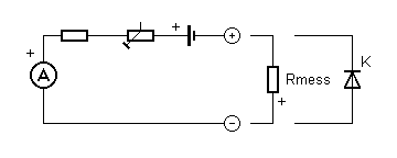
| Einfache Vielfachmessgeräte bieten meist auch einen oder mehrere Widerstands-Messbereiche. Für diesen Zwecke benötigen sie eine Batterie, die oft für alle anderen Messbereiche ohne Funktion ist. Die Widerstandsmessung beruht im Prinzip auf einer Strommessung bei konstanter Spannung. Die Widerstandsanzeige ist daher nicht linear. Der Endausschlag bei null Ohm muss mit einem Potentiometer abgeglichen werden, um die unterschiedliche Batteriespannung auszugleichen. Am anderen Ende der Skala reicht die Messung in jedem Bereich bis Unendlich. |
Prinzipschaltung eines Ohmmeters
| Die übliche Beschaltung
einfacher Analog-Multimeter
bringt es mit sich, dass die Spannung an den Anschlussklemmen im
Ohmmessbereich
anders gepolt ist als die Bezeichnungen der Anschlüsse für Strom-
und Spannungsmessungen. Am Minusanschluss des Vielfachmessgeräts liegt
also der Pluspol des Ohmmeters. Dies ist zu beachten, wenn man ein
Ohmmeter
zur Überprüfung von Dioden oder Transistoren verwenden will.
Mit etwas Übung lassen sich mit einem einfachen Ohmmeter nicht nur
Widerstände, sondern auch Transistoren, Dioden, Kondensatoren und
viele andere Bauelemente überprüfen.
Bei der Messung an Diodenstrecken muss bewusst bleiben, dass einer Sperrschicht kein konstanter Widerstand zugeordnet werden kann, sondern dass der Gleichstromwiderstand vom Messstrom abhängt. Der angezeigte Wert hängt vom Messstrom und damit vom gewählten Messbereich ab. Trotzdem lassen sich Aussagen über die gemessene Diodenstrecke machen. Beobachtet man bei einem Ohmmeter mit einer internen Spannung von 1,5 V einen Zeigerausschalg von etwa der Hälfte der Skala, dann muss der Spannungsabfall am Messobjekt etwa 0,75 V betragen. Der Ausschlag ändert sich wegen der exponentiellen Kennlinie einer Diode nur geringfügig mit einer Bereichsumschaltung. Es wird daher in jedem Messbereich ein anderer Widerstand angezeigt, der Zeigerausschlag ist dagegen ähnlich, da der Spannungsabfall immer um 0,6 V beträgt. Die Diodenspannung lässt Rückschlüsse auf den Diodentyp, hier auf eine Si-Diode zu. |
Gleichstromwiderstand einer Si-Diode bei verschiedenen Messströmen
| Mit einer Schottkydiode
erhält man dagegen nur
etwa den halben Spannungsabfall, also einen geringeren angezeigten
Widerstand.
Eine Ge-Diode zeigt bei kleinen Messströmen einen ähnlich kleinen
Innenwiderstand, bei größeren Strömen, also kleineren Ohmbereichen,
zeigt sich jedoch ihr größerer Bahnwiderstand.
Bei der Prüfung eines Transistors lassen sich nur mit einem Ohmmeter verschiedene Aussagen über den Typ und den Zustand des Messobjekts machen. Auch für einen völlig unbekannten Transistor lässt sich so die Anschlussbelegung herausfinden. Mit drei typischen Messungen lässt sich ein Transistor vollständig prüfen. Zunächst werden die Basis-Emitter- und die Basis-Kollektordiode gemessen, womit sich bereits Si- und Ge-Transistoren unterscheiden lassen und mögliche Kurzschlüsse verraten. Danach misst man den Widerstand zwischen Emitter und Kollektor ohne und mit Basisstrom. Bei offener Basis zeigt ein intakter Transistor keinen Strom, also einen unendlichen Widerstand. Bei leitender Verbindung der Basis mit dem Kollektor muss sich ein etwas größerer Strom zeigen als bei der Basis-Emitterdiode allein. |
Messungen an einem Transistor
| Der letzte Test sollte
mit einem kleinen Basisstrom
über einen Basis-Kollektorwiderstand durchgeführt werden. Den
Basisstrom kann man auch durch Berühren von Kollektor und Basis mit
dem angefeuchteten Finger bekommen. Der erzielte Ausschlag am Ohmmeter
vermittelt einen groben Eindruck von der Stromverstärkung des
Transistors.
Auch bei vertauschtem Emitter und Kollektor zeigt sich noch eine
geringe
Stromverstärkung, so dass man den Transistor im Zweifelsfall noch
einmal umdrehen sollte, wenn die Anschlüsse nicht sicher bekannt sind.
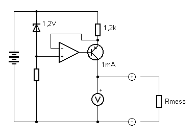
Digitalvoltmeter verwenden meist eine völlig andere Innenschaltung im Ohmbereich. Hier beruht die Widerstandsmessung auf einer Messung des Spannungsabfalls bei konstantem Strom. Damit ergibt sich eine lineare Anzeige und eine eindeutige Messbereichsgrenze. Ein Abgleich des Nullpunkts ist hier nicht erforderlich. Ein weiterer Unterschied gegenüber Zeigerinstrumenten ist, dass die Polung bei Spannungs- und Strommessung der im Ohmbereich entspricht. |
Prinzip der Widerstandsmessung mit einer Konstantstromquelle