Start

Experimente

Grundlagen

Produkte
- SI4735
- - 4 MHz  
- - Software  
- - Antennen  
- - Hilfeseite  
- - RDS   
- - ES-M32  
- - Heimradio
- - PCradio2

Neues

Impressum

SI4735

Integrierter AM/FM-Empfänger



Ein Chip der Größe 3 mm x 3 mm, der ein komplettes Radio mit UKW und drei AM-Bereichen enthält? Da wird man neugierig! Die Firma Modul-Bus hat eine Adapterplatine entwickelt, mit der man das Radio z.B. auf einer Experimentierplatine aufbauen kann. Hier wird zusätzlich der UM232R verwendet um den Empfänger am USB betreiben zu können. Der Baustein liefert auch gleich die erforderliche Spannung von 3,3 V. 




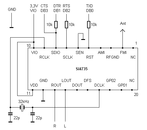
Ein Blick auf das Blockschaltbild verrät das Prinzip eines IQ-Empfängers, ähnlich wie er auch schon für Kurzwelle verwendet wurde. Aber diesmal funktioniert die Dekodierung ohne PC-Software, weil ein eigener DSP diese Aufgabe übernimmt. Nur für die Abstimmung wird noch ein PC oder ein Mikrocontroller benötigt. Der SI4735 verfügt über unterschiedliche digitale Schnittstellen. Hier wurde der I2C-Bus verwendet. Man braucht nur zwei Leitungen, SDA und SCL. Zusätzlich muss nur noch der Reset-Eingang des Chips bedient werden.














      
      
      
      
      
      
      
      
      
      
      
      
      

(Schaltplan Update 23.12.09: Pin 6 (SEN) an GND)

Das Schaltbild zeigt eine minimale Beschaltung für den ersten Test. Es wurde nur ein kurzes Stück Draht als UKW-Antenne verwendet. Die Stereo-Ausgänge R und L verzichten auf Koppelkondensatoren, weil diese schon im angeschlossenen Verstärker liegen. Ein 32-kHz-Uhrenquarz sorgt für den Takt. Das Interface zum UM232R verwendet drei Widerstände. Zwei der Leitungen könnten zwar auch direkt verbunden werden, aber so wird eine größere Fehlersicherheit erreicht. 

Der Chip benötigt eine Betriebsspannung von 3,3 V an VDD und an VIO. Achtung an VDD ist nicht mehr als 3,6 V erlaubt. Man muss gut darauf achten, dass der UM232R nicht versehentlich auf 5 V gejumpert wurde. Ein Chip ist bei den ersten Tests leider bereits durch zu hohe Spannung  kaputtgegangen. Jumper S1 muss in die obere Position gesteckt sein, dann liefert das Modul 3,3 V an VIO. Geplant ist aber auch eine komplette Platine für das Radio. Dann kann dieser Fehler nicht mehr passieren.




Der FT232R wird hier wie eine serielle Schnittstelle z.B. als COM1 oder als COM2 verwendet. Die  TTL-Pegel mit 3,3 V sind gegenüber einer echten RS232 invertiert. Die Leitungen DTR und RTS bilden einen I2C-Bus mit der zusätzlichen Eingangsleitung CTS. Für die Ansteuerung wurde ein kleines Testprogramm in VB geschrieben.



Für UKW-Empfang reicht bereits ein Stückchen Draht von 10 cm Länge als einfache Antenne. Nach dem Start des Programms muss man den Empfänger durch einen Klick auf die Schaltfläche FM initialisieren. Erst dann beginnt der 32-kHz-Quarz zu schwingen. Ein weiterer Test auf geglückte Initialisierung ist die Spannung an den Audio-Ausgängen R und L, die nun etwa 1 V beträgt. Der UKW-Empfänger stimmt sich auf den ersten starken Sender ab. Am Ausgang erscheint das Stereo-Signal.  Nun kann man eine andere Frequenz eingeben oder einen Suchlauf starten. Außerdem gibt einen Lautstärkeschieber. 

Der AM-Empfang erfordert den Anschluss einer entsprechenden Antenne oder einen Vorkreises. Man kann z.B. eine Ferritantenne anschließen. Nach der AM-Initialisierung funktioniert die Abstimmung ähnlich wie bei FM entweder durch Direkteingabe oder mit dem Suchlauf. 

Software-Download:  SI4735Test1.zip (42 KB)

Wichtiger Hinweis zum Schaltplan: Pin 6 (SEN) muss an GND liegen, da der Chip sonst unzuverlässig arbeitet.

17.6.14: Ein Erfahrungsbericht von Lothar Hiller

Der Si4735 läuft zu meiner vollsten Freude, ohne Mucken und in allerbester Qualität. Ich wohne in Hemmoor, UKW-Sender sind in Hamburg, Cuxhaven, Bremen, eine "Mords"-Hochspannungsleitung hinter meiner Wohnung. Bisher hatte ich immer nur mäßigen Empfang, weitab von rauschfreiem Stereo, geschweige denn RDS. Auch Phillips-Industrietuner brachten keinen Durchbruch; der Si4735 (angesteuert über I2C vom PIC16F690) hat es geschafft, mit 1m-Drahtantenne bzw. Teleskop habe ich nun astreinen Empfang. Nun kann ich mich an meinen Traum, RDS zu empfangen, heranmachen. I'am happy.