Verwenden Sie den Fototransistor als Lichtsensor. Damit ist das Messergebnis des einfachen AD-Wandlers von der Helligkeit abhängig. Der übliche Helligkeitsbereich an einem Arbeitsplatz kann erfasst werden. Je heller das Licht, desto geringer wird die Ladezeit. Untersuchen Sie z.B. die Helligkeit von Leuchtstoffröhren. Nach dem Einschalten erreicht die Röhre erst nach ca. einer Minute ihre volle Helligkeit.


Private Sub Timer1_Timer()zurück
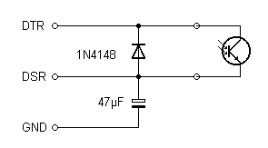
DTR 1
TIMEINIT
While (DSR() = 0) And (TIMEREAD() < 951)
DoEvents
Wend
R = TIMEREAD()
If n = 2 Then y1 = R
y2 = R
Text2.Text = Str$(Int(R))
DTR 0
x1 = n
n = n + 1
x2 = n
Picture1.Line (x1, y1)-(x2, y2)
y1 = y2
End Sub