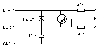
Ein Transistor verstärkt den
geringen Strom durch die Haut. Auf diese Weise funktioniert der einfache
AD-Wandler auch mit dem relativ hohen Hautwiderstand. Der Widerstand hängt von
der Größe der Kontaktfläche zum Draht und von der Feuchtigkeit der Haut ab. Das
Ergebnis lässt sich mit dem Messprogramm zur Widerstandsmessung ADR oder mit
dem Messwertplotter PLOTTER1 beobachten.

