Franzis-FM-Radio umgebaut

 
Elektronik-Labor  Literatur  Projekte  Lernpakete  UKW



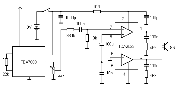
Meine Tochter Luci wollte ihrer Freundin ein Radio zum 18. Geburtstag bauen.  Das Ziel war UKW, schön laut und so schön wie das umgebaute Duschradio. Zum Glück hatte ich eine UKW-Platine vom neuen Franzis-Radio, nur ein Gehäuse fehlte mir noch. Aber ich habe ja noch genügend Muster der Vorgänger-Radios. Das Gehäuse konnte sie sich also aussuchen. Die Wahl viel auf das Franzis-MW-Retroradio. Statt des Verstärkers auf der UKW-Platine sollte ein externer Verstärker Verwendung finden. Den TDA2822 wollte ich immer schon mal einsetzen. Er passt hier gut wegen seiner geringen Betriebsspannung. Also hat Luci das Radio zusammengebaut und ich den Verstärker.

 

 


Den TDA2822 habe ich in Brückenschaltung eingesetzt. Wie erwartet gab es zuerst Probleme mit der Stabilität. Der Baustein hat zu viel Verstärkung, was einen Abschwächer 330k/10k erforderlich machte. Gegen Rückwirkungen über die Betriebsspannung  musste ich 10 Ohm in die Versorgungsleitung legen und die Radioplatine mit 1000 µF puffern..


Das Radio hat dann noch die UKW-Antenne bekommen. Auch das Messgerät des MW-Radios wurde angeschlossen und dient jetzt mit einem Vorwiderstand von 1,5 k zur Anzeige der Batteriespannung. Das Ergebnis überzeugt mit gutem Klang und genügend Lautstärke.


 


Elektronik-Labor  Literatur  Projekte  Lernpakete  UKW