


Burkhard Kainka:
Mit
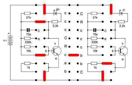
einem abgewandelten Stromspiegel kann man einen Lampenstrom überwachen. In
einem Motorrad soll das Rücklicht überwacht werden. Ein Kontrolllämpchen zeigt
die Funktion. Wenn die Lampe im Rücklicht durchbrennt, geht die Kontrollleuchte
aus.
In
diesem Fall wird der Strom durch die grüne LED überwacht und mit der roten LED
angezeigt. Weil die Kontroll-LED weniger hell sein soll als die überwachte LED,
wird die Emitter-Gegenkopplung eingesetzt. Sobald man den Strom durch die grüne
LED unterbricht, geht auch die rote LED aus.
Der folgende Screenshot zeigt, dass in der
Simulation mit zugeschaltetem Emitterwiderstand R3 nur die grüne LED1 (das zu
überwachende Motorradrücklicht) leuchtet, was nicht der Situation am Steckbrett
entspricht. Der hier angezeigte Kollektorstrom von T2 mit 92,2 uA reicht in der
Realität nämlich aus, um auch die rote LED2 (Kontrollleuchte) schwach leuchten
zu lassen.
Für beide LEDs wurde in der Simulation der
Nennwert statt den üblichen 20 mA auf 10 mA gesetzt, um das Leuchten besser
darstellen zu können. Somit begnügen sich beide LEDs mit weniger Strom, um
ihren Betriebszustand heller bzw. überhaupt darstellen zu können. Aber für LED2
reicht das in der Simulation noch nicht.

Wird der Kollektorstrom von T1 mit dem
Schalter S1 unterbrochen (simulierter Ausfall des Motorrad-Rücklichts),
verlöschen beide LEDs, da neben T1 auch T2 keinen Basisstrom mehr erhält und
sperrt. Damit fließt durch beide LEDs kein Kollektorstrom.

Um nun auch in der Simulation beide LEDs
leuchten zu lassen, wird der Emitterwiderstand R3 mit Schalter S2 überbrückt:
Damit wird auch der Effekt von R3 auf den
Kollektorstrom von T2 deutlich:
Mit zugeschaltetem
Emitterwiderstand (vgl. Screenshot #1) beträgt die
Basis-Emitterspannung
656,6 mV (UB – UR3 = UBE => 749 mV – 92,4
mV = 656,6 mV).
Ohne
Emitterwiderstand fällt die volle Basisspannung in
der Höhe von 749 mV über der Basis-Emitterstrecke von T2 ab, was für mehr
Kollektorstrom - und damit nun endlich auch ein Leuchten der roten LED2 in der
Simulation - sorgt.
Aber auch ohne Emitterwiderstand sorgt ein
Unterbrechen des Kollektorstroms von T1 dafür, dass beide LEDs ohne
Basisspannung bleiben und damit verlöschen.
