8.5 Temperatur und Verlustleistung

von Andreas Thaler

Elektronik-Labor  Projekte  Lernpakete  Grundschaltungen

 

Burkhard Kainka:

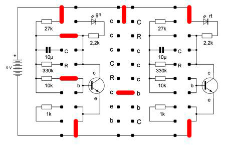
Ein Transistor kann sich im Betrieb selbst erwärmen. Im Normalfall sind allerdings die Verlustleistungen so gering, dass man kaum etwas davon merkt. Ein Kurzschluss des Kollektorwiderstands führt jedoch zu einem großen Kollektorstrom und zu einer erheblichen Leistungsaufnahme. Dass der Transistor dennoch nicht in Gefahr gerät liegt an den beiden 47-Ω-Schutzwiderständen, die den maximalen Kollektorstrom auf 100 mA begrenzen. Die maximale Verlustleistung des Transistors wird erreicht, wenn er  gerade halb ausgesteuert wird und noch eine Kollektorspannung von 4,5 V hat. Dann fließt ein Kollektorstrom von 50 mA und die Verlustleistung beträgt 225 mW.  Erlaubt sind ein Strom von 200 mA und eine Verlustleistung von 500 mW.

Die tatsächliche Verlustleistung hängt auch vom Stromverstärkungsfaktor ab. Gemessen wurde eine Kollektor-Emitterspannung von nur noch 2 V. Damit sinkt die Betriebsspannung auf 2 V, sodass die LED nicht mehr arbeitet. Mit der gesetzten Kurzschlussbrücke geht die LED also aus. Der Transistor erwärmt sich, was man mit dem Finger spüren kann. Noch wärmer werden allerding die beiden Schutzwiderstände von 47 Ω in den Batterieleitungen.

Nach etwa drei Sekunden soll der Kurzschluss wieder entfernt werden. Die LED geht zwar unverzüglich wieder an, leuchtet aber am Anfang etwas schwächer. Erst nach einer oder zwei Sekunden wird wieder die alte Helligkeit erreicht. Der Grund dafür ist die durch den Kurzschluss verursachte Erwärmung des linken Transistors. Dadurch sinkt seine Kollektorspannung, und der rechte Transistor wird weniger ausgesteuert. Die Wärme wird aber schnell abgeführt, sodass der Stromspiegel nach kurzer Zeit wieder im Gleichgewicht ist.

 

 

Schaltungssimulation mit EveryCircuit






Kommentar B.K.: Die zweite Simulation zeigt sehr schön, wie groß der Strom bei geschlossenem Schalter wird und wie die beiden Schutzwiderstände von 47 Ohm schlimmeres verhindern. Was aber nicht simuliert werden kann, ist die Erwärmung des linken Transistors, die dazu führt, dass sich die Ströme beider Transistoren nach dem Öffnen des Schalters gegenüber dem Ursprungszustand ändern. In der Realität hängt es ja auch noch davon ab, wie lange man den Schalter geschlossen hält.