
Die elektrische
SpannungBegleitkurs zum Elektronik-Kalender 2010, 1. bis 4.
Dezember
Die meisten Missverständnisse in Zusammenhang mit
Stromkreisen und Messungen beruhen nach meiner Erfahrung auf einer unklaren
Vorstellung davon, was eigentlich die elektrische Spannung ist. Manche halten
sogar die Unterscheidung von Strom und Spannung für eine unzumutbare
Spitzfindigkeit. Ist sie aber nicht. Ich versuche das mal ganz genau zu
erklären. Wer es schon weiß, soll unten weiter lesen.
Zum Versuch vom 1. Dezember: Die Batterie soll eine Spannung von 9 V haben. Steht drauf.
Schalten Sie Ihr Messgerät ein, stellen Sie einen Messbereich über 9 V ein
(meist 20 V) und halten Sie beide Messkabel an die Batteriepole. Messen Sie
jetzt 9 V? Wahrscheinlich nicht. Wenn die Batterie ganz neu ist, können es auch
9,4 V oder mehr sein. Und wenn sie schon gebraucht ist, vielleicht 7 V oder
weniger.
Was ist überhaupt die Spannung?
Manche sagen umgangssprachlich ungenau „da ist Strom drauf“
und meinen eigentlich, zwischen den beiden Polen (der Steckdose, der Batterie)
liegt eine elektrische Spannung, ob gerade Strom fließt, ist erst mal egal. Jeder
weiß, die Spannung wird in Volt gemessen. Alles über 48 V ist gefährlich, und
ab 100 V tut es richtig weh. Gut, die Spannung wird in Volt gemessen, aber was
die Spannung genau ist, sagt das auch nicht.
Ein Physiker würde es so sagen:
Die elektrische
Spannung ist die Potenzialdifferenz zwischen zwei Punkten.
Da muss man aber nachfragen, was das Potenzial ist. Es hat was mit Energie zu tun und kann an einem
anschaulichen Beispiel aus der Mechanik verdeutlicht werden. Wieviel Energie
hat ein kleiner Stein von z.B. 100 Gramm, der von einem Gerüst fällt. Die
Gewichtskraft beträgt ca. 1 Newton (1 N). Die Energie hängt offensichtlich von
der Fallhöhe und von der Masse des Steins ab. Und bevor er fällt, hat er
potenzielle Energie, er hat sozusagen das Potenzial, Schaden anzurichten. Fällt
er nur ein Stockwerk tiefer auf den Schutzhelm des Poliers, ist der Schaden
nicht sehr groß, nur das Geschimpfe. Fällt er aber zehn Stockwerke tief auf das
Auto des Chefs, dann ist der Schaden groß, der Ärger ebenfalls. Die potenzielle Energie kann also nur
angegeben werden, wenn der Nullpunkt
bekannt ist. Er könnte z.B. in einer tiefen Baugrube liegen. Wenn die mögliche
Falltiefe 20 m beträgt, ist seine potenzielle Energie 1 Newton * 20 Meter = 20
Joule. 20 Joule sind 20 Wattsekunden,
und da sieht man schon die Verbindung zu Elektrizitätslehre. Ein kleiner Kran
mit einer Motorleistung von einem Watt müsste 20 Sekunden lang arbeiten, um den
Stein wieder hochzubringen.
So wie die Masse in Kilogramm grundlegend für das
mechanische Beispiel ist, ist es die elektrische Ladung in Coulomb für
alle elektrischen Vorgänge. Die Stromstärke
ist übrigens Ladung geteilt durch Zeit, ein Coulomb ist ein Ampere mal eine Sekunde. Eine
9-V-Alkali-Blockbatterie hat eine Kapazität von 500 mAh, das sind 0,5 A * 3600
s = 1800 As oder 1800 C (1800 Coulomb). Und wo kam jetzt die Spannung darin
vor? Gar nicht, denn eine 1,5-V-Batterie könnte ebenfalls 500 mAh haben.
Aber eine 9-V-Batterie hat sechsmal so viel Energie wie eine
1,5-V-Batterie mit gleicher Ladung. Die Spannung ist gleich der Energie geteilt durch die Ladung. Oder
anders gesagt: Die Spannung gibt an, wie viel Arbeit eine Ladung verrichten könnte.
Spannung = Energie
durch Ladung, 1 V = 1 J / 1 C
Das gilt auch, wenn noch kein Strom fließt. Die Batterie
behält ihre Energie für später, wenn dann mal Strom fließt und Arbeit
verrichtet wird. Eine gute Batterie kann zehn Jahre lang in der Schublade
liegen und ihre Spannung halten, ohne dass jemals Strom fließt.
Wenn dann aber ein Verbraucher angeschlossen wird und Strom
fließt, dann kann man es so betrachten:
Spannung = Leistung
durch Stromstärke, 1 V = 1 W / 1 A
Hier noch mal ein Vergleich der beiden Batterien: Beide
sollen gerade einen Strom von 1 A fließen lassen. Die 9-V-Batterie leistet dann
9 Watt, die 1,5-V-Batterie aber nur 1,5 Watt.
Jetzt könnte jemand denken, am Pluspol liegt eine Spannung
von 9 V. Also halte ich nur das Pluskabel des Messgeräts dran. Geht aber nicht,
das Gerät zeigt null Volt.
Eine Spannung besteht
immer nur zwischen zwei Anschlüssen.
Aber was ist mit einer geladenen Gewitterwolke, die eine
Million Volt haben soll? Da ist der Gegenpol die Erde. Genau genommen hat also
nicht die Wolke allein eine Spannung, sondern es herrscht eine Spannung
zwischen Wolke und Erde. In andern Fällen herrscht eine Spannung zwischen Wolke
A und Wolke B, und dazu gibt es ja auch die passenden Blitze.
Eine Wolke allein hat zwar keine Spannung, aber sie hat ein Potenzial.
Das Potenzial wird ebenfalls in Volt gemessen und sagt, wie viel
Energie eine Ladung umsetzt, wenn sie von der Wolke zur Erde blitzt. Das
Potential ist also gleich der Spannung gegen Erde. Wenn es um zwei Wolken geht,
könnte Wolke A ein Potenzial von 1 000 000 V haben, Wolke B ein Potenzial von 1
500 000 V. Zwischen beiden Wolken besteht dann eine Potenzialdifferenz (Spannung) von 500 000 V. Hat er ja gesagt (der
Physiker): Die elektrische Spannung ist die Potenzialdifferenz zwischen zwei
Punkten.
Das kann ich auch mit der Batterie so machen. Der Minuspol
der Batterie wird mit der Erde
verbunden, der Minuspol des Messgeräts ebenfalls. Die Erde leitet und ersetzt
ein Stück Draht. Jetzt zeigt das Messgerät wieder 9 V an. Die Spannung zwischen
Pluspol und Erde beträgt also 9 V. Oder anders gesagt: Der Pluspol hat ein
Potenzial von +9 V. Aber das mit dem Potential funktioniert nur, wenn man
eindeutig sagen kann, wo das Nullpotenzial
liegt, hier eben in der Erde. Das hat übrigens auch eine gewisse Willkür, denn
ein Marsmensch könnte behaupten, das wahre Nullpotenzial liegt auf dem Mars. Es
sollte mich auch nicht wundern, wenn zwischen Erde und Mars eine
Potenzialdifferenz von ein paar Volt liegt, aber die Messung gestaltet sich
schwierig.
In manchen Schaltbildern findet man das Massezeichen. Es ist
ähnlich gemeint wie das Erde-Zeichen und steht für ein Nullpotenzial. Alle
Massepunkte sind miteinander verbunden. Aber eine Verbindung zu Erde muss nicht
bestehen. Beispiel Auto: An der Karosserie liegt Masse. Gegen Masse hat die Batterie eine Spannung
von +12 V. Tatsächlich aber ist das Auto „potenzialfrei“, d.h. es kann fast
jedes Potenzial annehmen. Es konnte sich z.B. bei einer Fahrt auf trockener
Straße auf ein Potenzial von 1000 V aufgeladen haben. Aber unter der Motorhaube
bleibt alles wie immer: 12 V zwischen Chassis und Batterie-Pluspol.
In einem anderen Schaltbild könnte eine Spannungsangabe
einsam und allein an einem einzelnen Anschluss liegen. Gemeint ist dann das Potenzial, also die Spannung gegen Masse. Damit man es
messen kann, muss der Minuspol des Messgeräts an Masse gehalten werden.
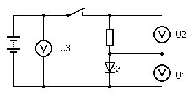
Spannungsmessungen im LED-Stromkreis
(2. und 3. Dezember)
Hier sind drei Voltmeter eingezeichnet, aber Sie können die
Spannungen mit einem Gerät nacheinander messen. Zuerst die Spannung direkt an
der Batterie, also U3. Schauen Sie mal ganz genau hin. Macht es einen
Unterschied, ob der Schalter offen oder geschlossen ist? Zumindest wenn die
Batterie nicht mehr ganz frisch ist, wird man eine etwas kleinere Spannung
messen, wenn der Strom eingeschaltet ist. Die Batterie hat dann schon einen
erhöhten Innenwiderstand.
Messen Sie nun auch U1 und U2. U3 ist etwa 9 V. U1 wird bei
etwa 2 V liegen, U2 bei etwa 7 V. Hier gelten die Gesetze der Reihenschaltung.
U3 = U1 + U2
Die LED darf niemals ohne Vorwiderstand an die Batterie
gelegt werden, weil sie nur etwa 2 V aushält. Der Spannungsabfall am
Vorwiderstand beträgt 7 V. Daraus kann die Stromstärke berechnet werden:
I = U / R
I = 7 V / 1
kOhm
I = 7 mA
Das können Sie mit dem Multimeter nachmessen. Wählen Sie
z.B. den Stromstärkenbereich 200 mA und halten Sie die Messkabel an beide
Anschlüsse des geöffneten Schalters. Vorsicht, in den mA-Bereichen muss man gut
aufpassen, das Messgerät nicht zu überlasten. Die V-Bereiche sind nicht so
kritisch. Für die folgenden Versuche muss das DVM wieder in den
Spannungsbereich umgeschaltet werden.
Am 4. Dezember kommt noch die Siliziumdiode dazu. An ihr kann ein
Spannungsabfall von ca. 0,7 V gemessen werden.
Jetzt ist der Aufbau eine
Reihenschaltung aus drei Bauteilen. Für die Spannung gilt:
U3 = U1 + U2 + U4
Bitte messen Sie das mal so genau wie möglich nach ...
weiter
zurück