
Operationsverstärker-Grundfunktionen
Begleitkurs zum Elektronik-Kalender 2010, 5. bis 9.
Dezember
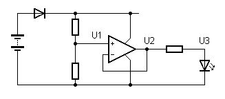
Und jetzt kommt der Operationsverstärker. Wie dieses Bauteil
funktioniert, kann man in den OPV-Grundlagen nachlesen. Kurz gesagt:
Der Operationsverstärker verstärkt die Spannungsdifferenz
zwischen seinen beiden Eingängen. Der Versuch am 5. Dezember legt
die Betriebsspannung an die Eingänge. Der Verstärker ist
daher voll ausgesteuert. Das können die passenden
Spannungsmessungen zeigen.
Sehen
Sie, wie ich diesmal die Spannungen U1 bis U3 eingetragen habe? Wo ist
der Minuspol des Messgeräts geblieben? Ganz klar, der Minuspol des
Messgeräts wird an den Minuspol der Batterie gehalten. Die
Minusleitung dient als Masseleitung. U1 bis U3 müsste man richtig
als Potenziale bezeichnen. Wenn ich jetzt sage, „die Spannung am
OPV-Ausgang ist U2“, dann ist das nur eine verkürzte Form
von: „Zwischen Masse und dem OPV-Ausgang liegt U2“.
Schon
bevor Sie die Spannung messen, ist teilweise klar, was zu erwarten ist.
U1 ist natürlich ca. 9 V – 0,7 V = 8,3 V. Die Spannung U3 an
der leuchtenden LED wird wieder bei etwa 2 V liegen. Aber U2 ist schwer
einzuschätzen. Man könnte ins Datenblatt
des LM358 schauen. Der Ausgang kommt nicht ganz an das Potenzial
des positiven Versorgungspins heran. Im Inneren des Verstärkers
gibt es einen Spannungsabfall von ca. 1,5 V. U2 ist daher so etwa 7 V.
Am LED-Vorwiderstand von 1 kOhm liegt also nur noch ein Spannungsabfall
von 5 V, der LED-Strom ist jetzt 5 mA. Die LED ist nicht so hell wie
sie sein könnte, aber dafür hält die Batterie schön
lange.
Haben Sie Spaß an einer kleinen
Schaltungsänderung? Vertauschen Sie die beiden OPV-Eingänge.
Der Ausgang geht dann auf eine kleine Spannung nahe Null. Und die LED
ist aus. Die spannende Frage ist aber, wie nahe kommt der OPV an null
Volt heran? (Ich sag nichts, da muss schon jeder selbst nachmessen oder
das Datenblatt studieren.) Es gibt OPV-Typen, die kommen am Ausgang bis
ganz an Null und an die positive Versorgungsspannung (rail to rail).
Der LM358 gehört nicht ganz zu diesen Typen, aber am unteren
Ende ist er schon sehr gut. Finden Sie auch irgendwas unter 100 mV?
Da
die LED aus ist, fließt kein Strom, und es ist relativ einfach,
bis nahe an Null zu kommen. Damit nun auch Strom fließt, verlegen
Sie die LED nach oben. Und jetzt messen Sie U2 noch einmal. Wenn Sie
richtig gemessen haben, ist U2 jetzt etwas größer (ich messe
ca. 0,9 V). Sie können auch notieren, bei welchem Strom das gilt,
denn der LED-Strom kann aus dem Spannungsabfall am Vorwiderstand
bestimmt werden.
Der
innere Spannungsabfall im OPV ist geringer als bei einer hohen
Ausgangsspannung. Man sieht, dass der Operationsverstärker nicht
ganz symmetrisch arbeitet. Der LM358 ist aber für einfache
Betriebsspannung und Funktion bis an das GND-Potential heran optimiert.
Die Eingänge funktionieren auch noch bei 0,000 V. Das liegt an den
PNP-Transistoren an den Eingängen (siehe OPV-Grundlagen, Abb. 10.12).
Gegenkopplung
Alle Versuche ab Tag 6
bis zum Tag 12 haben eines gemeinsam: Der OPV-Ausgang ist direkt mit
dem invertierenden OPV-Eingang verbunden. Der Verstärker arbeitet
dabei mit voller Gegenkopplung. Im Endeffekt stellt sich die
Ausgangsspannung dabei immer so ein, dass sie fast genau der
Eingangsspannung am nicht-invertierenden Eingang entspricht. Wenn sich
nämlich eine Differenz zeigen sollte, wird diese hoch
verstärkt und führt den Ausgang so nach, dass die
Ausgangsspannung wieder stimmt. Der verbleibende Unterschied ist auf
eine kleine Unsymmetrie der Eingangsstufe zurückzuführen. Das
Datenblatt sagt, dass diese Offsetspannung kleiner als 2 mV ist.
Ein
Verstärker mit Verstärkung Eins, da könnte man auch
sagen, dieser Verstärker verstärkt nicht. Wozu soll das gut
sein? Tatsächlich wird die Eingangsspannung nicht verstärkt.
Aber der OPV liefert eine große Stromverstärkung. Am Eingang
kann man sich deshalb einen hochohmigen Spannungsteiler leisten (2,2
MΩ und der Finger mit vielleicht ebenfalls ein paar MΩ),
obwohl am Ausgang die LED mit ihrem relativ kleinen Vorwiderstand
betrieben wird. Nimmt man den Verstärker heraus und schließt
die LED direkt an den Spannungsteiler, dann bricht dort die Spannung
stark ein. Der OPV puffert die Eingangsspannung jedoch, belastet den
Eingang kaum und stellt die Spannung am Ausgang niederohmig zur
Verfügung.
Wenn Sie später am 9. Dezember das Trimmpoti
ausgepackt haben, kehren Sie noch einmal zu diesem Versuch zurück
und ersetzen Sie den Spannungsteiler durch das Poti.
Nun
können Sie genau überprüfen, in welchen Bereich der OPV
gut funktioniert. Messen Sie auch die Offsetspannung dU (Delta-U, Spannungsdifferenz). Mein Exemplar
zeigte eine Offsetspannung von nur 0,4 mV. Und Ihrer?
Am siebten Tag
wird ein Elko mit einem Widerstand von 2,2 MΩ sehr langsam
entladen. Nehmen Sie den Widerstand einmal aus der Schaltung. Jetzt
ändert sich die Elkospannung fast gar nicht mehr. Wenn Sie die
Spannung direkt messen, entlädt Ihr Messgerät mit seinem
Innenwiderstand von 10 MΩ den Elko relativ langsam. Sie
können leicht eine mittlere Spannung von ca. 4 V einstellen.
Bei
einer längeren Messung am Ausgang des OPV (U2) werden Sie
feststellen, dass die Elkospannung ganz langsam ansteigt. Das liegt am
Eingangsstrom des OPV. Messen Sie die Anstiegsrate möglichst genau
und bestimmen Sie daraus den Eingangsstrom. Sie können den
Onlinerechner Kapazität, Stromstärke, Spannung und Ladezeit
dafür verwenden. Notieren Sie das Ergebnis. Später im Kurs
wird dieser Strom noch einmal auf andere Art gemessen, sodass Sie es
überprüfen können.
Nun kann auch wieder die Offsetspannung zwischen beiden Eingängen gemessen werden.
Am Tag 8
steht ein Blitzlicht auf dem Programm. Die Spannungen am OPV
ändern sich so schnell, dass mit einem Digitalvoltmeter nichts
mehr zu machen ist. Jetzt könnte man besser ein Oszilloskop
einsetzen. Das DVM können Sie aber verwenden, um die Spannung am
Elko zu messen. Nach dem Schließen des Schalters wird etwa 8,3 V
gemessen. Nach dem Öffnen sinkt die Elkospannung nur langsam ab.
Sie können abschätzen, wie lange es dauert, bis der
nächste Blitz steigen kann.
Am Tag 9 können Sie
den Blitz mit dem Trimmpoti so langsam machen, dass nun auch wieder die
Ausgangsspannung mit dem DVM gemessen werden kann. Jetzt haben Sie auch
das Poti und können es als Spannungsteiler einsetzen (s.o.).
zurück