
Kosmos XN1000-Schaltpult mit neuen Möglichkeiten
von Klaus Leder
Mein Neffe brachte mir
neulich einen Kosmos-Experimentierkasten „XN1000“ zurück, den ich ihm
einmal vor Jahren geschenkt hatte. Das überdimensionierte Schaltpult
mit den „Kosmotronik“-Steckfedern bietet sehr viel Platz, um Bauteile
und Drahtbrücken in „Parkposition“ zu halten. Aus diesem Grund sollte
das Schaltpult umgebaut werden, sodass es sich auch für Schaltungen mit
ICs eignet und kleine Messinstrumente integriert werden können.
Die Experimentierkästen der Serie XN (electronic XN1000 bis XN3000)
waren die letzten Baukästen von Kosmos, die mit aufwendigen
Schaltpulten ein großes Versuchsprogramm zur Elektronik anboten. Die
Kästen XN2000 und XN3000 enthielten ein zweites Pult, das mit zwei
Potenziometern, einem Messgerät und einem Lautsprecher ausgestattet war
und über 300 Versuche ermöglichte.
Seitdem hat der Kosmos-Verlag Experimentierkästen mit in Plastik
verhüllten elektronischen Bauteilen entwickelt, die nur jüngere
Schülerinnen und Schüler ab 8 Jahren als Zielgruppe haben. Die Kästen
der XN-Reihe können nur noch bei Auktionen erhalten werden.
Chinesische Ingenieure haben in neuerer Zeit kleine digitale Volt- und
Amperemeter entwickelt, die von Händlern teilweise zu extrem niedrigen
Preisen (2,77 €) angeboten werden. Die nur 48 x 29 x 26 mm großen
Einbausysteme besitzen ein LED-Display mit dreistelligen Anzeigen in
den Farben rot und blau. Auf der Rückseite hat die Platine zwei
Steckverbindungen, eine für dickere rote und schwarze Kabel und eine
für drei dünnere rote, schwarze und gelbe Litzen. Für die
Versorgungsspannung der Module werden vom Händler DC 4 V-30.0 V
angegeben. Die Stromstärkemessung ergab bei 9 V 15,2 mA. Der
Strommessbereich geht von 0-50 A und der Spannungsmessbereich reicht
von 0.0 V-100 V.
Obschon die Messgeräte im Bereich von 4-28 Volt mit nur einer
Spannungsversorgung auskommen, wurden im Schaltpult XN1000 jeweils eine
9 Volt Batterie für die Messmodule eingebaut und eine zweite für die zu
untersuchende Schaltung.
Die drei Messgeräte wurden in das Pultoberteil des XN1000 eingebaut.
Der Kunststoff lässt sich leicht bohren und mit einer Stichsäge können
Ausschnitte hergestellt werden. Unterhalb der Displays wurden jeweils
vier vorhandene Löcher für Drahtbrücken-Buchsen erweitert, die mit
Heißkleber auf der Unterseite des Pultoberteils fixiert wurden.
Die roten und schwarzen dünnen Litzen der Messmodule werden zur
Spannungsversorgung an eine 9 Volt-Blockbatterie angeschlossen, wobei
jeweils ein Kippschalter in die rote (positive) Leitung
zwischengeschaltet ist. Die erste Drahtbrückenbuchse ist für die
Verbindung mit dem +Pol der Spannungsquelle der zu untersuchenden
Schaltung vorgesehen und wird mit der gelben Litze verbunden. Der -Pol
wird über die vierte Steckbuchse an das dicke schwarze Kabel des Moduls
angeschlossen. Die zu messende Spannung/Stromstärke wird an der zweiten
Steckbuchse (+Pol) und der dritten Buchse (-Pol) angeschlossen, die mit
der gelben Litze bzw. mit dem roten dicken Draht verbunden sind.
Die Biegehilfe für LEDs wurde mit fünf Bohrlöchern zum Platz für einen
8 Ohm-Lautsprecher umfunktioniert. Da das XN1000-Chassis nur einen
Drehkondensator besitzt, wurden zwei 22 K-Potentiometer über dem Drehko
angebracht. Die Anschlussleitungen der Potis und der Batterie für die
Schaltung wurden durch gebohrte Löcher zu einer kleinen Steckplatine
(170 Kontakte) geführt, die auf dem Pultoberteil festgeklebt werden
kann. Ein Steckboard mit 270 Kontakten wird am linken Rand des Chassis
befestigt.
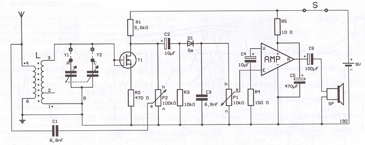
Als Beispiel für die neuen Möglichkeiten des umgebauten Schaltpults
wurde auf dem Experimentierfeld des X1000 der Versuch aus dem Kosmos
XN3000, Anleitungsbuch S. 73 „Rückkopplung vom Drain auf
Antennenwicklung“ mit einem MOSFET und einem AMP aufgebaut.
Zusätzlich wurde auf dem Steckboard das UKW-Radio von Franzis
mit dem Empfänger-Baustein TDA7088 aufgebaut, das durch Umstecken der
Batterie-, Poti- und Lautsprecheranschlüsse direkt in Betrieb genommen
werden kann. Mit Hilfe von vier Drahtbrücken können nun Spannungen an
verschiedenen Stellen der Schaltungen mit den Einbaugeräten gemessen
werden.
Alte Schaltpulte lassen sich für neue Versuche gut einsetzen. Für das NKM-System wurde das in dem Beitrag von B. Kainka Numerik NKM-System Radio-Technik und für das Philips-/Schuco-System in dem Beitrag Alte Experimentierkästen in neuer Funktion gezeigt.
s. a.
90 Jahre Radio-und Elektronikbaukästen – vom Kristalldetektor zum DSP-Empfänger