

Vorwort
Wie schon in den letzten Jahren gibt es auch 2021 wieder einen neuen Conrad-Elektronik-Kalender mit 24 Experimenten für den ersten bis zum 24. Dezember. Das Thema sind digitale und analoge Schaltungen mit Licht und Sound. Es geht um Blinker und Tongeneratoren mit dem CMOS-Baustein 40106. Dieses IC enthält sechs Schmitt-Trigger-Inverter. Es ermöglicht ganz unterschiedliche und sehr vielseitige Anwendungen, die nicht nur lehrreich sind, sondern auch Spaß machen. Am Ende steht dann eine Schaltung, die ein buntes Flackern vieler LEDs erzeugt und an den Weihnachtsbaum gehängt werden kann.
Es gibt ganz unterschiedliche Arten, den Elektronik-Kalender zu verwenden. Der Eine möchte vielleicht einfach nur alles genau nach Plan aufbauen und den Erfolg genießen. Der Andere will es genau verstehen. Die Versuchsbeschreibungen sollen beiden gerecht werden. Deshalb werden der Aufbau und die Funktion jeweils nur so knapp beschrieben, wie es für den erfolgreichen Aufbau nötig ist. Im Anschluss werden die technischen Hintergründe in knapper Form erläutert. So findet man die entscheidenden Hinweise, mit denen man auf die Suche nach weiteren Informationen gehen kann. Die größte Freude bereiten die Experimente übrigens, wenn man zusammen arbeitet. Eltern und Großeltern können vielleicht wertvolle Erfahrungen weitergeben und das Interesse der Kinder und Jugendlichen wecken.
Mit den vorhandenen Bauteilen lassen sich noch wesentlich mehr Schaltungen bauen als hier gezeigt werden können. Wer die vorgegebenen Versuche mit Interesse durcharbeitet, findet schnell weitere Schaltungsvarianten und ähnliche Anwendungen. Und auch ganz neue Schaltungen lassen sich entwickeln. Ihrem Erfindungsreichtum sind keine Grenzen gesetzt!
Wir wünschen viel Freude und eine frohe Weihnachtszeit!
Inhalt
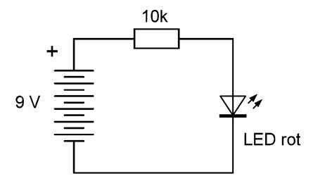
LED rot + Widerstand 10 kΩ
Der erste Versuch im Advent soll eine LED zum Leuchten bringen. Eine LED darf niemals direkt an eine Spannungsquelle gelegt werden, sondern man braucht immer auch einen Vorwiderstand. Ohne diesen Widerstand würde die LED durch zu viel Strom zerstört! Die LED muss in der korrekten Richtung eingebaut werden. Sie besitzt zwei unterschiedliche Anschlüsse. Der kurze Draht ist der Minuspol (Kathode K) der längere Draht ist der Pluspol (Anode A). Der breitere untere Rand ist an der Kathodenseite abgeflacht. Außerdem ist bei allen LEDs in diesem Kalender der kelchförmige Halter im Inneren der LED mit der Kathode verbunden.

Hinter dem ersten Türchen finden Sie eine rote LED und einen dazu passenden Widerstand. Zusätzlich benötigen Sie noch eine 9-V-Blockbatterie. Der erste Versuch muss besonders vorsichtig ausgeführt werden. Achtung, vermeiden Sie einen direkten Blick in eine leuchtende LED aus kleinen Entfernungen von unter einem Meter. Helle LEDs können Netzhautschäden verursachen. Vermeiden Sie es, dass jemals beide LED-Anschlüsse gleichzeitig die Batterieanschlüsse berühren! Es muss immer der Widerstand in Reihe angeschlossen werden, sonst brennt die LED durch. Halten Sie beide Bauteile an die Batterie, wie es die Zeichnung zeigt. Die LED leuchtet hell auf.

Elektronische Schaltungen stellt man übersichtlich in Schaltbildern dar. Für jedes Bauteil gibt es ein Symbol. Die LED besteht aus einem Dreieck für die Anode und einem geraden Strich für die Kathode. Das deutet die Stromrichtung an. Zwei kurze Pfeile nach außen stehen für das abgegebene Licht. Der Widerstand wird als rechteckiges Kästchen gezeichnet. Jeder Widerstand hat einen bestimmten Widerstandswert. Hier sind es 10000 Ohm = 10 Kiloohm (10 kΩ, im Schaltbild kurz 10 k). Das reale Bauteil ist mit Farbringen beschriftet (Braun, Schwarz, Orange für 10000 und Gold für mögliche Abweichungen bis +/-5%).

Das Schaltbild zeigt eine Reihenschaltung. Der Strom fließt durch Batterie, Widerstand und LED. Der Widerstand hat dabei die Aufgabe, die Stromstärke auf einen sinnvollen Wert zu begrenzen. Je größer der Widerstand, desto kleiner die Stromstärke. Bei 10 kΩ wird die LED zwar noch weit unterhalb ihres maximal erlaubten Stroms betrieben, sie leuchtet aber schon ausreichend hell.
Batterieclip
Das zweite Türchen verbirgt einen Batterieclip für die 9-V-Batterie. Bauen Sie den Versuch vom ersten Tag noch einmal etwas anders auf. Verwenden Sie den Batterieclip und beachten Sie, dass der schwarze Anschlussdraht der Minuspol ist und der rote der Pluspol. Vermeiden Sie unbedingt einen Kurzschluss der Batterie, also eine direkte Verbindung der beiden Pole. Denn dabei könnte die Batterie sehr heiß werden und bei einem länger anhaltenden Kurzschluss im Extremfall sogar explodieren. Außerdem verringern Kurzschlüsse die Lebensdauer der Batterie.
Der Widerstand von 10 kΩ bestimmt den Strom durch die LED. In diesem Fall kann man davon ausgehen, dass etwa 2 V an der LED liegen, also noch 7 V am Widerstand. Daraus ergibt sich ein Strom von nur 0,7 mA. Zum Vergleich: LEDs werden meist für Ströme von 20 mA ausgelegt. Diese rote LED kommt jedoch schon mit weniger als 1 mA aus um deutlich sichtbares Licht zu erzeugen.

Steckplatine
Öffnen Sie das dritte Türchen und nehmen Sie eine Steckplatine aus dem Fach. Damit vereinfacht sich der Aufbau komplizierter Schaltungen. Das Steckboard mit insgesamt 270 Kontakten im 2,54-mm-Raster (0,1 Zoll) sorgt für eine sichere Verbindung der Bauteile.
Das Steckfeld hat im mittleren Bereich 230 Kontakte, die jeweils durch vertikale Streifen mit 5 Kontakten leitend verbunden sind. Zusätzlich gibt es am Rand 40 Kontakte für die Stromversorgung, die aus zwei horizontalen Kontaktfederstreifen mit je 20 Kontakten bestehen. Das Steckfeld verfügt damit über zwei unabhängige Versorgungsschienen, die hier für den Pluspol und den Minuspol der Batterie verwendet werden.
Das Einsetzen von Bauteilen benötigt relativ viel Kraft. Die Anschlussdrähte knicken daher leicht um. Wichtig ist, dass die Drähte exakt von oben eingeführt werden. Dabei hilft eine Pinzette oder eine kleine Zange. Ein Draht wird möglichst kurz über dem Steckbrett gepackt und senkrecht nach unten gedrückt. So lassen sich auch empfindliche Anschlussdrähte wie die verzinnten Enden des Batterieclips ohne Knicken einsetzen.

Bauen Sie die Schaltung aus dem ersten Versuch noch einmal auf der Steckplatine auf. Wieder handelt es sich um eine Reihenschaltung mit Widerstand und LED. Das Schaltbild zeigt die gleiche Schaltung, aber mit einer etwas anderen Anordnung der Bauteile, die dem realen Versuch möglichst ähnlich ist.

Draht
Hinter dem dritten Türchen finden Sie den für alle folgenden Versuche notwendigen Draht. Bauen Sie eine LED-Lampe mit Schaltkontakt. Schneiden Sie ein passendes Stück Draht von 4 cm Länge ab und entfernen Sie an den Enden die Isolierung auf einer Länge von etwa 5 mm. Dieser Draht soll als Verbindung zur LED eingebaut werden. Ein kürzerer Draht von 2 cm Länge wird als Zugentlastung eingebaut um die weichen Anschlussdrähte zu schonen. Der Batterieclip sollte immer verbunden bleiben, damit die Anschlüsse nicht übermäßig abnutzen.
Der einfache Schalter besteht aus zwei blanken Drahtstücken, die sich erst mit einem Fingerdruck berühren. Schneiden Sie dazu Drahtstücke von 2 cm Länge ab und entfernen Sie die Isolierung komplett.


LED rot
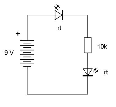
Eine weitere rote LED finden Sie hinter dem Türchen Nr. 5. Bauen Sie diese zweite LED mit in den Stromkreis ein. Dabei muss die Richtung stimmen, sonst fließt kein Strom. Wenn alles korrekt zusammengebaut wurde, leuchten beide LEDs. Und obwohl nun zwei LEDs in Reihe liegen, ist die Helligkeit der ersten LED fast gleich geblieben.
Die neue LED hat eine wichtige Funktion für die folgenden Versuche. Sie dient als Schutzdiode und soll eine falsche Polung der Batterie verhindern. Das morgen eingesetzte Bauteil ist nämlich sehr empfindlich gegen eine Falschpolung und soll gegen mögliche Fehler geschützt werden. Zugleich ist die LED eine einfache Stromanzeige, mit der man die korrekte Funktion einer Schaltung erkennen kann.


CD40106
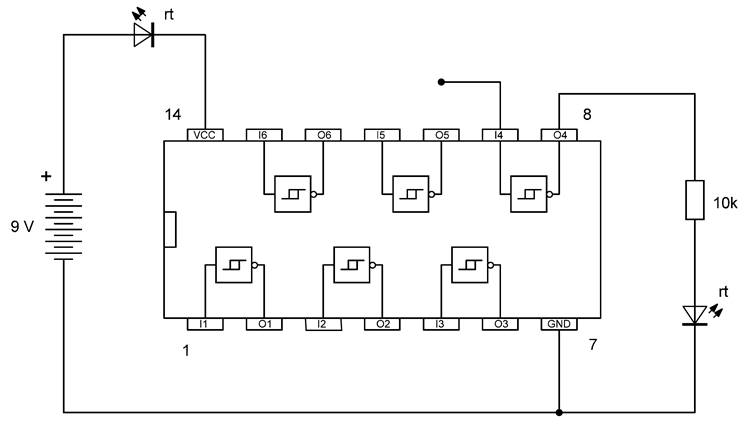
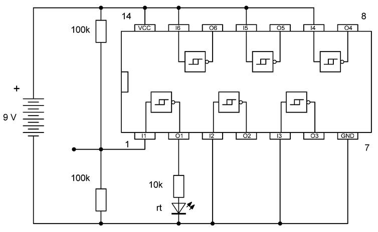
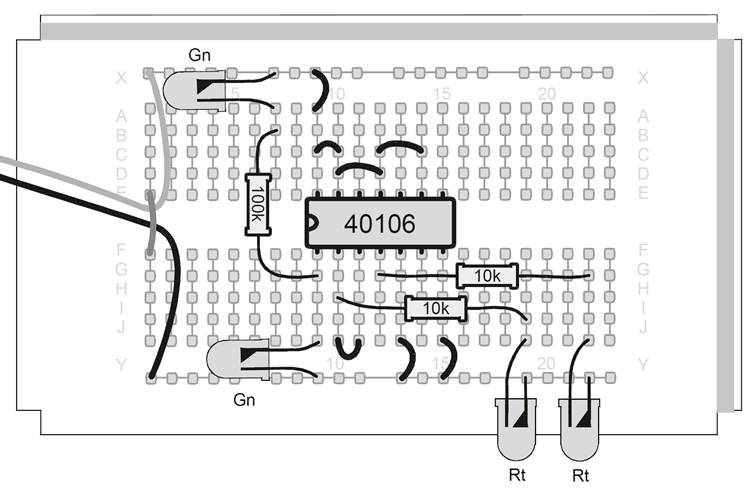
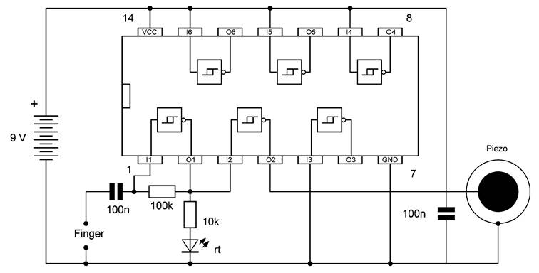
Öffnen Sie das Türchen Nr. 6. Dahinter finden Sie das wichtigste Bauteil dieses Kalenders, das CMOS-IC 40106. Dieses IC mit 14 Anschlussbeinchen enthält sechs CMOS-Inverter mit Schmitt-Trigger-Eingängen. Die Anschlüsse 1 und 14 liegen an der linken Seite und sind durch eine Einkerbung gekennzeichnet. Einen zusätzlichen Hinweis bietet die Beschriftung, die man von der unteren Reihe (Pin1 bis Pin 7) aus lesen kann. Vor dem ersten Einsetzen des ICs müssen die Anschlüsse parallel ausgerichtet werden, weil sie nach der Produktion noch etwas zu weit nach außen stehen. Drücken Sie alle Beinchen einer Seite zusammen auf eine harte Tischfläche, um sie passend auszurichten. Setzen Sie das IC dann richtig herum auf die Steckplatine. Achtung, wenn es falsch herum eingesetzt wird, sind die Anschlüsse 7 (GND, Minus) und 14 (VCC, Plus) vertauscht, sodass die Betriebsspannung verpolt angeschlossen ist und das IC zerstört wird. In dem Fall hilft auch die Schutzdiode am Pluspol nichts, denn sie schützt nur gegen eine falsch herum angeschlossene Batterie.

Der erste Versuch verwendet nur einen der sechs Inverter. Am Ausgang O4 liegt eine LED mit ihrem Vorwiderstand. Der Eingang I4 ist mit einem offenen Draht verbunden. Es kann nicht vorhergesagt werden, ob die LED leuchtet oder nicht. Der Zustand kann sich sogar spontan ändern. Legen Sie das freie Ende des Drahtes an GND, dann geht die LED an. Auch die LED am Pluspol leuchtet dann. Man sieht daran, dass Strom durch das IC fließt.
Halten Sie den freien Draht dann an VCC. Die LED am Ausgang geht aus. Es kann aber passieren, dass trotzdem noch Strom fließt und die LED am Plus-Anschluss mehr oder weniger schwach leuchtet. Das liegt an den anderen fünf offenen Eingängen, deren Spannung zufällig ist. Wenn irgendwo die halbe Betriebsspannung anliegt, fließt Strom durch den CMOS-Baustein. Offene Eingänge an CMOS-Bausteinen sollte man vermeiden. Deshalb werden in allen weiteren Versuchen die gerade nicht verwendeten Eingänge entweder an GND oder an VCC gelegt.
Bei nicht angeschlossenem Draht hat man einen offenen Eingang. Es ist unbestimmt, ob Eins oder Null anliegt, die LED ist entweder an oder aus. Das Ergebnis ist zufällig und kann durch Annähern mit dem Finger beeinflusst werden. Bereits in einem Abstand von einigen Zentimetern kann sich der Zustand des Gatters ändern. Verantwortlich dafür sind statische Ladungen und die damit verbundenen elektrischen Felder.


Widerstand 100 kΩ
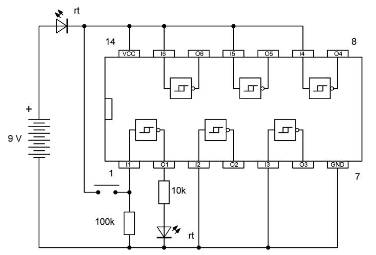
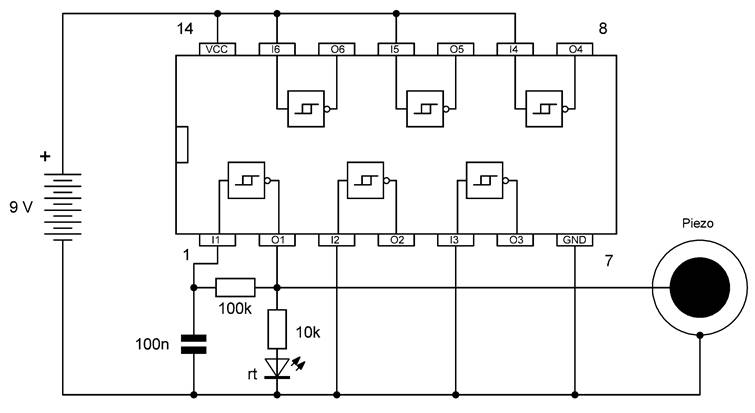
Öffnen Sie das siebte Türchen und nehmen Sie einen Widerstand heraus. Er hat 100 Kiloohm (100 kΩ, Braun Schwarz, Gelb). Der Widerstand wird zwischen den ersten Eingang I1 und GND gelegt. Damit hat der Eingang eine Spannung von null Volt, sein Zustand ist also logisch Null. Der Inverter macht daraus eine logische Eins, schaltet den Ausgang O1also auf die Spannung am Pin VCC. Die LED ist damit an. Gleichzeitig leuchtet auch die LED am Pluspol der Batterie.
Zusätzlich hat die Schaltung aber auch einen einfachen Schalter aus Draht, mit dem man den Eingang an VCC legen kann. In dem Moment wird der Eingangszustand Eins und der Ausgangszustand Null, die LED geht also aus. Immer wenn der Schalter offen ist, zieht der Widerstand die Eingangsspannung herunter, sodass die LED angeht.
Alle fünf nicht verwendeten Eingänge liegen entweder an GND oder an VCC. Damit herrschen eindeutige Eingangszustände, für den Zufall ist kein Platz mehr. Die Ausgänge darf man frei lassen. Sie haben entweder einen Eins-Zustand oder einen Null-Zustande. Aber wenn nichts angeschlossen ist, fließt kein Strom.


Widerstand 100 kΩ
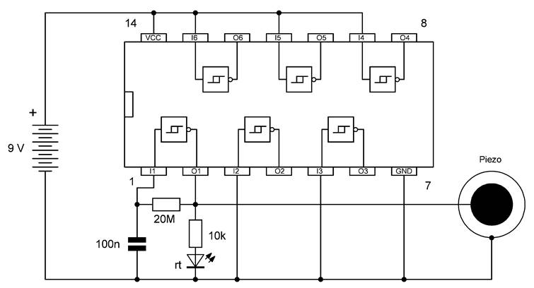
Ein weiterer Widerstand mit 100 kΩ kommt hinter dem Türchen Nummer 8 zum Vorschein. Mit zwei Widerständen von 100 kΩ kann man einen Inverter in einen Zustand bringen, in dem der letzte Zustand gehalten wird. Entfernen Sie die zweite rote LED an VCC, denn sie hat ihre Schuldigkeit als Schutz-LED getan. Wenn bisher alles funktioniert hat, sind keine gefährlichen Fehler mehr zu erwarten. Berühren Sie mit dem offenen Draht am Eingang einmal kurz den Pluspol (VCC), dann geht die Rote LED aus. Berühren Sie den Minuspol (GND), dann geht die rote LED an. Immer wenn der Draht frei liegt, bleibt der letzte Zustand erhalten.
Die Schaltung reagiert auch auf kurze Impulse, die durch elektrische Ladungen entstehen können. Nehmen Sie dazu einen weiteren Draht in die Hand und berühren Sie den Eingang. In dem Moment kann der Zustand wechseln. Heben Sie auch einmal einen oder beide Schuhe vom Boden. Damit laden Sie sich möglicherweise etwas auf. Testen Sie die Reaktion der Schaltung auf eine Berührung des Eingangs. Zurück auf dem Boden ändert sich die Ladung erneut. Je nach Bodenbelag bewirken Sie dann die Umschaltung in den andren Zustand.
Die Schmitt-Trigger-Eingänge haben eine Hysterese von rund einem Volt, also einen Bereich, in dem sich der Ausgangszustand nicht ändert. Die Umschaltpunkte liegen ungefähr bei 4 V und bei 5 V, wenn die Betriebsspannung 9 V beträgt. Der Spannungsteiler am Eingang liefert aber eine Spannung von 4,5 V, bei der der aktuelle Zustand unverändert bleibt. Zum Umschalten muss die Eingangsspannung einmal kurz unter 4 V sinken oder über 5 V steigen.


Widerstand 10 kΩ
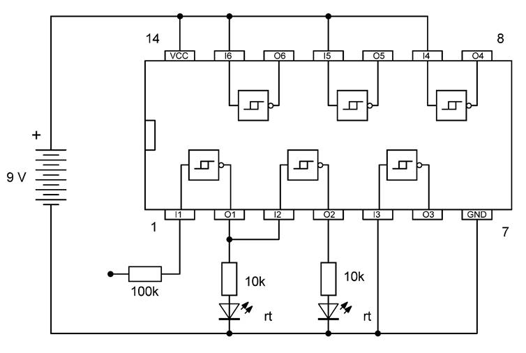
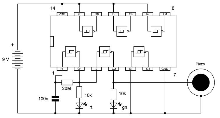
Einen zweiten Widerstand mit 10 kΩ (Braun, Schwarz, Orange) finden Sie hinter dem Türchen Nr. 9. Er wird an einem zweiten Ausgang des ICs verwendet um die zweite LED zu schalten.
Hier kommt ein zweiter Inverter zum Einsatz, der vom Ausgang des ersten angesteuert wird. Beide LEDs haben deshalb immer gegensätzliche Zustände. Wenn die linke LED an ist, ist die rechte aus und umgekehrt. Sie können das offene Kabel am an VCC und mal an GND legen, um beide Zustände zu testen.
Wenn der Eingang offen bleibt, hat man wieder ein unbestimmtes Verhalten. Bei einer Berührung kann der Zustand umschalten. Es kann aber auch passieren, dass beide LEDs gleichzeitig mit halber Helligkeit zu leuchten scheinen. Tatsächlich werden dann beide in schneller Folge umgeschaltet. Die Ursache liegt in elektrischen Wechselfeldern in der Nähe elektrischer Leitungen. Die Wechselspannung hat eine Frequenz von 50 Hz. Jede der LEDs ist deshalb 50 Mal in der der Sekunde an, während die andere LED gerade aus ist.


Piezo-Lautsprecher
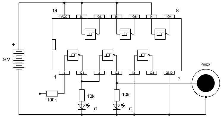
Hinter dem zehnten Türchen finden Sie einen piezokeramischen Schallwandler, der wie ein kleiner Lautsprecher eingesetzt wird. Der Piezowandler darf direkt an einen Ausgang angeschlossen werden. Jedes Umschalten des Zustands erzeugt ein klickendes Geräusch. Wenn Sie den Eingang mal an VCC und mal an GND legen, sehen Sie das nicht nur an den LEDs, sondern Sie hören auch etwas. Das schon aus dem letzten Versuch bekannte schnelle Umschalten im 50-Hz-Takt wird als Summen hörbar.
Die beiden Anschlusskabel des Schallwandlers sind am Ende abisoliert und verzinnt. Meist schließt man den schwarzen Draht an GND an, aber das ist nicht wichtig, denn die beiden Anschlüsse sind austauschbar. Wichtig ist aber, dass man sie möglichst selten einsteckt und dann für die folgenden Versuche an der gleichen Position lässt. Wie beim Batterieclip sollte man die Kabel von unten durch die Befestigungslöcher führen, damit sie eine Zugentlastung haben und nicht herausrutschen.


Kondensator 100 nF
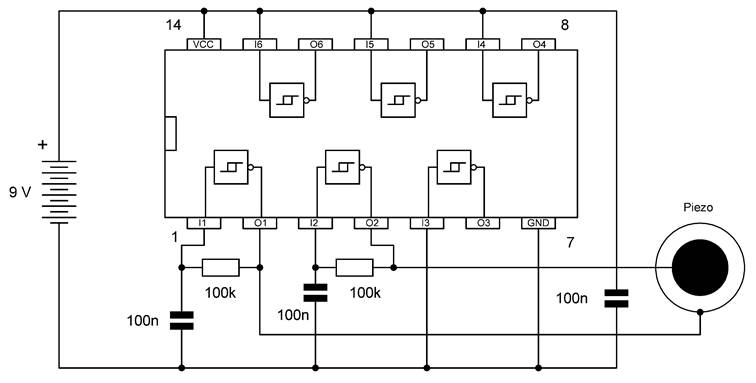
Hinter dem Türchen Nummer 10 finden Sie einen keramischen Scheibenkondensator mit der Kapazität 100 nF. Die Beschriftung lautet 104 und steht für 100 000 pF (Picofarad), also 100 nF (Nanofarad). Mit dem Kondensator lässt sich ein Oszillator bauen, also eine Schaltung, die selbständig immer wieder den Zustand wechselt. In diesem Fall entsteht daraus ein Tongenerator. Aus dem Piezolautsprecher kommt ein tiefer Ton.
Die LED in der Schaltung scheint gleichmäßig zu leuchten. Wenn Sie aber den Blick schnell über den Versuch schweifen lassen oder den Aufbau bewegen, sehen Sie einzelne Leuchtpunkte oder -Striche. So wird erkennbar, dass die LED tatsächlich sehr schnell ein- und ausgeschaltet wird.
Halten Sie den Kondensator zwischen zwei Fingern. Er erwärmt sich dabei geringfügig. Dadurch wird seine Kapazität kleiner und der Ton wird höher. Wenn Sie den Kondensator loslassen, kühlt er sich langsam wieder ab. Man kann hören, wann die alte Umgebungstemperatur wieder erreicht wird.
Der Inverter erlaubt dankt seines Schmitt-Trigger-Eingangs den Aufbau eines Oszillators mit nur einem Widerstand und einem Kondensator. Die Umschaltpunkte des Eingangs liegen versetzt im Abstand von etwa 1 V um die Mittelspannung 4,5 V. Wenn der Kondensator bis auf 5 V aufgeladen wurde, schaltet der Ausgang auf Null. Der Kondensator wird dann über den Widerstand bis herunter auf 4 V entladen. Dann schaltet der Ausgang auf Eins, und die nächste Schwingung beginnt.


Widerstand 20 MΩ
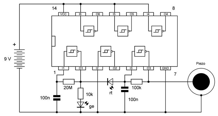
Hinter dem elften Türchen verbirgt sich ein Widerstand mit 20 Megaohm (20 MΩ, Rot Schwarz, Blau). Er ersetzt nun den bisherigen Widerstand von 100 kΩ. Damit wird der Ladevorgang 200 Mal langsamer. Man sieht nun ein langsames Blinken der LED und hört ein regelmäßiges Klicken. Wieder können Sie die Frequenz durch leichtes Erwärmen des Kondensators geringfügig verändern.


LED grün
Im zwölften Fach findet sich eine grüne LED. Sie soll nun genau im Gegentakt zur roten LED blinken. Dazu wird ein zweiter Inverter eingesetzt. Damit wechselt immer wieder die Farbe: Rot, grün, rot grün …


LED grün
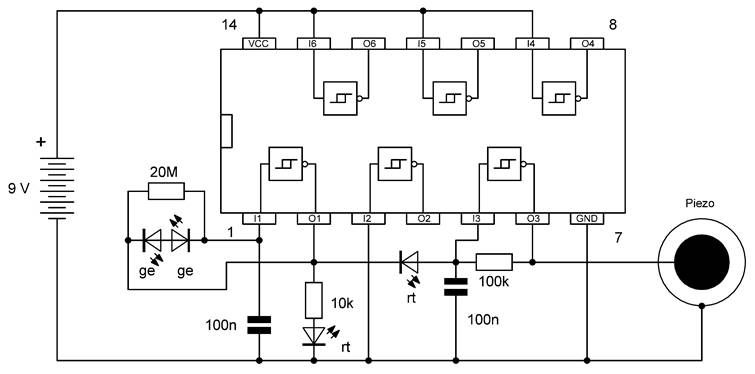
Hinter dem Türchen Nr. 14 finden Sie eine weitere grüne LED. Sie soll aber diesmal nicht als Leuchtdiode sondern als Lichtsensor eingesetzt werden. Beide grünen LEDs werden scheinbar falsch herum, also in Sperrrichtung eingebaut. Sie arbeiten dann als Fotodioden und leiten bei Beleuchtung einen sehr kleinen Strom. Durch Beleuchtung oder Abschattung einer der beiden LEDs können Sie nun den Zustand der Ausgänge gezielt umschalten.
In Sperrrichtung fließt im Normalfall kein Strom durch eine Diode. Bei mittlerer Beleuchtung kann jedoch ein sehr kleiner Strom von wenigen Nanoampere fließen. Wenn nur eine der beiden LEDs beleuchtet wird, ändert sich die Spannung in ihre Richtung.


Kondensator 100 nF
Einen weiteren Kondensator mit 100 nF (104) finden Sie hinter dem 15. Türchen. Er wird nun zwischen VCC und GND eingebaut. Damit wird die Betriebsspannung geglättet, und man verhindert ungewollte Störspannungen. Der eigentliche Versuch ist wieder ein Tongenerator. Aber diesmal liegen zwei Kontakte in Reihe zum Ladekondensator, die man mit den Fingern berühren soll. Je stärker die Berührung, desto tiefer wird der Ton. Eventuell muss man die Finger leicht befeuchten, damit der Ton hörbar wird. Oder man ersetzt den 100-kΩ-Widerstand durch 10 MΩ.
Mit größeren Metallflächen lässt sich diese Orgel leichter spielen. Verwenden Sie zum Beispiel zwei Löffel als Kontaktflächen. Mit der größeren Berührungsfläche erhalten Sie tiefere Töne.


Kondensator 100 nF
Das 16. Türchen bringt noch einen Kondensator mit 100 nF (104) zum Vorschein. Damit können nun zwei gleiche Tongeneratoren aufgebaut werden. Der Piezo-Lautsprecher ist zwischen beide Ausgänge gelegt. Damit addieren sich beide Klänge, man hört einen Zweifachton.
Jeden der beiden Oszillatoren können Sie durch leichtes Erwärmen mit dem Finger geringfügig verstimmen. Dabei ändert sich der Klang. Versuchen Sie auch einmal, beide auf die exakt gleiche Frequenz abzustimmen. Dann hört man nur noch einen Ton. Bei sehr geringen Abweichungen entstehen interessente Interferenzen und Schwebungstöne.


LED gelb
Hinter dem Türchen Nr. 17 finden Sie eine gelbe LED. Einer der beiden Oszillatoren wird nun mit einem größeren Widerstand als langsamer Blinker verwendet, der andere weiterhin als Tongenerator. Die rote LED zwischen beiden dient dazu, den Tongenerator im Takt des Blinkers abzuschalten. So entsteht eine unterbrochene Folge gleicher Töne.
Immer wenn der Ausgang des langsamen Oszillators gerade Null ist, fließt Strom durch die LED, und man sieht ein schwaches Leuchten. Die LED zieht in diesem Moment die Spannung am schnelleren Oszillator so weit herunter, dass der Eingang dauerhaft unter der Schaltschwelle bleibt und sein Ausgang eingeschaltet bleibt. Der Strom durch den 100-kΩ-Widerstand wird also durch die rote LED geleitet und lässt sie schwach leuchten. Wenn der langsame Oszillator dagegen gerade seinen Eins-Zustand erreicht, bleibt die LED gesperrt und beeinfluss der Tongenerator nicht. Die LED arbeitet also hier wie ein Schalter.


LED gelb
Eine weitere gelbe LED verbirgt sich hinter dem Türchen Nr. 18. Beide gelbe LEDs zusammen sollen nun einen Lichtsensor bilden. Wenn viel Licht auf die gelben LEDs fällt, erhält man ein schnelles Flackern der roten LEDs und schnelle Unterbrechungen des Tons. Bei Dunkelheit wird das Blinken sehr langsam und die Töne werden seltener.
Die unterste Frequenz des Blinkers wird durch den Widerstand mit 20 MΩ vorgegeben. Bei heller Beleuchtung wird dieser Oszillator schneller. Man kann auch eine LED stärker beleuchten als die andere, dann ändert sich das Puls/Pausen-Verhältnis.
Nehmen Sie auch einmal den Widerstand mit 20 MΩ heraus. Dann wird der Blinker bei geringer Beleuchtung extrem langsam. Testen Sie die Schaltung bei verschiedenen Lichtverhältnissen und finden Sie die längste mögliche Umschaltzeit. Beobachtet wurden Zeiten von mehreren Minuten.


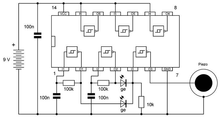
Kondensator 100 nF
Hinter dem Türchen Nr. 19 findet sich ein weiterer Kondensator mit 100 nF (104). Er wird wieder zwischen VCC und GND gelegt, um die Betriebsspannung zu glätten. Die Schaltung des Tages besteht aus zwei Tongeneratoren, deren Signale in einer dritten Stufe verknüpft werden. Sie können die Frequenzen durch Berührung der Kondensatoren leicht verstimmen. Versuchen Sie, möglichst gleiche Frequenzen zu erreichen. Dabei entstehen besondere Klänge.
Zwei LEDs arbeiten hier als Schaltdioden in einem einfachen ODER-Gatter. Es bewirkt eine Verknüpfung beider Signale, die zu einer gegenseitigen Modulation führen. Die LEDs erzeugen ein schwaches Leuchten, das auf und ab schwillt und an dem man die Phasenbeziehung zwischen beiden Signalen erkennen kann.


Widerstand 100 kΩ
Hinter dem Türchen Nummer 20 kommt ein weiterer Widerstand mit 100 kΩ (Braun, Schwarz, Gelb) zum Vorschein. Damit lässt sich ein weiterer Tongenerator aufbauen, um noch komplexere Klänge zu erzeugen. Alle drei Tonsignale werden mit drei Widerständen zusammengemischt und auf einen Inverter gegeben. Das Ergebnis ist ein Signal mit immer wieder veränderter Impulslänge, das man als Tongemisch mit einer Vielzahl unterschiedlicher Frequenzen hört.
Zwei freie Drähte dienen dazu, Töne durch die Berührung mit den Fingern zu verändern. Durch Parallelschaltung des Hautwiderstands zum Festwiderstand von 100 kΩ erhöht man die Frequenz. In manchen Bereichen scheint die Frequenz einzurasten, wobei völlig andere Klänge entstehen.
In digitalen Schaltungen besteht oft die Gefahr, dass Signale auf nicht geplanten Wegen zu andern Stufen gelangen. Besonders gefährdet ist der Weg über die Betriebsspannung. Scharfe Stromimpulse beim Umschalten eines Inverters erzeugen Spannungsabfälle an VCC und wirken sich an anderen Eingängen aus. Eigentlich sollten alle drei Oszillatoren völlig frei und ohne gegenseitige Beeinflussung arbeiten. Immer wenn Frequenzen hörbar einrasten, ist dies aber ein Beweis für unerwünschte Kopplungen. Kondensatoren zwischen VCC und GND mindern diese Effekte.


Widerstand 20 MΩ
Das Türchen Nr. 21 bringt einen zweiten Widerstand mit 20 MΩ (Rot, Schwarz, Blau) zum Vorschein. Nun lassen sich zwei langsame Blinker aufbauen. Die beiden LEDs an den Ausgängen leuchten abwechselnd und immer dann, wenn sich die Ausgangszustände der beiden Oszillatoren gerade unterscheiden. Dadurch entstehen besondere Blinkmuster, teilweise mit kurzen Doppelblitzen.
Der linke Oszillator hat zwei offene Drähte an beiden Seiten des Widerstands. Wenn man die Enden mit den Fingern berührt, erhöht sich seine Frequenz. Bei einer starken Berührung geht das Blinkmuster in ein abwechselndes schnelles Flackern der beiden LEDs über.
Bei einer intensiven Berührung wirkt sich der Hautwiderstand mit etwa 100 kΩ aus. Bei schwacher Berührung könnte man einen Hautwiderstand von 20 MΩ erreichen. Dann liegen zwei Widerstände mit 20 MΩ parallel, sodass sich ein Gesamtwiderstand von 10 MΩ bildet, bei dem die Frequenz gerade verdoppelt wird. Berührt man nur leicht die Spitzen der Drähte, dann wird die Frequenz nur wenig verändert.


Widerstand 4,7 kΩ
Hinter dem Türchen Nr. 22 kommt ein Widerstand mit 4,7 kΩ (Gelb, Violett, Rot) zum Vorschein. Damit hat man die Möglichkeit, einzelne LEDs etwas heller leuchten zu lassen.
Das Ziel des heutigen Versuchs ist ein einfacher Würfel mit sechs LEDs. Alle sechs Eingänge liegen offen und sind mit kleinen Kontaktbögen aus blankem Draht verbunden. Wenn man mit dem Finger über alle Kontakte streift, gehen einige LEDs an, andere gehen aus. Das gewürfelte Ergebnis erhält man durch Abzählen der leuchtenden LEDs. Falls keine der sechs LEDs leuchtet, muss der Vorgang wiederholt werden.
Die Reaktion der Schaltung hängt davon ab, welche elektrische Ladung der Spieler gerade trägt, und wie die Steckplatine gerade geladen ist. Oft spielen auch elektrische Wechselfelder in der Nähe von Netzleitungen eine Rolle. Wer sich mit diesen Dingen gut auskennt, kann leicht betrügen und laufend Sechsen würfeln. Es reicht schon, einen der Widerstände an der Masseleitung kurz zu berühren oder heimlich den Fuß vom Boden zu heben, um sich gezielt zu laden oder zu entladen. Wenn es wirklich zufällig werden soll, darf der Würfel nur mit verbundenen Augen verwendet werden.


Widerstand 20 MΩ
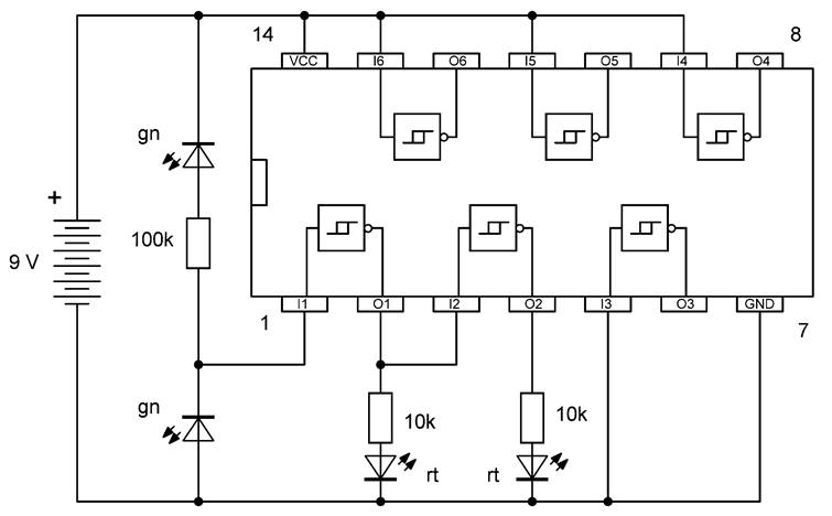
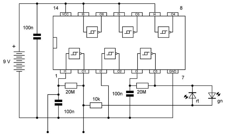
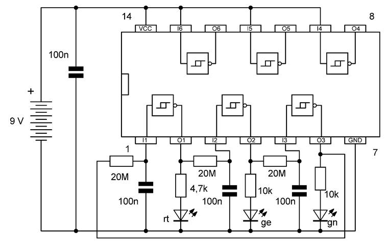
Öffnen Sie das Fach Nr. 21 und nehmen Sie einen dritten Widerstand mit 20 MΩ (Rot, Schwarz, Blau) heraus. Damit bauen Sie einen Dreiphasen-Blinker. Drei LEDs leuchten nacheinander auf und blinken im Kreis herum immer weiter.
Die Widerstände liegen diesmal nicht zwischen Ausgang und Eingang desselben Inverters, sondern führen jeweils zum folgenden Eingang. Dadurch entsteht eine Verzögerung, mit der jeder Zustand invertiert am folgenden Ausgang erscheint. Man bezeichnet diese Schaltung deshalb auch als Laufzeit-Oszillator oder als Phasenschieber-Oszillator. Und sie stellt ein einfaches Modell eines Drehstromgenerators dar.


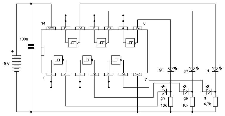
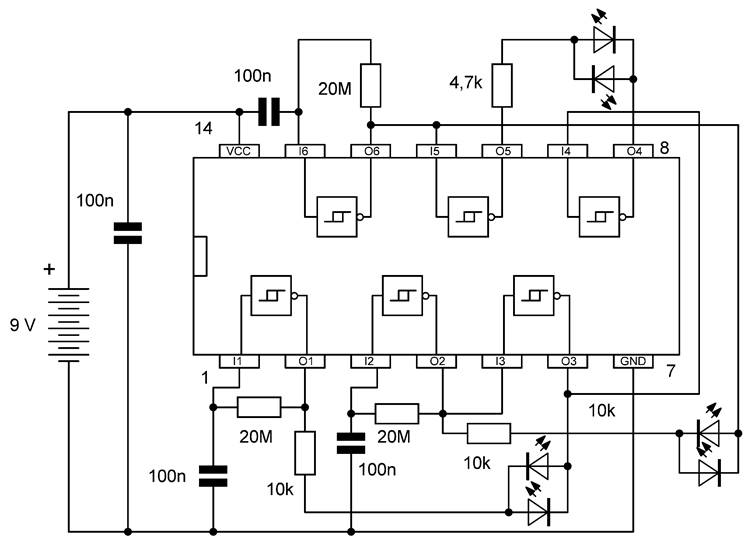
LED blau
Hinter dem letzten Türchen finden Sie eine blaue LED. Die soll nun Teil eines großen Sternenfunkelns werden. In der Schaltung liegen immer zwei LEDs antiparallel, also mit der Katode an der Anode der zweiten LED. Ansonsten können alle LEDs beliebig ausgetauscht werden, bis die Farben am besten harmonieren. Einer der Widerstände ist kleiner, sodass an der Stelle mehr Strom fließt und die Helligkeit schwächerer LED ausgeglichen werden kann. Wenn das Ergebnis gefällt, darf die ganze Schaltung mit in den Weihnachtsbaum gehängt werden.
Drei Blinker arbeiten ganz unabhängig voneinander. Die LEDs sind jeweils zwischen zwei Ausgänge geschaltet. Damit entsteht kein gleichmäßiges Blinken, sondern ein unregelmäßiges Blitzen unterschiedlicher Länge.
Am Ende dieser 24 Versuche fallen Ihnen sicher noch ganz andere Schaltungsvarianten ein. Gehen Sie von erprobten Schaltungen aus und versuchen Sie kleine oder größere Änderungen, bis Sie zu ganz eigenen Entwicklungen kommen. Bleiben Sie kreativ!


Anhang
Bauteile im Kalender
1 LED rot + Widerstand 10 kΩ
2 Batterieclip
3 Steckplatine
4 Draht
5 LED rot
6 CD40106
7 Widerstand 100 kΩ
8 Widerstand 100 kΩ
9 Widerstand 10 kΩ
10 Piezo-Lautsprecher
11 Kondensator 100 nF
12 Widerstand 20 MΩ
13 LED grün
14 LED grün
15 Kondensator 100 nF
16 Kondensator 100 nF
17 LED gelb
18 LED gelb
19 Kondensator 100 nF
20 Widerstand 100 kΩ
21 Widerstand 20 MΩ
22 Widerstand 4,7 kΩ
23 Widerstand 20 MΩ
24 LED blau