

Diese Seite ist aus dem Manuskript zum Handbuch des Kalenders entstanden. Das gedruckte Handbuch ist des Kalenders ist aufwendig und ansprechend gestaltet, kann aber an manchen Tagen etwas abweichen. Ich wünsche allen Kindern und euren Eltern viel Spaß bei den Experimenten und eine frohe Weihnachtszeit.
Liebe Kinder!
In der Zeit bis Weihnachten warten 24 Elektronik-Projekte auf euch. Im Mittelpunkt stehen Transistoren, Leuchtdioden, ein Lichtsensor und ein kleiner Lautsprecher. Damit kann man ganz unterschiedliche Dinge bauen. Es gibt viel zu sehen, zu hören und zu experimentieren! Und wer möchte, findet hier auch die nötigen Informationen, wie das alles funktioniert.
Inhalt
1 Rotes LED-Licht selbst gebaut
17 Fototransistor/LED-Flipflop
24 Der Vierfach-Wechselblinker
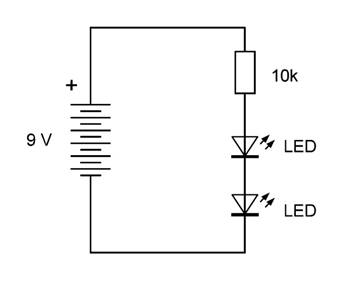
Hinter dem ersten Türchen deines Kalenders findest du sechs Bauteile, damit es gleich richtig losgeht. Da gibt es nämlich vier Dinge, die bei jedem Versuch immer wieder gebraucht werden: Das sind eine Steckplatine, ein Batterie-Clip, ein Schalter und eine Sicherung. Dazu kommen für den ersten Versuch ein Widerstand und eine Leuchtdiode (LED).
Das Batteriekabel muss möglichst stabil befestigt werden, damit es sich bei den vielen folgenden Versuchen nicht löst. Die blanken Enden des roten und des schwarzen Kabels sollen in genau die richtigen Kontaktlöcher der Steckplatine gesteckt werden. Steche aber vorher mit einer Nadel kleine Löcher in die Schutzfolie auf der Rückseite der Platte und stecke die Kabel von unten hindurch. Dadurch können sie nicht mehr leicht verrutschen.

Der Schalter und die Sicherung sollen genau in die gezeigte Position gesteckt werden. Das passt dann für alle folgenden Versuche bis Weihnachten. So können keine großen Fehler mehr passieren. Der Widerstand und die LED gehören zum ersten Versuch. Achte bei der LED auf die Einbaurichtung. Sie hat einen kürzeren Draht (die Kathode = Minuspol) und einen längeren Draht (die Anode = Pluspol). Im Inneren kann man einen etwas größeren Halter an der Minus-Seite erkennen, der den eigentlichen LED-Kristall trägt.

Wenn du alles fertig aufgebaut hast, vergleiche es genau mit dem Aufbaubild. Lass dir am besten von einem Erwachsen helfen, der den ersten Versuch noch einmal genau überprüft. Bei den folgenden Projekten wird meist nur wenig umgebaut, sodass es immer einfacher wird.
Jetzt wird zum ersten Mal die Batterie angeschlossen. Und fertig ist dein rotes LED-Licht mit Schalter. Schiebe den linken Schalter in Richtung ON. Und schon leuchtet deine rote LED. Falls es noch nicht funktioniert, überprüfe noch einmal alles. Der häufigste Fehler ist, dass die LED falsch herum eingebaut wurde. Aber kein Problem, dabei geht nichts kaputt. Wenn sie richtig herum eingesetzt wird, funktioniert es.

Infobox Schaltbilder
Die Schaltbilder in diesem Handbuch muss man eigentlich gar nicht unbedingt beachten um die Versuche erfolgreich aufzubauen. Aber sie können dabei helfen, alles besser zu verstehen. Ein Schaltbild zeigt die Verbindungen der Bauteile in einer vereinfachten Art mit Schaltsymbolen für jedes Bauteil. Wenn du dich daran gewöhnt hast, verstehst du mit einem Schaltbild viel leichter, wie alles zusammengehört.
Die Batterie besteht aus sechs Batteriezellen mit jeweils 1,5 V. Der längere Strich steht für den Pluspol. Die Sicherung wird als Kästchen mit einem Draht gezeichnet. Der Schalter zeigt gerade eine geöffnete Verbindung. Der Widerstand wird als Kästchen dargestellt. Und die LED enthält ein Dreieck, das die Stromrichtung darstellt. Zwei kleine Pfeile deuten auf das erzeugte Licht hin. In diesem Schaltbild erkennst du sehr leicht, dass alle Bauteile einen geschlossenen Weg bilden. Das nennt man einen Stromkreis. Nur an einer Stelle ist der Weg unterbrochen, am gerade geöffneten Schalter.

Achtung! Eine LED darf niemals ohne einen Widerstand direkt an eine Batterie angeschlossen werden! Ohne den Widerstand wäre der Strom zu groß und die LED würde zerstört.
Hinter dem Türchen Nummer 2 findest du einen Tastschalter mit vier Anschlussbeinchen. Baue ihn so in die Schaltung ein, dass er den Strom einschaltet, sobald du auf den Knopf drückst. Jeweils zwei der Anschlüsse sind im Inneren verbunden. Wenn du den Tastschalter verdreht einbaust, ist der Strom immer eingeschaltet. Wenn die LED erst angeht, wenn du auf den Knopf drückst, ist er richtig eingebaut. Verwende die Licht-Taste für Morse-Botschaften oder für Geheimzeichen, die sonst niemand kennt.


Infokasten: Das Innenleben eines Tastschalters.
Im Inneren des Tastschalters befindet sich ein leicht nach oben gewölbtes Blech, das mit einem Druck auf den Knopf eingedrückt wird. Bei einer ganz bestimmten Kraft macht es Klick und das Blech wölbt sich nach unten. Dabei berührt es den Kontakt in der Mitte und schließt damit den Stromkreis.

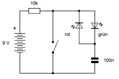
Hinter dem Türchen Nummer 3 findest du eine grüne LED. Baue sie nun mit in die Schaltung ein, wie es das Bild zeigt. Dann leuchten beide LEDs gemeinsam, die rote und die grüne. Und mit dem Schalter 1 kannst du beide zusammen ein- und ausschalten.

Infobox Reihenschaltung
Bei der Reihenschaltung fließt der gleiche Strom durch zwei oder mehr Verbraucher. Es ist ein „unverzweigter Stromkreis“, weil es nur einen Weg gibt. Das bedeutet, die Stromstärke ist an jeder Stelle gleich groß. Das kannst du selbst ausprobieren, indem du beide LEDs vertauschst. Die Helligkeit bleibt dabei genau gleich.
Die Batteriespannung von 9 V teilt sich auf drei Verbraucher auf. Die rote LED hat 1,8 V, die grüne hat 2,2 V und der Widerstand hat 5 V. Wenn man alle Teilspannungen zusammenzieht, erhält man die Gesamtspannung, 1,8 V + 2,2 V + 5,0 V = 9,0 V.

Vereinfachtes
Schaltbild einer Reihenschaltung
Kabel
Öffne das vierte Türchen und nimm ein Kabel mit zwei Steckern heraus. Wenn du es wie im Bild zusammen mit dem Tastschalter einbaust, kannst du die grüne LED mit einem Druck auf den Knopf ausschalten. Bei geschlossenem Taster hast du einen Nebenweg für den elektrischen Strom gebaut. Er fließt dann nicht mehr durch die grüne LED, sondern durch den Schalter. Die grüne LED geht aus, aber die rote LED wird in diesem Moment etwas heller.
Tatsächlich schließt der Schalter die grüne LED kurz. Diese Art von Kurzschluss ist nur deshalb erlaubt, weil der Widerstand in der Schaltung den Strom genügend klein hält. Aber ein direkter Kurschluss der Batterie in Form einer Verbindung zwischen Plus und Minus muss unbedingt vermieden werden!


Info-Box Widerstände und ihre Farbringe
Die Farbringe auf den Widerständen stehen für Zahlen. Sie werden beginnend von dem Ring gelesen, der näher am Rand des Widerstands liegt. Die ersten beiden Ringe stehen für zwei Ziffern, der dritte für angefügte Nullen. Zusammen bezeichnen sie den Widerstand in Ohm. Ein vierter Ring gibt die Genauigkeit an. Alle Widerstände in diesem Kalender haben einen goldenen Ring. Das bedeutet, dass der Wert um 5% größer oder kleiner sein kann als durch die Farbringe angegeben. Dein erster Widerstand wird so gelesen: Braun = 1, Schwarz = 0, Orange = 000, zusammen 10000 Ohm, also 10 kΩ.
Der Widerstands-Farbcode
|
Farbe |
Ring 1 1. Ziffer |
Ring 2 2. Ziffer |
Ring 3 Multiplikator |
Ring 4 Toleranz |
|
schwarz |
|
0 |
1 |
|
|
braun |
1 |
1 |
10 |
1% |
|
rot |
2 |
2 |
100 |
2% |
|
orange |
3 |
3 |
1000 |
|
|
gelb |
4 |
4 |
10000 |
|
|
grün |
5 |
5 |
100000 |
0,5% |
|
blau |
6 |
6 |
1000000 |
|
|
violett |
7 |
7 |
10000000 |
|
|
grau |
8 |
8 |
|
|
|
weiß |
9 |
9 |
|
|
|
|
|
|
|
|
|
Gold |
|
|
0,1 |
5% |
|
Silber |
|
|
0,01 |
10% |
Hinter dem Türchen Nummer 5 findest du ein zweites Kabel. Baue damit deine Schaltung so um, dass die rote LED erst mit einem Druck auf den Tastschalter eingeschaltet wird. Im selben Moment geht die grüne LED aus. Mit diesem Schalter kannst du also die Farbe umschalten. Gedrückt - Rot, losgelassen - Grün.
Wenn der Schalter geschlossen ist, sind beide LEDs parallel geschaltet. Man könnte denken, dass dann durch beide Strom fließt und dass beide leuchten. Das ist auch tatsächlich so, wenn gleiche LEDs verwendet werdet werden. Aber hier gibt es einen großen Unterschied. Die grüne LED braucht mehr Spannung als die rote LED. Wenn nun die rote LED eingeschaltet wird, sinkt die LED-Spannung so weit ab, dass die grüne nicht mehr leuchten kann.


Infobox: Spannung, Widerstand und Strom
Du weißt vielleicht schon, dass die elektrische Spannung in Volt (V) gemessen wird. Die Batterie hat 9 V. Und einen Widerstand misst man in Ohm (Ω) oder Kiloohm (1 kΩ = 1000 Ω). Es gibt aber noch eine andere sehr wichtige Messgröße: Die elektrische Stromstärke misst man in Ampere (A) oder bei kleinen Stromstärken in Milliampere (mA = 1/1000 A). All diese Namen stammen von berühmten Forschern, die vor etwa 200 Jahren als Erste die Elektrizität erforscht haben: Alessandro Volta, Georg Simon Ohm und André-Marie Ampère.
Mit einem Messgerät könnte man messen, wieviel Strom durch die LED fließt. Aber man kann es auch ausrechnen, wenn man weiß, wie groß die Spannung der Batterie gerade ist und welche Spannung an der LED liegt. Wenn die Batterie noch neu ist, hat sie eine Spannung von 9 V. Die grüne LED braucht ungefähr 2 V. Da bleiben noch 7 V für den Widerstand. Und dann kann man so rechnen:
Strom = Spannung / Widerstand
Strom = 7 V / 10000 Ω
Strom = 0,0007 A = 0,7 mA
Das ist nicht viel, es fließen nur 0,7 mA obwohl die LED einen Strom von 20 mA verträgt. Aber die Batterie hält dafür auch sehr lange! Sie hat meist eine Kapazität von 500 Milliamperestunden (500 mAh), könnte also eine Stunde lang 500 mA liefern oder 500 Stunden lang 1 mA. Oder deine Lampe leuchtet etwa 700 Stunden mit 0,7 mA, also etwa einen Monat lang.
Am sechsten Tag kommt ein neues Bauteil deines Kalenders zum Vorschein: Ein Kondensator. Es handelt sich um eine kleine, hellbraune Scheibe mit zwei Drähten. Darauf findest du die Beschriftung 104, was für 100 Nanofarad (100 nF) steht. Einen Kondensator kann man aufladen und entladen. Wenn du den Hauptschalter 1 auf ON stellst, ist er aufgeladen. Dann kannst du ihn wieder ausschalten, etwas warten und auf den Taster drücken. Damit erzeugst du kleinen LED-Lichtblitz, bei dem der Kondensator wieder entladen wird. Du kannst es dir ähnlich wie bei einem Akku vorstellen, der immer wieder neu aufgeladen werden kann. Allerdings enthält dein geladener Kondensator nur sehr wenig Energie.

Ein Kondensator besteht aus zwei Metallflächen mit einer isolierenden Schicht dazwischen. Deshalb wird er im Schaltbild mit zwei nicht verbundenen Strichen dargestellt. Das Bauteil hat zusätzlich eine äußere Schutzschicht und kann je nach Fabrikat ganz unterschiedlich aussehen. In den Aufbaubildern wird ein blauer, viereckiger Kondensator dargestellt, deiner ist rund und hellbraun. Die Beschriftung verrät, wieviel Kapazität dieser Kondensator hat. Das ist ein Maß dafür, wieviel Energie der Kondensator bei einer bestimmten Spannung enthält. Die Einheit der Kapazität heißt Farad (nach dem berühmten Forscher Michael Faraday). Die kleineren Einheiten sind Mikrofarad (µF), Nanofarad (nF) und Picofarad (pF). Die Beschriftung 104 steht für 1, 0, 0000, also 100.000 Picofarad, 100.000 pF = 100 nF.


Hinter dem siebten Türchen findest du ein weiteres Kabel. Baue nun deine Schaltung um und füge auch die rote LED ein. Beachte dabei die Einbaurichtung! Die rote LED wird scheinbar falsch herum eingebaut, mit der Katode in Richtung zum Pluspol der Batterie. Mit dem Tastschalter kannst du abwechselnd den Aufladen (Kontakt geöffnet) oder entladen (Kontakt geschlossen). Beim Aufladen entsteht ein grüner Lichtblitz, beim Entladen ein roter. Das abwechselnde Aufladen und Entladen kannst du beliebig oft wiederholen. Immer wenn du den Knopf drückst, entsteht ein roter Blitz, wenn du loslässt ein grüner.
Deine Batterie liefert Gleichstrom. Das bedeutet, der Strom fließt immer in der gleichen Richtung. In deiner Schaltung entsteht aber durch das Umschalten mit deinem Tastschalter ein Wechselstrom. In der einen Stromrichtung leuchtet die grüne LED, in der anderen die rote. Deshalb mussten beide LEDs in dieser Schaltung mit unterschiedlicher Richtung eingebaut werden.


Infobox: Die PTC-Sicherung
Alle deine Versuche haben eine Sicherung, die helfen soll, wenn mal ein Fehler passiert, einfach nur zur Sicherheit. Wenn du mal aus Versehen einen Kurzschluss verursachst, könnte ein Kabel glühend heiß werden, oder die Batterie könnte heiß werden, kaputt gehen oder im schlimmsten Fall sogar explodieren. Aber die Sicherung würde das Schlimmste verhindern.

Viele Sicherungen brennen einfach durch, wenn man einen Kurzschluss verursacht. Dann braucht man eine neue Sicherung. Aber deine Spezialsicherung ist anders. Es handelt sich um eine selbst-rückstellende Sicherung, die man auch PTC-Sicherung nennt. Wenn bei einem Kurzschluss ein zu großer Strom fließt, wird die PTC-Sicherung heiß und lässt dann nur noch sehr wenig Strom hindurch, weil ihr Widerstand stark ansteigt. Daher kommt auch der Name. PTC steht nämlich für „Positiver Temperatur-Koeffizient“ und sagt, dass der Widerstand steigt, wenn die Temperatur höher wird. Wenn man dann den Strom abschaltet und den Fehler beseitigt, kühlt sie wieder ab und ist wieder wie neu.
Achtung, bitte nicht ausprobieren, denn die Batterie wird bei einem Kurzschluss sehr schnell unbrauchbar. Und die PTC-Sicherung wird mit etwa 60 Grad so heiß, dass man sich leicht die Finger verbrennen kann. Aber das wäre immer noch besser als glühende Drähte und explodierende Batterien. Also immer daran denken: Die Sicherung ist nur für den Notfall da, so ähnlich wie die Notbremse in einem Zug.
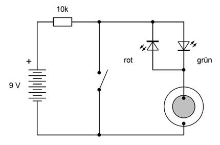
Öffne das siebte Türchen und entdecke dahinter einen kleinen Piezo-Lautsprecher mit zwei Drähten. Die Anschlussdrähte sind sehr dünn und weich und müssen deshalb wie die Batteriekabel geschont werden. Steche wieder zwei Löcher in die Schutzfolie des Steckfeldes und führe die Drähtchen von unten hindurch. Stecke sie dann in die vorgesehenen Löcher, wo sie bis zum letzten Versuch bleiben sollen.
In dieser Schaltung gibt es wieder den Tastschalter, und wieder entstehen kleine rote und grüne Lichtblitze bei jedem Schalten. Und zusätzlich hörst du jetzt jedes Mal ein leises aber deutliches Knacken aus dem Lautsprecher. Allerdings kann es sein, dass das Klicken des Rastschalters den Lautsprecher übertönt. Verwende dann einen Draht oder einen Gegenstand aus Metall, um die zwei Anschlüsse des Tasters ganz leise zu verbinden
Der Vergleich mit dem vorigen Versuch weist schon darauf hin, dass der Piezo-Lautsprecher wie ein Kondensator funktioniert. Und tatsächlich kann man auch den Aufbau eines Kondensators deutlich erkennen. Die eine Metallplatte ist ein dünnes Blech. Dann folgt die isolierende Schicht aus einer dünnen grauen Scheibe. Und die zweite Metallplatte ist eine versilberte Fläche. Zwischen beiden Metallflächen herrschen elektrische Anziehungskräfte, die sich ändern, wenn dieser Kondensator geladen oder entladen wird. Dadurch entsteht eine kleine Bewegung, die das Geräusch erzeugt.


Infobox: Piezoelektrizität
Das Wort griechische Wort Piezo bedeutet Druck. Und manche Stoffe wie zum Beispiel Quarz zeigen einen piezoelektrischen Effekt. Wenn man auf sie drückt, entsteht eine elektrische Spannung. Wenn man umgekehrt eine elektrische Spannung anlegt, entsteht eine Verformung, so als würde man auf das Material drücken.

Das isolierende Material in deinem Piezo-Lautsprecher ist ein keramischer Werkstoff, ähnlich wie Porzellan. Wenn man eine elektrische Spannung anschließt, verbiegt sich die Scheibe etwas. Dabei entsteht ein Geräusch.
Hinter dem neunten Türchen findest du einen neuen Widerstand mit den Farben Braun, Schwarz und Grün. Er hat 1000 Kiloohm, also ein Megaohm (1 MΩ). Dieser sehr große Widerstand sorgt für einen sehr kleinen Strom, der den Piezo-Schallwandler nur langsam auflädt. Öffne und schließe den Kontakt mehrmals. Beide LEDs zeigen ein deutliches Blinken. Aber der Piezo-Lautsprecher erzeugt nur beim Schließen des Kontakts ein Knacken.
Verwende auch wieder einen Draht oder einen anderen Gegenstand aus Metall, falls der Taster zu laut ist. Beim Öffnen des Kontakts entsteht dagegen kein hörbares Geräusch. Der Grund dafür ist der große Widerstand in der Schaltung. Es fließt ja nur ein kleiner Ladestrom, der den Piezo-Wandler nur langsam auflädt. Dabei entsteht nur eine langsame, lautlose Verformung. Beim Schließen des Kontakts gibt es dagegen eine plötzliche Entladung mit einer schnellen Verformung einem deutlichen Knacken.


Öffne das achte Türchen und nimm ein einen weiteren Widerstand heraus. Er hat 2,2 kΩ und trägt drei rote Farbringe. Baue nun eine Schaltung mit dem Piezo-Lautsprecher, dem Widerstand und zwei LEDs. Die Batterie ist nicht angeschlossen und darf vom Batterieclip entfernt werden. Der Tastschalter soll beim ersten Versuch gedrückt sein. Klopfe nun leicht auf die Piezo-Scheibe. Dabei entstehen wieder schwache rote und grüne Lichtblitze. Achtung, du darfst nicht zu viel Kraft aufwenden, denn sonst könnte die Keramikscheibe zerbrechen.
Der Versuch hat gezeigt, dass der Piezo-Lautsprecher nicht nur elektrische Energie in Schall umwandeln kann sondern auch umgekehrt Schwingungen in elektrische Energie. Dasselbe Bauteil funktioniert als Lautsprecher, als Mikrofon und als elektrischer Generator. Man nennt es deshalb auch „piezoelektrischer Schallwandler“.
Eine Verformung durch Druck auf die Membran bewirkt eine Aufladung und erzeugt damit elektrische Energie. Aber das Gleiche erreicht auch eine Änderung der Temperatur. Das kannst du leicht ausprobieren. Öffne den Schalter und halte deinen warmen Finger für einige Sekunden an die Membran. Schieße dann den Kontakt. Es entstehen ein Knacken und ein Lichtblitz. Öffne dann den Kontakt und warte etwas länger, bis die Scheibe sich wieder abgekühlt hat. Ein neues Schließen des Kontakts erzeugt ein weiteres Knackgeräusch und einen zweiten Lichtblitz mit der andern Farbe. Verwende statt des Tasters ein Kabel, um auch leise Geräusche des Piezo-Schallwandlers zu hören.


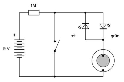
Am elften Tag kommt ein wichtiges Bauteil deines Kalenders zum Vorschein: Der Transistor. Der Transistor hat drei Anschlüsse, die man nicht verwechseln darf. Sie heißen Emitter (E), Basis (B) und Kollektor (C). Die Abkürzung C stammt übrigens von der englischen Schreibweise (collector). Der Emitter soll mit dem Minus-Anschluss der Batterie verbunden werden. Dazu muss die flache, beschriftete Seite des Transistors nach links weisen.
Der Versuch zeigt das typische Verhalten eines Transistors. Wenn der Tastschalter noch geöffnet ist, leuchtet die grüne LED nur schwach, aber die rote sehr hell. Drückt man auf den Taster, geht die rote LED aus. Der Transistor verhält sich wie ein Schalter. Ein kleiner Strom durch den Basisanschluss bewirkt, dass ein großer Strom durch den Kollektoranschluss eingeschaltet wird. Wenn du aber Basis und Emitter über den Taster verbindest oder die grüne LED herausziehst, geht auch die rote LED aus.


Infobox: Transistoren
Der Transistor in deinem Versuch enthält einen Kristall aus Silizium. Silizium (Si) ist in großen Mengen in ganz normalem Quarz-Sand enthalten (Quarz = Silizium-Oxid). Es gehört zu den Halbleitern, also zu den Stoffen, die den elektrischen Strom weder gut leiten wie Metalle, noch gut isolieren wie Glas oder Gummi. Damit eine ganz bestimmte Leitfähigkeit erreicht wird, fügt man dem reinen Silizium kleinste Spuren anderer Stoffe bei. Je nach Art dieser Stoffe erhält man N-Silizium oder P-Silizium. In deinem Transistor gibt es drei Schichten: NPN. Andere Typen habe eine andere Schichtfolge, nämlich PNP. Sie funktionieren ähnlich, aber mit anderer Stromrichtung.

Transistoren sind wichtige Bauelemente in allen Bereichen der Elektronik, in Radios und Fernsehern, genau wie in Smartphones und Computern. Überall sind Transistoren eingebaut. Deshalb lohnt es sich, genau zu verstehen, wie ein Transistor funktioniert.
Schaue deinen Transistor einmal ganz genau an. Da gibt es eine Beschriftung: BC547B. Mit dieser Bezeichnung kann man genau den richtigen Transistor bestellen, der übrigens von mehreren Firmen hergestellt wird. Oder man kann im Internet nach dem Datenblatt dieses Typs suchen. Darin stehen viele Eigenschaften und Messwerte, die teilweise nur von Fachleuten genau verstanden werden. Kurz zusammengefasst: Dieser NPN-Transistor verträgt eine Spannung von 50 V und einen Strom von 100 mA. Und er kann den Strom mindestens 200-fach verstärken.
Hinter dem zwölften Türchen findest du einen Widerstand mit 330 kΩ (Orange, Orange, Gelb). Baue ihn in diese Verstärkerschaltung mit einem Transistor ein. Wenn du nun schwach auf den Piezoscheibe klopfst, zeigt die rote LED ein kräftiges Blitzen. Aber auch die grüne LED zeigt schwache Lichtblitze. Beachte bitte, dass die grüne LED anders eingebaut ist als sonst, nämlich mit der Anode (langer Draht) am Minuspol der Batterie.
Weil der Transistor den Strom nur in einer Richtung leitet, muss hier die grüne LED dafür sorgen, dass auch in Gegenrichtung Strom fließen kann. Denn wie schon vorige Versuche gezeigt haben, liefert der Piezowandler einen Wechselstrom. In diesem Fall zeigt die grüne LED den direkt erzeugten Strom, die rote aber den durch den Transistor verstärkten Strom.


Hinter dem Türchen Nummer 13 findest du einen zweiten Transistor vom Typ BC547. Er soll nun zusammen mit dem ersten Transistor für noch mehr Verstärkung sorgen. Beide Kollektoranschlüsse sind direkt verbunden, und der Emitter des ersten Transistors führt zur Basis des zweiten. Diese Schaltung nennt man Darlington-Schaltung. Damit wird hier ein Berührungsschalter gebaut. Wenn du mit dem Finger gleichzeitig das Kabel und den Widerstand berührst, fließt ein ganz kleiner, ungefährlicher und nicht spürbarer Strom durch deinen Finger, der so weit verstärkt wird, dass beide LEDs eingeschaltet werden.
Am Kollektor der Transistoren ist wieder der Lautsprecher angeschlossen. Und manchmal hört man besondere Geräusche. Fasse nur das Basis-Kabel an. Je nach Ort hörst du dann ein Knistern, Summen oder Brummen aus dem Lautsprecher. Das Geräusch kann noch stärker werden, wenn zwei Personen beide Drähte berühren. Es stammt von den elektrischen Leitungen im Raum. Wenn du zusätzlich die Füße auf dem Boden bewegst, kann manchmal ein Blinken oder Flackern der LEDs beobachtet werden. Es zeigt die elektrische Aufladung deines Körpers durch Reibung an den Schuhen.
Infobox Die Darlington-Schaltung
Die Verbindung von zwei Transistoren wie im Schaltbild nennt man eine Darlington-Schaltung. Zwei Transistoren verstärken mehr als einer. Das gilt besonders für diese Schaltung, bei der der schon verstärkte Strom von einem zweiten Transistor noch einmal verstärkt wird. Der Name stammt von ihrem Erfinder Sidney Darlington, der schon 1952 auf diese Idee kam. Beide Kollektoren sind verbunden, und der Emitter des ersten Transistors fließt zur Basis des zweiten. Die Darlington-Schaltung verhält sich wie ein einzelner Transistor mit riesiger Verstärkung.


Hinter dem Türchen Nummer 14 kommt eine gelbe LED zu Vorschein. Du könntest sie an Stelle der roten oder der grünen LED in deine Schaltung einbauen und damit eine weitere Farbe ausprobieren. Sie kann aber auch eine ganz andere Aufgabe erfüllen. In diesem Versuch wird die gelbe LED als Lichtsensor verwendet. Bei Beleuchtung liefert sie ähnlich wie eine Solarzelle einen ganz kleinen Strom. Er wird dann von zwei Transistoren verstärkt und lässt die anderen beiden LEDs leuchten. Baue zuerst den Kondensator noch nicht ein. Teste den Versuch mit einer Taschenlampe. Je stärker du die gelbe LED beleuchtest, desto heller leuchten die beiden anderen LEDs.
Zusätzlich wird dann in diese Schaltung ein Kondensator eingefügt, der dazu dient, das Ein- und Ausschalten stark zu verlangsamen. Erst wenn du deine Fotodiode lange genug angeleuchtet hast, leuchten die rote und die grüne LED. Nach dem Abschalten leuchten sie dann noch lange nach und gehen dann nur langsam aus. Außerdem wurde auch noch der Tastschalter mit eingebaut. Du kannst damit das Licht schnell einschalten und langsam, im Laufe einer halben Stunde ausgehen lassen.


Infobox Fotodiode
Jede Diode besteht aus einem Halbleiter mit einer PN-Sperrschicht, die in einer Richtung den Strom leitet und in der anderen keinen Strom hindurchlässt, also den Strom sperrt. Außer Leuchtdioden gibt es auch noch Gleichrichterdioden und Fotodioden aus Silizium, also dem gleichen Material, aus dem auch deine Transistoren gebaut sind. Bei einer Fotodiode verwendet man eine besonders große Fläche, sodass viel Licht von außen in die Sperrschicht eindringen kann. Dort sorgt das Licht dafür, dass eine elektrische Spannung entsteht und Strom fließen kann. Eine LED ist ähnlich aufgebaut, hat aber nur eine sehr kleine Fläche. Deshalb ist der lichtabhängige Strom nur klein. Nach einer großen Verstärkung durch die beiden Transistoren reicht er aber für diesen Versuch aus.
Auch die rote oder die grüne LED kann als Fotodiode arbeiten. Tausche einmal die LED in deiner Schaltung und achte dabei jeweils auf die korrekte Einbaurichtung. So kannst du erforschen, welche LED die beste Fotodiode ist.
Hinter dem Türchen Nummer 15 verbirgt sich ein weiteres Kabel. Baue nun einen Infrarot-Bewegungsmelder. Der eigentliche Sensor ist die Piezoscheibe. Du weißt ja schon, dass sie bei einer Temperaturänderung eine elektrische Spannung erzeugt. Und das funktioniert auch ohne direkte Berührung, wenn man nur in die Nähe kommt. Noch besser geht es, wenn du die Silberschicht der Scheibe mit einem weichen Bleistift dunkel färbst. Deine warme Hand strahlt infrarote Wärmestrahlung ab. Wenn diese auf den geschwärzten Sensor trifft, erwärmt er sich etwas. Dabei entsteht nur eine sehr kleine elektrische Spannung. Deshalb braucht man einen guten Verstärker, der hier aus einer Darlington-Schaltung besteht. Zusätzlich wird ein sehr kleiner Basisstrom gebraucht, den die gelbe LED in Abhängigkeit von der Beleuchtung liefert. Zusätzlich gibt es Taster für Dauerlicht.

Warte einige Zeit, bis sich eine gleichmäßige, schwache Helligkeit der roten und der grünen LED einstellt. Mit einem kurzen Druck auf den Taster kannst du die Wartezeit verkürzen. Halte dann deine Hand in einem Anstand von ungefähr 5 cm über die Piezo-Scheibe. Nach einigen Sekunden ändert sich die Helligkeit der LEDs. Entferne die Hand wieder und beobachte die gegensätzliche Änderung der Helligkeit. Die beiden LEDs können also die Annäherung der Hand anzeigen. Allerdings kann man die Richtung der Änderung nicht voraussagen. Du kannst sie ändern, indem du beide Kabel des Piezo-Lautsprechers vertauschst. Die LEDs sollten heller leuchten, wenn du die Hand näher hältst. Damit hast du ein Abendlicht mit Näherungssensor gebaut.


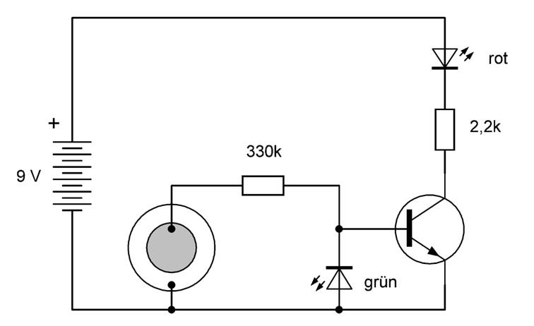
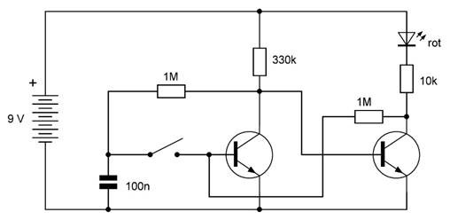
Öffne das Türchen Nummer 16 und nimm ein neues Bauteil heraus. Auf den ersten Blick sieht es aus wie eine LED im klaren Gehäuse. Aber tatsächlich ist es ein Lichtsensor, genauer gesagt ein Fototransistor. Baue ihn zusammen mit einem Widerstand und einer LED ein. Beachte dabei die Einbaurichtung. Ganz anders als du es von einer LED kennst, muss der lange Draht an Minus angeschlossen werden, denn das ist der Emitter. Die rote LED leuchtet dann heller, wenn mehr Licht auf den Fototransistor fällt. In völliger Dunkelheit geht auch die rote LED aus.
Der Fototransistor hat wie ein normaler Transistor einen Emitter (langer Draht) und einen Kollektor (kurzer Draht). Eine Basis gibt es auch, aber die hat keinen Anschluss. Der Basisstrom wird nämlich von einer eingebauten Fotodiode geliefert. Wenn du von vorn auf das transparente Gehäuse siehst, erkennst du eine relativ große schwarze Fläche. Das ist lichtempfindliche Fotodiode. Sie ist deutlich größer als die Fläche eines LED-Kristalls. Deshalb ist der Fototransistor sehr viel empfindlicher als die LED in deinem Lichtsensor im Versuch 14.



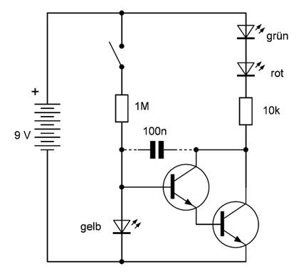
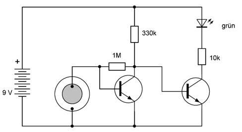
Ein weiteres Kabel findest du hinter dem Türchen Nummer 17. Nun soll eine Schaltung mit einer LED und einem Fototransistor gebaut werden, die sich gegenseitig ein- oder ausschalten. Biege die Drähte passend um, sodass die LED ist genau gegenüber dem Fototransistor eingebaut wird und ihn direkt anleuchtet. Deshalb bleibt der eingeschaltete Zustand auch im Dunkeln erhalten. Wenn du aber ein Blatt Papier zwischen beide schiebst, geht die LED aus und geht auch nicht von allein wieder an, wenn du das Papier herausziehst. Dann reicht aber schon ein kurzer Lichtblitz oder das Licht einer Lampe, um sie wieder einzuschalten. Du kannst die Schaltung in einen dunklen Raum stellen und nach einiger Zeit nachsehen, ob jemand in der Zwischenzeit mal das Licht eingeschaltet hat.
Diese Schaltung nennt man auch ein Flipflop, weil sie zwischen den zwei Zuständen An (Flip) und Aus(Flop) umschalten kann. In diesem Fall wird das Umschalten durch Beleuchtung und durch Abschatten erreicht. Der Widerstand von 10 kΩ bestimmt die Helligkeit, ab der das Flipflop in den An-Zustand wechselt. Wenn du an seiner Stelle einen Widerstand mit 330 kΩ einbaust, reagiert die Schaltung schon auf sehr viel schwächeres Licht.


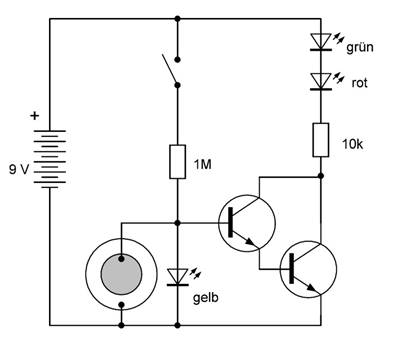
Hinter dem Türchen Nummer 18 findest du einen weiteren Widerstand mit einem Megaohm (1 MΩ, Braun, Schwarz, Grün). Damit baust du einen Tasten-Umschalter. Jeder Druck auf den Taster ändert den Zustand der LED in An – Aus – An – Aus und so weiter. Nach dem Loslassen bleibt der letzte Zustand erhalten. Auch hier kann wieder der Lautsprecher angeschlossen bleiben. Du hörst bei jedem Umschalten ein Klicken.
Diese Schaltung bezeichnet man auch als Toggle-Flipflop (englisch to toggle = umschalten).Wenn man zehnmal auf den Taster drückt, ist die LED in dieser Zeit genau fünfmal an. Deshalb halbiert diese Schaltung die Anzahl der Ein-Zustände.


Infobox Das Flipflop
Ein Flipflop ist eine Schaltung, die zwei stabile Zustände haben kann. Der vorhandene Zustand bleibt beliebig lange gespeichert, so lange man ihn nicht mit Absicht ändert. Das Flipflop ist deshalb zugleich ein Informationsspeicher. In diesem Fall wird nur eine Information gespeichert. Man kann sie ja oder nein nennen, aber auch eins oder null oder in diesem Fall an oder aus. Sehr viele Flipflops zusammen werden als Speicher in Computern verwendet und speichern entsprechend große Informationsmengen.
Öffne das Türchen Nummer 19 und nimm einen Widerstand mit 4,7 kΩ (Gelb, Violett, Rot) heraus. Baue nun ein Flipflop, das die LED bei jedem Klopfen auf die Piezoscheibe für eine kurze Zeit einschaltet und dann von allein wieder ausschaltet. Oft reicht es sogar, wenn du neben dem Sensor auf den Tisch klopfst. Am Ausgang liegen diesmal zwei LEDs in Reihe.
Eine Schaltung wie diese nennt man ein monostabiles Flipflop. Das bedeutet, dass es nur einen stabilen Zustand gibt, in diesem Fall den Aus-Zustand. Der An-Zustand wird nur für eine kurze Zeit eingeschaltet, und zwar so lange bis der Kondensator vollständig aufgeladen ist

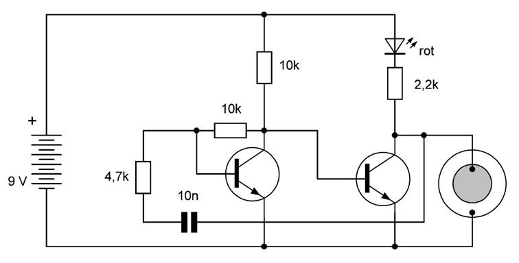
Das Türchen Nummer 19 verbirgt einen Widerstand mit 10 kΩ (Braun, Schwarz, Orange). Er wird in dieser Schaltung als Vorwiderstand für die LED eingesetzt. Zwei Transistoren bilden einen empfindlichen Verstärker. Im Ruhezustand leuchtet die LED nur schwach. Am Eingang des Verstärkers ist der Piezowandler angeschlossen. Wenn nun die Membran des Piezowandlers in Schwingungen versetzt wird, entsteht eine kleine Spannung, die stark verstärkt wird. Deshalb flackert die LED gut sichtbar.
Sogar auf lauten Schall reagiert die Schaltung. Der Piezowandler arbeitet dann wie ein Mikrofon. Klatsche in die Hände und beobachte das Flackern der LED. Drehe dann den Wandler um und lege ein kleines Gewicht auf die Membran. Das kann zum Beispiel ein Radiergummi oder eine Cent-Münze sein. Dann klopfe sanft auf den Tisch. Die LED zeigt starkes Flackern. Sogar kleinste Schwingungen des Fußbodens können angezeigt werden, wenn gerade jemand durch den Raum geht.


Hinter dem Türchen Nummer 20 verbirgt sich ein Kondensator mit 10 nF (Aufdruck 103). Baue nun einen elektronischen Tongenerator. Aus dem Lautsprecher hörst du einen gleichförmigen Ton. Berühre den Kondensator mit den Fingern, sodass er sich etwas erwärmt. Dabei ändert sich der Ton ganz langsam. Auch eine Berührung des Piezowandlers ändert den Ton.
Die Frequenz, also die Tonhöhe, hängt von den Bauteilen ab. Tausche einmal den kleinen Kondensator mit 10 nF gegen den größeren mit 100 nF. Der Ton wird nun sehr viel tiefer und ähnelt eher einem Knattern. Der Klang kann verändert werden, indem du das Schallloch des Lautsprechers teilweise zuhältst.
Die LED scheint gleichmäßig zu leuchten. Wenn du aber eine schnelle Bewegung mit den Augen machst, siehst du, dass sie tatsächlich sehr schnell flackert. Noch deutlicher siehst du das Flackern, wenn die LED über einen kleinen Spiegel betrachtest, den du gleichzeitig bewegst. So kannst du sogar die einzelnen Schwingungen des hohen Tons erkennen.
Die beiden Transistoren schalten sich gegenseitig immer wieder ein und aus. Diese Schaltung nennt man ein astabiles Flipflop, denn keiner von beiden Zuständen ist stabil. Die schnellen Änderungen erzeugen eine Bewegung der Piezoscheibe und damit einen Ton.


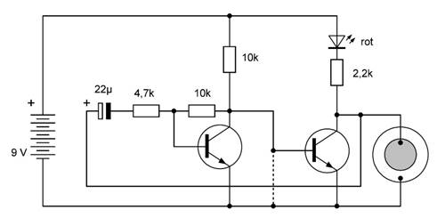
Das Türchen Nummer 21 verbirgt einen größeren Kondensator mit 22 µF (22 Mikrofarad). Es handelt sich um einen Elektrolytkondensator (Elko), der einen Pluspol und einen Minuspol hat. Achte beim Einbau genau auf die Richtung. Der Minuspol hat den kürzeren Draht und ist mit einem weißen Strich gekennzeichnet. Ein Mikrofarad ist 1000-mal größer als ein Nanofarad. 22 µF ist daher 220-mal mehr als 100 nF. Setze den Elko in die Schaltung des letzten Tages ein. Aus dem Tongenerator wird dadurch ein langsamer Blinker. Wenn der Lautsprecher noch angeschlossen ist, hörst du ein langsames Klicken.
Diese Schaltung lässt sich auch als Alarmanlage verwenden. Im Schaltbild ist eine gestrichelte Linie eingezeichnet, die ein Kabel darstellt, das entweder vorhanden ist oder nicht. Wenn du ein Kabel zwischen Basis und Emitter des rechten Transistors einbaust, schaltest du damit das Blinken ab. Dieses Kabel ist deine Alarmschleife. Mit einem Faden kann es an eine Tür oder ein Fenster gebunden werden, dass ein Öffnen es herauszieht. Dann sieht man den Alarm. Wenn du den kleinen Kondensator mit 10 nF einsetzt, wird der Alarm hörbar.
Infobox Der Oszillator
Eine Schaltung, die selbständig Schwingungen erzeugt, nennt man auch einen Oszillator. Oszillatoren sind wichtige Schaltungen der Elektronik und der Computertechnik. In einem Computer arbeiten sehr viele Bauteile im Gleichtakt. Und dieser Takt wird von einem Oszillator vorgegeben, ganz ähnlich wie ein Dirigent ein ganzes Orchester mit seinem Taktstock dirigiert.


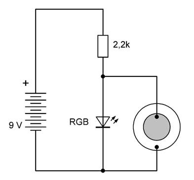
RGB
Öffne das Türchen Nummer 23 und nimm eine ganz besondere LED im klaren Gehäuse heraus. Sie enthält tatsächlich drei LED-Kristalle in den Farben Rot, Grün und Blau (RGB) und einen Controller, der die einzelnen Farben umschaltet und ineinander überblendet. Wenn du im ausgeschalteten Zustand von vorn in die RGB-LED schaust, kannst du die Einzelteile erkennen.
Achtung, schaue nicht aus kurzer Entfernung direkt in die eingeschaltete LED! Besonders das blaue Licht ist schädlich für deine Augen.

Wie eine normen LED braucht auch die RGB-LED einen Widerstand in Reihe. Zusätzlich ist bei diesem Versuch auch der Piezo-Lautsprecher angeschlossen. Du hörst seltsame Geräusche, die beim Umschalten der Farben entstehen. Manchmal erzeugt der Controller eine Art Wechselblinker. Dann kört man nur ein Klicken. In andern Phasen wird allmählich von einer Farbe zu einer anderen hinüber geblendet. Tatsächlich schaltet dann der Controller jede der LEDs in sehr schneller Folge ein und aus und ändert dabei das Verhältnis der Einschaltlängen. Dabei entsteht ein veränderlicher Ton.


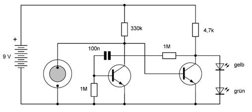
Hinter dem Türchen Nummer 24 kommt ein Widerstand mit nur 1 kΩ (Braun, Schwarz, Rot) zum Vorschein. Er wird eingesetzt, um einen größeren LED-Strom und mehr Helligkeit zu erreichen. Die Schaltung verwendet alle LEDs gemeinsam. Alle zeigen ein Blinken, Blitzen und Flackern, das durch die RGB-LED und den Transistor gesteuert wird. Zusätzlich ist der Fototransistor eingebaut, um das Flackern bei großer Helligkeit abzuschalten. Damit hast du eine weihnachtliche LED-Lampe gebaut, die erst bei Dunkelheit aktiv wird. Die Lichter erinnern an funkelnde Sterne und flackernde Kerzen.
Jetzt hast du schon so viele Versuche aufgebaut, dass du sicherlich auch eigene Ideen und Änderungswünsche umsetzen kannst. Du weißt ja, wie man ein Blinken oder Töne erzeugt, wie die LED-Helligkeit verändert werden kann und vieles mehr. Hebe alle Bauteile gut auf und experimentiere damit weiter. Vielleicht erfindest du ja eines Tages ganz neue Dinge.
