
Elektronik-Adventskalender 18
Vorwort
Wie in den letzten Jahren gibt es auch 2018 wieder einen
neuen Conrad-Elektronik-Kalender mit 24 Experimenten für den ersten bis zum 24.
Dezember. Die Themen sind Sensoren, Zeitgeber und akustische Ausgabe. Im
Mittelpunkt steht ein Präzisions-Timer NE555. Dieses universelle IC wurde
primär als Zeitgeber entwickelt, eignet sich aber für die unterschiedlichsten
Aufgaben von der Umsetzung von Messwerten bis zur Tonerzeugung.
Den Elektronik-Kalender kann man ganz unterschiedlich verwenden.
Der Eine möchte vielleicht einfach nur alles genau nach Plan aufbauen und den
Erfolg genießen. Der Andere will es genau verstehen. Die Versuchsbeschreibungen
sollen beiden gerecht werden. Deshalb werden der Aufbau und die Funktion
jeweils nur so knapp beschrieben, wie es für den erfolgreichen Aufbau nötig ist.
Im Anschluss werden die technischen Hintergründe in knapper Form erläutert. So
findet man die entscheidenden Hinweise, mit denen man auch auf die Suche nach weiteren
Informationen gehen kann. Die größte Freude bereiten die Experimente übrigens,
wenn man zusammen arbeitet. Eltern und Großeltern können vielleicht wertvolle
Erfahrungen weitergeben und das Interesse der Kinder und Jugendlichen wecken.
Mit den vorhandenen Bauteilen lassen sich noch wesentlich
mehr Schaltungen bauen als hier gezeigt werden können. Wer die vorgegebenen
Versuche mit Interesse durcharbeitet, findet schnell weitere
Schaltungsvarianten und ähnliche Anwendungen. Und auch ganz neue Schaltungen
lassen sich entwickeln. Ihrem Erfindungsreichtum sind keine Grenzen gesetzt!
Wir wünschen viel Freude und eine frohe Weihnachtszeit!
Inhalt
1 Der
LED-Test 2
2
Batterie-Verbindung. 4
3 Gesteckter
Aufbau. 4
4 An/Aus per
Berührung. 6
5
Zufallsschalter 7
6
Berührungsalarm.. 9
7
Lichtsensor 10
8
Blitzlichtsensor 12
9 Ein
LED-Blinker 13
10
Wechselblinker 15
11
Tongenerator 16
12
Akustischer Lampentester 18
13
Temperaturschranke. 19
14
Temperaturwarner 20
15 Dudelsack. 22
16
Licht-Theremin. 23
17
Temperaturabhängige Sirene. 25
18
Impuls-Schalter 0,5 s. 26
19
Zeitschalter 10 s. 28
20
Berührungssensor 29
21 Elektrostatischer
Bewegungsmelder 30
22
Fingerorgel 32
23
Passiv-Infrarotmelder 33
24
Lichtgesteuertes Stimmungslicht 35
1 Der LED-Test
Hinter dem ersten Türchen finden Sie eine grüne LED und
einen dazu passenden Widerstand. Zusätzlich benötigen Sie noch eine
9-V-Blockbatterie. Der erste Versuch soll einfach nur eine LED zum Leuchten
bringen. Eine LED darf niemals direkt an eine Spannungsquelle gelegt werden,
sondern man braucht immer auch einen Vorwiderstand. Ohne diesen Widerstand
würde die LED überlastet und zerstört! Die LED muss in der korrekten Richtung
eingebaut werden. Sie besitzt zwei unterschiedliche Anschlüsse. Der kurze Draht
ist der Minuspol (Kathode K) der längere Draht ist der Pluspol (Anode A). Der
breitere untere Rand ist an der Kathodenseite abgeflacht. Außerdem ist bei
allen LEDs in diesem Kalender der größere Halter im Inneren der LED mit der
Kathode verbunden.
Der erste Versuch muss besonders vorsichtig ausgeführt
werden. Achtung, vermeiden Sie einen direkten Blick in eine leuchtende LED aus kleinen
Entfernungen von unter einem Meter. Helle LEDs können Netzhautschäden
verursachen. Vermeiden Sie es, dass jemals beide LED-Anschlüsse gleichzeitig
die Batterieanschlüsse berühren! Es muss immer der Widerstand in Reihe
angeschlossen werden, sonst brennt die LED durch. Halten Sie beide Bauteile an
die Batterie, wie es die Zeichnung zeigt. Die LED leuchtet hell auf.
Elektronische Schaltungen stellt man übersichtlich in
Schaltbildern dar. Für jedes Bauteil gibt es ein Symbol. Die LED besteht aus
einem Dreieck für die Anode und einem geraden Strich für die Kathode. Das
deutet die Stromrichtung an. Zwei kurze Pfeile nach außen stehen für das
abgegebene Licht. Der Widerstand wird als rechteckiges Kästchen gezeichnet.
Jeder Widerstand hat einen bestimmten Widerstandswert. Hier sind es 22000 Ohm =
22 Kiloohm (22 kΩ, im Schaltbild kurz 22 k). Das reale Bauteil ist mit
Farbringen beschriftet (Rot, Rot, Orange für 22 000 und Gold für mögliche
Abweichungen bis +/-5%).
Das Schaltbild zeigt eine Reihenschaltung. Der Strom fließt
durch Batterie, Widerstand und LED. Der Widerstand hat dabei die Aufgabe, die
Stromstärke auf einen sinnvollen Wert zu begrenzen. Je größer der Widerstand,
desto kleiner die Stromstärke. Bei 22 kΩ wird die LED zwar noch weit
unterhalb ihres maximal erlaubten Stroms betrieben, sie leuchtet aber schon ausreichend
hell.
2 Batterie-Verbindung
Das zweite Türchen verbirgt einen Batterieclip für die
9-V-Batterie. Bauen Sie den Versuch vom ersten Tag noch einmal etwas anders
auf. Verwenden Sie den Batterieclip und beachten Sie, dass der schwarze
Anschlussdraht der Minuspol ist und der rote der Pluspol. Vermeiden Sie
unbedingt einen Kurzschluss der Batterie, also eine direkte Verbindung der
beiden Pole. Denn dabei könnte die Batterie sehr heiß werden und bei einem
länger anhaltenden Kurzschluss im Extremfall sogar explodieren. Außerdem
verringern Kurzschlüsse die Lebensdauer der Batterie.
Der Widerstand von 22 kΩ bestimmt den Strom durch die
LED. In diesem Fall kann man davon ausgehen, dass etwa 2 V an der LED liegen,
also noch 7 V am Widerstand. Daraus ergibt sich ein Strom von nur 0,3 mA. Zum
Vergleich: LEDs werden meist für Ströme von 20 mA ausgelegt. Diese grüne LED
kommt jedoch schon mit deutlich weniger als 1 mA aus, um gut sichtbares Licht
zu erzeugen.
3 Gesteckter Aufbau
Öffnen Sie das dritte Türchen und nehmen Sie einen aufgewickelten
Draht und eine Steckplatine aus dem Fach. Damit vereinfacht sich der Aufbau
komplizierter Schaltungen. Das Steckboard mit insgesamt 270 Kontakten im
2,54-mm-Raster (0,1 Zoll) sorgt für eine sichere Verbindung der Bauteile.
Das Steckfeld hat im mittleren Bereich 230 Kontakte, die
jeweils durch vertikale Streifen mit 5 Kontakten leitend verbunden sind.
Zusätzlich gibt es am Rand 40 Kontakte für die Stromversorgung, die aus zwei
horizontalen Kontaktfederstreifen mit je 20 Kontakten bestehen. Das Steckfeld
verfügt damit über zwei unabhängige Versorgungsschienen, die hier für den
Pluspol und den Minuspol der Batterie verwendet werden.
Das Einsetzen von Bauteilen benötigt relativ viel Kraft. Die
Anschlussdrähte knicken daher leicht um. Wichtig ist, dass die Drähte exakt von
oben eingeführt werden. Dabei hilft eine Pinzette oder eine kleine Zange. Ein
Draht wird möglichst kurz über dem Steckbrett gepackt und senkrecht nach unten
gedrückt. So lassen sich auch empfindliche Anschlussdrähte wie die verzinnten
Enden des Batterieclips ohne Knicken einsetzen. Manchmal hilft es auch, die
Kontakt zuerst mit einer Nadel etwas zu weiten.
Bauen Sie die Schaltung aus dem ersten Versuch noch einmal
auf der Steckplatine auf. Wieder handelt es sich um eine Reihenschaltung mit
Widerstand und LED. Das Schaltbild zeigt die gleiche Schaltung, aber mit einer
etwas anderen Anordnung der Bauteile, die dem realen Versuch möglichst ähnlich
ist. Ein zusätzlicher kurzer Draht dient als Zugentlastung für die
Batteriekabel und hält sie in ihrer Position fest. Entfernen Sie die Isolierung
an den Enden auf einer Länge von 5 mm oder etwas mehr, sodass sie tief
eingesteckt werden können und gut gehalten werden. Das gilt auch für alle
Drahtverbindungen der folgenden Versuche.
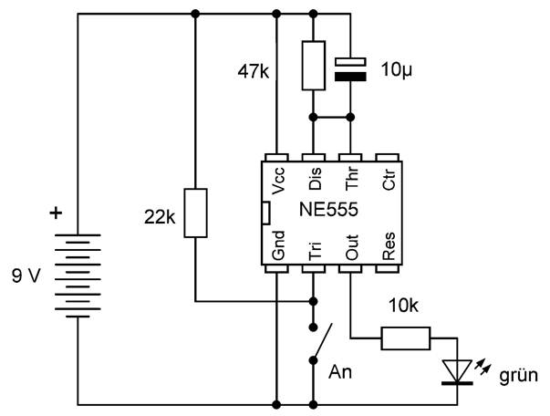
4 An/Aus per Berührung
Hinter dem dritten Türchen finden Sie das wichtigste Bauteil
dieses Kalenders, eine integrierte Schaltung (ein IC) mit der Bezeichnung
NE555. Es handelt sich um einen Präzisions-Timer für universelle Anwendungen.
Bei einem fabrikneuen IC stehen die Anschlussbeinchen meist etwas nach außen.
Richten Sie die Anschlüsse parallel aus, indem Sie jeweils eine Reihe auf eine
harte Fläche drücken. Stecken Sie das IC dann in die Steckplatine. Auch hier
kann es sinnvoll sein, die Kontakte vorher mit einer Nadel etwas zu weiten. Beachten
Sie die Einbaurichtung und die genaue Position. Vermeiden Sie unbedingt eine
Verwechselung der Anschlüsse für die Batteriespannung. An Pin 1 liegt der
Minuspol (Gnd = Ground, Erde) und an Pin 8 der Pluspol (Vcc,
Kollektorspannung).
Am Ausgang (Out, Pin 3) wird eine LED mit Vorwiderstand
angeschlossen. Die beiden Anschlüsse Tri (Pin2) und Thr (Pin 6) sind mit
Drähten verbunden, deren andere Seite frei bleibt. Nach dem Anschließen der
Batterie kann die LED leuchten oder ausbleiben, das Ergebnis ist zufällig.
Berühren Sie nun die mehrfach die beiden Drähte mit dem Finger. Damit können
Sie die LED nach ein- und ausschalten. Ohne eine weitere Berührung bleibt der
letzte Zustand gespeichert. Der NE555 enthält nämlich ein Flipflop, also eine
Schaltung mit zwei stabilen Zuständen.
Falls das einfache Berühren der Drähte nicht gleich zum
Erfolg führt, können Sie die offenen Enden auch kurz an Plus (Aus) und Minus
(An) halten. Oder Sie berühren abwechselnd Plus und Minus der Batterie mit der
andern Hand.
5 Zufallsschalter
Einen weiteren Widerstand finden Sie hinter dem Türchen Nummer
5. Er hat 10 kΩ und trägt die Farben Braun, Schwarz, Orange. Setzen Sie
diesen Widerstand nun als Vorwiderstand der LED ein, die damit etwas heller
leuchtet als bisher. Verbinden Sie die Eingänge Tri und Thr mit einem Draht,
sodass Sie nur noch einen gemeinsamen Eingang haben. Damit können Sie den Ausgang
ein- und ausschalten. Allerdings kommt hier der Zufall ins Spiel.
Der Timer NE555 enthält ein RS-Fliflop (Reset, Set =
Ausschalten, Einschalten) mit seinem Ausgang am Pin 3(Out), das über die
Eingänge umgeschaltet werden kann. Der Trigger-Eingang Tri schaltet den Ausgang
ein, wenn eine Spannung unterhalb 1/3 der Betriebsspannung (Vcc) angelegt wird.
Und der Eingang Thr (Threshold, Schwelle), schaltet den Ausgang aus, wenn eine
Spannung oberhalb 2/3 Vcc angelegt wird. In beiden Fällen reicht ein kurzer
Spannungsimpuls von unter einer Mikrosekunde zum Umschalten. Ein Mensch trägt
meist eine zufällige elektrische Ladung oder in geschlossenen Räumen mit
elektrischen Leitungen auch eine zufällige Wechselspannung. Beim Berühren der
Drähte kommt es zu einer Entladung mit kuren Impulsen, die das Umschalten
bewirken. Falls diese zufällige Ladung nicht ausreicht, können Sie mit dem
offenen Enden des An/Aus-Drahts abwechselnd Vcc und Gnd berühren. Bei einer
andauernden Berührung kann die LED scheinbar mit halber Helligkeit leuchten.
Tatsächlich wird Sie im Takt der Netzspannung ein- und ausgeschaltet. Wenn Sie
den Draht loslassen, bleibt der letzte Zustand erhalten, wobei der genaue
Zeitpunkt zufällig ist.
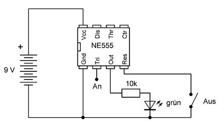
6 Berührungsalarm
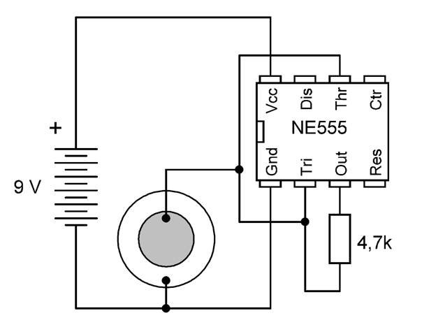
Öffnen Sie das Türchen Nummer 6. Dahinter finden Sie einen
Tastschalter. Schließen Sie diesen am Reset-Eingang (Res, Pin 4) des NE555 an.
Mit einem Tastendruck schalten Sie den Ausgang ab. Ein offener Draht dient als
berührungsempfindlicher Einschalter. Sie können den Versuch wie eine
Alarmanlage einsetzen, indem sie den offenen Draht mit einem leitenden
Gegenstand verbinden. Wenn jemand Ihren wertvollen Pokal berührt, geht die LED
an. Nur mit dem Reset-Taster kann sie wieder gelöscht werden. Die
Empfindlichkeit des Alarms hängt auch von der Nähe elektrischer Leitungen und
vom Bodenbelag ab. Manchmal kann es nötig sein, etwas mit den Füßen zu
scharren, um sich genügend stark aufzuladen.
Auch mit dem Tri-Eingang kann der Ausgang gelöscht werden.
Der Taster müsste dazu zwischen Tri und Vcc (Plus) liegen. Die Funktion wäre
ähnlich. Allerdings gibt es einen Unterschied. Der Reset-Eingang hat Vorrang,
wenn er an Gnd liegt, kann der Ausgang nicht eingeschaltet werden. Dagegen hat
das Einschalten mit Tri Vorrang gegenüber dem Ausschalten mit Thr.
7 Lichtsensor
Öffnen Sie das fünfte Türchen und nehmen Sie einen Fototransistor
heraus. Das Bauteil sieht aus wie eine LED im klaren Gehäuse. Von vorn sieht
man jedoch die dunkle, lichtempfindliche Fläche. Der längere Anschluss ist der
Emitter und wird hier an GND angeschlossen. Der kürzere Anschluss heißt
Kollektor und führt zum Trigger-Eingang. Bei Dunkelheit ist der Fototransistor
ein Isolator. Aber je mehr Licht auf seine empfindliche Fläche fällt, desto
mehr Strom leitet er. Die Spannung am Trigger-Eingang sinkt dann. Bei
genügender Helligkeit schaltet der NE555 die LED ein. Sie bleibt danach auch
bei Dunkelheit an, bis sie mit dem Taster gelöscht wird.
Der Fototransistor arbeitet zusammen mit dem Widerstand von
22 kΩ als Spannungsteiler. Bei Dunkelheit ist die Spannung hoch (9 V),
mit steigender Helligkeit sinkt sie. Sobald die Spannung unter 3 V fällt,
schaltet der NE555 seinen Ausgang ein. Sie können die beiden Widerstände in der
Schaltung tauschen, um die Empfindlichkeit zu ändern. Mit 10 kΩ im
Spannungsteiler schaltet der Sensor erst bei größerer Helligkeit ein.
8 Blitzlichtsensor
Einen besonders großen Widerstand mit 2,2 MΩ (Rot, Rot,
Grün) finden Sie hinter dem Türchen Nummer 8. Er wird zusammen mit dem
Lichtsensor in einem Spannungsteiler eingesetzt. Damit reicht ein sehr kleiner
Strom, um den Ausgang zu triggern. Der Fototransistor wird deshalb „falsch
herum“ eingebaut. Mit dem Kollektor am Minuspol funktioniert er auch noch,
allerdings mit einem geringeren Strom. Bei mäßiger Raumhelligkeit spricht der
Sensor noch nicht an. Aber bei einem Lichtblitz oder bei Annäherung einer
hellen Taschenlampe geht die LED an.
Testen Sie die Schaltung einmal mit voller Empfindlichkeit,
indem Sie den Fototransistor „richtig herum“ mit dem Emitter an Gnd einsetzen.
Nun müssen Sie den Raum komplett abdunkeln, um den Ruhezustand zu erreichen. Dann
reicht schon ein schwacher Lichtschein, um den Sensor auszulösen.
9 Ein LED-Blinker
Hinter dem neunten Türchen finden Sie einen keramischen
Scheibenkondensator mit der Kapazität 100 nF. Die Beschriftung lautet 104 und
steht für 100 000 pF (Picofarad), also 100 nF (Nanofarad). Mit dem Kondensator
lässt sich ein elektronischer Blinker bauen. Die LED geht in schneller Folge an
und aus.
Der Kondensator wird in dieser Schaltung immer wieder
geladen und entladen. Seine Spannung bewegt sich zwischen den beiden
Schaltschwellen von 3 V und 6 V. Die Geschwindigkeit hängt von der Kapazität
des Kondensators und dem Ladewiderstand ab. In diesem Fall beträgt die
Zeitkonstante 100 nF mal 2,2 MΩ, also 0,22 s. Das entspricht ungefähr
einer Schaltperiode des NE555. Die LED blinkt deshalb etwa fünfmal in einer
Sekunde.
10 Wechselblinker
Hinter dem Türchen Nummer 10 finden Sie eine rote LED. Damit
wird aus dem einfachen Blinker ein Zweifarben-Wechselblinker. Jede der beiden
LEDs bekommt ihren eigenen Vorwiderstand.
Beide LEDs und beide Vorwiderstände liegen in Reihenschaltung
zwischen Vcc und Gnd. Wenn man die Verbindung zum Ausgang des NE555 trennt,
leuchten beide wie erwartet gleichmäßig hell. Sobald aber der aktive Blinker
angeschlossen wird, schaltet der Ausgang die Spannung immer abwechselt an Gnd
und an Vcc. Damit wird jeweils eine LED abgeschaltet und die andere mit der
vollen Spannung versorgt.
11 Tongenerator
Hinter dem elften Türchen verbirgt sich der Piezo-Schallwandler.
Er dient nun als kleiner Lautsprecher. Bauen Sie eine Zugentlastung aus einem
kurzen Draht, um die dünnen Anschlüsse in ihrer Position zu halten. Die
Drahtenden können dann permanent in denselben Kontakten bleiben, auch wenn ein
Versuch die Piezoscheibe nicht verwendet. So nutzen die die feinen Kabelenden
nicht ab.
Der Blinker wird mit einem kleineren Ladewiderstand von 10
kΩ für eine höhere Frequenz umgebaut. Das Blinken wird damit so schnell,
dass man nur noch ein Flackern erkennt. Gleichzeitig ertönt ein leises Summen
aus dem Lautsprecher. Der Piezo-Kristall verbiegt sich mit jeder Änderung der
Spannung. Dadurch gerät die Membran in Schwingungen, die als hörbarer Schall
abgestrahlt werden.
Die Tonhöhe hängt in erster Linie vom Ladekondensator und
vom Ladewiderstand ab. Der keramische Kondensator besitzt eine gewisse
Temperaturabhängigkeit, die Sie leicht demonstrieren können. Berühren Sie den
Kondensator, um ihn etwas zu erwärmen. Die Tonhöhe steigt dann gut hörbar an.
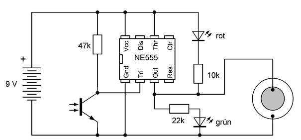
12 Akustischer Lampentester
Im zwölften Fach findet sich ein Widerstand mit 47 kΩ (Gelb,
Violett, Orange). Bauen Sie einen Lichtsensor zur akustischen Untersuchung
elektrischer Lampen. Sie können damit das Lampenflackern hören und sehen.
Nähern Sie den Sensor langsam der Lampe. Bei großem Abstand leuchtet die rote
LED, nahe an der Lampe dagegen die grüne LED. Meist gibt es einen
Zwischenbereich, in dem beide LEDs leuchten. Zusätzlich hört man dann ein
schnarrendes Geräusch aus dem Lautsprecher. Beides zeigt das Flackern der
Lampe. Manche Lampen flackern nur wenig, dann erscheint das Geräusch nur in
einem sehr kleinen Bereich. Andere Typen zeigen dagegen ein sehr starkes
Flackern.
Eine Besonderheit dieser Schaltung ist, dass der Thr-Eingang fest an Vcc liegt.
Der Ausgangszustand hängt dann nur noch von der Spannung an Tri ab. Der NE555
arbeitet so als Komparator (Vergleicher) mit einer Schwelle von 1/3 Vcc. Nun
reichen kleinste Spannungsunterschiede, um die LEDs umzuschalten. Dieser
Komparator eignet sich allerdings nicht für langsam veränderliche
Eingangsspannungen, weil er im Übergangsbereich zu Eigenschwingungen neigt.
13 Temperaturschranke
Hinter dem Türchen Nummer 13 finden Sie einen Temperatursensor.
In dieser Schaltung reagiert der Sensor auf die Handwärme eines Menschen. Wenn
Sie den Sensor einige Sekunden lang zwischen zwei Finger fassen, steigt seine
Temperatur deutlich über 26 Grad. Dann drücken Sie kurz auf den Taster und
schalten damit die grüne LED ein. Sie dürfen eintreten. Nach kurzer Zeit
wechselt die Anzeige wieder auf Rot. Falls der Sensor vorher nicht erwärmt wurde,
springt die Anzeige sofort wieder auf Rot. Ihre Handwärme ist also Ihr Zugangsschlüssel
für den berechtigten Eintritt.
Der Temperatursensor ist ein NTC-Widerstand mit 100 kΩ
bei 25 Grad. NTC bedeutet negativer Temperaturkoeffizient. Der Widerstand des
Sensors sinkt also mit steigender Temperatur. Bei 26 Grad beträgt der
Sensorwiderstand nur noch etwa 94 kΩ, sodass die Spannung am Tri-Eingang
gerade 2/3 VCC ist.
14 Temperaturwarner
Einen Widerstand mit 220 kΩ (Rot, Rot, Gelb) finden
Sie hinter dem 14. Türchen. Bauen Sie damit eine einfache Temperaturanzeige,
die Ihnen mitteilt, ob Ihr Raum zu stark beheizt wird. Alles unterhalb 23 Grad
ist gut, dann bleibt die grüne LED an. Über 23 Grad dagegen gilt als zu warm, es
wird unnötig viel Energie verschwendet. Dann geht die rote LED an. Drücken Sie
auf den Taster und versetzen Sie die Schaltung damit in den grünen Zustand.
Erwärmen Sie den Sensor zum Test mit dem Finger, bis die Anzeige rot wird.
Dieser Zustand bleibt auch nach einer Abkühlung erhalten, bis Sie wieder auf
den Taster drücken. Sie können also jederzeit sehen, ob die Temperatur irgendwann
die Schwelle von 23 Grad überschritten hat.
Der NTC-Sensor hat einen Nennwiderstand von 100 kΩ bei
25 Grad. Wäre der andere Widerstand gerade 200 kΩ, läge die
Schaltschwelle bei 25 Grad, denn dann wäre das Verhältnis beider Widerstände 1
zu 2, die Spannung also gerade 1/3 Vcc. Mit einem Vergleichswiderstand von 220
k liegt die Schwelle bei einem Sensorwiderstand von 110 kΩ, der bei etwa
23 Grad erreicht wird. Erst wenn der Sensorwiderstand 440 kΩ
überschreitet, kippt die Schaltung von allein in den grünen Zustand. Die
Temperatur wäre dann etwa -2 Grad. Sie können die Schaltschwellen geringfügig
verschieben, indem Sie den Widerstand von 2,2 MΩ parallel zum NTC-Sensor
(tiefere Temperaturschwelle) oder parallel zum Widerstand mit 220 kΩ
(höhere Temperatur) einbauen.
15 Dudelsack
Das 15. Türchen bringt einen Widerstand mit 4,7 kΩ
(Gelb, Violett, Rot) zum Vorschein. Bauen Sie ihn in diesen Tongenerator mit
nur drei Bauteilen ein. Sie hören einen hohen Ton. Halten Sie dann das
Schallloch des Schallwandlers ganz oder teilweise zu. Der Ton ändert sich.
Ändern Sie zusätzlich den Abstand zur Tischplatte. Auch damit können Sie die
Tonhöhe und den Klang verändern. Mit etwas Übung lässt sich dieses Instrument
ähnlich wie ein Dudelsack spielen.
Der Piezo-Schallwandler arbeitet in dieser Schaltung
zugleich als ein Kondensator. Er wird in schneller Folge bis 6 V aufgeladen und
dann bis 3 V entladen. Die Kapazität der Piezoscheibe und der Widerstand von
4,7 kΩ bestimmen die Frequenz. Zugleich gerät die Scheibe in Schwingungen
und erzeugt dadurch selbst eine Spannung. Durch Berührungen und Reflexionen von
der Tischplatte kann die Höhe der Schwingungen beeinflusst werden. Damit ändert
sich zugleich die Zeit bis zum Erreichen der Umschaltpunkte und damit die
Frequenz. Der Widerstand bestimmt die die Frequenzlage. Setzten Sie statt 4,7
kΩ einmal 10 kΩ ein, dann erhalten sie einen tieferen Tonbereich.
16 Licht-Theremin
Hinter dem Türchen Nummer 16 finden Sie einen kleinen Kondensator
mit 10 nF (103). Bauen Sie damit ein weiteres Musikinstrument. Ein Theremin
spielt man ohne direkte Berührung durch Veränderung des Anstands zum
Instrument. Hier wird ein Lichtsensor eingesetzt, der den Ton bei steigender
Beleuchtung erhöht. Spielen Sie das Instrument mit einer Taschenlampe. Je näher
Sie an den Sensor kommen, desto höher wird der Ton. Wenn zusätzliches
Kunstlicht auf den Sensor fällt, erhält man oft einen scharenden Ton, der auf
das mehr oder weniger starke Lichtflackern zurückzuführen ist.
Die veränderte Oszillatorschaltung verwendet den Ausgang Dis
(Discharge, Entladen) und erreicht damit einen großen Tonumfang. Der
Fototransistor liefert einen lichtabhängigen Strom, der den Kondensator bis auf
2/3 Vcc auflädt. Dann wird der Entlade-Ausgang aktiv und sorgt für die
Entladung bis zur unteren Schwelle von 1/3 Vcc. Die Spannung am Ladekondensator
ändert sich immer wieder zwischen den Schwellen 3 V und 6 V. Je heller es ist,
desto schneller ist die Aufladung, und desto höher wird der erzeugte Ton.
17 Temperaturabhängige Sirene
Ein Kondensator mit 10 nF (103) verbirgt sich hinter dem
Türchen Nummer 17. Durch die Parallelschaltung mit zweimal 10 nF erhält man
einen Kondensator mit 20 nF und damit einen tieferen Ton. Diesmal bestimmt der
NTC-Temperatursensor die Tonhöhe. Wenn Sie den Sensor anfassen, steigt die
Frequenz. Sie können damit akustisch überprüfen, wer die wärmsten Hände hat. Wenn
jemand gleichzeitig die blanken Drähte des NTC-Sensors berührt, steigt die
Tonhöhe wegen der Leitfähigkeit der Haut noch etwas an.
Nehmen Sie einen der Kondensatoren aus der Schaltung, dann
erhalten Sie einen Ton mit der doppelten Frequenz, also die nächst höhere
Oktave. Wenn Sie beide Kondensatoren in Reihe schalten, halbiert sich die
Kapazität, und die Frequenz verdoppelt sich noch einmal. Die Lautstärke können
Sie erhöhen, indem Sie den Widerstand von 4,7 kΩ durch eine Drahtbrücke
ersetzen.
18 Impuls-Schalter 0,5 s
Hinter dem Türchen Nummer 18 findet sich ein Kondensator mit
10 µF. Es handelt sich um einen Elektrolytkondensator (Elko), bei dem die
Einbaurichtung beachtet werden muss. Der negative Anschluss ist mit einem
weißen Strich gekennzeichnet. Starten Sie den Impulsschalter mit einem kurzen
Druck auf den Taster. Jeder Lichtimpuls ist gleich lang und dauert rund eine
halbe Sekunde. Solche Zeitschalter wurden oft als Belichtungs-Zeitgeber in
Foto-Dunkelkammern eingesetzt.
Die Schaltung bildet ein monostabiles Flipflop. Die
berechnete Zeitkonstante ist das Produkt aus der Kapazität und dem Widerstand,
in diesem Fall 0,47s. Die tatsächliche Schaltzeit ist theoretisch 10% länger,
allerdings liegen die Toleranzen der Bauteile, besonders des Elkos, in der
gleichen Größenordnung. Die Impulsdauer beträgt damit ungefähr 0,5 s. Testen
auch andere Widerstände, um veränderte Schaltzeiten zu erreichen.
19 Zeitschalter 10 s
Das Türchen Nummer 19 bringt einen Widerstand mit 1 MΩ
(Braun, Schwarz, Grün) zum Vorschein. Damit verlängern Sie die Schaltzeit auf
etwa 10 Sekunden. Die Schaltung funktioniert nun ähnlich wie ein
Flurlichtautomat. Mit jedem Tastendruck wird das Licht eingeschaltet. Das
Ausschalten steuert der Automat allein.
Testen Sie auch den größten Widerstand mit 2,2 MΩ.
Damit erhalten Sie eine Schaltzeit von mehr als 20 Sekunden. Sehr kurze Impulse
erreichen Sie mit einem Kondensator von nur 100 nF.
20 Berührungssensor
Öffnen Sie das Fach Nummer 20 und nehmen Sie einen Transistor BC547 heraus. Der
Zeitschalter soll damit um einen Berührungskontakt erweitert werden. Sie müssen
nun nicht mehr auf einen Taster drücken, sondern es reicht, den offenen
Drahtanschluss zu berühren. Der Transistor verstärkt die dabei auftretenden
kleinsten Signalströme und startet damit den Zeitschalter.
Die Anschlüsse des Transistors sind der Emitter E, die Basis
B und der Kollektor C. Schaut man so auf die flache Seite des Transistors, dass
man die Beschriftung lesen kann, sind die Anschlüsse von rechts nach links in
der Folge E, B, C angeordnet. Der Emitter liegt an Minus (Gnd), der Kollektor
an Plus. Ein kleiner Basisstrom steuert einen bis etwa 300-fach verstärkten
Kollektorstrom. In diesem Fall wird der Basisstrom durch die Berührung
geliefert und stammt letztlich von den elektrischen Leitungen im Raum. Der
Transistor verstärkt diese Brummsignale und steuert damit den Trigger-Eingang
an.
21 Elektrostatischer Bewegungsmelder
Ein weiterer Transistor BC547 befindet sich hinter dem
Türchen Nummer 21. Damit kann die Verstärkung noch einmal deutlich vergrößert
werden. Der Zeitschalter startet nicht erst bei einer direkten Berührung des
Sensordrahtes, sondern schon bei der Annäherung einer Person. Jeder Mensch lädt
sich beim Gegen auf einem isolierenden Bodenbelag etwas auf. Diese elektrische
Ladung wird erkannt und löst den Zeitschalter aus. Manchmal muss man allerdings
erst etwas mit den Füßen scharren, damit die LED angeht.
Wer sich mit Schuhen auf einem isolierenden Bodenbelag oder
einem Teppich bewegt, lädt sich meist auf eine mehr oder weniger hohe
elektrische Spannung auf. Manchmal spürt man einen elektrischen Schlag beim
Berühren einer Türklinke. Schon wenn man in die Nähe eines Drahtes kommt,
wirken elektrische Kräfte, die zu einer Verschiebung freier Elektronen im Draht
führen. Bei jeder Änderung des elektrischen Feldes fließt daher ein sehr
kleiner Strom. Dieser wird in der Schaltung mit zwei Transistoren so weit
verstärkt, dass er den Zeitschalter auslöst.
22 Fingerorgel
Hinter dem Türchen Nummer 22 kommt ein weiterer Kondensator mit
100 nF (104) zum Vorschein. Er wird nun für ein ganz besonderes Musikinstrument
gebraucht. Die Tonhöhe wird diesmal durch einen Druck auf die Membran des
Piezo-Lautsprechers verändert. Mit etwas Übung lassen sich damit einfache
Melodien spielen.
Der Piezo-Schallwandler hat in diesem Versuch eine doppelte
Funktion. Einerseits ist er der Lautsprecher des Instruments. Und andererseits
ist er ein Drucksensor, der bei jedem Fingerdruck eine elektrische
Gleichspannung erzeugt. Das Signal wird mit zwei Transistoren verstärkt und mit
einem Kondensator von den Resten der Tonfrequenz befreit. Der verstärkte
Steuerstrom verändert die Spannung am Control-Eingang Ctr, wo im Ruhezustand
die Vergleichsspannung 2/3 Vcc liegt. Je tiefer diese Spannung gezogen wird,
desto höher wird der erzeugte Ton. Die rote LED liefert je nach Beleuchtung
einen kleinen Fotostrom, der die richtigen Anfangsbedingungen für den
Transistorverstärker einstellt.
23 Passiv-Infrarotmelder
Im Fach Nummer 23 finden Sie eine gelbe LED. Sie wird hier
als Fotodiode verwendet, die für den richtigen Anfangsstrom der Schaltung
sorgt. Der Versuch funktioniert am besten bei nicht zu hellem Licht. Man wartet
zunächst, bis sich an der roten LED eine geringe, konstante Helligkeit
einstellt. Damit ist die maximale Empfindlichkeit erreicht. Nun hält man seine
Hand bis auf 5 cm an die offene Rückseite des Piezosensors. Er erwärmt sich
durch die infrarote Wärmestrahlung der Hand etwas und erzeugt eine elektrische
Spannung, die mit zwei Transistoren verstärkt wird. Die Helligkeit der roten
LED ändert sich deutlich. Sobald das Signal groß genug wird, schaltet sich die
grüne LED ein. Der aktive Zustand kann mit einem Druck auf den Taster wieder
beendet werden.
Die Empfindlichkeit des Sensors kann noch erhöht werden,
indem man die versilberte Kontaktfläche der Piezoscheibe mit einem Bleistift
etwas schwärzt. Die übrige Funktion des Piezo-Wandlers wird dadurch nicht
beeinträchtigt. Die Polung der erzeugten Spannung kann nicht mit Sicherheit
vorausgesagt werden. Bei einer Erwärmung kann die rote LED heller oder dunkler
werden. Entfernt man die Hand vom Sensor, wird die entgegengesetzte Änderung
beobachtet. Damit wird der Alarm entweder bei Annäherung oder bei Entfernung
ausgelöst. Dieses Verhalten kann man leicht umkehren, indem man die beiden
Anschlüsse der Piezoscheibe vertauscht.
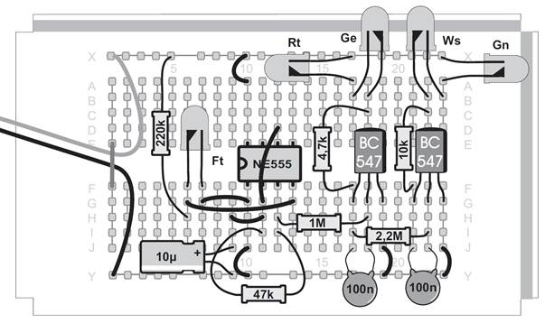
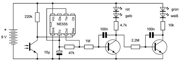
24 Lichtgesteuertes Stimmungslicht
Hinter dem letzten Türchen finden Sie eine weiße LED. Bauen
Sie nun ein festliches Weihnachtslicht mit vier LEDs unterschiedlicher Farbe. Die
LEDs blinken im Gegentakt und mit weichen Übergängen, sodass der Eindruck eines
sanften Flackerns entsteht. Das Flackern wird unterdrückt, solange es noch hell
ist. Ernst wenn der Raum etwas abgedunkelt wird, wird die Schaltung aktiv.
Der Fototransistor aktiviert bei großer Helligkeit den
Reset-Eingang des NE555. Wenn die Schaltung auch bei hellem Licht funktionieren
soll, muss der Fototransistor aus der Schaltung entfernt werden. Der Timer
arbeitet dann in der üblichen Blinkschaltung. Beide Transistoren bilden
langsame, invertierende Schalter. Zusammen mit einem Kondensator zwischen
Kollektor und Basis hat man ein Tiefpassfilter, das für die sanften Übergänge
sorgt.
Am Ende dieser Versuchsreihe haben Sie sicher noch weitere
Ideen, was Sie mit diesen Bauteilen probieren könnten. Denn hier konnte nur ein
kleiner Teil aller möglichen Anwendungen gezeigt werden. Einzelne Schaltungen
können verändert und für besondere Zwecke optimiert werden. Oder Sie setzen
ganz neue Ideen um. Bleiben Sie kreativ!
Bauteile im Kalender
1 Grüne LED + Widerstand 22 kΩ
2 Batterieclip
3 Steckplatine + Draht
4 NE555
5 Widerstand 10 kΩ
6 Tastschalter
7 Fototransistor
8 Widerstand 2,2MΩ
9 Kondensator 100 nF
10 Rote LED
11 Piezo-Schallwandler
12 Widerstand 47 kΩ
13 NTC-Widerstand 100kΩ
14 Widerstand 220 kΩ
15 Widerstand 4,7 kΩ
16 Kondensator 10 nF
17 Kondensator 10 nF
18 Elko 10µF
19 Widerstand 1 MΩ
20 Transistor BC547B
21 Transistor BC547B
22 Kondensator 100 nF
23 Gelbe LED
24 Weiße LED