
LED-Bandanzeige
Beitrag zum Schaltungswettbewerb 2017
von Holger Fritzsch
Meine
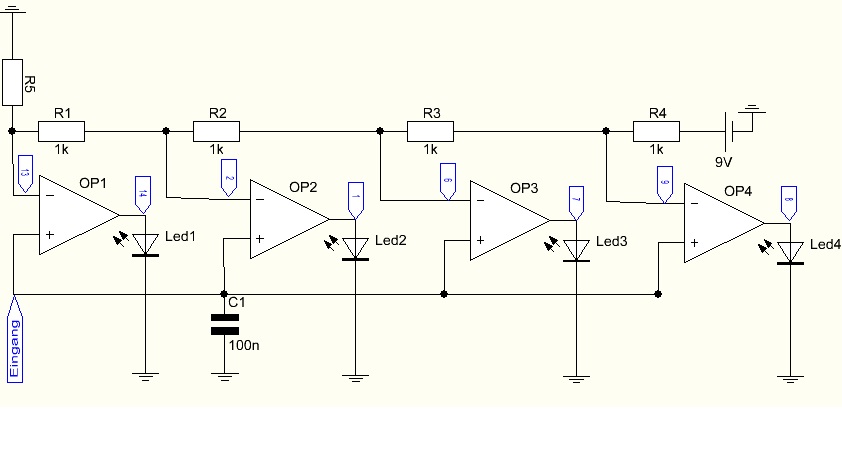
Schaltung nutzt alle 4 OPV des LM324 aus. Es ist eine Kaskadenschaltung
und arbeitet nach dem Komparator-Spannungsvergleich-Prinzip. Über eine
Spannungsteiler-Widerstandskette, bestehend aus R1, R2, R3, R4 und R5,
werden den einzelnen Stufen, OPV1 bis OPV4, die Referenzspannung an den
invertierenden Eingängen (-) zugeführt. Mit Erhöhung der
Eingangsspannung schaltet zuerst OPV1, dann OPV2, dann OVP3 und
schließlich OVP4 zu. Sie bilden eine sog. Bandanzeige.
Alle
nicht invertierenden Eingangspins (+) der OPVs (pin 12, pin3, pin5,
pin10) sind zusammengeschaltet. An den Widerständen liegt jeweils eine
nach dem Spannungsteiler festgelegte Spannung an. Es findet immer ein
Vergleich der anliegenden Eingangsspannung mit der Referenzspannung
statt. Ist die Eingangsspannung größer als die Referenzspannung, so
schaltet der OPV durch und gibt an seinen Ausgang einen H-Pegel aus.
Die zugehörige LED leuchtet.
Die Spannungen am Punkt "Eingang" (blauer Pfeil):
Bei 1,85V schaltet LED1 ein,
bei 3,65V schaltet LED2 ein,
bei 5,4V schaltet LED3 ein und
bei 7,2V leuchtet LED. Jetzt ist die Balkenanzeige komplett.
Es
sind, je nach Dimensionierung der Widerstände, lineare, unlineare oder
auch z.B. logarithmische Spannungsänderungen anzeigbar. Als Anwendung
könnte ich mir eine Aussteueranzeige einer Stereoanlage (doppelte
Ausführg.), Spannungs- Temperatur- Wasserstandsanzeige vorstellen. So
kann die Schaltung in bestehende Geräte nachgerüstet werden. Die
Speisung kann aus dem Gerät erfolgen. Die Schaltung kann also
individuell angepasst werden.
Bemerkung: Ich habe die
Widerstände der LEDs im Schaltbild der Übersicht halber weggelassen.
Entweder man verwendet LEDs mit integrierten Widerstand, oder schaltet
470 Ohm, wie im Aufbau zu erkennen, in Serie. Die Schaltung ist im
Prinzip weiter kaskadierbar. C1 dient zur Unterdrückung einer evtl.
Schwingneigung.
Elektronik-Labor
Literatur
Projekte
Lernpakete
Kalender Contest17