
Rauschgenerator
Beitrag zum Schaltungswettbewerb 2017
von Norbert Renz
Macht
man die Verstärkung groß genug, so kann man das Eigenrauschen des LM324
hörbar machen. Mit dem Material aus dem Franziskalender 2017 geht sich
das gerade noch aus.
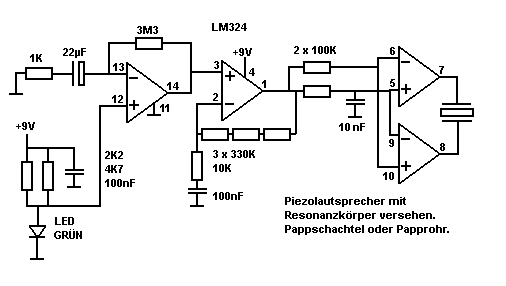
Die
erste Stufe ist als Wechselspannungsverstärker geschaltet. Die
Verstärkung beträgt ca. 3300-fach, die obere Grenzfrequenz liegt damit
bei ca. 300 Hz. Die Untere bei ca. 7 Hz. Die zweite Stufe hat nochmals
100-fache Verstärkung. Die obere Grenzfrequenz ist dann ca. 10 kHz und
die untere ca. 160 Hz.

Dieses
Bild zeigt das Ausgangsrauschen, welches bereits ca. 1 Vss erreicht.
Mit einer zusätzlichen Verstärkung von 10x wäre bereits Begrenzung
erreichbar. Der Frequenzschwerpunkt liegt allerdings deutlich unter 1
kHz. Der Piezolautsprecher ist aber im Bereich von 2 bis 3 kHz am
empfindlichsten. Zum Glück liegt die Rauschinformation nicht nur in der
Amplitude sondern auch in den Nulldurchgängen. Mit einer zusätzlichen
Verstärkung von ca. 100x könnten diese mit extra Übersteuerung
ausgewertet werden. Dadurch würden Oberwellen erzeugt, welche
das niegerfrequente Rauschen, zu höheren Frequenzen hin, spreizen.
Bei 100x schafft der LM324 noch eine Leerlauf-Bandbreite von ca. 10
kHz. Das gibt noch Flankensteilheiten die für den Piezo ausreichen. Mit
den zwei restlichen OP kann nun eine Gegentaktendstufe gemacht werden,
die die Nulldurchgänge detektiert und ordentlich Ausgangspegel macht.
Die
untere Grenzfrequenz für die Ansteuerung liegt mit dem 10nF
Kondensator wieder bei ca. 160 Hz. Beim Umladen des Piezos
entstehen starke Stromstöße in der Betriebsspannungsquelle. Die
Batterie sollte noch einen guten Zustand haben (Niedriger
Innenwiderstand). Ansonsten bricht die Speisung kurzzeitig ein und der
Verstärker könnte anfangen zu schwingen. Wer das nicht garantieren
kann, sollte einen dicken Elko als Stützkondensator vorsehen. Das
Rauschen hört sich sehr hart an. Durch die Wahl eines geeigneten
Resonanzkörpers kann der Frequenzschwerpunkt noch manipuliert werden.
Mit einem kurzen Papprohr hört sich das Rauschen fast schon wie Regen
an. Dadurch wird auch die Lautstärke grösser. Das letzte Bild zeigt das
Ausgangssignal, welches fast vollständig übersteuert ist, samt den
gänzlich verrauschten Impulsflanken.
Elektronik-Labor
Literatur
Projekte
Lernpakete
Kalender Contest17