

Vorwort
Seit einigen Jahren schon gibt es den Elektronik-Adventskalender mit 24 Versuchen für die 24 Dezembertage im Advent. In diesem Jahr heißt das Thema Sensoren. Lassen Sie sich überraschen. Oft können mit sehr einfachen Schaltungen erstaunliche Ergebnisse erzielt werden. Das bringt neue Erfahrungen und macht Spaß.
Der Elektronik-Adventskalender ist ideal für das gemeinsame Experimentieren von Eltern und ihren Kindern. Ganz zwanglos werden dabei die wichtigsten Grundkenntnisse vermittelt. Kinder unter 14 Jahren sollten nur unter Aufsicht Erwachsender experimentieren. Achten Sie auf die Sicherheit Ihrer Kinder beim Umgang mit Werkzeugen und mit den Experimenten. Arbeiten Sie nur mit ungefährlichen Spannungen unter 24 V. Bitte weisen Sie Ihre Kinder auf die möglichen Gefahren hin.
Viele der Versuche sind zwar sehr einfach aufzubauen aber nicht unbedingt einfach zu verstehen. Meist werden zunächst nur der Aufbau und die Funktion möglichst einfach beschrieben. Das reicht um den Versuch erfolgreich durchzuführen. Nur wer es genauer wissen will liest weiter und erfährt die technischen Hintergründe in knapper Form. Viele kleine und große Variationen sind möglich. Vielleicht finden Sie da ein paar neue Schaltungen für weitere Experimente. Lassen Sie Ihrer Kreativität freien Lauf!
Wir wünschen eine frohe und kreative Weihnachtszeit!
Inhalt
16 Elektrostatischer Bewegungsmelder
19 Blinkende Temperaturanzeige
Öffnen Sie das erste Türchen und entnehmen Sie ein ganz besonderes Bauteil, eine grüne LED mit internem Vorwiderstand. Das LED-Gehäuse ist kürzer als bei anderen LEDs. Damit können Sie die Bauteile nicht verwechseln. Eine normale LED darf ja bekanntlich niemals ohne einen Widerstand an eine Batterie angeschlossen werden. Aber hier ist der Widerstand schon eingebaut. Er sitzt als kleiner Block auf dem positiven Anschluss, während der LED-Kristall auf dem negativen Anschluss liegt, der wie ein kleiner Kelch ausgeformt ist.
Den positiven Anschluss nennt man auch Anode (A) und den negativen Kathode (K). Das LED-Gehäuse hat einen breiteren unteren Rand mit einer Abflachung an der Kathodenseite. Außerdem ist der Kathodenanschluss kürzer als der Anodenanschluss. So hat man mehrere Unterscheidungsmerkmale für die beiden Pole der LED. Für eine korrekte Funktion ist es wichtig, dass der Kathodenanschluss mit dem Minuspol der Batterie verbunden wird und der Anodenanschluss mit dem Pluspol. Die LED funktioniert wie ein elektrisches Ventil, das den Strom nur in einer Richtung passieren lässt. Und ohne Strom gibt es natürlich auch kein Licht.

Halten Sie die LED direkt an die Anschlüsse der Batterie. Sie leuchtet hell auf. Achtung, vermeiden Sie einen direkten Blick in eine leuchtende LED aus geringer Entfernung. Vermeiden Sie unbedingt einen Kurzschluss der Batterie, also eine direkte Verbindung der beiden Pole. Denn dabei könnte die Batterie sehr heiß werden und bei einem länger anhaltenden Kurzschluss im Extremfall sogar explodieren. Außerdem verringern Kurzschlüsse die Lebensdauer der Batterie.
Elektronische Schaltungen stellt man übersichtlich in Schaltbildern dar. Für jedes Bauteil gibt es ein spezielles Symbol. Die LED besteht aus einem Dreieck für die Anode und einem geraden Strich für die Kathode. Das deutet die Stromrichtung an. Zwei kurze Pfeile nach außen stehen für das abgegebene Licht. Der Widerstand wird als rechteckiges Kästchen gezeichnet. Jeder Widerstand hat einen bestimmten Widerstandswert. Der in die LED eingebaute Widerstand hat 1000 Ohm = 1 Kiloohm (1 kΩ, im Schaltbild kurz 1 k). Obwohl beide Bauteile im selben Gehäuse eingebaut sind, werden sie im Schaltbild wie zwei eigenständige Bauteile dargestellt.

Das Schaltbild zeigt eine Reihenschaltung. Der Strom fließt durch Batterie, die LED und den Widerstand. Der Widerstand hat dabei die Aufgabe, die Stromstärke auf einen sinnvollen Wert zu begrenzen. Je größer der Widerstand, desto kleiner die Stromstärke.
Achtung! Eine normale LED darf niemals direkt an eine Spannungsquelle gelegt werden, sondern man braucht immer auch einen Widerstand. Ohne diesen Vorwiderstand würde die LED durch zu viel Strom zerstört! In dieser Spezial-LED ist der Widerstand schon eingebaut, nur deshalb ist hier der direkte Anschluss erlaubt. Damit eine Verwechselung ausgeschlossen ist wurde für die LED mit eingebautem Widerstand eine besondere Gehäuseform verwendet. Sie ist wesentlich kürzer als eine Standard-LED.

Das zweite Türchen verbirgt einen Batterieclip für die 9-V-Batterie. Bauen Sie den Versuch vom ersten Tag noch einmal etwas anders auf. Verwenden Sie den Batterieclip und beachten Sie, dass der schwarze Anschlussdraht der Minuspol und der rote der Pluspol ist. Vermeiden Sie sorgfältig einen Kurzschluss, also eine direkte Berührung des roten Kabels mit dem schwarzen. Es erfordert etwas Geschick, beide Kontaktstellen gleichzeitig zusammenzuhalten. Sie können die LED nach Belieben ein- und ausschalten.
Halten Sie einmal den Kathodenanschluss der LED direkt an den schwarzen Draht der Batterie und berühren Sie gleichzeitig den roten Draht und den Anodenanschluss mit dem Finger. Die LED wird sehr schwach leuchten. Für den Versuch sollten Sie den Raum weitgehend verdunkeln und sich an das schwache Licht gewöhnen. Dann sehen Sie es ganz deutlich. Die Berührung mit dem Finger lässt einen kleinen Strom fließen, der die LED zum Leuchten bringt.


Im Schaltbild sieht man eine Unterbrechung des Stromkreises, die mit dem Finger überbrückt werden soll. Der Finger funktioniert wie ein Widerstand, aber dieser Widerstand ist etwa tausendmal größer als der eingebaute Widerstand in der LED. Entsprechend wird das LED-Licht etwa tausendmal schwächer. Die Helligkeit hängt von der Hautfeuchtigkeit und von Druck auf die Metallkontakte ab. Wenn Sie den Finger etwas anfeuchten wird die LED heller. Der Versuch zeigt, wie ein einfacher Berührungssensor aufgebaut ist. Später im Kalender wird das Prinzip noch einmal aufgegriffen und verbessert.
Hinter dem dritten Türchen finden Sie eine kleine Steckplatine. Damit vereinfacht sich der Aufbau auch relativ komplexer Schaltungen. Das Steckfeld hat 170 Kontakte, die jeweils durch vertikale Streifen mit 5 Kontakten leitend verbunden sind. Das Einsetzen von Bauteilen benötigt relativ viel Kraft. Die Anschlussdrähte knicken daher leicht um. Wichtig ist, dass die Drähte exakt von oben eingeführt werden. Dabei hilft eine Pinzette oder eine kleine Zange. Ein Draht wird möglichst kurz über dem Steckbrett gepackt und senkrecht nach unten gedrückt. So lassen sich auch empfindliche Anschlussdrähte wie die verzinnten Enden des Batterieclips ohne Knicken einsetzen. Wenn alles korrekt verbunden ist leuchtet die LED auf der Steckplatine.

Hinter dem Türchen Nr. 4 kommt ein Kupferdraht mit roter Isolierung zum Vorschein. Mit dem Draht lässt sich ein einfacher Schalter bauen. Er besteht aus zwei blanken Drahtstücken, die sich erst mit einem Fingerdruck berühren. Schneiden Sie dazu mit einer Zange oder zur Not auch mit einer alten Schere Drahtstücke von 2 cm Länge ab und entfernen Sie die Isolierung komplett.
Um die weichen Anschlussdrähte des Batterieclips zu schonen, wird zusätzlich ein kurzer Draht als Zugentlastung eingebaut. Der Batterieclip sollte immer verbunden bleiben, damit die Anschlüsse nicht übermäßig abnutzen. Schneiden Sie ein passendes Stück Draht von ca. 2 cm Länge ab und entfernen Sie an den Enden die Isolierung auf einer Länge von etwa 7 mm. Zum Abisolieren der Drahtenden hat es sich als praktisch erwiesen, die Isolierung mit einem scharfen Messer rundherum einzuschneiden. Achtung, dabei sollte der Draht selbst nicht angeritzt werden, weil er sonst an dieser Stelle leicht bricht. Biegen Sie die Schalterdrähte so, dass sie sich gerade nicht berühren. Durch einen leichten Fingerdruck lässt sich der Schalter schließen, sodass die LED leuchtet.
Alternativ können Sie den Schalter auch so bauen, dass er im Normalzustand geschlossen ist. Auch ein Diebstahl- oder Einbruchsensor ist damit realisierbar. Schieben Sie ein Stück Papier zwischen die Kontakte, das an einem Faden befestigt ist. Der Faden wird an eine Tür oder ein Fenster befestigt. Ein Dieb (oder ein Mitglied der Familie) würde dann unbemerkt das Papier aus dem Schalter ziehen, womit der Stromkreis geschlossen wird.

Hinter der fünften Tür wartet ein Widerstand auf seinen Einsatz. Widerstände sind mit Farbringen gekennzeichnet. Die Farben Braun (1), Schwarz (0), Orange (000) stehen für 10.000 Ohm, also 10 Kiloohm (10 kΩ). Es folgt ein goldener Ring, der die Genauigkeitsklasse 5 % angibt. Durch den größeren Widerstand wird der LED-Strom deutlich reduziert. Weniger Strom bedeutet weniger LED-Helligkeit und zugleich eine längere Batterielebensdauer. Dank der guten Effizienz der LED ist das Licht für viele Anwendungen ausreichend. Entscheiden Sie selbst!
Insgesamt wirkt nun ein Widerstand von 11 kΩ. Wenn man von einer LED-Spannung von 2 V ausgeht, liegen noch 7 V an den Widerständen und es fließt ein Strom von etwa 0,65 mA. Eine 9-V-Batterie hat üblicherweise eine Kapazität von 500 mAh und könnte diesen Strom mehr als einen Monat lang liefern. Achten Sie bei Ihren Experimenten darauf, dass die Batterie möglichst wenig belastet wird, damit sie bis zum Ende dieser Versuche durchhält und möglichst noch für weitere Experimente verwendet werden kann.


Hinter dem Türchen Nr. 6 finden Sie einen der wichtigsten Sensoren in diesem Kalender, den Neigungsensor. Er besteht aus einem Schaltkontakt, der in aufrechter Lage durch eine kleine Metallkugel geschlossen wird. Dreht man den Sensor um, dann fällt die Kugel von ihrem Kontakt und der Stromkreis ist geöffnet. Bei starker Erschütterung hüpft die Kugel, der Kontakt ist abwechselnd geschlossen und geöffnet. Man kann die Bewegung der Kugel auch hören.
Bauen Sie den Neigungssensor mit in den Stromkreis ein. Testen Sie seine Funktionen durch langsames Kippen des Steckboards. Bewegen Sie das Board auch einmal schnell auf und ab. Die LED blinkt.


Öffnen Sie das siebte Türchen Ihres Kalenders und nehmen Sie eine rote LED heraus. Achtung, eine Standard-LED darf niemals ohne Vorwiderstand an eine Batterie gelegt werden, weil sie für einen maximalen Strom von 20 mA ausgelegt ist. Bauen Sie eine Reihenschaltung aus der roten LED und der grünen LED mit dem internen Vorwiderstand und dem zusätzlichen Vorwiderstand von 10 kΩ. Der Neigungssensor soll die grüne LED überbrücken. Im Normalzustand wird dann der Strom an der grünen LED vorbei geleitet. Man kann auch sagen, die grüne LED wird kurzgeschlossen. Der Kurzschluss ist aber in diesem Fall kein Fehler, weil der Strom an anderer Stelle im Stromkreis begrenzt wird. Es leuchtet also nur die rote LED, während die grüne LED aus ist.
Klopfen Sie nun einmal auf den Tisch. Die Kugel im Neigungssensor hüpft dabei etwas und öffnet den Kontakt für kurze Momente. Sie sehen ein Blitzen der grünen LED. Testen Sie verschiedene Untergründe und Aufstellorte. Gelingt es Ihnen den Sensor so aufzustellen, dass die Annäherung einer Person erkannt wird?


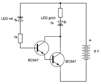
Hinter dem siebten Türchen kommt ein Bauteil mit drei Anschlussdrähten zum Vorschein, ein Transistor von Typ BC547C. Die Anschlüsse heißen Basis (B), Emitter (E) und Kollektor (C). Der Basis-Anschluss liegt in der Mitte, der Emitter-Anschluss rechts, wenn Sie auf die flache Seite mit der Beschriftung schauen, und der Kollektor liegt links. Bauen Sie den Transistor so in den Stromkreis ein, dass er die grüne LED einschalten kann. Der Widerstand von 10 kΩ sorgt für den erforderlichen Basisstrom. Die Drahtschleife S schließt jedoch Basis und Emitter kurz und leitet damit den Basisstrom ab, die LED bleibt aus. Unterbricht man aber diese Verbindung, schaltet der Transistor die LED an. Binden Sie einen dünnen Faden an die Drahtbrücke, dessen anderes Ende an eine Tür gebunden ist. Beim Öffnen der Tür zieht man die Drahtbrücke heraus und löst damit den Alarm aus.
Der Transistor ist ein Stromverstärker. Wenn ein kleiner Basisstrom fließt, bewirkt das einen vielfach größeren Kollektorstrom. Man kann den Transistor wie einen Schalter verwenden. Eine leitende Verbindung zwischen Kollektor und Emitter entsteht, wenn ein kleiner Strom durch die Basis fließt. Aber die Stromrichtung muss stimmen. Bei dem hier verwendeten NPN-Transistor muss der Emitter am Minuspol der Batterie liegen.


Hinter dem neunten Türchen kommt ein weiterer Widerstand zum Vorschein. Er hat 82 kΩ (Grau, Rot, Orange). Bauen Sie ihn statt des bisher verwendeten 10-kΩ-Widerstands in den Basisstromkreis ein. Zusätzlich gibt es nun einen Hauptschalter in Form des Neigungsschalters N. Nur der Besitzer weiß wie man die Alarmanlage abschaltet, nämlich durch Umdrehen.
Die verbesserte Alarmanlage funktioniert so wie vorher, aber mit einem kleineren Schleifenstrom. Die Sensorschaltung kann daher sehr lange mit einer Batterie betrieben werden. Im aktiven Zustand fließt ein Sensorstrom von etwa 0,1 mA. Bei einer Batteriekapazität von 500 mAh könnte man die Anlage 5000 Stunden lang mit einer Batterie betreiben, also länger als ein halbes Jahr.


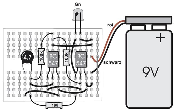
Hinter dem zehnten Türchen kommt ein weiterer Transistor BC547C zum Vorschein. Mit zwei Transistoren erreicht man eine noch größere Verstärkung, weil der schon verstärkte Strom des ersten Transistors durch den zweiten Transistor noch einmal verstärkt wird. Es reicht nun bereits der geringe Strom durch Ihren Finger, um eine LED voll einzuschalten. Bauen Sie dazu zwei blanke Drähte in die Schaltung ein. Durch Berühren beider Drähte geht die LED an.
Diese Schaltung nennt man nach ihrem Erfinder Darlington-Schaltung. Ein Transistor BC547C hat einen Stromverstärkungsfaktor von etwa 500. Beide Transistoren zusammen erreichen daher eine 250.000-fache Stromverstärkung. Es genügt daher bereits ein Sensorstrom von weit unter einem Mikroampere um die LED ganz einzuschalten.


Öffnen Sie das elfte Fach. Darin kommt ein Widerstand mit 1 kΩ (Braun, Schwarz, Rot) zum Vorschein. Die rote LED wird diesmal nicht als Lichtquelle sondern als Lichtsensor eingesetzt. Sie wird in Sperrrichtung mit der Kathode zum Pluspol eingebaut. Normalerweise fließt dann kein Strom. Wenn aber helles Licht auf die LED fällt zeigt die Diode eine geringe Leitfähigkeit und es fließt ein kleiner Strom. Dieser wird durch die Transistoren verstärkt und lässt die grüne LED leuchten. Stellen Sie Ihren Versuch unter eine Lichtquelle. Die grüne LED leuchtet. Schatten Sie nun die rote LED ab, dann leuchtet die grüne LED schwächer oder geht ganz aus. Testen Sie ihren Lichtsensor bei unterschiedlichen Lichtverhältnissen. Auch bei relativ schwachem Licht ist noch eine Reaktion erkennbar.
In dieser Schaltung funktioniert die rote LED wie eine Fotodiode. Bei hellem Licht lässt sie einen sehr kleinen Strom von wenigen Nanoampere hindurch. Die Darlingtonschaltung sorgt für eine ausreichende Verstärkung. Der 1-kΩ-Widerstand an der Basis dient als Schutzwiderstand. Er wird nur für den Fall gebraucht, dass die rote LED versehentlich anders herum eingebaut wird.


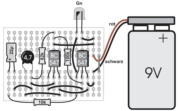
Hinter dem zwölften Türchen wartet ein neues Bauteil auf seinen Einsatz. Es handelt sich um einen keramischen Scheibenkondensator mit einer Kapazität von 100 Nanofarad (100 nF, Beschriftung 104). Bauen Sie den Kondensator in Ihre Darlingtonschaltung ein, die zusätzlich nun zwei Berührungssensoren aus je zwei blanken Drähten bekommt. Durch kurzes Antippen des oberen Kontakts mit dem Finger können Sie die LED heller stellen, mit dem unteren wird sie dunkler. Wenn Sie keinen der Sensorkontakte berühren bleibt die Helligkeit für lange Zeit nahezu unverändert. Der Kondensator wurde nämlich auf eine mittlere Spannung aufgeladen und liefert nun den erforderlichen Steuerstrom für die Transistoren. Erst nach mehreren Minuten wird die LED merklich schwächer.
Ein Kondensator besteht aus zwei Metallfolien und einem Isolator zwischen beiden. Er funktioniert als Speicher elektrischer Ladung. Im Vergleich zu einem Akku wird allerdings nur sehr wenig Ladung gespeichert. Die Kapazität eines Kondensators wird in Farad angegeben. 1 F ist eine sehr große Kapazität. Die meisten Kondensatoren haben nur einige Mikrofarad (µF), Nanofarad (nF) oder Pikofarad (pF). Der Aufdruck 104 steht für 100.000, denn 100 nF entsprechen 100.000 pF.


Achtung: Der Draht wird knapp. Ich bitte vielmals um Entschuldigung, das war mein Fehler bei der Planung der Fächer-Inhalte. Trotz zahlreicher Testläufe ist dieses Problem leider nicht aufgefallen, was mich sehr ärgert. So sehr man sich auch bemüht, am Ende kann doch noch etwas übersehen werden.
Im Fach Nr. 13 finden Sie einen Widerstand mit 1 MΩ (1 Megaohm, Braun, Schwarz, Grün). Der Kondensator soll nun gegen den Pluspol der Batterie angeschlossen werden. Er lädt sich über den Widerstand von 1 MΩ auf und liefert in dieser Zeit den Steuerstrom für die Darlington-Schaltung. Die LED leuchtet für einige Sekunden mit voller Helligkeit und wird dann schwächer. Danach leuchtet sie eine bis zwei Minuten lang mit geringer aber annähernd konstanter Helligkeit weiter.
Zusätzlich ist der Kondensator ein wirksamer Temperatursensor. Bei einer leichten Berührung mit dem Finger erwärmt er sich. Dabei wird die LED dunkler. Nehmen Sie den Finger weg, dann kühlt der Kondensator ab und die LED wird wieder heller. Eine Änderung ist sogar erkennbar wenn Sie Ihren Finger einige Millimeter entfernt neben den Kondensator halten. Die Wärmestrahlung reicht dann für eine minimale Temperaturänderung.
Dieses Verhalten ist typisch für manche keramischen Kondensatoren und hängt von dem verwendeten Werkstoff ab. Mit steigender Temperatur wird die Kapazität geringer. Bei gleicher Ladung steigt dabei die Kondensatorspannung, was in dieser Schaltung dazu führt, dass der Basisstrom geringer wird. Der Versuch zeigt anschaulich die Arbeitsweise eines Infrarot-Bewegungsmelders, bei dem die gleichen Vorgänge ablaufen und mit einem noch besseren Verstärker ausgewertet werden. Zusätzlich verhält sich der Kondensator ähnlich wie ein extrem großer Widerstand. Tatsächlich liegt dies an einem komplexen Vorgang im Inneren des Kondensators, der dielektrischen Remanenz. Wenn die LED nach einigen Minuten zu schwach leuchtet können Sie den Kondensator herausnehmen und anders herum wieder einbauen. Damit beginnt alles von vorn.


Hinter dem Türchen Nr. 14 kommt ein weiterer Kondensator mit 100 nF (Aufdruck 104) zum Vorschein. Damit kann ein zweiter Temperatursensor in die Schaltung eingebaut werden. Beide Sensoren unterscheiden sich in ihrer Funktion. Eine Erwärmung des oberen Kondensators lässt die LEDs dunkler werden. Eine Erwärmung des unteren Kondensators dagegen steigert die Helligkeit. Durch abwechselndes Berühren beider Sensoren können Sie also die Helligkeit auf- und abschwellen lassen.
Die rote LED in dieser Schaltung sieht nicht nur schön aus, sie erfüllt auch einen wichtigen Zweck, indem sie die Spannung am Eingang der Schaltung anhebt. Der untere Kondensator kann nämlich nur dann als Temperatursensor arbeiten, wenn er eine nicht zu kleine Spannung hat. Auch hier gilt wieder, dass die Schaltung nach einigen Sekunden voller Helligkeit nur etwa eine bis zwei Minuten einen mittleren, steuerbaren LED-Strom liefert. In dieser Zeit können Sie die LED-Helligkeit durch Temperauränderungen steuern. Wenn die LEDs zu schwach leuchten können Sie den oberen Kondensator durch kurze Berührung mit dem Finger etwas entladen und damit den Strom wieder erhöhen.


Hinter dem Türchen Nr. 15 finden Sie einen weiteren Drahtabschnitt von 30 cm Länge. Er soll nun als Antenne für elektrische Felder eingesetzt werden. Als Basis dient wieder die Darlingtonschaltung. Halten Sie Ihre Hand in die Nähe der Antenne und bewegen Sie Ihre Schuhe auf einem isolierenden Untergrund wie Teppich oder Laminat. Die LED blinkt im Takt Ihrer Bewegung. Das funktioniert ohne direkte Berührung durch die elektrischen Kräfte, die auf die Elektronen im Antennendraht wirken und diese anziehen oder abstoßen. Diesen Vorgang nennt man auch elektrische Influenz. Falls die LED immer etwas leuchtet, liegt dies meist an elektrischen Wechselfeldern, die von Kabeln ausgehen. Falten Sie dann den Antennendraht zu einer kürzeren Antenne.
In der Nähe elektrischer Leitungen gibt es elektrische Wechselfelder, die scheinbar ein Dauerleuchten der LED bewirken. Tatsächlich aber ist die LED 50-mal in der Sekunde an und wieder aus. Man kann dies bei schneller Bewegung der Augen erkennen. Halten Sie die Antenne nahe an ein Lampenkabel. Sie können damit testen ob das Kabel an eine Steckdose angeschlossen ist. Sogar elektrische Leitungen in der Wand lassen sich mit dieser Schaltung finden.


Einen dritten Transistor finden Sie im Fach Nr. 16. Damit können Sie die Verstärkung noch einmal deutlich erhöhen. Ihr Elektrofeld-Sensor wird damit so empfindlich dass er sogar auf Personen reagiert, die sich in einem größeren Abstand bis zu einem oder zwei Metern bewegen. Ihr Sensor sollte dabei möglichst fern von elektrischen Leitungen aufgestellt sein.
Es hängt von der Luftfeuchtigkeit, vom Bodenbelag und von den Schuhen ab, wie stark sich eine Person auflädt. Vor allem im Winter kann wegen der trockenen Luft eine erhebliche Aufladung zu schmerzhaften Stromschlägen führen. Die statische Ladung kann sogar elektronische Bauteile zerstören. Allerdings sind die verwendeten Transistoren nicht sehr empfindlich, sodass in diesem Fall keine besondere Vorsicht nötig ist.


Öffnen Sie das Türchen Nr. 17 und entnehmen Sie einen weiteren Temperatursensor. Es handelt sich um einen temperaturabhängigen Widerstand mit 4,7 kΩ bei einer Temperatur von 25 °C. Mit steigender Temperatur wird der Widerstand geringer. Das Bauteil nennt man auch NTC-Widerstand (Negativer Temperatur-Koeffizient). Damit lässt sich nicht nur eine Temperaturänderung erkennen, sondern auch eine gleichbleibende Temperatur auswerten. Bauen Sie den NTC-Widertand in eine einfache Transistorschaltung ein. Bei einer Temperatur von 25 °C leuchtet die LED nicht. Bei etwa 20 °C ist der Sensorwidertand gerade so weit angestiegen, dass die LED hell leuchtet. Sie können erkennen wie in einem Zimmer die Heizung eingestellt ist. Berühren Sie den Sensor mit den Fingern um ihn zu erwärmen und die LED auszuschalten.
Im Prinzip könnte man den Sensor einfach als Vorwiderstand einer LED verwenden. Allerdings wären dann extreme Temperaturänderungen erforderlich um deutliche Helligkeitsunterscheide zu sehen. Die Transistorschaltung macht die Änderung deutlicher, weil der Transistor erst oberhalb einer Basisspannung von 0,5 V merklich zu leiten beginnt. Der NTC-Sensor bildet zusammen mit einem Widerstand von 82 kΩ einen Spannungsteiler. Bei einen Batteriespannung von 9 V und einem Sensorwiderstand von 4,7 kΩ ergibt sich eine Basisspannung von etwas weniger als 0,5 V. Das ist zu wenig um den Transistor einzuschalten. Bei 20 °C dagegen hat der NTC-Sensor bereits einen Widerstand von etwa 6 kΩ, die Basisspannung beträgt 0,6 V und der Transistor leitet. Zwischen An und Aus gibt es einen weichen Übergang.
Die Genauigkeit des Sensorwiderstands beträgt 20 %, was einer möglichen Abweichung von etwa 5 Grad entspricht. Die Temperaturschwelle ändert sich zusätzlich auch mit der Batteriespannung. Wenn die Spannung nur noch 7 V beträgt verschiebt sich die Einschalttemperatur um etwa 5 Grad nach unten.


Im Fach Nr. 18 finden Sie einen Widerstand mit 100 kΩ (Braun, Schwarz, Gelb). Er wird benötigt um die Schaltung mit einem zweiten Transistor zu erweitern. Dabei kehrt sich die Funktion des Sensors um. Die LED leuchtet nun bei hoher Temperatur. Außerdem gibt es keine weichen Helligkeitsübergänge mehr sondern die Transistoren schalten die LED abrupt ein oder aus. Bei einer Temperatur von etwa 25 °C und darüber ist die LED an, aber erst bei einer etwas geringeren Temperatur geht sie plötzlich aus. Berühren Sie den NTC-Sensor mit dem Finger um die LED einzuschalten oder stellen Sie die ganze Schaltung auf die Heizung.
Das abrupte Umschalten wird durch eine Rückkopplung über den 1-MΩ-Widerstand erreicht. Eine solche Schaltung nennt man auch Kippschaltung oder Flipflop, weil der Zustand abrupt umkippt. Zwischen Einschaltpunkt und Ausschaltpunkt gibt es eine kleine Lücke, die man auch als Hysterese bezeichnet. Die Sensorschaltung verhält sich damit ähnlich wie ein Thermostat in einem Bügeleisen.


Öffnen Sie das Türchen Nr. 19 und nehmen Sie einen weiteren Kondensator heraus. Diesmal handelt es sich um einen Elektrolytkondensator (Elko) mit einer Kapazität von 22 µF (Mikrofarad). Die Kapazität ist damit 220-mal größer als die der bereits vorhandenen keramischen Scheibenkondensatoren. Aber Achtung, bei einem Elko muss die Einbaurichtung beachtet werden. Es gibt einen Pluspol und einen Minuspol. Der Minuspol wird im Schaltsymbol durch eine schwarz gefüllte Platte gekennzeichnet und ist am realen Bauteil durch einen weißen Strich gekennzeichnet.
Dieser Elko wird nun zusammen mit einem 10-kΩ-Widerstand in die Rückkopplung eingebaut. Das Ergebnis ist, dass die grüne LED in einem engen Temperaturbereich blinkt. Darunter bleibt sie aus und darüber bleibt sie an. Berühren Sie den Sensor mit dem Finger bis die LED blinkt. Versuchen Sie einmal den Sensor durch leichte Berührung auf einer konstanten Temperatur mit einem gleichbleibenden Blinken zu halten.


Im Fach Nr. 19 finden Sie einen Widerstand mit 47 kΩ (Gelb, Violett, Orange). Er ist mit Absicht genau zehnmal so groß wie der Sensorwiderstand des NTC-Widerstands bei 25 °C und dient in dieser Schaltung für einen Vergleich. Bei dieser Temperatur leuchten beide LEDs gleich hell. Wird es deutlich wärmer, dann leuchtet die rote LED heller, bei deutlich geringerer Temperatur leuchtet die grüne LED heller. Dieses Thermometer kann eingesetzt werden um Heizkosten zu sparen, denn eine Temperatur um 20 °C ist optimal und befindet sich im grünen Bereich.
Die Schaltung enthält zwei Spannungsteiler und einen Differenzverstärker. Der gemeinsame Emitterstrom teilt sich in Abhängigkeit von der Spannungsdifferenz zwischen beiden Eingängen auf die Transistoren auf. Bei 25 °C liegt an beiden Spannungsteilern die gleiche Spannung, damit sind die LED-Ströme gleich. Bei sinkender Temperatur steigt der Widerstand des Sensors und damit auch die Basisspannung des linken Transistors. Damit wird die grüne LED heller und die rote LED dunkler. Umgekehrt überwiegt das rote Licht wenn die Temperatur über 25 °C ansteigt.
Der Differenzverstärker ist eine wichtige Schaltung bei der genauen Auswertung von Spannungen und wird auch in sogenannten Operationsverstärkern verwendet. Hier erkennt man bereits einen Vorteil der Schaltung, weil die Funktion weitgehend unabhängig von der Betriebsspannung ist. Auch mit einer nicht mehr ganz frischen Batterie erhält man immer das korrekte Ergebnis.


Hinter dem Türchen Nr. 21 kommt ein weiterer Draht mit einer Länge von 30 cm zum Vorschein. Damit soll nun ein Lügendetektor gebaut werden. Zwei Drähte dieser Länge müssen dazu jeweils zur Hälfte von ihrer Isolierung befreit werden. Die beiden blanken Abschnitte wickelt man jemand um den Zeigefinger und den Ringfinger der gleichen Hand. Die Drähte sollen nicht zu locker sitzen aber auch nicht so fest, dass die Blutzufuhr eingeschränkt wird. Die Schaltung reagiert dann auf die Hautfeuchtigkeit der Person. Nach einiger Zeit der Entspannung stellt sich eine mittlere, konstante LED-Helligkeit ein. Wenn sich jemand jedoch bei einer Lüge ertappt fühlt, steigt die Durchblutung und damit die Leitfähigkeit der Haut. Dann leuchten die LEDs heller.
Die Schaltung bildet einen einfachen Signalverstärker mit tiefer unterer Grenzfrequenz, der auch langsame Änderungen der Eingangsspannung überträgt. Ohne den Koppelkondensator von 22 µF stellt sich ein geringer LED-Strom ein. Der Strom durch die LEDs wird im Wesentlichen durch den 82-kΩ-Widerstand und das Verhalten des linken Transistors bestimmt. Die Schaltung bezeichnet man auch als Stromspiegel, weil beide Transistoren einen vergleichbaren Kollektorstrom haben. Dieses Gleichgewicht wird jedoch durch Änderungen der Eingangsspannung gestört, der Ausgangsstrom also je nach Hautwiderstand größer oder kleiner. Ein zusätzlicher Kondensator von 100 nF reduziert die obere Grenzfrequenz und ist erforderlich um ungewollte Hochfrequenz-Schwingungen zu unterdrücken.


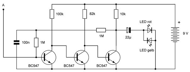
Hinter dem Türchen Nr. 22 finden Sie einen weiteren Widerstand mit 1 MΩ (Braun, Schwarz, Grün). Damit bauen Sie einen extrem empfindlichen Verstärker mit drei Transistoren, der auch als Hochfrequenz-Empfänger arbeitet. Die Schaltung reagiert auf Wechselfelder aller Art und zeigt sie mit einem mehr oder weniger hellen Leuchten beider LEDs. Halten Sie den Antennendraht in die Nähe von Netzleitungen um 50-Hz-Wechselfelder zu sehen. Entdecken Sie auch andere Quellen elektromagnetischer Felder von der Energiesparlampe bis zum schnurlosen Telefon.
Der dreistufige Verstärker besitzt eine Gegenkopplung, die den Arbeitspunkt einstellt, also für eine mittlere Ausgangsspannung sorgt. Die Gegenkopplung ist jedoch durch den 100-nF-Kondensator für höhere Frequenzen aufgehoben, sodass die höchste Verstärkung erreicht wird. Die verstärkte Wechselspannung gelangt über den Elko an die beiden LEDs, die hier zugleich als Gleichrichterdioden arbeiten.

Achtung: Im Schaltbild gibt es im gedruckten Handbuch einen falschen Widerstand (100k statt 82 k). Hier ist es korrekt.

Im Fach Nr. 23 finden Sie eine gelbe LED. Sie wird hier in Reihe mit der grünen LED in einem Zeitschalter verwendet. Zum Einschalten braucht man entweder einen elektrischen Impuls oder einen Lichtblitz. Die Schaltung hat also zwei Sensoren, eine Antenne für elektrische Felder und die rote LED als Fotodiode. Sie können ein elektrisches Feuerzeug im Abstand von etwa 10 cm verwenden um den elektrischen Impuls zu erzeugen. Aber auch ein einfaches Feuerzeug mit einem Feuerstein kann die LEDs einschalten, weil es einen hellen Lichtblitz erzeugt. Nach wenigen Sekunden geht das Licht wieder aus. Es gibt auch noch andere Möglichkeiten den Vorgang auszulösen. Halten Sie z.B. Ihre Hand in die Nähe der Antenne und bewegen Sie Ihre Füße auf und ab. Die Schaltung reagiert dann auf statische Ladungen und die damit verbundenen elektrischen Felder.
Der Zeitschalter beruht darauf, dass der Basisstrom des rechten Transistors nur so lange fließt bis der 22-µF-Elko ganz aufgeladen ist. Danach schalten sich die LEDs wegen der Rückkopplung abrupt aus. Es handelt sich also um eine Kippschaltung, die sich nach kurzer Zeit von allein wieder ausschaltet (Monostabile Kippstufe, Monoflop). Der linke Transistor erhält nur einen sehr kleinen Kollektorstrom über den Rückkopplungswiderstand von 1 MΩ. Daher genügt ein extrem geringer Basisstrom am Eingang um den Schaltvorgang auszulösen.


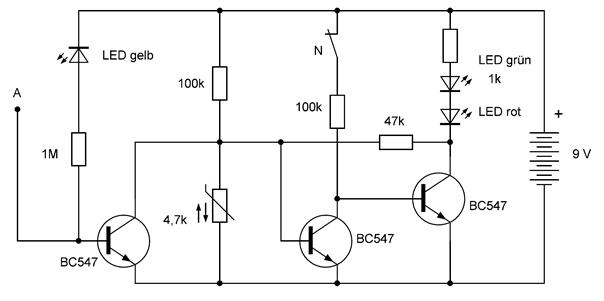
Das letzte Türchen bringt einen Widerstand mit 100 kΩ (Braun, Schwarz, Gelb) zum Vorschein. Die abschließende Schaltung dieses Kalenders ist ein LED-Licht, das sich auf verschiedene Arten ein- und ausschalten lässt. Viele der einfachen Sensoren aus den vergangenen Schaltungen werden hier zusammen verwendet. Zum Einschalten gibt es einen Temperatursensor, einen Lichtsensor und einen Elektrofeldsensor. Zum Ausschalten des Lichts wird der Neigungs- bzw. Erschütterungssensor verwendet. Berühren Sie den NTC-Sensor. Je nach Fingertemperatur dauert es etwa zehn Sekunden oder länger, dann geht das Licht an. Zum Ausschalten klopfen Sie einfach nur einmal auf den Tisch.
Wenn Ihnen das Einschalten des Lichts über den Temperatursensor zu lange dauert berühren Sie kurz das blanke Ende der Antenne. Damit erzeugen Sie einen elektrischen Impuls. Oder betätigen Sie einen Lichtschalter oder ein elektrisches Feuerzeug. In beiden Fällen erzeugen Sie einen Hochfrequenzimpuls, der von der Antenne aufgefangen wird und die LEDs einschaltet. Am besten funktioniert ein elektrisch gezündetes Stabfeuerzeug, dessen kräftiger Impuls das LED-Licht schon aus 10 cm Entfernung einschaltet.
Und schließlich gibt es noch den Lichtsensor in Form einer gelben LED. Sie können das Licht mit einer sehr hellen Taschenlampe einschalten. Oder Sie verwenden ein Foto-Blitzlicht. Durch leichtes Klopfen auf den Tisch oder auf die Steckplatine können Sie das Licht immer wieder ausschalten. Suchen Sie nach weiteren und möglichst unauffälligen Methoden die LEDs ganz wie von Zauberhand ein- und auszuschalten.


Anhang: Die Bauteile
Mit Bestellnummern: ConradBauteileKalernder15.pdf