
Totmannschaltung mit MMV-Retrigger
von Norbert Renz
Die
Schaltung soll zeigen, dass auch ohne externe Halbleiter mit dem NE556
ein MMV (Monostabiler Multivibrator) mit Retrigger aufgebaut werden
kann. Dazu muss man wissen, dass der TR Priorität über den TH
und der Reset Priorität über beide hat. Damit es nicht zu
theoretisch wird machen wir mit den nun freigewordenen Bauteilen eine
Totmannschaltung draus. Diese wird zum Beispiel benötigt um den
Lockführer zu überwachen, damit wird dann eine Vollbremsung
veranlasst wenn er eingeschlafen ist. Als zusätzliches Bauteil
wählen wir eine Taste, die sogenannte Totmanntaste.
Der
erste 555 wird über den Reset getastet und alle Ausgänge
gehen zwingend auf Null. Der Timerkondensator wird entladen und der
Vorgang kann beliebig neu gestartet werden (retrigger auf Zeit = Null).
TR und TH liegen auf Null, d.h. der Kondensator kann einzig und alleine
über den retrigger wieder entladen werden. Der zweite 555 arbeitet
als Komparator und gibt im Fehlerfall Null aus. Das war es schon.
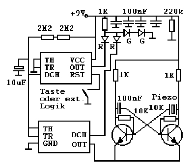
Die
Totmannschaltung hat eine Speisungsüberwachung mit den grünen
LED. Klemmt die Taste, so leuchtet die linke, rote LED als Warnung. Ist
die Zeit von ca. einer Minute abgelaufen, so geben die rechte, rote LED
optischen und eine Sirene akustischen Alarm. Vor der Inbetriebnahme
muss ausprobiert werden, ob die linke rote LED die Sperrspannung von
ca. 7 V aushält. Die ist nicht bei allen Herstellern
gewährleistet. Der Elko muss leckstromarm sein, sonst läd er
sich nicht voll auf.