Conrad Adventskalender 2011
Inzwischen ist es fast schon eine Tradition: In der Adventszeit vertreibt man sich die Zeit mit kleinen Elektronik-Experimenten. Der Conrad-Adventskalender bringt die nötigen Bauteile und Schaltungsvorschläge. Jeden Tag öffnen Sie ein Türchen und finden dahinter ein Bauteil für ein neues Experiment. Der letzte Versuch vom 24. Dezember eignet sich auch diesmal wieder als Schmuck für den Weichnachtsbaum, eine Schaltung zum Anschauen.
Jeden Tag eine neues Experiment, das bedeutet zugleich, dass Sie sich so ganz nebenbei in das Thema einarbeiten. Der Schwerpunkt dieses Advents ist der Timerbaustein NE555. Verwendet wird der zweifache Timer NE556. Damit gibt es genügend Gelegenheiten, dieses vielseitige IC in unterschiedlichen Einsatzbereichen kennen zu lernen. Auch wenn der Spaß im Vordergrund steht, Sie werden so ganz nebenbei eine Menge lernen. Am Ende können Sie eigene Schaltungsvarianten entwerfen und erfolgreich aufbauen.
Wir wünschen viel Freude und eine frohe Weihnachtszeit!
Und besuchen Sie unsere Homepage für weitere Experimente:
www.franzis.de/elo-das-magazin
Ein Tipp zum Piezo-Schallgeber, von Jochen, DL4iE

28.12.11:
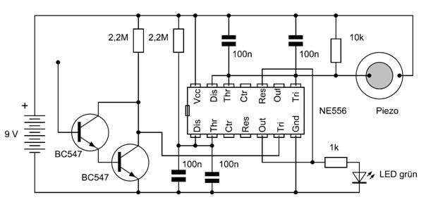
Im Schaltbild zum 24. Dezember haben sich leider zwei Fehler
eingeschlichen, während das Aufbaubild korrekt war. Das Schaltbild
wurde jetzt korrigiert.
Inhalt
Damit Sie gleich am ersten Tag mit einem Versuch beginnen können, enthält das erste Fach zwei Bauteile. Öffnen Sie das erste Türchen und nehmen Sie den Batterieclip und den piezokeramischen Schallwandler mit zwei angelöteten Drähten heraus. Eine 9-V-Blockbatterie sollten Sie zusätzlich bereithalten. Sie muss nicht mehr ganz neu sein. Eine schon gebrauchte Batterie reicht meist völlig aus und hat für die ersten Experimente sogar Vorteile, weil sie bei einem versehentlichen Kurzschluss keinen Schaden mehr anrichten kann. Eine frische 9-V-Alkali-Batterie oder ein 9-V-Akku liefert dagegen genügend Strom um bei einem Fehler empfindliche Bauteile zu zerstören.
Der Piezo-Schallwandler dient als einfacher Lautsprecher oder Schwingungssensor. Der piezoelektrische Effekt führt zu einer Verformung, wenn eine Spannung angelegt wird und erzeugt umgekehrt eine Spannung, wenn der Kristall verformt wird.


Die ersten Versuche erzeugen Knackgeräusche mit einfachsten Mitteln. Der Piezo-Schallwandler allein gibt noch kein sehr lautes Geräusch ab. Man kann aber ein Stück Karton oder Papier als Membran verwenden oder das Plättchen auf eine Tischfläche drücken. Damit wird das Knacken lauter.
Verbinden Sie die Batterie kurz mit dem Piezo-Schallwandler. Es knackt, aber nur einmal. Beim nächsten Anschließen ändert sich die Spannung nicht mehr. Der Wandler bleibt aufgeladen und hält seine Spannung von etwa 9 V. Drehen Sie dagegen die Batterie jeweils um, dann knackt es etwas lauter. Die Spannung ändert sich zwischen +9 V und -9 V, also um insgesamt 18 V. Sie können den Wandler auch entladen, indem Sie beide Drahtenden berühren. Danach ist wieder das Knacken zu hören, wenn Sie die Batterie anschließen.
Es geht auch ganz ohne die Batterie: Der Schallwandler ist diesmal seine eigene Spannungsquelle. Bei jeder Temperaturänderung verformt sich der Kristall etwas und lädt sich mit einer elektrischen Spannung auf. Berühren Sie also das Trägerblech mit dem Finger, um den Kristall zu erwärmen. Verbinden Sie dann die beiden Drähte. Sie hören ein Knacken. Die plötzliche Änderung der Spannung bewirkt eine Verformung und erzeugt damit Schall. Nach dem Abkühlen des Wandlers können Sie es erneut knacken lassen.
Hinter dem zweiten Türchen finden Sie eine Steckplatine und den passenden Schaltdraht. Alle folgenden Versuche werden auf der Experimentierplatine aufgebaut. Das Steckfeld mit insgesamt 270 Kontakten im 2,54-mm-Raster sorgt für eine sichere Verbindung der Bauteile.
Das Steckfeld hat im mittleren Bereich 230 Kontakte, die jeweils durch vertikale Streifen mit 5 Kontakten leitend verbunden sind. Zusätzlich gibt es am Rand 40 Kontakte für die Stromversorgung, die aus zwei horizontalen Kontaktfederstreifen mit 20 Kontakten bestehen. Das Steckfeld verfügt damit über zwei unabhängige Versorgungsschienen.
Das Einsetzen von Bauteilen benötigt relativ viel Kraft. Die Anschlussdrähte knicken daher leicht um. Wichtig ist, dass die Drähte exakt von oben eingeführt werden. Dabei hilft eine Pinzette oder eine kleine Zange. Ein Draht wird möglichst kurz über dem Steckbrett gepackt und senkrecht nach unten gedrückt. So lassen sich auch empfindliche Anschlussdrähte wie die verzinnten Enden des Batterieclips und des Piezo-Schallwandlers ohne Knicken einsetzen.
Schneiden Sie mit einer Zange oder zur Not auch mit einer alten Schere jeweils passende Stücke ab und entfernen Sie an den Enden die Isolierung auf einer Länge von etwa 5 mm. Zum Abisolieren der Drahtenden hat es sich als praktisch erwiesen, die Isolierung mit einem scharfen Messer rundherum einzuschneiden. Achtung, dabei sollte der Draht selbst nicht angeritzt werden, weil er sonst an dieser Stelle leicht bricht.
Noch ein Tipp zur leichteren Arbeit mit dem Steckboard: Schneiden Sie die Drähte am Ende schräg an, damit sie eine scharfe Spitze erhalten und leichter in die Kontakte gesteckt werden können. Dies ist auch für die Leuchtdioden, Widerstände und Kondensatoren sinnvoll und verhindert, dass die Anschlussdrähte beim Einstecken leicht umknicken.


Bauen Sie die Schaltung vom 1. Dezember noch einmal in veränderter Form auf dem Steckboard auf. Bilden Sie aus blanken Drahtstücken einen einfachen Umschalter. Wenn Sie einmal den oberen und dann den unteren Kontakt schließen, hören Sie jeweils ein leises Knacken.
Ein zusätzlicher kurzer Draht wird als Zugentlastung eingebaut um die weichen Anschlussdrähte zu schonen. Der Batterieclip sollte immer verbunden bleiben, damit die Anschlüsse nicht übermäßig abnutzen. Zum Ausschalten trennen Sie die Batterie vom Clip.
Hinter dem Türchen Nr. 3 finden Sie einen Widerstand mit 1 kΩ (1 Kiloohm, Farbkennzeichnung: Braun, Schwarz, Rot). Alle Widerstände im Kalender sind Kohleschichtwiderstände mit Toleranzen von ±5%. Die Widerstandsschicht ist auf einem Keramikstab aufgebracht und mit einer Schutzschicht überzogen. Die Beschriftung erfolgt in Form von Farbringen. Neben dem Widerstandswert ist mit dem vierten Ring (Gold) auch die Genauigkeitsklasse (5%) angegeben.
Setzen Sie den Widerstand parallel zum Schallwandler ein. Bauen Sie außerdem einen einfachen Schalter aus zwei Drähten. Mit jeder Berührung der Drahtenden hört man nun ein Knacken. Immer wenn der Schalter geöffnet wird, entlädt sich der Kristall des Piezo-Schallwandlers über den Widerstand. Das geschieht relativ schnell. Deshalb hören Sie auch beim Öffnen des Schalters ein etwas leiseres Geräusch.


Hinter dem vierten Türchen kommt eine grüne Leuchtdiode (LED) zum Vorschein. Beim Anschluss der LED muss grundsätzlich die Polung beachtet werden. Der Minus-Anschluss heißt Kathode (K) und liegt am kürzeren Anschlussdraht. Außerdem gibt es an der Kathodenseite eine kleine Abflachung des LED-Gehäuses. Der Plus-Anschluss ist die Anode (A). Im Inneren der LED erkennt man einen kelchartigen Halter für den LED-Kristall, der bei den meisten LEDs an der Kathode liegt. Der Anodenanschluss ist mit einem extrem dünnen Drähtchen mit einem Kontakt auf der Oberseite des Kristalls verbunden. Achtung, LEDs dürfen niemals direkt mit einer Batterie verbunden werden. Es ist immer ein Vorwiderstand nötig.


Bauen Sie eine LED-Leuchte mit Vorwiderstand und Schalter. Sobald Sie den Schalter schließen, leuchtet die LED hell auf.
An der LED liegt in Durchlassrichtung eine konstante und weitgehend vom Strom unabhängige Spannung von etwa 2 V. In der Reihenschaltung teilt sich die Batteriespannung auf die Verbraucher auf. Am Widerstand von 1 kΩ liegen deshalb noch 7 V. Daraus kann der Strom von 7 mA berechnet werden. Der maximal erlaubte Strom für die LED ist 20 mA. Es gibt also noch genügend Reserven und damit ein langes Leben für die LED.
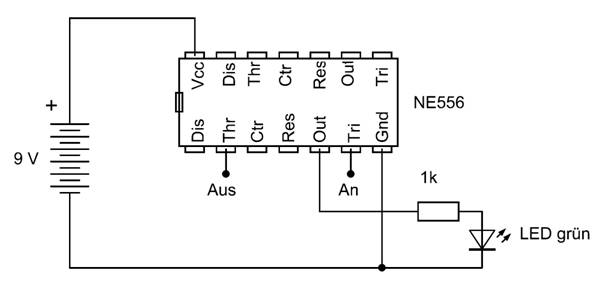
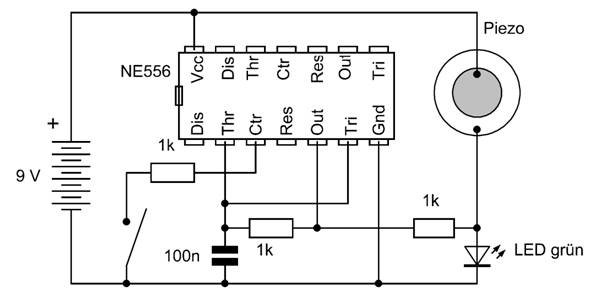
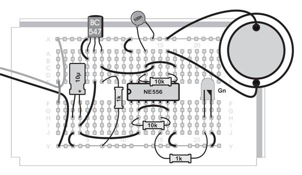
Ein IC ist eine integrierte Schaltung mit vielen Bauteilen, meist Transistoren und Widerständen. Öffnen Sie das fünfte Türchen und nehmen Sie das wichtigste Bauteil dieses Elektronik-Kalenders heraus. Das 14-polige IC mit dem Aufdruck NE556 enthält zwei vollständige Präzisionstimer (äquivalent zum NE555), mit denen man die unterschiedlichsten Aufgaben lösen kann. Für beide Schaltungen gemeinsam gibt es die Anschlüsse GND und Vcc für die Betriebsspannung. Auf der Rückseite des Kalenders finden Sie Infokarten zur Innenbeschaltung und zur Anschlussbelegung des ICs.
Schließen Sie am Ausgang (Out) des unteren Timers die grüne LED mit ihrem Vorwiderstand an. Zusätzlich sollen die beiden Eingänge Thr (Threshold, Schaltschwelle) und Tri (Trigger, Auslöser) mit Anschlussdrähten versehen werden. Die grüne LED kann nun entweder an- oder ausgeschaltet sein. Durch Berühren der Anschlussdrähte können Sie den Zustand umschalten. Das gelingt, weil Ihr Körper gewisse Störspannungen aus der Umgebung auffängt. Wenn die Spannung am Threshold-Eingang 2/3 der Betriebsspannung überschreitet, schaltet das IC die LED ein. Wenn umgekehrt die Spannung am Trigger-Eingang kleiner als 1/3 der Betriebsspannung wird, wird der Ausgang eingeschaltet. Durch Antippen des Tri-Pins kann die LED also eingeschaltet werden, während ein Antippen des Thr-Pins sie ausschaltet. Falls der Versuch nicht auf Anhieb gelingt, bewegen Sie sich etwas hin und her, um sich geringfügig elektrisch aufzuladen.


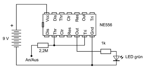
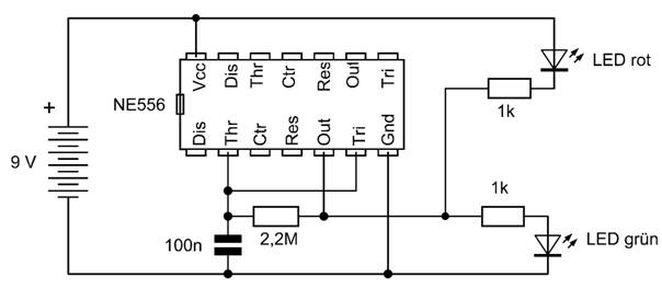
Hinter dem sechsten Türchen kommt ein weiterer Widerstand zum Vorschein. Es handelt sich um einen besonders hochohmigen Widerstand mit 2,2 MΩ. Die Farbringe sind Rot, Rot, Grün. Über diesen Widerstand werden nun beide Eingänge gleichzeitig angeschlossen. Wenn Sie den offenen Anschluss des Widerstands berühren, legen Sie im Normalfall eine Wechselspannung mit der Frequenz 50 Hz an die Eingänge. Das Signal stammt von den elektrischen Wechselfeldern der umliegenden Netzleitungen. Die LED schaltet sich daher mit der Frequenz 50 Hz ein und aus. Das Auge kann den schnellen Wechseln nicht folgen. Deshalb scheint die LED halb hell zu leuchten. Lässt man den Anschluss aber los, dass bleibt der zuletzt eingenommene Zustand erhalten. Da man aber den genauen Zeitpunkt nicht steuern kann, ist die LED dann zufällig an oder aus. Führen Sie den Versuch häufig durch und notieren Sie die Ergebnisse. Theoretisch sollten die Häufigkeiten für beide Zustände gleich verteilt sein.


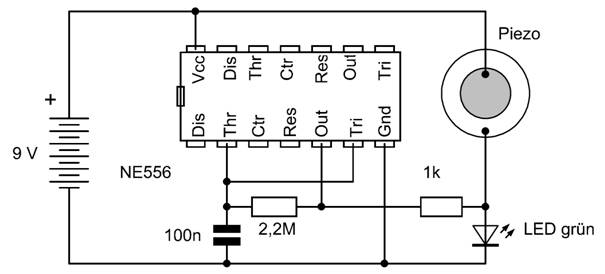
Hinter dem siebten Türchen finden Sie einen keramischen Kondensator mit 100 nF (100 Nanofarad, Aufdruck 104). Zusammen mit den schon vorhandenen Bauteilen kann nun ein elektronischer LED-Blinker aufgebaut werden. Wieder sind die beiden Eingänge Thr und Tri verbunden. Sie reagieren aber diesmal auf die Spannung, die am Kondensator anliegt. Zusätzlich gibt es eine Rückkopplung vom Ausgang auf den Eingang. Der Widerstand von 2,2 MΩ lädt und entlädt den Kondensator periodisch im Takt des Blinkens. Bei einer Betriebsspannung von 9 V gilt: Immer wenn die Kondensatorspannung 6 V überschreitet, schaltet der Timer seinen Ausgang aus. Dann entlädt sich der Kondensator über den Widerstand. Sobald 3 V unterschritten wird, schaltet der Ausgang wieder in den An-Zustand. Damit beginnt ein neuer Blinkzyklus.
Zusätzlich ist in dieser Schaltung auch der Piezo-Schallwandler mit angeschlossen. Deshalb hört man bei jedem Umschalten des Ausgangs ein leises Knacken. Wenn Sie die Scheibe auf einer Membran befestigen, steigt die Lautstärke.


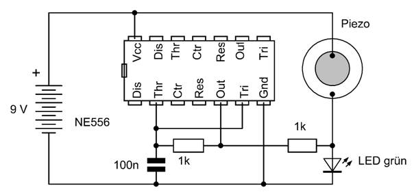
Einen weiteren Widerstand mit 1 kΩ (Braun, Schwarz, Rot) finden Sie hinter dem Türchen Nr. 8. Dieser Widerstand wird nun als Ladewiderstand des Timers eingesetzt. Das Umschalten des Ausgangs ist nun sehr viel schneller. Statt einzelner Knackgeräusche hören Sie einen hohen Ton aus dem Schallwandler. Die LED erscheint halb-hell gedimmt.
Die Ausgangsfrequenz hängt vom Ladewiderstand und von der Kapazität des Kondensators ab. Berühren Sie den Kondensator mit dem Finger, um ihn geringfügig zu erwärmen, Dabei wird die Kapazität etwas kleiner und die die Tonhöhe steigt. Der Tongenerator wird damit zugleich zu einem einfachen Temperatursensor.


Noch einen Widerstand mit 1 kΩ (Braun, Schwarz, Rot) finden Sie hinter dem neunten Türchen. Er wird in dieser Schaltung über einen Schalter an den Eingang Ctr (Control Voltage, Steuerspannung) gelegt. Damit ändern sich die Schaltschwellen. Die Umschaltung passiert nun bei kleineren Spannungen am Ladekondensator. Ein Druck auf den Schalter erhöht damit die Tonhöhe und verändert zugleich die LED-Helligkeit, weil das Verhältnis der An-Zeit zur Aus-Zeit verändert wird. Bei diesem Versuch wird die Änderung mit jeder Schalterbetätigung wirksam. In späteren Versuchen wird dieser Effekt jedoch automatisch gesteuert.


Öffnen Sie das zehnte Fach und nehmen Sie eine weitere LED heraus. Diese LED ist rot und soll nun für einen Wechselblinker eingesetzt werden. Die rote LED wird an die positive Betriebsspannung angeschlossen und erhält einen eigenen Vorwiderstand. Immer wenn die grüne LED aus ist, ist die rote an und umgekehrt.


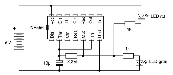
Hinter dem elften Türchen verbirgt sich ein weiterer Kondensator. Diesmal ist es ein Elektrolytkondensator (Elko) mit einer Kapazität von 10 µF (10 Mikrofarad). Die Kapazität ist also 100-mal größer als die des vorhandenen Scheibenkondensators mit 100 nF. Setzen Sie in die Schaltung ein und beachten Sie dabei die Polung. Der Minuspol ist durch einen weißen Strich gekennzeichnet und hat den kürzeren Anschlussdraht. Die Funktion der Schaltung ist zwar die gleiche wie beim Wechselblinker vom vorigen Tag, aber diesmal ist das Blinken einhundertmal langsamer. Ein Blinkzyklus dauert fast eine Minute.


Einen weiteren Widerstand mit 2,2 MΩ (Rot, Rot, Grün) finden Sie im zwölften Fach. Damit bauen Sie einen Zeitschalter. Die Zeitverzögerung wird durch einen so genannten Monoflop erreicht. Diesmal kommt ein weiterer Ausgang des Timers zum Einsatz. Der Anschluss Dis (Discharge, Entladen) ist mit dem Ladekondensator verbunden. Der Ladewiderstand mit 2,2 MΩ liegt diesmal fest an Vcc. Im Ruhezustand ist der Kondensator über den Dis-Ausgang entladen und der Ausgang Out abgeschaltet, die rote LED leuchtet. Mit einer Betätigung des Schalters am Tri-Eingang wird Dis freigegeben und der Elko geladen. Out geht dann hoch, und die grüne LED leuchtet. Es dauert ca. 30 Sekunden, bis die Elko-Spannung die obere Schaltschwelle erreicht und den Ausgang umschaltet.


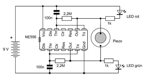
Bisher wurde nur eine Hälfte des Timer-ICs verwendet. Im Prinzip könnte jeder der bisherigen Versuche doppelt aufgebaut werden. Um einen zweiten Blinker aufzubauen, wird ein weiterer Kondensator mit 100 nF (Aufdruck 104) benötigt. Diesen finden Sie hinter dem 13. Türchen.
Der zweite Blinker wird fast gleich aufgebaut wie der erste, mit dem kleinen Unterschied, dass die rote LED im Interesse einer übersichtlichen Verdrahtung gegen Vcc angeschlossen ist. Zwischen beiden Ausgängen liegt außerdem der Piezo-Schallwandler. Er macht jede Änderung an jedem der Ausgänge hörbar.
Theoretisch müssten beide Blinker genau synchron arbeiten. Aber geringe Toleranzen in den Bauteilen führen dazu, dass die Schaltfrequenz beider Blinker sich etwas unterscheiden kann. Das führt zu interessanten Veränderungen im Blinkverhalten um im hörbaren Schaltrhythmus. Durch leichtes Erwärmen des Kondenstors mit einer Berührung des Fingers können Sie die Frequenz geringfügig erhöhen und damit erreichen, dass einer der Blinker den anderen überholt.


Eine weitere grüne LED finden Sie hinter dem 14. Türchen. Sie wird nun mit einem Vorwiderstand zwischen die beiden Ausgänge gelegt. Diese LED leuchtet nur in den Phasen, in denen die beiden anderen LEDs gerade aus sind. Je nach dem zeitlichen Versatz beider Blinker leuchtet die neue LED nur kurz.


Das Türchen des 15. Tages bringt eine weitere rote LED zum Vorschein. Sie wird nun umgekehrt (antiparallel) an die grüne LED gelegt. Auch die rote LED leuchtet meist nur in kurzen Momenten, und zwar genau dann, wenn die beiden direkt angeschlossenen LEDs gleichzeitig leuchten. Das Blinkmuster ist für jemanden, der die Schaltung nicht selbst gebaut hat, nicht ganz leicht zu durchschauen.


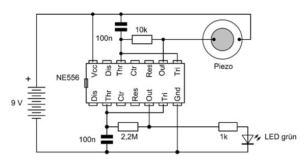
Hinter dem Türchen Nr. 16 finden Sie einen Widerstand mit 10 kΩ (Braun, Schwarz, Orange). Damit lässt sich ein Tongenerator mittlerer Frequenz aufbauen. Auch hier können Sie wieder die Tonhöhe über die Temperatur des Scheibenkondensators beeinflussen.
Gleichzeitig dient der untere Timer als Blinkschaltung. Beide Schaltungsteile arbeiten unabhängig voneinander und sind die Vorbereitung für weitere Versuche, in denen beide verbunden werden.


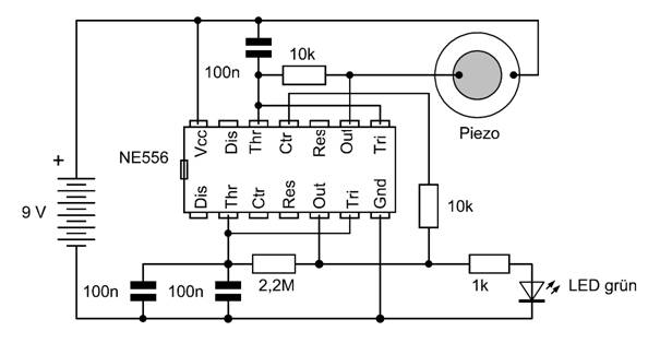
Noch ein Widerstrand mit 10 kΩ (Braun, schwarz, Orange) verbirgt sich hinter dem Türchen Nr. 17. Mit diesem Widerstand wird nun eine Verbindung zwischen beiden Schaltungsteilen aufgebaut. Der Ausgang des Blinkers steuert den Res-Eingang (Reset, Zurücksetzen) des Tongenerators. Immer wenn Res nach unten gezogen wird, stoppt der Tongenerator. Damit steuert der Blinker eine unterbrochene Tonfolge. Sie hören: Tüt, Tüt, Tüt …


Das Türchen Nr. 18 bringt einen weiteren Scheibenkondensator mit 100 nF (Aufdruck 104). Er wird nun verwendet, um den Blinker langsamer laufen zu lassen. Außerdem wird der Widerstand zwischen beiden Schaltungsteilen nun am Ctr-Eingang des Tongenerators angeschlossen. Wie es schon beim Versuch 9 zu sehen war, ändert sich damit die Tonhöhe. Hier wird deshalb laufend im Takt des Blinkers zwischen zwei Tönen umgeschaltet. Es hört sich ähnlich an wie eine deutsche Polizeisirene: Tatütatü …


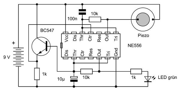
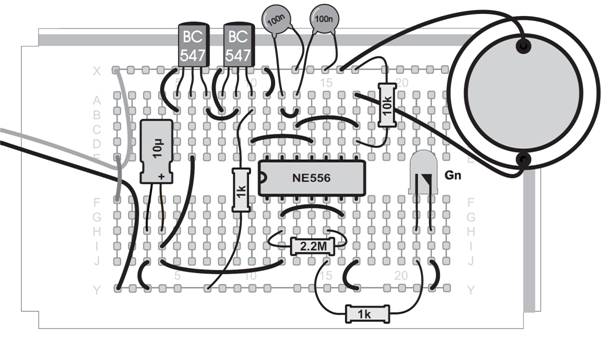
Das Bauteil hinter dem Türchen Nr. 19 ist ein Transistor BC547. Ein Transistor dient zur Stromverstärkung. Beim Aufbau muss die Einbaurichtung genau beachtet werden, um ein Vertauschen der Anschlüsse zu vermeiden.
Das Ziel dieses Versuchs ist eine kontinuierliche Frequenzänderung des Tons (Frequenzmodulation, FM). Die Steuerspannung wird deshalb vom Ladekondensator des Blinkers abgenommen. Der Transistor steuert den Ctr-Eingang des Tongenerators. Mit 10 µF und 10 kΩ läuft der Blinker sehr schnell. Die entsprechend schnelle Tonänderung hört man als Trällern. Solche FM-Geräusche wurden in frühen Computerspielen verwendet.


Ein weiterer Transistor BC547 kommt hinter dem Türchen Nr. 20 zum Vorschein. Damit lässt sich noch mehr Verstärkung erzielen. Deshalb kann nun der Ladewiderstand des Blinkers auf 2,2 MΩ vergrößert werden. Das Ergebnis ist ein sehr langsamer Blinker und eine sehr langsame Änderung der Tonhöhe. Die Frequenz variiert zwischen ca. 2 kHz und 5 kHz. Man kört also ein hohes Piepsen.
Der Tongenerator ist diesmal unter Verwendung des Discharge-Pins aufgebaut. Der Piezo-Schallwandler ist Teil der Ladekapazität. Deshalb kann nicht nur die Lautstärke, sondern in geringem Maße auch die Tonhöhe beeinflusst werden, wenn man den Schallwandler berührt.


Hinter dem Türchen Nr. 21 finden Sie einen weiteren Scheibenkondensator mit 100 nF. Die Schaltung dieses Tages kombiniert einen Monoflop (vgl. Versuch 12) mit einem Tongenerator wie im letzten Versuch. Der Monoflop steuert den Reset-Eingang des Tongenerators. Damit wird der Ton für eine gewisse Zeit eingeschaltet.
Die Schaltung reagiert auf die Bewegung einer Person in der Nähe. Der Monoflop wird durch einen Ladungsverstärker mit zwei Transistoren in Darlingtonschaltung ausgelöst. Am Eingang des Verstärkers ist ein ca. 20 cm langes Stück Draht angeschlossen. Wenn man sich dem Sensordraht nähert, werden das LED-Licht und ein Ton ausgelöst. Das funktioniert deshalb, weil sich ein Mensch beim Gehen auf einem isolierenden Bode elektrisch auflädt. Die Änderung des elektrischen Feldes erzeugt ein kleines Steuersignal, dass nach hoher Verstärkung den Monoflop triggert. Die Empfindlichkeit des Sensors hängt von der Länge des Sensordrahtes und von der Beschaffenheit des Bodenbelags ab.


Einen Widerstand mit 220 kΩ (Rot, Rot, Gelb) finden Sie hinter dem Türchen 22. Bauen Sie einen Erschütterungssensor, der auf Erdbeben oder andere Schwingungen des Untergrunds reagiert. Der Piezowandler soll mit einem kleinen Gewicht belastet werden. Dieses übt eine Kraft auf die Membran aus, sodass eine Spannung erzeugt wird. Im Ruhezustand wird der Sensor über den 220-kΩ-Widerstand entladen. Bei einer Erschütterung wird jedoch ein Signal erzeugt, das nach Verstärkung durch den Transistor einen Monoflop triggert. Die grüne LED geht für einige Sekunden an. Gleichzeitig wird auch der obere Blinker gestartet. Er läuft etwas schneller. Deshalb werden bei jeder Erschütterung mehrere Lichtblitze an der roten LED erzeugt. Sie können die Monoflop-Zeit und damit die Anzahl der roten Lichtblitze mit der Anzahl der parallel geschalteten Ladekondensatoren von je 100 nF verändern. Nehmen Sie einen oder zwei der Kondensatoren aus der Schaltung, dann läuft der ganze Vorgang schneller ab.


Im Fach 23 finden Sie noch einen Scheibenkondensator mit 100 nF (Aufdruck 104). Die Schaltung dieses Tages ähnelt dem Versuch 23. Allerdings wird der obere Teil des NE556 diesmal als Tongenerator eingesetzt, und der Trigger-Verstärker wird diesmal über eine LED angesteuert. Die LED am Eingang dient als Fotoelement. Sie erzeugt bei Beleuchtung einen sehr kleinen Strom. Dieser wird hoch verstärkt und triggert einen Monoflop. Die grüne LED geht für wenige Sekunden an. In der gleichen Zeit hören Sie auch einen Ton.
Der Vorgang wird durch eine helle Taschenlampe oder durch einen Lichtblitz von einem Fotoapparat ausgelöst. Diese Schaltung könnte auch in einem Museum eingesetzt werden. Wenn jemand mit Blitz fotografiert, gibt es einen Warnton und eine Leuchtanzeige „Blitzlicht verboten!“.


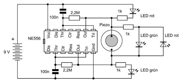
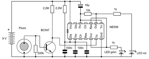
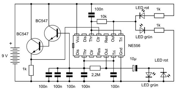
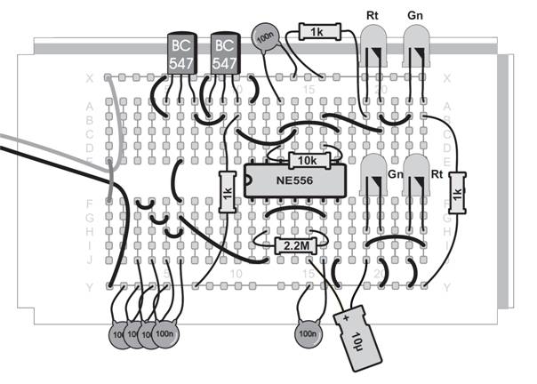
Öffnen Sie das Türchen Nr. 24 und entnehmen Sie einen weiteren keramischen Scheibenkondensator von 100 nF (104). Sie haben nun insgesamt sechs solche Kondensatoren und können durch Paralleleschaltung ganz unterschiedliche Kapazitäten erzeugen.
Für den 24. Dezember bauen Sie eine Schaltung mit vier LEDs, die sich deutlich von einem normalen Blinklicht unterscheidet. Zwei der LEDs ändern ihre Helligkeit kontinuierlich, die beiden anderen erzeugen kurze Lichtblitze. Der untere Timer in der Schaltung erzeugt ansteigende und abfallende Spannungen am Ladekondensator. Zwei Transistoren liefern dieses Signal an den Ctr-Eingang des oberen Timers. Damit wird das An/Aus-Verhältnis einer schnellen Schwingung und damit auch die Helligkeit der angeschlossenen LEDs verändert. Man nennt dieses Verfahren Pulsweiten-Modulation (PWM). Die beiden LEDs am unteren Timer sind über einen Elko angeschlossen. Deshalb fließt kein kontinuierlicher Strom, sondern es entstehen kurze Stromstöße, wenn der Ausgang des Timers umgeschaltet wird. So sieht man abwechselnd rote und grüne Lichtblitze. Das Blitzen und Flimmern dieser Schaltung erinnert an den Weihnachtsmann und seinen Schlitten, der ja bekanntlich eine funkelnde Leuchtspur am Himmel hinterlässt.

(Schaltbild korrigiert, 28.12.11)
