
Eintasten-Ein/Ausschalter
von Holger Fritzsch
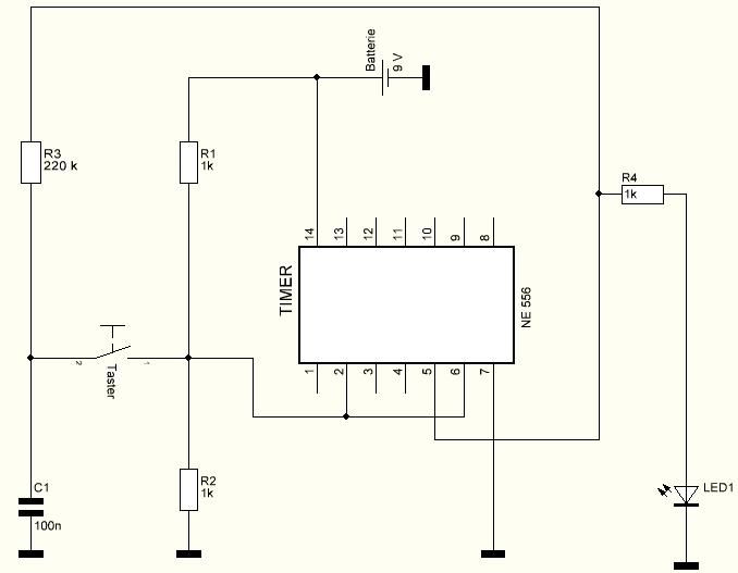
Der
Mensch, und da nehme ich mich nicht aus, mag die Bequemlichkeit. So
will er mit wenig Handbewegung das Licht einschalten. Aus diesem Grund
entstand nachfolgende Schaltung. Die einen mechanischen Schalter durch
einen Taster ersetzen kann. Durch den Spannungsteiler R1 / R2 liegt der
Trigger- und Tresholdeingang genau auf 4,5 V.
Die
LED ist zunächst aus. Mit einem Tastendruck entsteht ein negativer
Impuls, der sich von den 4,5 V (vom Spannungsteiler erzeugt)
subtrahiert. Somit wird am Trigger- / Treshold- pin die 1/3
Triggerschwelle der Betriebsspannung unterschritten. Der Trigger
schaltet durch. Am Ausgangspin (Out 1) entsteht ein H- Pegel, die LED
schaltet ein. Dieser H- Pegel lädt nun seinerseits,
über R3 den C1 wieder nach, sodaß der eingenommene Zustand
stabil bleibt. Mit einem erneuten Tastendruck ändern sich die
Verhältnisse schlagartig. Nun entsteht ein positiver Impuls, der
sich zu den 4,5 V (vom Spannungsteiler erzeugt) addiert und somit die
2/3 Triggerschwelle der Betriebsspannung überschreitet. Am
Ausganspin (Out1) entsteht ein L- Pegel, die LED schaltet aus. C1 wird
jetzt auch über R3 entladen. langsam lädt C1 sich wieder
über R3 auf und der Zustand ist stabil. Interessant sind die o.g.
Impulse. Diese sind je nach C1 verschieden breit. So bewirkt ein
kleiner C1 regelrechte Nadelimpulse (µs- Bereich). Setzt man
stattdessen einen Elko 10 µF ein sind die Impulse
erwartungsgemäß breiter. Bei einem kleinem Kondensator geht
das Laden bzw. Entladen schneller. Der Benutzer bemerkt es daran, das
eine höhere "Tastenfolge" angenommen wird, d.h. man schneller an -
und ausschalten kann. Bei einem großen Kondensator muß erst
die Lade- bzw Entladung abgeschlossen sein bevor eine "Tastung"
erfolgen kann. Es ist über ein Relais oder einen Optokoppler/
Triac möglich, entsprechende Sicherheitsvorschriften sind dabei
einzuhalten, auch Netzspannungsgeräte zu schalten.