
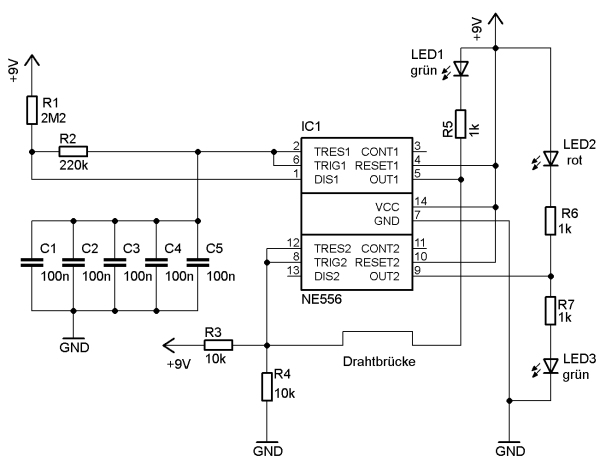
Reaktionstester
von Bernhard
Diese
Schaltung eignet sich zum Beispiel, um am Neujahrstag zu testen, wie
gut das Reaktionsvermögen nach der Silvesterfeier ist. Eine rote
und grüne Leuchtdiode leuchten abwechselnd, wobei die Leuchtdauer
der roten sehr viel größer ist als die der grünen LED.
Die grüne LED leuchtet jeweils nur für eine Zeitdauer von
kleiner als 100 Millisekunden. Ziel ist es, eine Drahtbrücke zum
richtigen Zeitpunkt herauszuziehen, sodass das abwechselnde Blinken
stoppt und die grüne Leuchtdiode LED3 leuchtet. Wenn jedoch die
rote Leuchtdiode LED2 leuchten sollte, dann war das
Reaktionsvermögen nicht ausreichend.
Der Timer1 des NE556
arbeitet als astabiler Multivibrator. Durch die fünf parallel
geschalteten Kondensatoren ergibt sich eine Kapazität von 500 nF.
Das Ausgangssignal an Pin 5 hat eine längere Zeitdauer High-Pegel
als Low-Pegel. Die High-Zeit beträgt ca. (0,7 * (R1+R2) * C), also
(0,7 * 2,42 MOhm * 500 nF) = 847 ms. Die Low-Zeit beträgt ca. (0,7
* R2 * C), also (0,7 * 0,22 MOhm * 500 nF) = 77 ms. Die Zeiten
unterscheiden sich um den Faktor 11. An der grünen Leuchtdiode
LED1 sieht man die 77 ms kurzen Low-Pulse gefolgt von einer Pause von
847 ms.
Beim
Timer2 des NE556 werden die beiden Eingänge Trigger und Threshold
mit dem Ausgang von Timer1 verbunden. Bei High-Pegel an Pin 5 wird die
Schwelle von 2/3 Vcc an Threshold (Pin 12) überschritten, sodass
das Flip-Flop des Timer2 zurückgesetzt wird und am Ausgang Pin 9
Low-Pegel anliegt. Bei Low-Pegel an Pin 5 wird die Schwelle von 1/3 Vcc
an Trigger (Pin 8) unterschritten, sodass das Flip-Flop des Timer2
gesetzt wird und am Ausgang Pin 9 High-Pegel anliegt. Das Signal an Pin
9 ist also in Bezug auf das Signal an Pin 5 invertiert. Während
der kurzen High-Zeit an Pin 9 leuchtet die grüne LED3,
während der längeren Low-Zeit leuchtet die rote LED2.
Wenn
nun die im Schaltplan eingezeichnete Drahtbrücke herausgezogen
wird, dann liegen die Pins Trigger und Threshold über den
Spannungsteiler von R3 und R4 auf halber Betriebsspannung. Dadurch wird
weder die Schwelle an Threshold überschritten noch die Schwelle an
Trigger unterschritten, sodass das Flip-Flop im zuletzt aktiven Zustand
verbleibt. Wenn die Drahtbrücke zum richtigen Zeitpunkt gezogen
wurde, dann leuchtet die grüne LED3, ansonsten die rote LED2.
Man
kann den Reaktionstester noch "schärfer" einstellen, wenn man die
Kapazität verkleinert, indem man von den parallel geschalteten
100-nF-Kondensatoren welche entfernt.