
Wechselblinken mit Ein/Aus-Schaltmöglichkeit
von Hermann Nieder
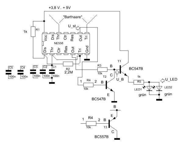
Die
„Augen“(die beiden grünen Leuchtdioden aus dem
Adventskalender 2011) des stilisierten Kopfes einer „Mieze“
beginnen zu blinken, wenn bestimmte „Barthaare“
berührt werden. Werden andere angefasst, leuchten die
„Augen“ nicht mehr.
Das Geheimnis des kleinen Projekts steckt in der abgebildeten Schaltung, in der zwei Timer eines NE556 verwendet werden.
Mit
einem von ihnen ist ein astabiler Multivibrator aufgebaut. Die
Frequenz seines Ausgangssignals lässt sich durch
eventuell dazu zusätzlich parallel liegende
Kondensatoren C3...C5 noch verringern. Außerdem
dient ähnlich wie in der Beschreibung zum
Adventskalender 2011 für das Experiment am 5. Tag ein
elektronischer Umschalter mit dem zweiten Timer dazu, das
Ausgangssignal des Multivibrators ein- bzw. auszuschalten. Über
einen Vorwiderstand von 10 k wird mit der Ausgangsspannung an Pin 9 des
NE556 der npn-Transistor T2 angesteuert, dessen Kollektor
mit der Basis von T1 verbunden ist. Sein Emitter liegt an
Masse(Minuspol). Ähnliches gilt für den Fall, dass an
der Stelle von Transistor T2 ein pnp-Transistor eingesetzt wird. Sein
Emitter ist dann mit der Basis von T1 verbunden, während sein
Kollektor am Masse angeschlossen ist.
Die
„Barthaare“ oben im Bild sind Drähte mit grauer
Isolierung, an deren freien Enden dieselbe ein kleines Stück
entfernt und dann teilweise wieder aufgeschoben wurde. Die
folgenden Bilder sind Screenshots von Oszillogrammen,
die mit der Software „PlotterT13_2.exe“ von der CD
zum Lernpaket „Elektronik Start mit USB“ aufgenommen
wurden. Die Kapazität von C1 betrug bei den Messungen jeweils
500 nF ( 5 Kondensatoren zu je 100 nF aus dem Adventskalender
2011
parallel geschaltet), und die Betriebsspannung war auf 5 V
eingestellt. Der ATtiny13 aus dem oben erwähnten
Lernpaket mit der Datei Interface.hex sollte auf keinen Fall
überlastet werden. Zwischen dem Analog-Eingang des
Mikrocontrollers, der bei den Messungen stets zwischen den beiden
Anoden der Leuchtdioden und Masse angeschlossen war, war
zusätzlich ein Widerstand mit einem Wert von 2,2 M aus dem
Adventskalender 2011 angeschlossen. Die Beschriftungen in den
Screenshots wurden nachträglich eingefügt.
In
der Schaltung oben wirkt Transistor T2 ähnlich wie ein Schalter
zwischen der Basis von T1 und Masse. Wenn U_st 0 V ist, ist
der „Schalter“ (Kollektor-Emitter-Strecke von T2 sehr
hochohmig) „geöffnet“. Folglich kann das
Recktecksignal an die Leuchtdioden „weitergereicht“ werden,
damit diese blinken können. Dies ist sofort der Fall, wenn die Spannungsquelle eingeschaltet wird.
Wird
der Draht am Eingang Tri berührt, wird U_st schlagartig
groß. In diesem Fall ist der „Schalter“ zwischen der
Basis von T1 und Masse (Kollektor-Emitter-Strecke von T2 sehr
niederohmig) „geschlossen“. Die Leuchtdioden blinken nicht.
Aus dem Oszillogramm ist abzulesen, dass die Spannung an ihnen weniger
als 0,5 V beträgt.
An Stelle des npn-Transistors
T2 kann auch, wie dies im Schaltplan oben angedeutet ist, ein
pnp-Transistor T3 als „Schalter“ dienen. Der pnp-Typ wirkt
„umgekehrt“ wie ein npn-Typ, wie dies aus dem
folgenden Bild zu entnehmen ist.
Bei
hoher Spannung U_st ist bei einem pnp-Transistor
T3 der „Schalter zwischen der Basis von T1 und Masse
„offen“(Kollektor-Emitter-Strecke sehr hochohmig),
und das Rechtecksignal wird an die Leuchtdioden
„weitergeleitet“. Bei einer Spannung U_st von etwa 0
Volt ist der „Schalter“ zwischen der Basis von T1 und
Masse(Kollektor-Emitter-Strecke von T3 sehr niederohmig)
„geschlossen“, und an den Leuchtdioden kommt von dem
Rechtecksignal zu wenig an, um diese zum Blinken zu bringen. Der
Vorteil der Schaltungsvariante mit dem pnp-Transistor im Vergleich zu
derjenigen mit dem npn-Typ besteht darin, dass die Leuchtdioden beim
Einschalten der Spannungsquelle zunächst dunkel bleiben und erst
beim Berühren des „richtigen“ Drahtes (am Eingang Tri,
Pin 8 des NE556)blinken. Kommt man in die Nähe des betreffenden
anderen Drahtes(am Eingang Thr, Pin 12) bzw. berührt diesen,
werden die Leuchtdioden ausgeschaltet, usw.
Baut man die
oben abgebildete Schaltung unter Verwendung eine pnp-Transistors (BC557
o. ä.) z. B. auf einer kleine Platine mit Lötpunkten auf und
wählt als Spannungsquelle eine Batterie aus vier Zellen des Typs
Micro/AAA, passt alles zusammen in eine Konservendose, auf deren
Kunststoffdeckel sich der stilisierte Kopf der „Mieze“ mit
den „geheimnisvollen Barthaaren“ befindet. Die
Überraschung derjenigen/desjenigen die/der dieses kleine Projekt
auf dem Tisch vorfindet, ist sicher groß, wenn die
„grünen Augen der Katze“ plötzlich auf
„geheimnisvolle Weise“ zu blinken
beginnen!