
Metall- und Magnetdetektor
von Holger Fritzsch
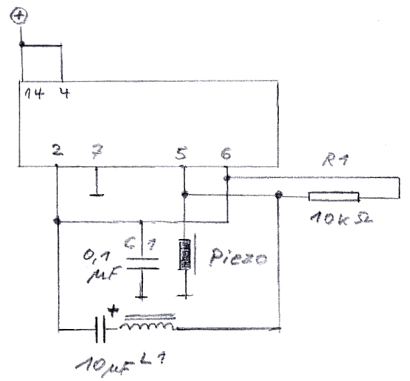
Die vorliegende Schaltung stellt ein Metall- und
Magnetdetektor dar. Es wird nur eine Hälfte des IC556 benutzt. Diese erzeugt,
als astabiler Multivibrator, eine
rechteckähnliche Grundschwingung mit ca. 3,5 kHz ( s. Oszillogramm 1) .
Nähert man nun einen metallischen Werkstoff, insbesondere
einen kleinen Dauermagneten den Längsseiten der Drosselspule, so wird die
Frequenz hörbar höher ( s. Oszillogramm 2). Die Frequenz beträgt nun ca. 5 kHz.
Somit ist eine „ Ortung“ von Metallteilen möglich.
Die Funktion im Einzelnen:
Das IC 556 hat die Funktion eines einen astabilen
Multivibrators.
Die Spule L1 bildet mit dem Elko (10µF) eine Art Serienresonanzkreis. Durch den angenäherten
Magneten wird die Induktivität der Spule geringer, da sich der Ferritkern in
Richtung magnetische Sättigung bewegt. Idealerweise wären die Spannungen an der
Spule und des Kondensators gleich , phasenmäßig entgegengesetzt und würden sich
somit aufhebenn. Dieser Umstand tritt allerdings nur im Resonanzfall des Schwingkreises auf.
Dieses Gebilde (L1 und Elko) liegt wiederum dem Widerstand R1 parallel.
Der resultierende Gesamtwiderstand wird kleiner und die Frequenz somit höher.
Mein zusätzliches Bauteil ist eine Drosselspule der Fa.
Conrad Electronic Best.: 535 516 mit
einer Induktivität von 47 mH . Diese Spule ist normalerweise störungsarm
gewickelt, dennoch ist sie von außen magnetisch beeinflussbar. Würde man die
Spule mechanisch größer aufbauen, so wäre das Gerät sicherlich noch
empfindlicher . Ich habe verschiedene Spulen getestet , die o.g. ist in der
Dimensionierung und mit den zur Verfügung stehenden Bauteilen am günstigsten
Das kleine Gerät dient somit als Metallsuchgerät, zum
Auffinden belasteter elektrischer Leitungen und magnetischer Metallteile.
.