
Reaktivlicht für Geocaching
von Bernhard
Beim
Geocaching gibt es auch Nachtcaches, die bei Dunkelheit gesucht werden
können. Sehr beliebt sind dort sogenannte Reaktivlichter, die
durch Anstrahlen mit Licht von z.B. einer Taschenlampe eine gewisse
Zeit lang blinken. Dadurch kann der Geocacher in der Dunkelheit das
Geocacheversteck aufspüren. Solch ein Reaktivlicht kann auch mit
den Bauteilen des Adventskalenders aufgebaut werden.
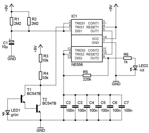
Als
Lichtsensor dient die grüne Leuchtdiode LED1. Wenn dort
genügend Licht einfällt, dann leitet der aus den beiden
Transistoren T1 und T2 aufgebaute Darlingtonverstärker, sodass der
Timer1 des NE556 über den Triggerpin 6 angetriggert wird. Timer1
arbeitet als monostabile Kippstufe. Der Ausgang Pin 5 geht dann auf
High-Pegel, sodass der Resetpin 10 des zweiten Timers inaktiv wird.
Somit beginnt die rote LED2 zu blinken. Die Blinkfrequenz beträgt
ca. 1/(1,4 * R * C), also 1/(1,4 * 220 kOhm * 600 nF) = 5,4 Hz.
Die
Zeitdauer, bis das Monoflop wieder zurück kippt, beträgt ca.
(1,1 * R * C), also (1,1 * 1,1MOhm * 10µF) = 12,1 Sekunden. Nach
ca. 12 Sekunden wechselt also Pin 5 wieder von High- auf Low-Pegel,
sodass der Resetpin des zweiten Timers aktiv wird und das Blinken somit
wieder gestoppt wird. Nach einem erneuten kurzen Lichttrigger beginnt
das ganze von vorn.