
Frosterkennung mit PT1000 und NE556
von Michael Gaus
Wenn
im Frühling die Gartenzeit beginnt, dann stehen viele
Hobbygärtner vor der Frage, ob es nachts aufgrund von Frost
vielleicht doch noch zu kalt für die empfindlichen Pflanzen sein
könnte. Hierzu kann diese sehr einfach mit wenig Aufwand
aufzubauende Schaltung nützliche Dienste leisten. Dazu wird die
Schaltung einfach einige Nächte lang draußen im Garten
platziert, um überprüfen zu können, ob es nachts immer
noch Frost gibt. Wenn morgens die LED blinkt, dann war es nachts noch
zu kalt für die empfindlichen Pflanzen. Im Prinzip handelt es sich
um eine Temperaturerkennung mit 1-Bit Speicher.
Verwendet wurden
die Bauteile des Adventskalenders plus ein Zusatzbauteil: Ein
temperaturabhängiger Widerstand des Typs PT1000.
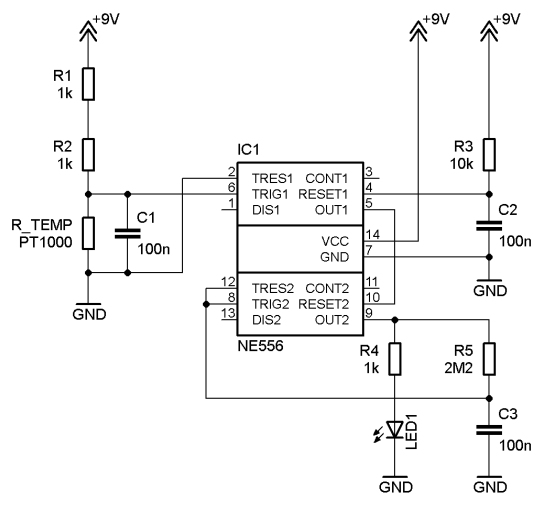
Beschreibung des Schaltplans
Bei
dieser Schaltung wird der erste der beiden im NE556 integrierten NE555
als Schwellwertschalter verwendet und der zweite als Blinker. Für
den Schwellwertschalter wird nur einer der 2 integrierten Komparatoren
des ersten NE555 verwendet. Der negative Eingang des Komparators ist an
Pin 6 (Trigger) verfügbar, der hier an einen Spannungsteiler
bestehend aus einem temperaturabhängigen Widerstand (PT1000) und
zwei in Serie geschalteten Pullups mit jeweils 1 kOhm angeschlossen ist
(R1 + R2). Abhängig von der Temperatur ändert sich der
Widerstandswert des PT1000. Er beträgt ungefähr 1000 Ohm plus
3,85 Ohm pro Grad Celsius, d.h. bei 0 Grad Celsius hat er einen
Widerstand von 1 kOhm.
Der positive Eingang des integrierten
Komparators im ersten NE555 liegt über einen internen
Spannungsteiler auf einem Spannungspegel von ungefähr 1/3 Vcc.Wenn
die Spannung an Pin 6 unterhalb dieser Schwelle von 1/3 Vcc sinkt, dann
schaltet der Ausgang des Komparators auf High-Pegel, wodurch das
integrierte Flip-Flop des ersten NE555 durch den Set-Pin gesetzt wird.
Somit geht der Ausgang an Pin 5 auf High-Pegel und deaktiviert den
Reset-Pin des zweiten NE555 (Pin 10), sodass der darüber
angesteuerte Blinker zu arbeiten beginnt.
Der zweite Komparator
im ersten NE555 wird hier nicht benutzt, der Eingang Threshold (Pin 2)
ist mit GND verbunden, sodass der Komparatorausgang auf Low-Pegel liegt
und somit den Reset-Pin des integrierten Flip-Flops nicht aktivieren
kann. Die einzige Möglichkeit, den Flip-Flop Ausgang wieder
zurückzusetzen, besteht darin, am Pin 4 einen Low-Pegel anzulegen.
Dies kann durch kurzes Brücken über einen Schaltdraht mit GND
oder aber durch kurzes Entfernen der Batterie erfolgen. Wenn also die
Temperatur unterhalb einer bestimmten Schwelle abgesunken ist, wird
dies solange gespeichert und per LED-Blinken angezeigt, bis der Reset
betätigt wird.
Über R3 und C2 wird dafür gesorgt,
dass beim Einschalten ein kurzer Resetpuls am ersten NE555 erzeugt
wird. Somit befindet sich der Blinker nach dem Einschalten definiert in
Stellung "aus", bis die Temperaturschwelle unterschritten wird.
Kurz zusammengefasst
Wenn
die Spannung an Pin 6 unterhalb 1/3 Vcc abgesunken ist, wird die LED
solange blinken, bis der Reset betätigt wird.Die Spannung an Pin 6
entspricht einer bestimmten Temperatur des PT1000, die Triggerschwelle
kann über den Pullup eingestellt werden. Wenn eine Triggerschwelle
von 0 Grad Celsius gewünscht ist, dann beträgt der
Widerstandswert ungefähr 1000 Ohm. Um einen Spannungspegel von 1/3
Vcc am PT1000 zu erreichen, muss der Pullup den doppelten Wert haben,
in diesem Fall dann 2000 Ohm. Dafür wurden hier 2 in Serie
geschaltete 1 kOhm Widerstände verwendet.
Bei den dem
Adventskalender beiliegenden Widerständen handelt es sich um
Kohleschichtwiderstände, die eine Toleranz von bis zu 5% aufweisen
können. Um eine bessere Messgenauigkeit zu erhalten, kann man
Metallschichtwiderstände mit einer Toleranz von 1% oder noch
besser 0,1% einsetzen.
Anleitung zur Einstellung von anderen Temperaturschwellwerten
Anstatt
den beiden 1 kOhm Widerständen (R1 + R2) kann man für R1
einen 1,8 kOhm Widerstand und für R2 ein 500 Ohm Potentiometer
verwenden. Vor der Benutzung muss dann mit dem Potentiometer die
gewünschte Triggerschwelle für die Temperatur eingestellt
werden. Der ungefähre Widerstandswert des PT1000 kann
folgendermaßen berechnet werden:
R_Temp = 1000 Ohm + 3,85 Ohm
pro Grad Celsius Beispiel: 4 Grad Celsius entspricht einem
Widerstandswert von 1000 + (3,85 * 4) = 1015,4 Ohm
Der Pullup muss den doppelten Widerstandswert aufweisen:
1015,4 * 2 = 2030,8 Ohm
Das
Potentiometer kann dann dementsprechend eingestellt werden, um diesen
Widerstandswert als Summe von R1 und R2 zu erzielen. Wenn eine
Feineinstellung vorgenommen werden soll, muss der PT1000 auf die
gewünschte Triggertemperatur gebracht und akklimatisiert werden
und dann das Potentiometer so eingestellt werden, bis der LED-Blinker
gerade von aus nach ein umschaltet.