
Drehfeldgenerator für Schrittmotor
von Norbert Renz
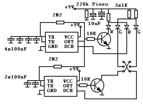
Die Schaltung erzeugt ein 2-Phasen-Drehfeld mit unipolar Gegentaktausgängen (siehe auch www.b-kainka.de/bastel10.htm#Fern).
Damit kann ein kleiner Schrittmotor angesteuert werden. Als
zusätzliches Bauteil wurde ein 2-poliger Umschalter gewählt.
Statt eines Motors wurden die LEDs verwendet. Damit ist das Drehfeld
jetzt als umlaufendes Lauflicht sichtbar, wobei immer zwei LEDs
zusammen wandern.
Der
erste 555er arbeitet als Oszillator mit ca. 50% Tastverhältnis.
Einer der Ausgänge ist mit einem NPN-Transistor invertiert worden.
Dadurch erhält man bereits die erste Phase. Mit dem Ausgang wird
der zweite 555er angesteuert, welcher als Komparator arbeitet. Seine
Zeitkonstante ist nur halb so groß, wie die des Oszillators. Sein
Ausgang eilt dem Oszillator also immer um 90° voraus. Hier ist der
zweite Ausgang ebenfalls invertiert worden. Alle vier Ausgänge
folgen einander mit 90° Phasenverschiebung, es handelt sich also
auch um einen Quadraturzähler. Werden die zwei 2,2 M als
Tandem-Potentiometer ausgeführt könnte die Drehfrequenz noch
eingestellt werden um eine Drehzahl hochzurampen, da ja Schrittmotoren
nicht mit der höchsten Frequenz anlaufen können. Mit dem
Schalter können die Ausgänge der zweiten Phase vertauscht
werden. Die Drehrichtung kehrt sich nun um. Hat der Schalter eine
Mittelstellung, dann bleibt das Drehfeld stehen und die zwei roten LEDs
blinken abwechselnd. Sind die roten und grünen LEDs gleich hell,
kann einer der 1 k weggelassen werden. Da immer zwei LEDs abwechselnd
leuchten, reichen für die vier LEDs zwei Vorwiderstände aus.
Jetzt müssen noch die restlichen Bauteile "versorgt" werden. Der
Elko kommt an die Speisung, dadurch wird eine Versorgung aus der
gleichgerichteten Versorgungsspannung eines 400-Hz-Flugzeugbordnetzes
möglich. Der parallel geschaltete Piezo warnt, falls der
Gleichrichter kaputt gegangen ist und der parallele 220 k entlädt
normgerecht den Ladekondensator, wenn die Fremdspeisung abgetrennt
wird.
Hinweise zum Anschluss eines Schrittmotors
An
den Motorwicklungen können hohe Rückschlagspannungen
entstehen, die die Treiberausgänge beschädigen könnten.
Es sollten daher an alle vier Treiber Zenerdioden mit dem Doppelten von
VCC parallel geschaltet werden, wenn ein Schrittmotor angeschlossen
wird. In diesem Fall 20V. Der 556 kann keine all zu grosse Ströme
schalten. Die Wicklungswiderstände samt allfälligen
Vorwiderstand sollten ca. 50-100 Ohm nicht unterschreiten.